Fórum témák
» Több friss téma |
meg kalibráltam én a potikkal de hiába...
kettő poti is van,az egyik a finomhangolásra,de mintha nem is érnének semmit...
rájöttem,szóval tényleg 0,1 ohmosak vannak benne,kettő párhuzamosan...de nem jó :S
Az ellenállás számító progi szerint az ezer megaohmos.
barna feket ezüst és arany,elnézést hogy elnéztem de már fáradt vagyok és alig látok
:O
Viszont ha nem szürke, hanem ezüst, akkor egytized ohm.
Csak a pontosság kedvéért az ezred ohmot milliohmnak kell írni, a milli-ben két l-lel, az ohm-ot kisbetűvel és egybe.
Sziasztok!
Akárhogyan is készül el az 0.05 ohm -os ellenállás (2 db 0.1 ohm párhuzamosan kötve), figyelni kell a huzalozésra is. A nagyáramú vezetékek egy-egy nagy fémes területtel csatlakozzanak a mérőellenállás két végere, a mért feszültséget ezekből a felületekből vezessük el más nyomvonalon. A lényeg, hogy a mért feszültség elvezetésére szolgáló vezetékeken ne folyjon át a nagy áram. (A vezetéken eső feszültség összemérhető a mérőellenálláson eső feszültséggel.) Kaphatók 4 kivezetéses ellenállások is kifelyezetten árammérési célokra.
Most hol tartasz?
Mérted az ellenállást? Multiméterrel annyit azért lehet,hogy ez M ohm vagy mili . A kimeneti feszültséget állíts 10V-ra R5-el Állítsd az R11 és 12-őt közép állásba.Tegyél a kimenetre egy terhelést legyen 100ohm 5-10W. A műveleti erősítő 9-es kivezetését tedd testre ekkor a kimeneten 0,1A nek kel folyni. Írd meg mire jutottál.
Még valami.
A D1 z dióda úgy látom 30V-os,jellel van,ott ez nem jó semmit nem csinál nem lesz stabil a referencia feszültség.
Látom nem vagy itt.
Jobban átnéztem a rajzot a referencia rész (U1a) több helyen rossz. A z-diódát lecserélném 18V-os ra, az R1-et 22K ohm-ra.Bár az egész fura egyszerűbb lenne oda egy 7815 stabilizátor annak a kimenetére csatlakozna az R4,R5 . Ez így a rajz szerint nem működhet.
Sorry,nem voltam gépnél az utóbbi pár napban... szóval igen,mértem az ellenállást,az 0,05 ohmos mert kettő 0,1 ohmos ellenállás. meg akkor holnap kipróbálom amit irtál a 100omhos ellenállással és meglátom mit fog kisülni belőle. igaz hogy elektrós szakot fejeztem de ennyire nem vagyok benne a szakmában h melyik alakrész mit miért hogyan csinál,de majd megkérdezem az ismerőseimet mert elvileg ők is ez a séma alapján csinálták,mert anno az oszink osztotta ki mindenkinek.
A referencia részt is átnézném, 7815 -el szerintem menne.Az R1 cseréjét és főleg a 30V-os zéner dióda cseréjét 18V-osra gondold meg. A zéner 30V nál stabilizál, a trafó 16V szűrés után terhelés nélkül 22V ezért ha terheled a beállított értékek rögtön megváltoznak. Az U1a köre rossz.
(Újvárosba jártam anno én is)
Oké,kösz szépen a tippeket! majd elszórakozgatok vele,meg le is tesztelem electronic workbenchben vagy tinában.
Sziasztok, meg epitetem ez a labor tapot Bővebben: Link es hozza ezt a panel muszert,Bővebben: Link. azt szeretnem kerdenzni hogy ezt a panel muszert hogy tudnam be kotni hogy ampert is tujk merni vele
Sziasztok ! Van egy 300A/75mV-os söntöm,de a panelműszerem 200mA-os,mekkora ellenállás kell,hogy pontosan mérjen,kísérletezni nemakarok nehogy tönkretegyem a műszert,egy egyenáramú hegesztőhöz kellene, szeretném ha pontosan mérne.
Hello!
Nem írtad milyen típusú a "panelműszered", ez egy analóg műszer, vagy egy digitális? És hogy tényleg 200mA-es, vagy 200mV-os. Mert ha ez egy digitális panelműszer, akkor van egyszerű megoldás. - Ha az pld. 3,1/2digites a maximális kijelzése 1999 vagy is 199,9mV feszültségen mutatja ezt. - A 300A áramot, 300-as számmal, vagy is 30,0mV mérésével lehet kijelezni. - A Shunt ellenálláson 300A mellett 75mV van, tehát ezt kell leosztani 30mV-ra, hogy a kijelzés 0..300A legyen. Vagy is egy 1,5kohm/1kohm-os ellenállású osztó megfelelő. Uki=R1/(R1+R2)*Ube=1k/(1k+1,5k)*75mV=30mV - Másik lehetőség, hogy a panelmérő referencia feszültségét 100mV-ról 250mV-ra emeljük. Ekkor a 75mV-ra 30,V-ot fog mutatni. De ha a műszered analóg, vagy tényleg áramot mér, akkor ismerni kell a végértékhez tartozó kapocsfeszültségét, vagy a műszer belső ellenállását, hogy a feszültség vagy áramosztót lehessen számolni hozzá.. üdv! proli007
Szia !
A panelmérő műszeremre ez van ráírva( KS-5135c series Ampere Digital Lcd Panel Meter) és ezek vannak rajta: 200 mikro A +/-199,9 mikro A 100 n A 1 K 2 m A +/-1,999 m A 1 mikro A 100 ohm 20 m A +/-19,99 m A 10 mikro A 10 ohm 200 m A +/-199,9 m A 100 mikro A 1 ohm 2 A +/-1,999 A 1 m A 0,1 ohm A söntön pedig 300A és 60 mV nem pedig 75mVahogy írtam. Ezt a műszert egyenáramú hegesztőhöz szeretném illeszteni,csak a méréstechnikával kicsit hadilábon állok, vagyis bevallom,hogy kicsit hülye vagyok hozzá(mert én csak hálózati villanyszerelő vagyok..Légyszi akkor mégegyszer írd ,hogy mit csináljak,hogy lehetőleg megközelítő értékeket mutasson. Mégegyszer is köszi szépen.:Nagy Józsi
Szia!
A megadott értékek azt tükrözik, hogy a műszernek 200mV-ra van szüksége, hogy 1999-et kijelezzen. Neked 60mV-od van 300A-nál. Szerintem úgy tudod megoldani, ha egy előtét ellenállást teszel, amivel megfelezed a sönt feszültségét, azaz 300A-hez 30mV tartozzon. Keress egy 1K vagy 100ohmos, vagy 10ohmos ellenállást. Amilyen értékűt találsz, abba a méréshatárba állítsd a műszert, amelyikben megegyezik a belső ellenállásával. A műszer ne jelezzen ki tizedes pontot. Így 300A-nél a söntön 60mV lesz, a műszer bemenetén 30mV, a kijelzőn pedig 300. Vigyázz arra, hogy a műszer tápfesze legyen mindentől leválasztva.
Szia!
A műszer belső ellenállását hogyan tudom meg? , mert nem mutat semmit a multiméter , viszont ha a 9 V-os tápot ráteszem a panelműszerre akkor viszont már 1,45 ohmot mutat a multiméter , a panelműszeren meg 13 A jelenik meg ? A 60 mV-ot a söntön hogyan tudom megfelezni ,hogy 30 mV legyen, mekkora előtét ellenállás kell, hogyan számolom ki ? Sajna a méréstechnikához és ezekhez a számolásokhoz ostoba vagyok.
Hello!
A műszered belső ellenállása ott van az általad leírt paraméterek között, az utolsó helyen. - Mert a Digit, nem áramot, hanem mindig feszültséget mér. Tehát a bemenetére akkora Shunt ellenállást raknak amin az adott áram végértékén mindig 200mV esik. (pld. 2mA-nál 100ohm mert U=I*R=2mA*100ohm=200mV) - Ha neked a műszered 200mA-es, akkor annak a táblázatod szerint a bemenetén 1ohm van. Ha ezzel a műszerrel sorba kötsz egy szintén 1ohm-os ellenállást, akkor gyakorlatilag kész is vagy, mert a két egyforma értékű ellenállás pont felezi a feszültséget. - Persze 1ohm-ot ami egyforma a műszerben lévő ellenállással nehéz szerezni, így járható út a következő is: Kiveszed a műszeredből az 1ohm-os ellenállást, és két egyforma értékű ellenállásból készítesz feszültségosztót a műszer számára. Ez célszerűen lehet akár két 1kohm-os ellenállás is, ahogy Péter is említi. Ekkor 60mV értékre, a műszered 30mV-ot fog mutatni, amit 300A-ként fogsz megjeleníteni. Lerajzolom, mert látom bizonytalan vagy.. üdv! proli007
Szia!
Köszi a választ és a rajzot is ,így már minden tiszta ! Mégegyszer is köszi,Üdv:N.Józsi
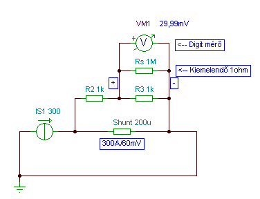
Szia !Még annyit,hogy a rajzon a kiemelendő 1 ohm helyett 1 M kell ? , tehát párhuzamban van az 1 Megás és az 1 K ellenállás.
Üdv N.Józsi
Hello!
Semmi szükség rá, csak a TINA-ban valami értéket kellett neki adni. És az 1Mohm már semmit nem zavar.. üdv! proli007
Köszönöm!
Sziasztok!
Szeretnék készíteni egy Shunt ellenállást a multiméteremhez. A műszerem nem tud áramot mérni, csak feszültséget. A legalsó méréshatára 200mV váltóban. Az itthon lévő háztartási gépeink áramfelvételét szeretném megmérni, így kb. max. 20A-es méréshatárban kellene mérnem. Ehhez 0,01 Ohmos ellenállás szükséges, hogy 20A esetén 200mV-ot mutasson a műszer. A shunt ellenálláson 4W teljesítmény esne ebben az esetben. Van itthon 0,25mm átmérőjű Manganin huzalom, amelyből egy 1m-es darab 8,95 Ohm ellenállást mutat. A kérdésem az lenne, hogy ebből a Manganinból hogyan lehet meghatározni azt a keresztmetszetet, ami biztonsággal elbírja ezt az áramerősséget?
Tobb szalat parhuzamosan kothetsz. Amikor 2 szalat parhuzamosan kotsz ugye 8,95/2=4.475 ohm lesz az eredo ellenallas. I tak dalse. Persze valaszthatsz rovidebb darabot is, es akkor kevesebb szalbol lesz a kivant ertek. pl 23 cm az 2 ohm, es ha ebbol 20 szal van parhuzamosan akkor az kb 0.01 ohm. Arra kell vigyazni, hogy jo legyen a kotes, mert az atmeneti ellenallas meghamisitja a merest. Erdemes valami csavaros kotest csinalni ahol bemegy az aram, es kulon kivezetest ahonnan leveszed a feszt.
Köszi a választ!
Persze ez tiszta sor, hogy párhuzamosan kell majd kötnöm sok szálat, de, ha mondjuk 20 szálat párhuzamosítok, akkor honnan tudom majd meg, hogy elbírja-e a 20A-t ez a 20 szál? Mert erre nem találtam képletet, hogy hogyan lehet azt kiszámolni, hogy erre az áramerősségre mekkora keresztmetszet kell.
Megkeresed valahol a manganin adatlapjat, vagy proba szerencse. Pl kiprobalod 10 A terhelessel, es ha nem melegszik, kiprobalod 20 amperrel is. Alacsony a hofokfuggese, tehat nem fog sokat szamitani a melegedes.
Sziasztok a napokban kaptam egy analóg Ampermérő panelműszert csak annyi probléma van vele hogy nincs hozzá söntellenállás ehhez szeretnék készíteni egyet a maximális mérendő átfolyó áram 16 A 230V szerintetek ehhez milyen értékű sönt kellene? Válaszotokat előre is nagyon köszönöm.
|
Bejelentkezés
Hirdetés |




kettő poti is van,az egyik a finomhangolásra,de mintha nem is érnének semmit...
:O 
