Fórum témák
» Több friss téma |
sziasztok!
a Topi féle panellműszerhez szeretnék söntöt tekerni e nem tudom hogy ezt hogyan tegyem meg a műszernek maximum 10.00A-t kéne kimutatnia
Nem igazán derült ki, mi a problémád.
- A shunt ellenállás számítása? - Elkészítése? - Bemérése? Ha ugyan arra gondolunk (Topi féle panelműszer), akkor van egy kis probléma vele. A műszer +-2V-ra készült. Ha 10A áramot akarsz vele mérni, akkor a shunt ellenálláson 1V feszültségnek kell esni. Ha ezzel mérsz, akkor az ellenálláson már 10W hő keletkezik feleslegesen (nembeszélve, hogy az áramkörben amit mérsz, 1V feszültségesést okoz). Tehát a panelméter méréstartományát, +-200mV-ra célszerű állítani. Ezt a 7107 megengedi. Referencia feszültség osztót 100mV-ra kell beállítani. 10A mellet, még így is 1W hő termelődik. üdv! proli007
szia!
szóval akkor nem megoldható? és igen a számítással van a gondom jah és elírtam mert max 5-5.5A-t kéne neki mérnie mert először 10A-es tápot építettem volna............ de ha sok lenne a veszteség meg a hő akkor van itthon 1 orosz kész A-mérőm atz betehetem...
Arról szó nincs, hogy megoldhatatlan volna, csak a megoldásnak vannak korlátai.
![]() - Át kell állítani az IC-t 200mV méréshatárra (mint fent írtam). Gyakorlatban a referencia potit 1kohm-ra kell cserélni, hogy a 100mV beállítható legyen. - A digit kijelző maximum 1999-et tud mutatni, ehhez alkalmazkodni kell. Tehát vagy 2A , vagy 20A végkitérésű árammérőt készíthetünk. Ha 5A-es mérést valósítunk meg, azt csak a 20A-es végértékű digiten tudjuk leolvasni, 05,00A formátumban. Így az első digitet nem tudjuk használni. - Ha mást is mérünk a műszerrel (feszültség..) akkor kénytelenek vagyunk a referencia feszültséget 100mV-on tartani és pontos shunt ellenállást készíteni. - A kiszámítás ezek alapján könnyű elkövetni, mert a műszer nem terheli a kisértékű shunt ellenállást, ezért az ohm törvényt használhatjuk. R=U/I [ohm=V/A] 200mV és 20A esetén ez 0,01ohm ellenállást jelent. Maximális teljesítmény: P=I^2*R [W=A*A*Ohm] tehát itt, 4W. Természetesen ha ugyan ezen a shunt-ön csak 5A-ig mérünk, akkor 0,25W. - A shunt ellenállást megvásárolhatjuk, vagy elkészíthetjük magunk. A művelet nehézsége a megkívánt pontosságon múlik. Pontos kisértékű ellenállások, viszonylag sokba kerülhetnek. (1000-2000Ft pontosságtól függően) - Az ellenállást magunk is elkészíthetjük, csak olyan keresztmetszetű vezetőt kell választani, ami a 5A (v.20A) áramot kibírja és a hőmérséklet változásra nem változik jelentősen az elenállás értéke (alfa legyen kicsi). Fajlagos ellenállása, pedig viszonylag nagy, hogy ne kelljen hosszú vezetőt használni. (Célunknak legjobban megfelelő a kb. 2mm-es Manganin huzal) - A huzal ellenállását hozzávetőlegesen kiszámítjuk és pontos értékét méréssel állítjuk be. R= ρ*l/A [ohm=m/mm^2] ρ: a fajlagos ellenállása a használt anyagnak l: a huzal hossza méterben A: a huzal keresztmetszete négyzetmilliméterben Az ellenállás értékét ohm-ban kapjuk. A huzal hosszát kiszámolhatjuk, ha átrendezzük a képletet. - Az ellenállást úgy mérjük ki, hogy kicsivel hosszabb huzalt használunk a számítottnál. A hogy a huzal két végére ráadjuk a 20A áramot, majd a multiméterrel mérjük a feszültségesést a huzalon. Ahol 200mV-ot mérünk, azt a két pontot megjelöljük. Erre a helyre forrasszuk a műszerre menő két drótot. Ezután a huzalt tetszőleges, vagy indukciómentes formára hajlítjuk, tekerjük. (Természetesen használhatunk kisebb mérőáramot is, akkor a mért feszültség is arányosabban kisebb lesz. 10A:100mV stb..) - A pontos mutatott értéket beállíthatjuk úgy, hogy a mérendő áramot beállítjuk a tápegységgel a huzalunkon, majd a műszer referenciájának változtatásával beállítjuk, hogy pontos értéket mutasson. (Ha a műszerrel ezen áramon kívül mást nem mérünk. Lásd. fenn) Arra mindig ügyeljünk, hogy az árambevezetési pont ne essen egybe a levett (200mV) feszültség ponttal, mert a bekötési ellenállás befolyásolja a mérést. ( A kötési ellenállás a shunt értékével összemérhető értékű. 0,01ohm!!) Hát kb. ennyi. Remélem nem vettem el a kedvedet a próbálkozástól. üdv! proli007
2V-os méréshatár? Ez tévedés habbal. Nézzétek meg a papírt, ami a dobozban volt mellette. A méréshatár kiterjeszthető, és az alap méréshatár 200mV.
200mV 2V 20V 200V-os méréshatárai vannak.
szia!
Idézet: „200mV 2V 20V 200V-os méréshatárai vannak.” + még 500V-os is van
Bocs Topi!
Zoly nem nevezte meg, konkrétan számomra, hogy miről beszél. Ezért kezdtem a hozzászólásomat azzal, hogy "Ha ugyan arra gondolunk (Topi féle panelműszer)", mert csak a fórumon megjelent "Digitális voltmérő, LED kijelzővel " cikket ismertem, és ott 2V-nak láttam a minimális méréshatár. üdv! proli007
szia!
bocsi proli007 nem tudtam hogy a méréshatár is szerepet játszik a shönt terén üdv!
Sziasztok!
Az lenne a kérdésem hogy hogyan lehet shunt ellenállást csinálni árammérésre? Motorvezérléshez kéne mérni az áramot vele, max 20A!
Gratulálok, én írt egy törlésre váró témát!
http://www.hobbielektronika.hu/forum/topic_518.html Sok sikert a válaszra a rendes témában!
Hi!
Ez attól függ, milyen műszered van. Ha 200 mV-os méréshatárhoz kell számolni, akkor 20 A-nél essen rajta 200 mV. Oh m-törvénnyel számolva 0,01 Ohm jön ki. Ezen a 0,01 Ohm-on 4 W hő lesz 20 A mellett; kb. 6-10 W-os ellenállás kell hozzá. Ha a hűtést nem tudod biztosítani, akkor még nagyobb teljesítményű ellenállás kell bele. Pontos 0,01 ohm sokwattos ellenállást lehet kapni elektronikai boltban, vagy lehet tekerni is (erre van külön topik).
Igazábol nem müszerem van, henem egy mikorvezérlő AD-konvertere lesz használva erre célra, ez fogja az adatokat kiértékelni... Shunt ellenállásokat már láttam katalógusokban, de 1000Ft-tol kezdödnek, ami nem csekélység, ha az ember nem 1db-ot akar készíteni. Ha eseteg valaki tud mondani valami helyet ahol olcsobbért van? A lomexbe nem tudtak adni nekem... Ha van valahol elfogadható áron, az már jó megoldás.
De ha nem, akkor valamiféle képpen készíteni kéne ilyet. Igazából az értéke nem kell nagyon pontosnak lennie, 300-400W lenne a max teljesítménye.
Ez a 300-400W gondolom, nem a shunt ellenállás teljesítménye akar lenni. (remélem)
A következőket kellene átgondolni: - Mihez szeretnéd használni. (ez meghatározza az áram nemet [esetleg váltó] és a pontosságot) - Mekkora az áram, amit mérni szeretnél. (Szükséges-e több méréshatár) - Mekkora feszültségesés lehet a terhelésen. (mekkora a tápfesszel jár) - Mekkora feszültség és teljesítmény veszteség engedhető meg a körben. (persze legcélszerűbb a legkisebb) - Melyik ágban lehet a shunt ellenállás. (Lehet-e pld. a negatívban) - Ha többcsatornás a mérés, lehet-e galvanikusan közösíteni és lehet-e a shunt ellenállások egyik potenciálját közösíteni. Na, szóval van itt kérdés bőven. Egy mikrovezérlő A/D-jára menő feszültségnek optimuma, valahol a 2V körül van. Ekkora veszteség nem engedhető meg bárhol, és ez teljesítményt is jelent a shunt ellenálláson. Viszont nem kell, hogy ellenállások pontosak, "csak" stabilak legyenek (minden mérést a mikrovezérlővel kalibrálni is lehet). Ha nem engedhető meg, ekkora feszültségesés, akkor valami előerősítőre van szükség. (Persze ha a pontossági követelmények a "saccométer" szintet ütik meg, akkor lehet kisebb az A/D referenciája.) Nem túl szerencsés nagyáramú körökkel, a vezérlőt galvanikusan összekapcsolni, mert esetleg valami (hiba miatt) leéghet az egész, de ha nem esetleg zavarja a működését. (De néha elengedhetetlen) Nos látod, hogy mindent a körülmények és a követelmények határoznak meg. Elsőként megtehetted volna, hogy kicsit körbeírod, mire szeretnéd alkalmazni a mérést, egyszerű "parasztos" fogalmazással, mert akkor mindenki kb. fel tudja mérni a követelményeket és segítőkész lesz. (Dbase sem "durvázott volna veled, mert nem az jött volna le neki, hogy egy áramosztót szeretnél készíteni, amire kis segéd program is van itt.) :yes: Amúgy tisztelettel kérnék mindenkit, aki ilyen kis hasznos segédprogramot készít, hogy a számítási eljárást is mellékelje hozzá, hogy ne csak a kapott eredménnyel legyünk gazdagabbak, hanem tanulhassunk is belőle. Pld. a számítás menetét és logikáját is írja le! Köszönettel a többi „amatőr és haladó” nevében is. üdv! proli007
Sziasztok készítenek egy hegesztő berendezés áramszabályzóját, ahol egy ellenálláson figyeli a szabályzó elektronika a feszültség esést, ezt az ellenállást kellene elkészítsem, melynek értéke 0,375mohm és rajta maximum 250 Amperes áram haladna keresztül. Fenébb
olvastam ,hogy manganin huzalból készítik ezeket az ellenállásokat, kérdésem az, hogy honét lehet beszerezni ezeket?
Hello!
Én a helyedben vennék. Sönt 200A/75mV Szerintem nem lesz olcsóbb ha elkészíted. És a 250A-t biztos simán elviszi. üdv! proli007
Mióta nem írtam el telt egy kis idő, a lényeg vetem 3 drb 50amper/75mv söntöt, párhuzamosan kötöttem őket így elvileg 150amper/75mv lett belőlük. Ehhez kéne egy volt mérő ami méri a váltakozó feszültség esést rajta. Panel műszerben lehet kapni200mv mérés határút, csak hogy az egyen feszt mér, nekem viszont váltó feszültségem van. Segítségeteket kérem e probléma megoldásához
Hello!
Ez megteszi szerintem. üdv! proli007
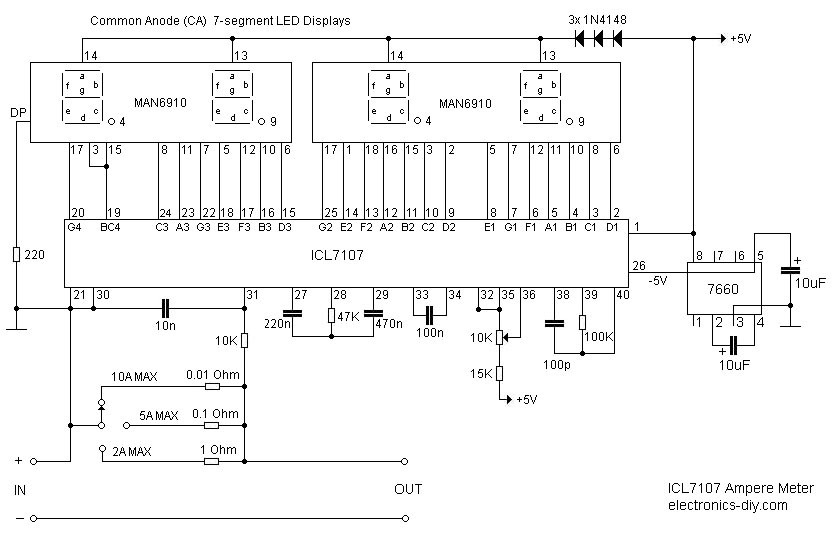
Üdv proli007 köszönőm a kapcsolási rajzot, e kapcsán lenne egy kérdésem Vg1 helyén ugye bár nekem az ellenállás lenne, akkor én le kell földeljem az egyik elektróda fogóját a műszer tápjával? Válaszodat előre is köszönőm.
Másik kérdésem az lenne, milyen programmal készítteted a kapcsolási rajzot?
Hali!
Te valamit félre érthettél. Ahogy nézem a rajzot, a Vg1 az a shönt ellenállás. A "földelés" az nem a hálózati földelés. A rajz mellett látható a "táp rajza" ott van hogy a műveleti erősítőnek +5V és -5V kell ezek "találkozásánál" van a GND amit te hálózati földelésnek néztél. Üdv!
Hello!
Pontosan úgy van, ahogy Zoli írja. A rajz a szimulátorban készült, a VG1 az egy váltóáramú generátor modellje, történetesen azt a feszültséget modellezi, ami a shunt ellenálláson esik. A szimulátorban (és az én rajzaimban is) a földelés jele, alapvetően nem a váltóáramú életvédelmi földet jelenti, hanem azt a közös GND pontot, amihez képest a méréseket végzi a szimulátor. Sajnos ezekben a programokban nincs külön GND jel. Tehát nem kell földelni semmit, csak a tápfeszültségnek az áramkörnek, és a DVM műszernek kell közös pontjának lenni ezzel a feszültségpotenciállal. Az egy más kérdés, hogy célszerű, ha ez a pont feszültsége nem túl magas a tényleges nullpont avagy földeléshez képest, mert úgy szedi össze a legkisebb zavart az áramkör. (Amivel egyébként még meggyűlhet a bajod. A tápra - bemenetekre érkező impulzus szerű zavarokat is csökkenteni kell, mert egy hegesztőben azért lehetnek komoly zavaró jelek.) Ha LCD-s műszered van, tovább bonyolítja a dolgot, hogy annak független (galvanikusan elválasztott) tápfeszültség kell, mert a mérőmű "Common" közös kivezetése, nem azonos a tápfeszültség egyik lábával sem. üdv! proli007
Üdv!
Keresnék valamiféle megoldást a következőre: Sönt ellenállásra lenne szükség áramméréshez. 40A, pillanatnyi csúcsban akár 60A elviselésére; minimális ellenállásra lenne szükség (0.05ohm). Méret: letudja adni a melegedés által keletkezett hőt, és ne legyen induktivitása (ellenállás, manganin huzal feltekerve már nem jó). Sima rézdrót megfelelne, de annak kicsi az ellenállása.
Hello!
Nem tudom a hegesztők ma mivel dolgoznak, de valaha simán lehetett kérni tőlük keményforrasztáshoz használatos "újezüst" anyagot. Ez kb.10mm*1,5mm-es lapos profilú volt. (kemény-forrasz anyagok) Ha jól emlékszem, ezek valami réz-ezüst ötvözetek, és ellenállása kb. 4-5-ször nagyobb volt, mint a vörösrézé. Utána néztem a hálón, ma mi kapható. Van hasonló, de villamos tulajdonságait erősen "titkolják". De a szabványban biztos benne van, csak azt sokszor csak pénzért adják.. (Esetleg a sárgarezet is érdemes lenne megnézni) üdv! proli007
Üdvözletem!
Sönt készítésében kérnék tippeket tanácsokat.Egy 4955Ohm-os söntök kellene készítenem egy Voltmérőhöz.Mármost ez lehetséges-e úgy,hogy vegyek pl egy 4,7KOhm-os ellenállást,egy 200Ohm-os ellenállást,a fennmaradót pedig megtekerem?Ha igen,hogyan kellene őket kötni(soros,párhuzamos) Köszönettel:Máté.
Hello!
Látom kissé fogalom zavarban vagy. Az áramméréshez kell párhuzamos Shunt ellenállás, a feszültség méréshez, pedig soros előtét ellenállás. A lényeg, hogy a műszeren a kívánt méréshatáron, a végkitéréshez szükséges áram folyjon. Tehát ha a végkitérés árama (műszer alapérzékenysége) 1mA, akkor feszültség mérésénél, akkora ellenállást kell sorba kötni vele, hogy a kívánt feszültségen ismét 1mA áram folyjon. Így amit kiszámoltál, helyes az 5V feszültséghez. Az előtét és műszer belsőellenállása, egy soros ellenállásból álló feszültségosztó, ahol az átfolyó áram azonos, a feszültségek, pedig az ellenállás értékek arányában oszlanak meg. Természetesen gyárilag ide speciális ellenállásokat készítenek, amatőr viszonylatban meg több darabból összeállítható. De mindenképpen ki kell próbálni a műszerrel, mert az ellenállásoknak van tűrésük is. Tehát a példádban hiányzó ellenállást, lehet a tűrés pótolni is fogja. De ma általában gép köszörüli az ellenállásokat, így értékük, inkább kisebb mint nagyobb a névleges értéküknél. Pontos előtét ellenállásokat, vékony szigetelt manganin huzalból készítik. Kiszámítják a hosszat, majd feltekerik egy csévére (biffilárisan, ha indukció szegény kell). Majd a bemérés alatt, rövidítve a huzal hosszát állítják be a szükséges pontos értéket. Árammérésnél, ha pld. 1A szeretnénk mérni az 1mA-es műszerrel, akkor a műszerrel párhuzamos Shunt ellenálláson 999mA-nek kell folyni. Ekkor a kettő együtt, 1A fog kiadni. Ez gyakorlatban azt jelenti, hogy a Shunt ellenállása, közel 1000 szer kisebb, mint a műszer belsőellenállása. Hiszen ez egy áramosztó. A párhuzamos kapcsolásnál a feszültség közös, és az áramok az ellenállás értékének fordított arányában oszlanak meg. De készíteni úgy szoktuk, hogy a műszerre 1mA-t adva, voltmérővel megmérjük a műszer kapocsfeszültségét. (Ez pontosabb értéket szokott adni, mint az ellenállásának megmérése) Ekkor már tudjuk, hogy a Shunt ellenálláson is ekkora feszültség lesz, az 999mA áram ismert, így a Shunt Ohm értéke már számítható. Nagy-áramú Shunt ellenállás készítésénél, már komoly - vastag - stabil ellenállásanyag szükséges. Általában ez manganin huzal. Ennek hosszát kiszámolva (és kicsivel rövidebbre véve) elkészítjük a csatlakozási pontokat. Majd a bemérésnél a vastagság reszelgetésével állítjuk be a végleges értéket. Gyakorlatban a hosszat célszerű úgy megállapítani, hogy az ellenállás huzalon méréshatárhoz közeli áramot vezetünk át, majd a mV mérőnkkel kitapogatjuk, milyen hosszon esik a kívánt feszültség (a műszer kapocsfeszültségének megfelelő érték). De nézz meg a hálón, egy Shunt ellenállás, hogy néz ki. Egyik művelet sem egyszerű, ellenállás anyagok és gyakorlat szükséges. De nem megvalósíthatatlan. A művelet nehézségét, a műszer alap pontossága, és a pontossági igényeink fogják meghatározni.. üdv! proli007
Üdv!
A feszültség méréshez sikeresen elkészítettem az előtét ellenállást! Eléggé pontosan mér.5V és 25V a méréshatár.Áramméréshez alacsony ellenállás kellene,ahhoz majd később fogok! Köszönöm a segítséget! Máté.
Érdekelne, hogy hogyan lehet csinálni 50 mili ohm-os ellenállást? ugyanis a szaküzletekben nincsen...
Szerintem lehet kapni pl a Lomexben 0r05 néven kell keresni a keresőben, egyébként meg ellenállások párhuzamos kapcsolásánál taláhatod a megoldást
1/R1+1/R2+...+1/Rn=1/Reredőszóval jó sok ellenállást párhuzamosan és kijöhet a keresett érték |
Bejelentkezés
Hirdetés |







Másik kérdésem az lenne, milyen programmal készítteted a kapcsolási rajzot? 