Fórum témák
» Több friss téma |
Kipróbáltam, a bemenetek elé 10nF-os, az órajelhez 1µF tettem, de a probléma megmaradt :S
Sikerült, köszönöm!!! Az egyik kondi rossz helyre ment
![]() Üdv.: Zsolti
Viszont kimenetenként 1 db leddel működik jól, ha pl a ledekkel párhuzamosan pl 1-1 irfz44n-t is berakok, akkor megint ugyanaz az eset :s. A terhelés mértéke befolyásolhatja a működést? Vagy itt más a baj?
Tehát hogyan lett jó?...Ezek szerint befolyásolja, lehet, hogy a táp nem eléggé stabilizált. Vagy tégy az IC tápjai közé 100nF-ot, ha még nincs.
Pedig PC tápegyseéget használok. De azért bekötöttem a 100nF-ot, de sajnos a helyzet ugyanaz :S
4db CD4066 IC-t vezérlő bemenetválasztó áramkör.
5 bemenet + 2 monitor vezérlési lehetőség.
A PC táp kimenete általában zajos! Próbáld ki egy disszipatívval.
A diskurzusunkról amúgy ez a vicc jutott eszembe: Kohn elpanaszolja a rabbinak, hogy döglenek a libái. - Mivel eteted oket? - Szemes kukoricával. - Az a baj. Etesd ezután darával! Kohn egy hét múlva ismét panaszkodik, hogy még mindig döglenek a libái, pedig darával eteti oket. - Mert szamár vagy! . - mondja a rabbi. - zabbal etesd oket! Pár nap múlva Kohn megint siránkozik, hogy hiába eteti zabbal a libáit, mégis pusztulnak. - Ostoba fajankó vagy, miért nem árpával eteted oket?! Másnap megint megy Kohn: - Rabelében, hiába próbálkoztam az árpával, megdöglött az utolsó libám is! - Most már egy libád sincs? - Egyetlen egy se. - Kár. Pedig még annyi jó ötletem lett volna...
Megpróbálok egy feszstabilizáló IC-t elé rakni, mondjuk egy 78S12-t, aztán megírom, hogy mi lett.
Kipróbáltam 12V-os és 5V-os feszstab IC-vel is, de még mindig randomra kapcsolódnak a kimenetek :S
A jelenlegi rajzot csatoltam
Hejj, ezt jól tetted... így látható, hogy mit tettél: a bemenetekkel SOROSAN kötöttél kondikat. Nem eeről volt szó, mert így egyik bemenetnek sincs stabil logikai szintje, "lebeg", bármit tehet.
Először 1db kondit tégy a CLK és a GND közé: ezzél kissé késlelteted az ott létrejövő H szintet a D bemenetekhez képest.
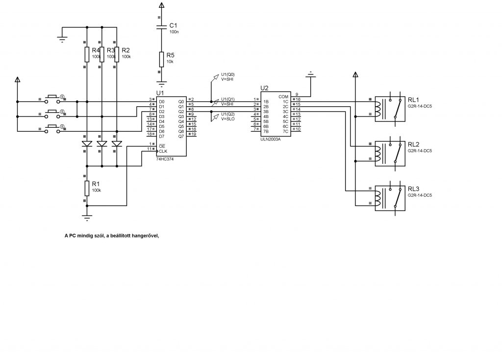
Kipróbáltam, ha a CLK és a GND közé teszek (csak) 1 kondit, akkor a kimenetek csak akkor lesznek nyitva, amíg nyomva tartom valamelyik gombot.
Vagy ha valaki esetleg tud másik kapcsolást, akkor ne fogja vissza magát!
Már kezd egy kicsit idegesíteni ez az egyszerű, de nekem mégsem működő kapcsolás
Elég érdekes... az adatlap szerint az adatbemeneten lévő szint az órajel felfutó élénél billenti a kimenetet.
De: ezek egymástól független flip-flopok, csak a CLK és a reset közös. Tehát már az sem érthető, miért tűnik el egy aktív kimenet, ha egy másik bemenet kap impulzust. Ha egyszerre csak egy kimenetnek kell aktívnak lennie (mint az egymást kiváltó nyomógomb sornál), akkor a régi SAS560 szenzor IC a legegyszerűbb. Ha független kapcsolók kellenek, az alábbi kapcsolás gyakran alkalmazott, kipróbált.
Azért kapcsol ki az addig aktív kimenet, mert amikor nyomod a másik gombot, akkor az összes tároló mintát vesz a bemenetei állapotáról, mivel az órajelük közös. Ha két gombot egyszerre nyomsz, akkor lehet két kimenet is aktív.
A szimuláció nálam így történik:
Akkor szerintem marad az általad csatolt 4069-el megoldott kapcsoló, csak 5 be-kimenet miatt 2 db-ot építve. De az újnál ott ha egyik bemenet után lenyomok egy kapcsolót, akkor az előző kimenet nyitva marad, így érted a függetlent?
Köszi a segítséget, majd írom a további fejleményeket .Medve, ez OrCad-os szimulációs fájl?
Mert ha úgy érted a függetlent, akkor az mégsem jó nekem.
Ez egy LED paneleket vezérlő egységhez lenne, aminél 5 darab funkció van. Egyszerre csak 1 funkció érvényesülhet, és ha váltani akarok a kettő közül (ezzel a 'lábkapcsolóval'), akkor elég vicces lenne az előzőt lekapcsolni, majd az újat fel
Ez a Proteus 7.1 ISIS moduljával készült. Ha feladod a kísérletezést, akkor az atombiztos megoldás valóban a SAS IC lesz, ha van kéznél 30V-os feszültséged. Ebből két fajta van, az egyiknél a bekapcsoláskor az első kimenet aktívan indul és szigorúan csak egy aktív mindig.
Nem kell neki a 30V, az csak a hangolófesz kapcsolókra menne. A tápja 12V és H-ba megy az épp aktív LED kimenet. LOMEX-ben még volt fillérekért nemrég.
Hát lehet...Anno kísérleteztem velük, ha jól emékszem kellett neki még valami táp, de megnéztem az adatlapját: SAS560/570: "Mindkét típus két tápfeszültséget igényel, a kisebbről, a jelző tápfeszültségről működnek a bemeneti érzékelő áramkörök, és ez szolgáltat áramot a kijelző diódáknak; a jelző tápfeszültséget legalább 6V-tal meghaladó feszültségről működnek a bistabilok, és ez a feszültség jut a varikapokra."
A SAS580/590 esetén pedig: "AZ áramkörök egy tápfeszültséget igényelnek, 30V, 16. láb" Szerintem egy tápfesszel, nem fog billenni, de ki kell próbálni.
Értem. Gondolom lehet őket akkor kaszkádba kötni, hogy tudjak több kimenetet is kezelni, ugye? Melyik lábakat kell összekötnöm ehhez? A sas6600 az ugyanaz, mint az 560-as, ha jól láttam. Vagy ha csatoltok egy rajzot ,nekem az is jó.
Magyar IC-hez magyar infó: Bíró Sándor: Magyar gyártmányú félvezetők, 144. oldal. A szokott helyen megtalálod!
Hanem akad egy másik megoldás is: Egy CMOS kapuval megoldod a szenzort, és azzal egy tirisztoros kapcsolást vezérelsz, amelyeket lehet "egy aktív" módon kötni. (Ilyet nem tudom már hol láttam)
Ohh, köszönöm
![]() A hangolókimenetek bekötésére mindenféleképp szükség van? Az én esetemben is? Rajz Olvastam, hogy kettő összekötése esetén (kaszkádosításnál) két egyformát ne használjunk. Viszont az egyik tápja az 30 V-on van, akkor ez egy 12 V-os táppal nem megoldható?
Ki kell próbálni úgy, hogy 12V-ot kap a 30V helyett és 6V-ot a 12V helyére. (Ha csak 12V-od van). A belső rajzát nézegetve úgy is mennie kellene. Én arra emlékeztem, hogy csak a priority nem megy a varicap fesz nélkül.
Hali!
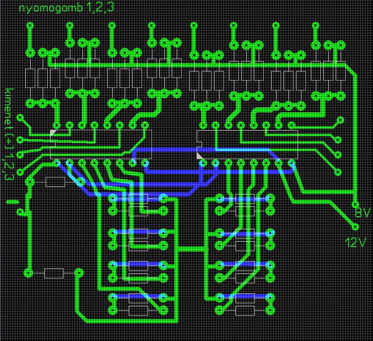
Na megcsináltam a kapcsolást, de az a baj vele, hogy nálam folyamatosan nyitva van mindegyik kimenet, akár kapcsolgatom a kapcsolót akár nem. Egy picit megpróbáltam átalakítani az előző hozzászólásomban csatolt kapcsolást, a potikat 30 kohm-os ellenállással helyettesítettem, és a diódák helyett 4148-asat használtam. Mivel nincsenek potik így a "földelő" diódán kívül a többit elhagytam. Csatoltam a nyáktervet, hátha láttok benne valami rosszat. (A diódákat és a kondikat is ellenállással jelöltem, ezért elnézést kérek, de most nem ez a lényeg) A két IC 4 db lábát összekötöttem úgy, hogy 1-1,2-2,7-7,8-8, a kapcsolók másik felét egy 5.6 Mohm-os ellenállással földre kötöttem. (Ezt nem jelöli a rajz)
Ja és 8V-ot tettem a 6V helyett az előző kapcsolási rajzon jelölt V8-ra (mert nem volt itthon csak 8Voltos feszstab IC-m...), de a 12V maradt.
Akkor ez a baj, legalább 6V-tal kell többnek lennie a hangolófesz lábon, mint a tápon.
|
Bejelentkezés
Hirdetés |





Már kezd egy kicsit idegesíteni ez az egyszerű, de nekem mégsem működő kapcsolás


Ez egy LED paneleket vezérlő egységhez lenne, aminél 5 darab funkció van. Egyszerre csak 1 funkció érvényesülhet, és ha váltani akarok a kettő közül (ezzel a 'lábkapcsolóval'), akkor elég vicces lenne az előzőt lekapcsolni, majd az újat fel





