Fórum témák
» Több friss téma |
Hja és ez szerintem csak 4-et tud kapcsolni!
+mute, +üzemmódválasztó
Köszi hogy átnézted!
Üdv.
Van egy ötletem bement választóval kapcsolatban. Itt ez a forgókapcsoló ami 12 állású. Na most arra gondoltam hogy ez a forgókapcsoló 4 db relét kapcsolgatna amik kapcsolnák a bemeneteket. Szerintetek? Még annyi lenne a kérdésem hogy ez a forgókapcsoló 360° ban átfordul? Már csak azért kérdezem mert akkor ha pörgetném világba akkor folyamatosan tudná kapcsolni a bemeneteket egymás után majd vissza az elejére. Ez azért lenne jó mert igy akkor megmaradna az erősitőn a potméter filing .Ki mit gondol erről?
Ha jobban körülnézel van 2X6 kiosztású is ,akkor nem kell relé.Úgy tudom egy kis barkácsolás után biztosan,de lehet elég csak az ütközőt kivenni.
Ez igaz de akkor 6 bemenetet tudok vele kapcsolni vagy esetleg hármat.
Az végül is nem gond ha ki kell belőle venni az ütközőt. Egyébként az ötlet egy marantz erősitőből jött ahol láttam hogy lehet világba forgatni a bemenetválasztó gombot. De akkor ez a forgókapcsoló gyárilag nem olyan.
Jó az elgondolásod . A reléket közvetlenül a bemeneti RCA aljatoknál helyezd el , így a vezetékezés is egyszerűsödik , mivel csak az L-R oldalak vezetékeit kell huzaloznod , a reléket vezérlő DC vezetékezése már kisebb probléma .
Négy bemenethez elegendő 4db relé és 4 állású kapcsoló .
Igen elég lenne a 4 állás is, ha lenne ott ahol én néztem.
Ott van olyan hogy 4 állás/3szekció és ez nekem nem jó. De viszont a 12 állás/1 szekció jó lenne. Felosztanám 3 részre és kész. Azaz amikor a 4. állás után átkapcsolnám az 5-re akkor újra az első bemenet jönne. Remélem érthetően irtam le
Persze párhuzamosíthatod az érinkezőket , jól írod, a 4. után ismételné magát sorban , megvalósulna a teljes körbefordulás .
Igy ahogy mondod.
Csak még az a kérdés hogy a 12. állás után van e ütköző. Az adatlapjából kiderülne csak az a baj hogy valamiért nem tudja megnyitni, de majd megpróbálom később.
Van , de kivehető , a rögzítő anya alatt található .
A 12 állás 2-12ig variálható. Használtam ezt 6 állásban is , de csak csökkenteni lehet vele fokozatok számát .Sajnos a házon belül is van egy ütköző amit ki kéne faragni .
A 4/3 miért nem jó, legfeljebb egy üresen marad.
Ha jól láttam a képen akkor a hátlap pattintós, igy könnyen ki lehet vadászni belőle azt nem oda illő ütközőt.
proba: Ezért nem jó. Nézd meg a képen hogy vannak az érintkezők. Igy nem lehet kialakitani a 360°-os fordulást, mivel én azt szeretném hogy át lehessen forgatni és a bemenetek úgy jöjjenek egymás után, hogy 1,2,3,4,1,2,3,4,1,....
Hello mindenkinek.
Találtam itt a Hobbielektronika.hu -n egy linket. relés előfok csatornaválasztóval Ennek volt egy továbbfejlesztett változata, a RelaiXed -- Balanced pre-amplifier Épitette már meg valaki ezt? Én szeretném, csak nem tudom, hogy kezdjek hozzá. Elvileg a Jos van Eijndhoven aki ezt kitalálta, írja, hogy meg lehet venni kitben, csak nen annyira vágom az Angolt, és nem vagyok a dologban biztos. Ha valaki foglalkozott ezzel, írja meg légyszi. Itt egy kép a RelaiXed-ről
Úgy nézem ez PIC programozással kezdődik...
Üdv!
Egy compressor/limiter építésébe fogtam bele. A bemenetet úgy szeretném megvalósítani, hogy RCA és XLR (keverő master kimenet) dugót is tudjak belekötni. Ide kell valamilyen bemeneti választó, vagy csak elég összekötni párhuzamosan a a csatlakozókat? A kimenetet is ilyen eljárással szeretném megvalósítani.
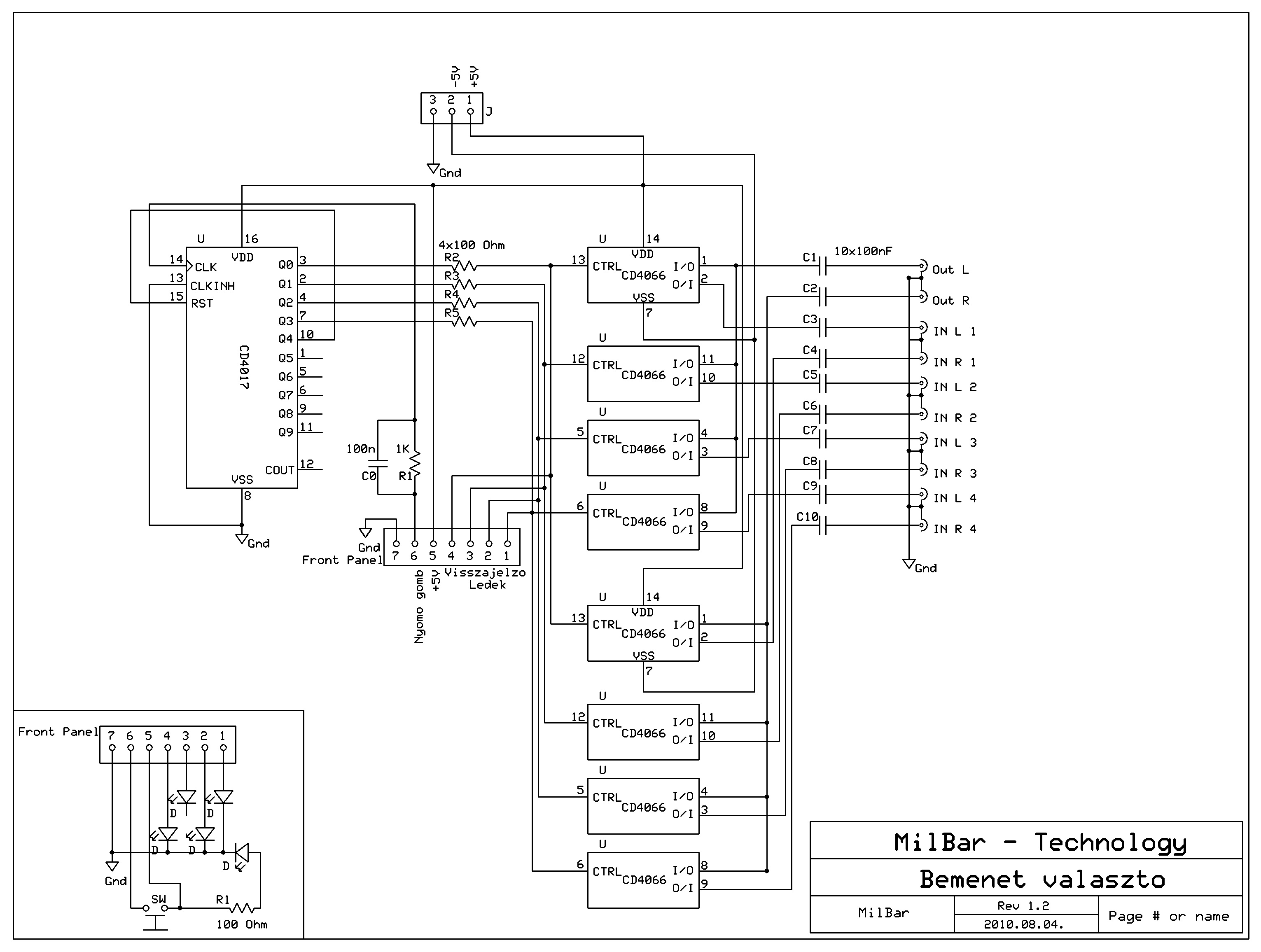
Üdv! Terveztem egy bement választót. Érdekelnének a vélemények! Előre is köszöntem!
Kicsit módosítottam és átláthatóbbá tettem a kapcsolást!
Érdekelne a véleményetek erről, főleg ha valami nem jó ![]() A kapcsolás funkciója a bemenetválasztás! A 4017-es számláló IC 4 kimenetét használtam benne amit ez látszik a rajzon is, ez hajtja meg a visszajelző ledeket és a 2 db 4066-os IC-t. Ezek kapcsolják a bemeneteket. Egyszerű de nagyszerű!
Szia milbar ha megépitetted a kapcsolást akor nemtudnál megijeszteni a nyáktervel? Elöreis köszönöm.Tisztelettel Zsel55
Itt van az én változatom, ehhez van nyákterv is. Hátha megfelel.
Bővebben: Link
Ez nagyonjo.A pic egy kicsit nehéznekem, de remélem hogy most sikerül.Köszi
Helló
Tudna valaki segiteni ,quad 405 -hoz szeretnék egy bemenet választót
A bemenet választó az mindegy mihez kell az itt is bemenet választó meg más egyéb erősítőnél is .
Bővebben: Link Bővebben: Link
Szia Bobika!
Én készítettem egy saját fejlesztésű PIC16F887 -re épülő 8 csatornás bemenetválasztót és kivezérlés jelzőt egyben. A bemenet választás rotary encoderrel történik, a kiválasztott bemenetet egy led display kijelzőn láthatjuk. Emellett egy 24 karakterese LCD kijelzőn pedig a kivezérlés létható. Csatolok pár képet, rajzot, és hex-t. Illetve, a következőhöz teszem a többit, mert nem enged több csatolmányt. Üdv. Subi
És küldöm a többi anyagot.
Sziasztok!
Nemrég megépítettem EZT a kapcsolást, de problémák vannak vele. A kapcsoló átkapcsol a megfelelő kimenetre, de sokszor csak 3. megnyomásra (vagy többszöri próbálkozás után), vagy ha tovább nyomva tartom a gombot, de van amikor egyből jó. Új IC-vel is kipróbáltam, de ugyanaz a baj. Mi lehet a baj? :S
Hello, a nyomógombok jó kontaktust adnak?
Igen, amikor lenyomok egy másik gombot, akkor először mindegyik kimenet "lezár", majd jön a próbálkozás.
Tehát, amikor megnyomok egy gombot az előző kimeneten mindenféleképp eltűnik a jel-> a kapcsoló jó.
Lehet, hogy "túl egyszerre" kapják a szintváltást a bemenetek. Nem néztem ennek utána, de lehet, hogy ha a CLK-t késleltetnéd kissé az adatbemenethez képest, vagy fordítva, akkor jobb lesz. Először csak natúr tegyél rá egy kondit ezekre a lábakra, ami némiképp lassítja a felfutását...A szimulációban ez jól működik...
Mármint az ellenállások és a bemenetek közé?
Meg a + és az RST közé? Kb mekkora kondit tegyek, nF elég? Ha csak az RST nél rakok, akkor nincs változás |
Bejelentkezés
Hirdetés |




.

A kimenetet is ilyen eljárással szeretném megvalósítani. 









