Fórum témák

» Több friss téma
Fórum » Skoda Octavia elektromos probléma
Lapozás: OK   59 / 197
(#) oki2006 válasza tatrabi hozzászólására (») Nov 6, 2011 /
 
Szia tatrabi!
Köszönöm gyors és segitökész válaszod,ma reggel feldugtuk computerre a masinát és azt irta ki hogy a benzin -levegö keverés nem jo!
Ezt okozhatja a fojtoszelep?
Köszönöm segitséged!
(#) delta1 válasza James9712 hozzászólására (») Nov 6, 2011 /
 
Nincs mit. Örülök hogy megoldódott.
(#) tatrabi válasza oki2006 hozzászólására (») Nov 7, 2011 /
 
Igen, hisz neki a feladata a levegő mennyiség szabályozása...
(#) Ribald hozzászólása Nov 11, 2011 /
 
Üdv!

Octavia 1,6 AEE 98' -nál Szívócső nyomás érzékelőnél hidegen 1-2-s láb között az ellenállás 3,5Kohm melegen 3,26kohm! Ez normál érték? Én úgy emlékszem hogy 2-3Kohm között kéne lennie az értéknek! Ha rosszul tudom javítsatok ki!
Illetve mit eredményez ha tényleg magasabb az érték?
(#) lazaics válasza tatrabi hozzászólására (») Nov 15, 2011 /
 
Üdv!

Legutóbb nyáron írtam a nehezen induló Octaviáról.
Az autóba azóta belepakoltam 2000 km-t.
Még mindig nehezen indul, a héten megejtem az ac cserét. Nagyon kíváncsi leszek, hogy változik e valami!
Nemrég elköltöztem és egy újabb poénos eset történik az első indítózáskor.
Kicsit lejtős helyen áll az autó. Ha farral dől a lejtő felé akkor elég nehezen indul,viszont ha orral dől a lejtőnek akkor pöccre.
Meglátjuk mi lesz az ac cserével...
(#) papuska47 hozzászólása Nov 16, 2011 /
 
Üdvözletem!
Azzal kezdeném,hogy nem Skodás vagyok.De miután az én gépem is a VAG-csoporthoz tartozik,ezért szeretnék tanácsot kérni az én problémámra.Sok mindenben egyformák(folytószelep,egyéb érzékelök)Ez egy 2000-es évj. 1.4 16v AHW mot.kodu vw polo.A motor vezérlöjével volnának kérdéseim.Typ:Magneti marelli IAW 4CV.Az a gondom, hogy amikor gyujtásra teszem,kigyulladnak a jelzö lámpák(légzsák,stb)hminden rendben, akkor elalszanak. Ha hiba van kigyulladnak.De a motor hiba(chek engine)semikor nem világit.Ha hibát idézek elö akkor sem.A müszer csoport az a két kerek ezüst karikás müszer.Probára betettem másik müszert de azzal sem jelzett.A gugli nem a barátom,mert hiába kerestem rá magyarázatot nem találtam.Végig olvastam az itt lévö összes oldalt de miután itt leginkább a Skoda a vezetö gép igy nem találtam rám nézve semmit.Ezért kérném a hozzá értöket (VIM,Samara,Sufni tuning Hosszulabu,stb)hátha tud valaki megoldást.Máshol, azt mondták, hogy ez az autó buta ez eszt nem tudja.Létezik ilyen?(VW szerviz)
(#) sufni-tunning válasza papuska47 hozzászólására (») Nov 16, 2011 /
 
Skoda felíciában például nincs is check lámpa.
Bár az egy fapados változat, ami hozzám szokott jönni, de azt csak kiolvasni lehet.
(#) papuska47 válasza sufni-tunning hozzászólására (») Nov 16, 2011 /
 
Üdvözletem!
Köszönöm szépen az eddigi választ is, remélem még mások is csatlakoznak értékes hozzá szolásokkal.Ez egyébként klimás, abs-es hátul is tárcsa fékes ,ugynevezett bora lámpás auto.A volt kollégámnak ugyan ilyen az autója,csak az három honappal fiatalabb, és az övében müködik.Minden ugyan az benne.csak a motor vezérlöjét nem néztem hogy ugyan az e mint az enyémben.Egyébként nagyon sok értékes hasznos informáciot leltem mig elejétöl végéig elolvastam ahozzá szolásokat.Mindezért is köszönet.
Tisztelettel:papuska47 . *
(#) sufni-tunning válasza papuska47 hozzászólására (») Nov 16, 2011 /
 
Az általad említett hibát -a MIL lámpát_ pont nem említetted, a gyújtás ráadásakor felvillan, felgyullad, világít-e?
Mert ha véletlen nem, akkor lehet egy egyszerű izzó kiégés is.
(#) papuska47 hozzászólása Nov 17, 2011 /
 
Üdv!.
Bocsánat, én fogalmaztam rosszul. A chek lámpára értettem a Mil lámpát. A műszer egységen meg van az smd led, nincs kiégve, letakarva,csak éppen nem jelez.Próbáltam másik műszer egységet bele, de azzal sem világit.Gyujtás ráadásakor, fel kellene villannia, hogy jelezze jó vagyok. Majd elalszik, és csak akkor gyullad ismét fel ha hiba van.Na most ezt nem teszi.azt volna jó tudni, hogy a vezérlőből hányas lábról ,milyen színű vezetéken jön a jel a műszerre.
(#) papuska47 hozzászólása Nov 18, 2011 /
 
Üdv!
Vagy az is megoldás lehetne,ha volna egy leírás hogy a fentebb leírt tipusú vezérlönek a (80 lábon) lábain melyiken mi megy be, illetve melyiken mi jön ki.Így aztán vissza kereshető lenne hogy egyáltalán jön e ki jel a (hányas számú)lábon, és ha jön, hol akad el.Valahogy nem értem hogy egy 2000-es évj. autó amiben van ABS,központizár,klima,Navis rádio riaszto ,el.ablak ,el.füth.tükör ,És mind ez gyárilag, pont ezt a fontos jelzést kihagyták volna.
(#) thefreeman hozzászólása Nov 20, 2011 /
 
Sziasztok!
Áprilisban vettünk egy 2002-s Skoda Octaviat kombi 1,6-s motorral motor kod AVU. Akkor jelentkezett az a probléma hogy a ventilátor folyamatosan járt pedig a motor teljesen hideg volt de akkor azt gondoltuk, hogy az a gond hogy rossz az akkumulátor miután kicseréltük nem volt többé probléma vele.De most újra előjött ez a probléma elvittük szerelöhőz ő a hügombára gyanakodott kicseréltük de nem lett jobb. A motor nem melegedik fel vagy csak ritkán ha a ventilátor elindul csak úgy lehet meg állítani ha kivesszük a biztosítékot.Most a termosztátra gyanakszunk de semmiben nem vagyunk biztosak.
U.I:Mikor jár a ventilátor akkor világit a kipörgésgátló(ASR) lámpája.
(#) delta1 válasza thefreeman hozzászólására (») Nov 21, 2011 /
 
Kontakthibára gyanítanék. Az összes csatlakozót én ilyenkor széthúzom és megfújkálom kontaktspray-vel. Általában meggyógyul.
(#) thefreeman válasza delta1 hozzászólására (») Nov 21, 2011 /
 
A kontaktokat átnéztük nincs bajuk
(#) delta1 válasza thefreeman hozzászólására (») Nov 21, 2011 /
 
Biztiket és a csavaros testeléseket is?
(#) thefreeman válasza delta1 hozzászólására (») Nov 21, 2011 /
 
Átnéztük a biztosítékokat.Jelenleg a ventilátort úgy tudjuk leállítani ha kivesszük a biztosítékot.Azért gondolunk termosztátra mert a motor ha nem jár a ventilátor akkor sem melegedik fel és azt olvastam, hogy ez a termosztát hibája lehet.
(#) delta1 válasza thefreeman hozzászólására (») Nov 21, 2011 /
 
Vagy a jeladóé..... mert valahol arra felé kellene neki lenni.
(#) thefreeman válasza delta1 hozzászólására (») Nov 21, 2011 /
 
Nem tudom mi lehet de már nagyon idegesítő főleg mert közeledik a tél és ha a motor hideg a fűtés sem működik most valószínűleg termosztátot cserélünk hátha megoldja a problémát.
(#) delta1 válasza thefreeman hozzászólására (») Nov 21, 2011 /
 
Háááát. Nemtom. Próbálkozzatok de mindenképpen referálj.
(#) sufni-tunning válasza thefreeman hozzászólására (») Nov 21, 2011 /
 
A hőkapcsoló gombáról lehúzott vezetéknél mit csinál? Akkor leáll? Mert lehet fordított kapcsolású gombát raktatok be.
(#) hibbantpasi válasza thefreeman hozzászólására (») Nov 21, 2011 / 1
 
Szia!

Ne csak termosztátot cserélj, hanem a termosztátot leszoritó műanyag fedelet is.Tipushiba, hogy a fedél bele átszakad és nem zár miatta az amúgy esetleg jó termosztát.Az a benzines még ilyen időben is pár perc alatt el kell érje az üzemi hőfokot.

üdv:hp
(#) thefreeman válasza hibbantpasi hozzászólására (») Nov 21, 2011 /
 
Köszi megvizsgálom a fedelet is de az a fedél elégé drága úgy tudom.
(#) zolika60 válasza thefreeman hozzászólására (») Nov 21, 2011 / 1
 
Nem egy ökör ára. Bővebben: Link De ha kell segítség, írj privátot.
(#) VIM válasza thefreeman hozzászólására (») Nov 21, 2011 / 1
 
Szia! Volna itt egy segítség, ha segít.
(#) thefreeman válasza zolika60 hozzászólására (») Nov 21, 2011 /
 
Holnap veszek alkatrészeket én romániában élek gondolom itt is lehet kapni maximum kicsitt drágább lesz.Ha vannak még ötletek akkor várom őket ha valami változás lesz írok.
(#) thefreeman válasza VIM hozzászólására (») Nov 21, 2011 /
 
Nekem sokat nem mond de azért köszönöm.
(#) VIM válasza thefreeman hozzászólására (») Nov 21, 2011 /
 
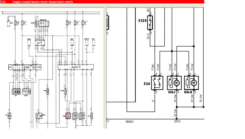
Próbáltam volna mutatni az érzékelők helyét a motortérben és a kapcsolási rajzon. A 11-s a kapcsolója a 10-s hőfokérzékelő gomba. Ha megtalálod a motorteredben a ventilátor hőfokkapcsolóját azt ki tudod szűrni, hogy kapcsol-e, vagy be van ragadva.
(#) thefreeman hozzászólása Nov 22, 2011 /
 
Pontosan hol találom a termosztátot termosztát házat?Gondolom hol van de a leszorító műanyagon van egy csatlakozó amit a cseralkatrészen nem láttam.
(#) Black79 hozzászólása Nov 23, 2011 /
 
Üdv mindenkinek!

Segítséget kérnék az alábbi probléma miatt. Van egy 99-es gyártású 1.6 benzines (55kw) AEE motorkódú Octaviám, melynek 2 éve vagyok a tulajdonosa.
A probléma: kb. két héttel ezelőtt menet közben a fordulatszám, km/h óra, vízhőmérséklet óra és a benzinmutató egyszerre "leesett", nem mutatott semmit. Pár másodperc múlva megint helyreállt mind a négy. Ez a probléma egyre sűrűbben előjött. A többi műszer rendesen mutat mindent. Gyújtáskor működik, majd menetközben hírtelen visszaesnek a mutatók és nem mutatnak semmit. Eleinte csak ritkán csinálta ezt, mostanra pedig már alig akar működni.

Van valakinek ötlete mi lehet a hiba? (Műszerre tettük az autót, de az nem írt ki hibakódot).

Szerk : Ne püföld az entert köszi !
(#) delta1 válasza Black79 hozzászólására (») Nov 23, 2011 /
 
Lapozz vissza pár oldallal ott a válasz (képpel illusztrálva)
Következő: »»   59 / 197
Bejelentkezés

Belépés

Hirdetés
XDT.hu
Az oldalon sütiket használunk a helyes működéshez. Bővebb információt az adatvédelmi szabályzatban olvashatsz. Megértettem