Fórum témák

» Több friss téma
Fórum » Geiger-Müller számláló (hobbi)
Lapozás: OK   7 / 53
(#) vega55 válasza lgyk hozzászólására (») Júl 8, 2007 /
 
Idézet:
„Nem ionizálja az oxigént az UV”


Erre azert nem vennek merget!!
Regebbe egyszer szerettem volna egy UV EEPROM torlo kutyut osszerakni. Az alapja egy higanygoz lampa beseje lett volna. Sajnos egy rossz bekotes folytan megserult a csoben levo halmazallapot(valoszinuleg lecsokkent a nyomas), es igy valami furcsa uzemmod alakult ki, ami annyit jelentett, hogy enyhe egszin-kekes pamacsok "uszkaltak" a csoben, alacsony fenyerovel vilagitott az egesz, de a bekapcsolas pillanataban rogton erezni lehetett valami szagot, ami valoszinuleg az UV hatasara kepzpdott ozon lehetett.
Ja, mindekozben kb 5-10W -ot evett maximum(vagy meg kevesebbet)...
(#) lgyk válasza vega55 hozzászólására (») Júl 8, 2007 /
 
Idézet:
„Ne viccejel ma`... A hatar letezik, abszolute konkret, kezzel foghato, szamszeru..., nemugy mint az altalad is feltetelezett "elvont" gaussz sugarzasi gorbek, es 1 foton/ev szerkezetek. Azer` ezeket nem kene parhuzam ala vonni!!”


Hát létezik, ha leírom. De a foton nem tudja, hogy a határt átlépve hirtelen ionizálnia kell meg áthatolni mindenen, mert onnantól biza' már Röntgen. A Gauss-görbékre pedig egyetlen képlet van, amivel számszerűsíthető a majdnem 0 valószínűség, ameddig mérhető, addig stimmel, csak onnantól feltételezés.

Idézet:
„Hat, aki nem tud olvasni, annak igen! Kb 10-7 -tol 10-9 -ig van az UV, es kb 10-9 -tol 10-12 -ig a rontgen. Ez azert elegge kezzelfoghato es konkret, nemde ?? Ezen nem sok ertelmezni valo vagyon...”


Hát, én úgy látom, az UV és a RTG között igenis van átfedés;

10^-7 - 10^-9 - UV
10^-8 - ... :yes:

Idézet:
„ami valoszinuleg az UV hatasara kepzpdott ozon lehetett.”


És én nem tudok olvasni? Nem azt írtam, hogy nem keletkezik, hanem azt, hogy nem ionizációs úton keletkezik (az UV energiája elég nagy az O-O kötés homolitikus bontásához, de kevés az ionizációhoz).

Tehát:

O2 + hv -> 2 'O' (naszcens oxigén)
O2 + 'O' -> O3

Ha ionos lenne, megjelenne az oxigén valamelyik ionos formája.
(#) Skori válasza vega55 hozzászólására (») Júl 8, 2007 /
 
Idézet:
„„ Simán elképzelhetö, hogy a sugárzás már csak akkora energiájú, hogy már egy papírlap is jelentösen árnyékolja. (szinte tetszés szerinti kicsi vagy nagy áthatolóképessége lehet a feszültség függvényében nem?) ”

Hat, nem! Ha nem hatol at a papirlapon, akkor az mar nem rontgen, legfeljebb UV!”


Tehát szerinted nem szabályozható a feszültséggel tetszés szerint a sugárzás áthatolóképessége?

Szerintem pont ez a jó benne, orvosi célokra pl. kisebb feszültséggel gyorsítanak, mint pl. a fémek (hegesztések) vizsgálatához.

Egyébként már írtam csak talán elkerülte a figyelmet: a papírlapon keresztül is mértek sugárzást, igaz sokkal kisebbet mint a papír nélkül. Ha ionizálta a csöben levö gázt akkor az szerintem ionizáló sugárzás.... Az UV ionizáló sugárzás.....?

(#) Skori hozzászólása Júl 8, 2007 /
 
A higanygözlámpás kisérlethez: a belsö üvegcsö kvarcüvegböl van, normál meghajtás mellett (a külsö bura nélkül) sok ózon termelödik a levegöben. A csöben levö higanygözben ivkisülés jön létre és egészen széles spektrumban sugároz.

Egyébként adtál egy ötletet sugárzás indikálásra/mérésre. Az ablak nélküli eprom nem törölhetö UV-vel (az ablak hiánya miatt) de rtg-vel elvileg igen.....
Esetleg egy sima ablakos epromra kell egy árnyékolást tenni (pl. átlátszatlan fekete müanyag lap) és az adatokat folymatosan olvasni miközben a sugárzást kapja...
(#) vega55 válasza lgyk hozzászólására (») Júl 8, 2007 /
 
Idézet:
„Hát létezik, ha leírom. De a foton nem tudja, hogy a határt átlépve hirtelen ionizálnia kell meg áthatolni mindenen, mert onnantól biza' már Röntgen”


Mar bocs, de nem neked kell ezt leirni - meg vagyon hatarozva..., csak be kene tartani(ez azert nem nagy feladat ??!)
Termeszetesen a foton szempontjabol nincs meg az eles hatar, de a hatarvonalu hullamhosszusagu sugarak mar eleg nagy athatolokepesseguek, akar UV-t veszunk, akar rontgent a hatar korul!! Asszem ez alapjan is van meghatarozva a felosztas(de lehet hogy tevedek)

Idézet:
„És én nem tudok olvasni? Nem azt írtam, hogy nem keletkezik, hanem azt, hogy nem ionizációs úton keletkezik”


Az teny, viszont meg felreerthetoen is fogalmaztal!! Lehet hogy ugy keletkezik az ozon, ahogy irtad, nem ertek hozza, igy nem vitatom, de az teny, hogy kepzodik...
(#) vega55 válasza Skori hozzászólására (») Júl 8, 2007 /
 
Idézet:
„Tehát szerinted nem szabályozható a feszültséggel tetszés szerint a sugárzás áthatolóképessége?”


Ezt en hol irtam ???
De a valasz ra az elozo hozzaszolasomban...!

Idézet:
„Egyébként már írtam csak talán elkerülte a figyelmet: a papírlapon keresztül is mértek sugárzást, igaz sokkal kisebbet mint a papír nélkül”


Hat pont ez az...! Ha azon keresztul annyira legyengult, akkor az vagy UV(abbol sem kemeny), vagy csak siman "eltevedt" elektronok! A leglagyabb rontgen sem fog szamottevoen gyengulni egy sima papirlaptol!

Idézet:
„Ha ionizálta a csöben levö gázt akkor az szerintem ionizáló sugárzás.... Az UV ionizáló sugárzás.....?”


Ahhoz tudni kene, milyen gaz volt a csoben! Van amit ionizal az biztos, de nem biztos hogy itt is eloallt ez!
Viszont az elkerulte a figyelmedet, hogy a csobe bekerult elektronokra sokkal erzekenyebb a muszer, mint barmilyen mas ionizalo sugarzasra. Az utobbinal csak a szerencsen mulik, hogy regisztral e a keszulek, mig 1 elektront 100% valoszinuseggel regisztral a GM cso!!!
(#) Isti válasza lgyk hozzászólására (») Júl 8, 2007 /
 
"akik erősáramú elektronikát barkácsolnak megfelelő végzettség nélkül" Ajjaj, ebbe a kategóriába asszem én is beleesek.

Egyébként az ón mennyire véd röntgentől? Gondolom kisebb mértékben, mert kisebb a tömegszáma, de az is véd nem?
Mondjuk minél nehezebb az atom, annál jobb.
(azt hallottam, vhol U238-assal nyeletik a gammát, asszem a hidrogénbombáknál)
(#) vega55 válasza Skori hozzászólására (») Júl 8, 2007 /
 
Idézet:
„A csöben levö higanygözben ivkisülés jön létre és egészen széles spektrumban sugároz”


Igen, ez ervenyes a normal mukodtetes, es hibatlan cso eseten. De pont azert irtam le a korulmenyeket, hogy vilagossa valjon, sem ivkisules, sem nagy teljesitmeny, sem normalis nyomas nem volt ebben a csoben. Teljesen maskeppen mukodott mit ahogy eredetileg mukodik a HG lampa!
Na ennek a sugarzasnak biztos nem volt szeles a spektruma(csak ugy mellekesen)
Az biztos, hogy legalabb UV keletkezett(remelem mas nem), mert az EEPROM-okat le tudtam vele torolni percek alatt!

Idézet:
„Egyébként adtál egy ötletet sugárzás indikálásra/mérésre. Az ablak nélküli eprom nem törölhetö UV-vel (az ablak hiánya miatt) de rtg-vel elvileg igen.....”


Biztosan mukodo, es elfogadhato bizonyitek lenne egy ilyen kiserlet!!
Csak kisse korulmenyes volna a hasznalata...
(#) Őrült Ödön válasza Isti hozzászólására (») Júl 8, 2007 /
 
Fotonfélék (rtg, gamma) legjobb az ólom, a nehézbeton, báriumszulfát, az ón talán nem annyira...

Sztem ha vki evvel komolyan foglalkozni akar, akkor irány a MÉH-telep, ólmot venni...jó drága egyébként, felment az ára rendesen...
U 238 bizonyára jó gammát nyeletni, de a hidrogénybombában minek is??
(#) Isti válasza Őrült Ödön hozzászólására (») Júl 8, 2007 /
 
Az a baj, hogy már nem ólom vízcsövek vannak. Azt lazán meg lehetett olvasztani tégelyben.

Kívülről szokta az borítani a bombát, hogy annyira ne sugározzon kifelé, és talán a robbanás során is hasznos:
1. felrobban az atombomba benne->
2. begyújtja a hőmérséklet a LiD-et->
3. A sok neutron Pu-má alakítja az U238-at, és az is elkezd szépen gyorsan bomladozni-> hatás: sok energia
(3 fázisú bomba)
(#) Őrült Ödön válasza Isti hozzászólására (») Júl 8, 2007 /
 
Van még ólomcső bontásból, nagyon sok is, a csövesek renceresen hordják, jó ára van.

Hidrogénbombában tudomáom szerint lom egyáltalán nincs, spéci anyagból készült tükörszerűség van inkább, ami a felpukkant atombomba hőjét belefókuszálja a lítium-deuteridbe, vagy amiből csinálták a fúziós töltetet.
Ólom minek ide már?
(#) Isti válasza Őrült Ödön hozzászólására (») Júl 8, 2007 /
 
Egyébként mivel lehetne fókuszálni a röntgensugárzást? Annyit tudok, hogy csak nagyon kis szögek mellett verődik vissza a fémlapról.
(#) Őrült Ödön válasza Isti hozzászólására (») Júl 8, 2007 /
 
Hát, ezt sajnos nem tudom, valszeg sok mindenben olyanképpen viselkedik mint a fény, de baromságot mondani nem akarok. Inkább ha lesz időm, megnézem a könyvtárban!
Viszont mivel nagy áthatolóképességű, érdekes egy téma lehet a fókuszálása...lehet hogy utánanézek, mert kezd érdekelni a dolog!
(#) Topi válasza László zs hozzászólására (») Júl 17, 2007 /
 
Szereztem egy 380-410V között működő GM csövet, valami orosz cucc.
A kérdésem annyi, hogy én elő tudok állítani egy sima step-up-al circa 400V-ot. Nem találtam olyan kapcsolást sehol, ami sima egyszerű 3 alkatrészből álló step-up-ot használna, mindenhol feszültség többszörözőket használnak.
Ennek van valami különös oka? Vagy ha úgy tetszik, akkor én minden gond nélkül használhatok saját, egyszerűbb 400V-ot előállító kis áramkört?
(#) mex válasza Topi hozzászólására (») Júl 17, 2007 /
 
Különös oka nincs ,hacsak nem a kapcsolások datálása. A jóval modernebb kapcsolás nemigen volt elérhető. Mindenesetre a kialakuló áramot korlátozni kell erre jó alap a feszsokszorozók belső ellenállása.
(#) Topi válasza mex hozzászólására (») Júl 17, 2007 /
 
Barátommal most próbáljuk megfejteni az orosz doksit, ciril betű begépeléssel és google translatorral, oroszról angolra... Egész jól haladunk, de ezt az áramkorlátos dolgot nem láttam még benne...
Nagyságrendileg mekkora értéket kell keresnem? Vagy egy valami íratlan szabály?

Bocs ha hülyeséget kérdezek, de nem igen volt dolgom orosz dokumentációval ellátott GM csővel... Más normál alkatrésznél nem probléma az orosz doksi, de egy ilyen speckó dolognál...
(#) oldman válasza Topi hozzászólására (») Júl 17, 2007 /
 
Természetesen bármilyen stabil fezsültségforrásról járatható, csak a megfelelő áram határértéket kell betartani. Bár a hálózati trafós megoldás kicsit kényelmetlen ha a hordozhatóság is szempont.
A sokszorozó oka az egyszerű-olcsó. kapcsolás Az áramszükséglet minimális ,gyakorlatilag csak a beütéskor terheli a tápot és csak uA nagyságrendben.
Tekintve szokásos beütésszámot a teljesítmény felvétel nem jelentős. -Kivéve egy atom csapást.
(#) mex válasza Topi hozzászólására (») Júl 17, 2007 /
 
Számszerű értéket nem tudok mondani.itt csak mikroamperekről van szó. Az én barátom sikeresen megsüketitette anno.... Valami csöves anódfeszültséget kötött rá. Lavinaeffektus a kivántnál nagyobb áramterhelhetőség mellett. Valamelyi 90-es évjáratú RT évkönyvben Pálinkás Tibor tollából használható leirást találsz.
(#) imi84 hozzászólása Aug 4, 2007 /
 
Sziasztok!

Úgy képzelem el a dolgot, hogy egy 555-ösből kijövő négyzethullámot feltranszformálok, kell-e bármi az 555 és a primer tekercs közé? Ha két tekercses tranzsformátorról van szó, akkor ugye nem tud visszajutni a nagyfeszültség a primer körre?
Kb itt vagyok elakadva: 1. feladat: nagyfeszülség...
Aztán a beütések kinyerését meg úgy képzelem el, hogy a csőre párhuzamosan rá lesz kötve a nagyfesz ugye, meg megfelelő egyenirányítással egy kisfeszültség, ami szintén csak akkor folyik, ha beütés van, és innen jól le lehet olvasni a beütéseket. Mondjuk ez sem tudom mennyire jó ötlet, mert ha kisfesz, akkor kézenfekvő forrás az elem, amiről a nagyfeszültséget is tápolom, csak akkor meg az elem galvanikus összeköttetésben van a nagyfeszültséggel, és így optocsatoló ide-vagy-oda, a PIC is galvanikus kapcsolatban lesz a nagyfeszültséggel. Használjak külön elemet erre a célra? Nem tartom szerencsés ötletnek, szeretném, ha egy áramforrásról táplálkozna az egész (pl 3-4 párhuzamosan/sorosan kötött valamilyen elem, és/vagy 230Vból transzformált egyenáram), ugyanis ha lemerül az elem, akkor nem egy részegység fog kiesni, hanem az egész gép kikapcsol, és úgy könnyebb észrevenni.
Vagy ez nekem ideillő tudás nélkül túl nagy feladat?
És ugye nyilván a többi részegységgel is lesznek problémák...
(#) imi84 válasza László zs hozzászólására (») Aug 4, 2007 /
 
Ja igen, a PIC program megírása egész biztosan nem fog problémát okozni
(#) oldman válasza imi84 hozzászólására (») Aug 4, 2007 /
 
A gm számláló kapcsolása egyszerű szinte primitív!
A recept:
Végy egy lehetőleg stabil feszültségforrást a cső adatlapja szerinti feszültség tartományban (lásd adatlap pl U = 390-410V)

Egyik végét nevezd ki testnek (általában -)

A másik végét egy áramkorlátozó elenálláson keresztül kösd a cső egyik végére (Rk > U/Imax -> adatlap, Imax cca 10-30 mikro amp Rk -t általában megadják)

A cső másik végét egy alkalmasan megválaszott ellenálláson keresztül testeld -> ezen számlálod az impulzusokat (U imp ~ (U/Rk)*R cca 10kOhm)
Az egészet kapacitásszegényen kell szerelni. Az imp számlálás nem lehet gond.
(#) imi84 válasza oldman hozzászólására (») Aug 4, 2007 /
 
Én ott akadtam el, hogy "Végy egy lehetőleg stabil feszültségforrást"
Szóval kéne egy egyszerű HV forrás. Én első körben 555-össel és trafóval állítanám elő, de az is lehet, hogy ez rossz ötlet, meg az is lehet, hogy a részletekben (is) tévedek.
(#) imi84 hozzászólása Aug 6, 2007 /
 
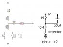
Akkor lássuk hol tart most a project: itt a stabil nagyfeszt adottnak tekintem, és megpróbálom a digitális rész számára szánt jelet mérni. Magyarázat: ktechlab-ban készült, ott nincs GM cső, helyettesítettem egy kondenzátor és egy pillanatkapcsoló párhuzamos kötésével. Ugyanitt párhuzamosan van kötve egy sima kapcsoló is (különbség: nem kell folyamatosan nyomni az egérgombot a kör zárásához), így tudok az egérkurzorral feszültséget mérni. Én ilyennek képzelem el a GM csövet egyébként (kondi+pillanatkapcsoló). Ebben tévedek? Aztán azt mértem, hogy amíg a kapcsoló(k) nyitva van(nak), addig 500V, 0A jut az oszcilloszkópra, ha zárom a kapcsolót, akkor 455V 0A jut a szkópra. És ugye ahol most a szkóp van, oda jönne a logikai kör (pl PIC).
Az értékeket (ellenállás, kapacitás) innen vettem: http://www.lndinc.com/gm/circuit2&4.JPG (circuit2)
http://www.lndinc.com/gm/alpha/712.htm
tehát ha a GM modellem rendben van, akkor ez életszerűnek tekinthető. Valamit én rontottam el? Vagy ez így rendben van? Nem hiszem hogy egy PIC szeretni fog több, mint 400V-ot.

gm.png
    
(#) pista91 hozzászólása Aug 7, 2007 /
 
Nekem igazából már megvan a GM csövem, egy szép új darab és csak egy ojan kérdésem lenne, hogy ezeket a csöeket bele lehet rakni bármijen kapcsolásba? Mert egy csomó hejen találkoztam ojannal, hogy megnevezik konkrétan a csövet, nekem meg persze pont nem ojanom van, de azért sok külömbség nem nagyon lehet a két cső között, vagy mégis?
Szóval ha berakom a nem odaillő csövet, akkor tönkremehet vagy lehet valami baja?
(#) oldman válasza imi84 hozzászólására (») Aug 7, 2007 /
 
A GM csőről:
A GM cső egy speciális gáztöltésű kisülési cső (hasonlít a glimm lámpára illetve a vakucsőre) amit akkora feszültséggel feszítünk elő ami nem elég a kisülés beindításához. A becsapódó ionizáló részecske ionizálja a gázt és a kialakuló kisülés rövidre zárja a két elektródát. A kialakiításánál fogva a kisülés megszümik egy kis idő múlva HA a megengedett kiülési áramot nem lépjük túl! Erre való a korlátozó ellenállás. Ennek hiányában a csőnek azonnal vége! A kisülés pillanatában a cső belső ellenállása közel 0 (Hasonló a villanócső -vaku- működése csak ott nagyfesz impulzus indítja a kisülést és az áramot csak az áramkör impedanciája korlátozza)

Helyettesítő képe egy pillanatkapcsoló sorban néhány 10 Ohm ellenállással ha szimulátorban akarod modellezni.
Egy bekapcsolás = egy részecske, bekapcsolás ideje néhány us
Vagy folyamatos működéshez kapcsoló helyett FET amit (véletlenszerűen) működő impulzus generátor kapcsolgat.

Ha figyelmesen elovastad az előző válaszomat (#109718) kiszámíthatod az imp. feszültségét (még erősíteni és formálni is kell nemhogy a PIC-et hazavágná!)

A nagyfeszt ~ 10uA terheli akár szabadonfutó invertert is használhatsz és hogy ne kelljen sokat tekercsrlni fesz sokszorozót az egyenirányításra.

ui. A kapcsolásod a földhöz +500V nyugalmi feszültség ről csinálna cca+450V os tüskéket a néhány 3pF szórt kapacitást első körben figyelmenkívül hagyhatod,
(#) oldman válasza pista91 hozzászólására (») Aug 7, 2007 /
 
Jelentős különbségek vannak a csövek adatai között, jó esetben csak nem működik de el is távozhat az örök elektromos mezőkre.
(#) imi84 válasza oldman hozzászólására (») Aug 7, 2007 /
 
http://www.kronjaeger.com/hv-old/radio/geiger/caltech/exp2.htm
A választ köszönöm, gondoltam, ezt a linket hozzáfűzöm, ez szól ugyanerről, és akkor ennek megfelelően fogom módosítani az áramkörömet.
(#) imi84 válasza oldman hozzászólására (») Aug 8, 2007 /
 
No, sikerült (remélem) feldolgozni a hozzászólást, újabb képet csatolok, mind a két órajelgenerátor 70 mikroszekundumos magas (néhány volt), majd fél másodperces alacsony (0V) jelet ad (azért pont 70, mert így még látszott valami az oszcilloszkóp kijelzőjén), így jön ki az a bizonyos (kerekített) 2Hz. A #2. körnek ugyanaz a hibája, mint az előzőnek (>400V megy a szkópra, pontosan nem mértem), ellenben a #4. kör nagyon szép pici tüskéket küld a kimenetre. Nem lehet egyébként, hogy a #2.-es képnél a felfele mutató nyílnak valami spec. jelentést kellene tulajdonítani? Vagy még mindig rosszul csinálok valamit? Vagy a #2.-es kapcsolás eredetije is rossz? Ja, a #4.-ről lemaradt a GM csőhöz tartozó néhány tíz (50) ohm ellenállás, de szerintem mivel ott van egy 4.7M-es, így szinte mindegy, vagy nem?

circ24.jpg
    
(#) imi84 válasza pista91 hozzászólására (») Aug 8, 2007 /
 
Tudsz feltenni róla képet? Bár sokat nem tudok meg belőle, meg a választ már amúgy is megkaptad (asszem), de érdekesség képpen
(#) imi84 hozzászólása Aug 8, 2007 /
 
Sikerült a #2. áramkör is, a csatolt képen látható formában a narancssárga "logical probe" eszköznek már logikai jelet küld. Ez a jel nyilván a GM cső kisülésének idejéig van jelen ezen a ponton, ez ha nem is számolok holtidővel, akkor is 100kHz alatt van, holott a PICek órajele bőven MHz tartományban mozog, ez azt is jelenti, hogy ezt a jelet már nem kell "megnyújtanom", stb, hanem simán ráküldhetem valamelyik digitális bemenetére a PICnek? Kell ide hex Schmitt trigger? vagy ilyesmi? Milyen PICet érdemes választani? Milyen szempontokat vegyek figyelembe?

circ2.png
    
Következő: »»   7 / 53
Bejelentkezés

Belépés

Hirdetés
XDT.hu
Az oldalon sütiket használunk a helyes működéshez. Bővebb információt az adatvédelmi szabályzatban olvashatsz. Megértettem