Fórum témák
» Több friss téma |
Nemrossz 3A!
Ehez viszont találok valami Kapcsolási rajzot a tőltőhöz!?
Sziasztok lenne egy problémám.
Péntek óta repkedek a kis szobai helikopterrel. Elfogyott pár elem, mivel a távirányítóról töltöttem. Vettem USB-s töltőt hozzá. Tegnap este is és ma reggel is azzal töltöttem. Repült is rendesen. Délután még fel tettem töltőre, nejem le is vette róla mikor jelezte, hogy fel van töltve.(kigyullad egy led az usb töltő fejében.) De már ő sem tudott vele játszani, sem én most este. Szét szedtem a helit és púpos az akksi mint egy lufi. Mondja meg valaki miért? Kerestem leírásokat de mindenhol azt írja, hogy bírja a használat/töltés egymásutánokat. Ráadásul én vártam is a töltéssel miután kikapcsoltam 2-3 percet. Az biztos, hogy cserélni kell az aksit, de hogyan tudom elkerülni, hogy ne következzen be újból? Amúgy 3.7V 150mAh 20C az akksi.
Ezek szerint az USB töltő gyanús. A kérdés az, hogy csak jelzi a töltés végét, vagy abba is hagyja? Elképzelhető, hogy nagyobb árammal tölt, mint amit a cella elvisel?
A PC vagy notebook USB csatlakozója a szabvány szerint valóban csak 500mA-t engedhet. Nem tudjuk, milyen töltőről van szó, én láttam már 2A terhelhetőségű USB csatlakozójú tápegységet.
4,8V al tölt.
Kicsi ellenállás van a negatív ágban. Egy tranzisztor, ami ahogy elnéztem csak a ledet gyújtja ki, ha a cellában megvan a töltési fesz. Vagyis túl lehet tölteni vele. És nem is a 4.2Von tölt, hanem szinte a teljes USB áramon. Nekem az USB hosszabbítón mérve, 4.85V van. Vennivalo.hu oldalon van ez az usb töltő. Vmax Ty901es helikopterhez (is) való. Amúgy ha 4.2V on töltene akkor lehet, hogy nem lett volna gond, mert ahogy elkezd a led villogni levettük. lehet mikor nem voltam itt a nejem kicsit késett a levétellel, mert azt mondta, hogy folyamatosan világított a led már, de szerintem inkább a Volt nagysága az ami hibát okozott.
Sziasztok!
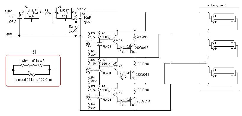
Szert tettem egy ASUS laptop akkura (kép). A típusa: ICR18650-22E 11.1v-os és 4400mAh-ás. Tehát cellánként 3.7v-osak, viszont nem tudom hány mAh-ásak. Tudnátok ajánlani egy töltő kapcsolást? Nem a lustaság beszél belőlem utánanéztem, és találtam jó párat: 1, 2, 3, 4, 5 Nem igazán tudom eldönteni, hogy melyik lenne nekem jó ehhez. Azt, hogy egyenként, párosával vagy hogyan töltsem őket, azt sem tudom... A legszimpatikusabb az 5-ös számú kapcsolás. Ahogy olvastam páran meg is építették már. Ezekhez a cellákhoz is jó lenne? Ha igen, csak a VR1-gyel kéne beállítanom a feszt? Tápként egy PC-táp 12V-os ágára gondoltam. Köszönöm előre is. István
Sziasztok!
A chipcad-nél vásárolható IC-ből van 1 cellás ill 2 cellás. Az adatlapon én mindenhol csak az 1 cellás verzió bekötését látom. Akkor tud 2 cellát tölteni, vagy sem? Köszi Hali
Első kérdés mire akarod használni, szét akarod-e szedni.
Ha szétszeded, és leveszed a gyári elektronikát, és ezek közül kell választani, az 1-es mellet tenném le a voksomat. A Li-ion aksikat cellánként kell tölteni.
A kapacitását megmondja a Google.
A fő kérdés az, hogy mire akarod használni az akkukat? Egyenként, kettesével, valamilyen pakkban, vagy eredeti állapotában? Kapható direkt lítiumos töltésvezérlő is, például itt a webáruházban is, vagy az eBay-n kész töltő 4$ környékén, házhoz szállítva.
Köszönöm a válaszokat.
Utánanéztem én... elvileg 2200mAh-ás egy cella, de nem értem, hogy lesz ebből 4400mAh ami az akkura volt ráírva. Hogy adódik ez össze akkor? Ami a szándékaimat illeti, szinte így szeretném használni, ahogy van. A gyári töltőt szívem szerint elhagynám HA nem iszonyat bonyolult egy töltőt építeni neki. De lehet, hogy ki kéne próbálnom a gyári elektronikával is. A két szélső érintkező a + és a - pólus. (rá volt rajzolva) Ha rákötném egy PC-táp 12V-os ágát és feltöltené akkor érdemesebb lenne így használnom szerintem. Mit ajánlotok? A gyári töltőre 13V volt írva és 3.5A Konkrétan lehet, hogy egy zseblámpát táplálnék majd vele amiben 1db CREE power LED-lenne, vagy egy pici robotnak lenne az áramforrása. István
2 cella párhuzamosan van a pakkban, és 3 ilyen van sorba kötve.
A gyári elektronika valami védelmet nyújt, de a töltést neked kell megoldani. A gyári töltőt nem ismerem, így leginkább az 1 linken található töltőt javaslom. Azt tudni kell, hogy sorbakapcsolt cellák esetén ügyelni kell arra, hogy egyik cella se töltődjön túl. Amint az adatlap mutatja, áramhatárolt (440mA) cellánként 4.2V feszültségű töltés ajánlott, közben persze figyelni kell a cellahőmérsékletet, ami a 45 fokot nem haladhatja meg. Így 7.5 óra alatt töltődik fel a pakk. Gyorstöltés alkalmazható, de számolni kell az élettartam rövidülésével.
Szia!
Azt javaslom, hogy mindenkép a gyári elektronikán keresztül használd az akkukat. A Liion celláknál nem csak a töltés vezérlése fontos, hanem a kisütés vezérlését is biztosítani kell. A beépített elektronikánál nincs jobb, legalább is, te biztosan nem csinálsz jobbat. Úgy lesz 4400mAh, hogy két cella párhuzamosan van kapcsolva, ebből van három.
Kezd kialakulni bennem egy elképzelés aztán ha szerintetek is jó ötlet akkor lehet bele is kezdek.
Arra gondoltam a cellák összekötése maradhatna. (Tehát 2db párhuzamosan és ebből 3.) Csatoltam képet, hogyan tölteném a pakk-ot. Azt már nem tudom, hogy a gyári töltő és ez a töltő zavarná-e egymást. Diódákkal el kéne látnom és kész? Aztán a 11.1V-ot használnám direktbe a pakkról kivezetve, persze biztosítékkal vagy valami rövidzár védelemmel ellátva. Ha ez jó ötlet megírnátok, hogyan kell beállítani és mire kell figyelni a töltésnél? Konkrétan a potikra gondolok. Gondolom a feszültséget kell beállítani, de mégis..
Ha nem a gyári elektronikát fogod használni, ne is tervezz/ építs komolyabb készüléket (kár a munkáért). Ugyanis nem lesz hosszú életű az akkupakkod. Ezek a töltő leírások, csak a végfeszültséget figyelik, már ha figyelik. És akkor hol van még a töltőáram, a töltés közbeni cellahőmérséklet, a kisütési végfeszültség figyelés. Gondolod, ha ez a kapcsolás elég lenne hozzá, akkor a gyártó mikroprocesszoros vezérlés konstruálna unalmában? És még meg kéne oldanod, egy csomó hulladékhő elvezetést is.
A gyári töltőt hogyan tudnám használni?
A csatlakozójának megfelelő két pontjára 12V-ot kapcsolnék, így tölteném. A cellapakkra pedig közvetlenül két vezetéket kötnék és azt használnám egy biztosítékon keresztül. Ez elfogadható megoldás? És mi van a kisütéssel? Építsek egy kis figyelő áramkört teszem azt egy "12V-os akkuőrt" ami jelzi az akku aktuális feszültségét? Aztán ha eléri a minimumot nem használom tovább?
Az elektronika megold mindent, nem engedi a mélykisütést, elvégzi a legmegfelelőbb algoritmus szerinti töltést. A pakkon található pozitív és negatív jelöléseken keresztül használd, itt vedd ki, és itt add be, az energiát. A töltéshez nem lesz elegendő a 11,1 volt, nagyobb feszültség kell oda, legalább 13-14 volt. De ha megvan a gyári töltő is, akkor használd azt.
Az a baj, hogy gyári töltőm nincs. Ugyanis Ez még egy működő laptopból lett kiszedve, pontosabban már pár éve félre van téve, mert 10percet üzemelt vele a laptop...
Tizenhárom egész valamennyi "V" -volt rá írva a töltőjére, már nem emlékszem pontosan. Egyelőre megpróbálom majd 12V-os PC-táp ágról tölteni. Remélem megtalálom a kimenő feszültség érintkezőjét a csatlakozóján. Megpróbálom használni a gyári elektronikát de ha nem megy készítek én is egy hasonló áramkört mint Köbzoli.
Hogy néz ki az a gyári töltő?
Mekkora feszültséget ad le valójában? Mérni kell, a ráírt érték nem számít.
Így néz ki
De majd teszek fel közelebbi képet, csak most nincs nálam. Ha minden igaz 9 érintkezős az a fekete csatlakozó rajta amivel a laptophoz csatlakozott. A két szélső a + és a -. Ja és mérve 12V felett volt a cellapakk feszültsége egy picivel, teljesen feltöltve. (ez még a gyári töltőjével volt a laptopban, mielőtt szétszedtem)
Jó, rosszul fogalmaztam, a képen a töltő elektronika látható. Én a hálózati adapterére gondoltam.
Üdvözlök mindenkit!
Szerintetek van realitása annak hogy 3db 18650D-s akkuból álló packot 3db Nokia töltővel töltök és a 12V-os Hitachi fúrómat hajtom meg vele?
Szia!
Ezek az akkuk nem bírják a nagyáramú kisütést, hiába van nagy kapacitásuk a nagyáramú terhelés, megfekteti őket (ezek nem munka akkuk). A nagyáramhoz inkább egy lipo pakk dukálna (nem gazdaságos). Nem hiába használnak nicd akkukat a mai napig is, még a nimh akku sem bírja sokáig.
Szia!
Jaa, ha csak egy-két év, a tervezett élettartam. Én nagyobb intervallumban gondolkodtam, nekem, most 11 évesen kezd kifeküdni a 18 voltos nicd pakkom. És nálam sem pihen sokat, természetesen a Li-ion akkunak is megvannak az előnyei, én is szeretem őket. De nálam mindig valami nemesebb célt szolgálnak. (kincsnek tartom .
Szia!
Bocsi, sajnos nem volt időm írni korábban. Normál töltőt kell elképzelni. Ilyet mint EZ csak van rajta egy zöld led ami jelzi ha áram alatt van. Pontos adatokat nem tudok mondani. Ezek biztosak: 13.? V 3.? A
Ez nem töltő, csak egy hálózati adapter. A töltő rész a laptopba van beépítve. Ha töltésvezérlő nélkül 12.6V feletti feszültséggel töltöd az akkuidat, akkor hamar tönkre fognak menni.
Bocsi, félreértettem. Gondolhattam volna, hogy tudod milyen egy adapter... Csináltam pár képet.
Egyébként közvetlenül eszembe se jut tölteni. Veszek vagy építek egy töltőt, de az utóbbinak jobban örülnék.
Üdv mindenkinek.
Van egy olyan problémám, hogy lészen nekem egy elektromos cigarettám, amihez van 2 Li akkum. Előfordul, hogy nem jutok haza huzamosabb ideig, és emiatt szeretnék hozzá készíteni egy hordozható töltőt. Az itt látható akkuról van szó. Lehet hozzá venni töltőtokot, csak drága is, és nem is fér bele az akksi mert hosszabb mint amihez a tokot tervezték. Videón láttam, hogy szétkaptak egyet, és nem volt benne valami eszméletlen sok elektronika, csak egy kisebb panel, és 2 Li cella, mindez benne egy kb cigis doboz méretű dobozban. Amit szeretnék, hogy USB-ről fel lehessen tölteni a dobozban lévő 2 mobil akksit, és ha a cigim akkuja lemerülne, akkor azokról az akksikról pedig fel tudjam tölteni a cigi akkuját. Megoldható lenne szerintetek?
Helló
Az én, előző oldalon feltett kérdésemre senki sem tud választ adni? Jó lenne, ha valaki tudná a megoldást! HAli
Szia
Hogyan kell paralel kötni?
Na ezt még Én is megmondom neked.
Szimpla párhuzamos kötés. Pozitívot a pozitívhoz, negatívot a negatívhoz. |
Bejelentkezés
Hirdetés |




Ehez viszont találok valami Kapcsolási rajzot a tőltőhöz!?


. 



Szimpla párhuzamos kötés. Pozitívot a pozitívhoz, negatívot a negatívhoz. 




