Fórum témák
» Több friss téma |
Hellósztok.
Az a problémám, hogy van egy 4 csatornás erősítőm(pontosabban építek egyet) és ahhoz akarok potméteres hangállítót építeni de úgy hogy egy potméter(max 2, sztereo potméter) vezérelje mind a négy csatornát. ehhez kellene valami kapcsolás vagy ötlet. A válaszokat előre is köszi.
DS1669 mono, DS1802 sztereo hangerőszabályozó IC-k?
Digitális jószágok, gondolom kaszkádolható.. Csak egy ötlet.. De annó inyenc HiFis kollégám csinált : 24 állású jacksly /hogy a fenébe kell írni?/ kapcsoló, két síkos, 0,5%-os ellenállásokból, hogy elég jól együtt fusson.. Ugyanez 4 síkosban? Üdv: StMiklos
Ha ragaszkodsz a potméterhez, akkor VCA-s (feszültséggel szabályozott erősítő)megoldást készíts. Így két sztereó VCA-s szabályzó IC-vel négy csatornát tudsz egyszerre szabályozni.Bővebben: Link
Szewa!
Van egyszerűbb is. FETet keress olyat, ami 5V- Gate feszültségnél már teljesen nyitva van. Akárhányat köthetsz a potidra. uli
Szia!
Ez az hangerőszabályzó működik bf245-ös fet-el?
Pl ilyen módon mint ahogy én oldottam meg 4db trimmert egyszerre tudjak tekerni egy imbuszkulcsal !
Szia!
Egyszerűbb lett volna négy FET-el, és egy potival megoldani, úgy, mint Uli rajzain. Egy szabályozófeszültséggel egyszerre a négy FET-et, mint változtatható ellenállásokat használhatod.
Az ötlet valóban jó, csak az ilyen potik gyenge minőségűek ugye. Nomármost mi van akkor ha hangerőszab-ra alkalmazod? Ahogy tekerggeted egyszer ez hangosabb, másszor az halkabb.
Ezért jó az egypotis változat. És még azért mert van benne egy trimmer ami az egyforma hangerő beállítására szolgál. Ez hivatott kiküszöbölni az alkatrészek pontatlanságából adódó eltéréseket. uli
Igen hangerőszabályzónál már a téma de nekem vágásiferkvenciát állítanak szóval az nem sokat van tekerve!
Heló
Tetszik ez a FET-es hangerő szabályzó, építenék egy 5.1-es erősítőt, és ilyet szeretnék belerakni. A kérdésem annyi lenne, hogy a szabályzó poti logaritmikus kell hogy legyen, de ebbe a görbébe nem "rondít bele" a FET átviteli karakterisztikája?
Tetszik az ötlet.
Tudnál egy rövid kommentárt fűzni a kapcsolásodhoz, amit belinkeltél? Mert nem látom át teljesen.
Szia uli!
azt hagy kérdezzem már meg ,hogy nekem egy akítv crosoverbe kéne ez a kapcsolás de ott van 2db 50kOhm os poti és 2db 22kOhmos poti van és ezt szeretném egy mono potiról használni hogy ez megoldaható lenne és ott nem hangerőt szabályoz hanem a vágási frekvenciát
Szia!
BF246a -val próbálkozom megépíteni, ami elvileg jó bele. Követve a rajzodat, egy 6 csatornás példányt készítettem, de egyenlőre semmit nem csinál, csak átmegy rajta a hang változatlanul, mindegy h. a trimmer, és a poti hol áll... D-S lábak bekötése hogy van? Rajz szerint a Drain megy a 10µF-es elkóra, nem? Meg egy kis leírást én is szívesen látnék róla.
Szia!
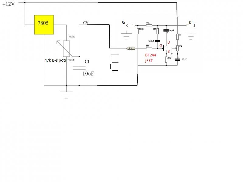
Használj BF244-et. Annál nem gond ha felcseréled D-S lábakat. A BF256 bekötése: Bővebben: Link A kapcsirajzon az S van alul, a D felül.
A gate (G) megy a 10 mikrós kondira. Az a vezérlőláb!
Ez stimmel, akkor rajz szerint kötöttem be a 256-okat. A boltban nem tudtak másik jFET-et adni (legalább is 6-ot), majd nézek másik boltot.
kadarist: gate? Az 1M és a 100nF-es kerámiakondira kapcsolódik.
A FET-nél a nyíl mutat a gate-re (igen, 1M, 100nF). Egyébként ha FET-ből szeretnél feszültségvezérelt ellenállást készíteni, akkor inkább a BF244-et ajánlom. Erre a célra (is) nagyon jó.
Hop, elírtam. Szóval BF256a-val próbáltam a megépítést, most indulok venni BF244-est.
Itt kapsz 244-et: Bővebben: Link
Viszont BF256-al is szabályoznia kellet volna azért. Na, majd meglátjuk.
Volt egy hibám, nem volt közösítve a jelföld, és az áramkör földelje. Ezt javítva BF244-el már tökélesen működik, de BF256-al nem, pedig a lábbekötés annál is stimmelt.
Kicsit csinosítottam Uli rajzán, ráírtam a hiányzó dolgokat, hátha másnak is kell, felraktam.
Én szándékozom után-építeni, így részemről köszönöm, a javítást, illetve a csinosítgatást.
Arra számíts, hogy szüksége lehet árnyékoló fém burkolatra, főleg ha érzékeny erősítő megy rá.
Ez engem nagyon érdekel, de ehhez lenne még egy kérdésem.
Még pedig az, hogy a balansz szabályzás, hogy történik ennél a kapcsolásnál? Köszönöm ha tud valaki válaszolni.
Szia!
Szerintem, ha két csatorna között akarsz balanszot állítani, akkor a kapcsolást kétszer építed meg. Egy sztereó potmétert használsz, csak ellentétesen kötöd be őket. Így amikor az egyik oldalt halkítod a másik erősödik, vissza meg fordítva ugyanez. Azt, hogy lineáris, vagy milyen típusú potit használj, azt nem tudom megmondani. Talán a többiek segítenek. De ha jól emlékszem balanszra lineárisat szoktak alkalmazni. Én biztos, hogy a 7805 és a poti közé tennék valamilyen ellenállást, egy hogy védje a 7805-öt, illetve az, hogy hol "harapjon" a fet, könnyebb beállítani vele. Értékét ki kell próbálni...
Lehet, hogy megy egy potival is. A cv-bemenetet rákötöd a testre egy ellenállásom keresztül. Ugyanezt a duplázott oldalnál is. A két cv közé beteszed a poti két végét a közepét meg a 7805-re. Így amelyik végére eltekered, ott a cv-t felhúzza 5 v-ra tehát lehalkul. Ha középre viszed akkor, ha jó ellenállásértékeket választottál, és a poti értéke is ezzel megfelelően arányos akkor elvileg még minden szól.
Üdv!
Megépítettem én is ezt a FETes feszvezérelt hangerőszabályzót, és akadt vele egy problémám. Nem halkul el teljesen. Nálam jelentkezik csak, vagy mindenkinél? Mit ajánlatok megoldásként? |
Bejelentkezés
Hirdetés |












