Fórum témák

» Több friss téma
Fórum » Autóriasztó és központi zár
 
Témaindító: hzsolt77, idő: Jan 15, 2006
Témakörök:
Lapozás: OK   63 / 168
(#) Inhouse válasza berencsiistvan hozzászólására (») Nov 14, 2011 /
 
A tolatólámpánál lehet, hogy a váltón levő tolatókapcsoló rossz, vagy leszakadt a vezetéke.
Az ajtókapcsolónál tudni kellene, hogy semelyik ajtónál nem megy rendesen, vagy csak némelyiknél. Ettől függően lehet ajtókapcsoló a baj forrása, vagy más kontakt hiba.
A kp zár és a riasztó nehezebb ügy, ott sok minden lehet...nem irigyellek...

Üdv
Inhouse
(#) laci33 hozzászólása Nov 21, 2011 /
 
Sziasztok
a fentebb említett Mistral Max R1 riasztót bekötöttem az ajtókat zárja-nyitja az irányjelzők felvillannak ajtók nyitására jelez a motortér érzékelőt illetve a csomagtérnyitást nem kötöttem be de akadt egy kis probléma az akksim ami nem tudom mennyi idős lehet lemerült aztán feltöltöttem és megint lemerült és a 3. ilyen akció után meghalt most vettem egy újat de nem merem rákötni a riasztót mert valószínűleg az merítette le. 8 órát nem bírt ki az akku frissen feltöltve. A kérdésem hol vagy hogyan mérhetném ki hogy mi zabálja le az akksim? Van multiméterem de hol mérjek azt nem tudom.
Anyit még hogy kb. 3 nap alatt kötögettem be a dolgokat először ment a központi zár vezérlés második nap ment az irányjelzők villogása harmadik nap ment a riasztás ajtónyitásra. Ezek után merült le az akksim naponta.
Előre is köszönöm a segítséget.
(#) laci33 hozzászólása Nov 21, 2011 /
 
Úgy kötöttem be az ajtónyitás érzékelőt mint chip01 itt leírt:Bővebben: Link
(#) laci33 hozzászólása Nov 21, 2011 /
 
A központizárat is úgy kötöttem be mint chip01Bővebben: Link Azaz amit Inhous javított
(#) Inhouse válasza laci33 hozzászólására (») Nov 21, 2011 / 1
 
Általában egy, vagy két szálon kapnak +12V-ot a riasztók, ezeken biztosítékok is vannak. A biztosítékot kivéve, a műszert 10A (vagy 20A, amilyen van rajta) kapcsolva és a mászerzsinórt az ennek megfelelő aljzatba dugva, a biztosíték helyére téve a két tüskét mérhetsz áramot. A riasztó a biztosíték helyett a műszeren keresztül fog áram aláhelyeződni, erre készülj fel.
Ha 100mA alatti értéket látsz, akkor nem fogja lemeríteni hamar. Viszont sok kicsi sokra megy, töltöttségtől és állapottól függően 1-2hét alatt is okozhat gondot a kis áramfelvétel is.

Üdv
Inhouse
(#) laci33 válasza Inhouse hozzászólására (») Nov 26, 2011 /
 
Köszönöm a segítséget, megmértem és alap állapotban 4mA aktivált riasztónál kb. 9mA de ez ugrál a villogó led miatt. Azóta összedugtam a riasztót és már 3. napja tesztelem de nincs gond vele. Lehet hogy a régi akksim volt ennyire halott? Mondjuk az utolsó töltésnél rendesen bugyogott Mégegyszer köszönöm a segítséget.

Üdv: Laci
(#) Inhouse válasza laci33 hozzászólására (») Nov 26, 2011 /
 
Néhány mA nem okoz gondot, az jó.
Lehetett az akkud annyira rossz.
Ha bugyogott az azért lehetett, mert abban a cellában elérte a feszültség a gázképződés határát, a 2,4V-ot. Vagy nem voltak már kellően egyformák a cellák, vagy túl nagy feszültséggel töltötted, vagy az a cella zárlatos volt...

Üdv
Inhouse
(#) Welocct hozzászólása Nov 27, 2011 /
 
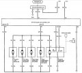
Üdv! Szeretnék tőletek segítséget kérni egy központi zár vezérlési problémájának megoldásában.
Mellékelt képen a bekötési rajz látható, ezt egy teljesen egyszerű riasztóval szerettem volna vezérelni ami fehér, barna vezetékeken nyitó és záró impulzust ad. Azt a központi zár piros/kék és piros/fehér vezetékeire kötve semmi nem történet, és ezeknek (piros/kék piros/fehér)a testhez érintésekor sem, viszont ha közvetlenül egymás után érintettem testre akkor nyitott és zárt is.
A riasztó semmiféle dupla impulzus küldésére nem alkalmas esetleg van ötletek valami egyszerűbb megoldásra vagy csak dupla impulzusos riasztó fogja tudni vezérelni.
(#) szabics válasza Welocct hozzászólására (») Nov 27, 2011 /
 
Egy lehetséges megoldás scmittriggert billentesz felfutóélre egy másikat meg lefutóra. Összeadva egy kapuval. ( két dióda egy ellenállás.)
(#) Welocct válasza szabics hozzászólására (») Nov 27, 2011 /
 
-köszönöm a gyors választ, a következő link alapján próbáltam kitalálni hogy hogy is kéne ezt megvalósítani:
Bővebben: Link

Még ha esetleg egy konkrét kapcsolási rajzot tudnál küldeni linkelni sokat segítene.
üdv
(#) vasyvill hozzászólása Nov 28, 2011 /
 
Sziasztok!
Nekem CT-210U típusú riasztóm van és az a gondom, hogy töltenem kellet az aksit ezért ki vettem a kocsiból.
Most hogy vissza teszem egyfolytában szól a riasztó kürtje és nem reagál a távirányítóra, nem tudom kikapcsolni.
Ha van tipp azt meg köszönném.
(#) dokibácsi123456 válasza vasyvill hozzászólására (») Nov 28, 2011 /
 
Helló.

Bővebben: Link
Itt találsz választ szerintem a problémádra
(#) Welocct válasza Welocct hozzászólására (») Dec 3, 2011 /
 
Valami célnak megfelelő kapcsolást nem tudnátok küldeni pls
Üdv
(#) Peticilin hozzászólása Dec 3, 2011 /
 
Sziasztok!

Nekem is hasonló a problémám mint Welocct kollégának,csak én egyedileg szeretném továbbfejleszteni a meglévő riasztót. Amibe a segítségeteket kérném,az az lenne,hogy egy öntartásos relét kellene úgy vezérelni,hogy:
- a kapcsoló vezetéket direkt testre téve => az öntartó kapcsolás meghúz
- a kapcsoló vezetéket 1 k Ohm-on keresztül testre rakva => elejt az öntartó kapcsolás
Milyen áramkörrel lehetne ezt kivitelezni? A meghúzatással nincs is baj. De az elejtés megoldására nincs ötletem.

Segítségeteket előre is köszönöm. Üdv. Peti

* A felesleges entereket kivettem .
(#) sprofan válasza Welocct hozzászólására (») Dec 4, 2011 /
 
Pontosan milyen impulzust ad a fehér/barna vezetéken? Tehát amikor aktív ez a kimenet akkor +12V vagy GND jelenik meg rajta? Utóbbi jobb lenne. Azt írtad a központi két vezetékének földre érintésével zár, illetve nyit. Ugyan ennek a két kábelnek ugyan ebben a sorrendben történő földre érintésével zár is, és nyit is? Mert ebben az esetben én összedobnék egy monostabil multivibrátor egy 555-el. Lényege annyi lenne hogy a riasztó első és egyetlen jelét megkapja a központi egyik bemenete, a másodikat pedig mi állítjuk elő a megfelelő időzítéssel. De ehhez tudni kellene a fenti két kérdésemre a választ. Ha megvan, összedobok egy rajzot.
(#) Peticilin válasza sprofan hozzászólására (») Dec 4, 2011 /
 
Szia Sprofan!

Esetleg nekem is tudnál segíteni egy rajzzal, hogy a kapcsolás elejtését hogy lehetne kivitelezni?
Előre is köszönöm segítséged.
(#) Welocct válasza sprofan hozzászólására (») Dec 6, 2011 /
 
Üdv. Bocsánat a késésért.
A lényeg; a risztó leírásában ez szerepel:
?Fehér ?-?nyitó impulzusjel, pl. központi zár vezérlésre (nyitás)
?Barna ?-? záró impulzusjel, pl. központi zár vezérlésre (zárás)

Az autóban lemérve ezen a vezetékeken alap állapotban 0 V mérhető a risztó be vagy ki kapcsolását követően 0,6V mérhető (0,8 vagy 4 másodpercig ez változtatható) nyitáskor az egyik szálon, záráskor a másik szálon. Ez lesz a gond hogy nem 12V jelenik meg rajta.
Központi zár esetében.
Piros-kék dupla földre érintése estében zárja az ajtókat, ha zárva vannak semmit nem csinál nem erőlködnek a motorok.
Piros-fehér vezetékek dupla földre érintésekor pedig nyit, és csak akkor itt is, ha lehetősége van rá.

Hasonlóan mint a központizár távirányítóján lévő két gomb egyikre zár, és ha zárva van ujboli lenyomásra nem történik semmi, másik gombra nyit.

Bízom benne hogy lesz ötleted.
Üdv
(#) proli007 válasza Peticilin hozzászólására (») Dec 7, 2011 /
 
Hello!
Elkészítettem egy kapcsolást számodra, ha jól értelmeztem a dolgot, ere van szükséged.
De itt időzíteni kell, mert amikor rövidre zárod a bemenetet, vagy bontod, a jel "átfut azon a szakaszon", mint amikor 1kohm-al zárod. Az öntartást egy RS tároló végzi. (A hat inverter, egy DIP14-es tokban van)
üdv! proli007
(#) Peticilin válasza proli007 hozzászólására (») Dec 7, 2011 /
 
Szia Proli007!

Köszönöm a kapcsi rajzot,összerakom egy próbapanelen és kipróbálom hogy működik.
A kimenet ( x4 és x5 ) mennyire terhelhető? Egy kis 4 morse érintkezős relé behúzótekercs áramát elbírja ( 100 mA )?
Ill. az elektronikus öntartás mennyire stabil? Még véletlenül se tud valami hálózati zavartól kikapcsolni ( gyújtásból;generátortól jövő zavarok )? Mert ugye akkor az autó azonnal megáll majd? Vagy ez üzembiztosabb,mint a hagyományos relés öntartás? Vagy a relés a jobb a mechanikussága végett?

Bocsánat,hogy ennyit aggódok rajta,de ennek a kis áramkörnek nagyon üzembiztosan kell működnie.
(#) vovozs válasza Peticilin hozzászólására (») Dec 7, 2011 /
 
Ha biztosra akarsz menni akkor csináld úgy, hogy alapból zárjon a relé t, mikor tilt a relé akkor húzzon be, de ez igy fogyaszt akkor álló helyzetbe ezért úgy kösd hogy csak gyújtás alatt húzzon be.. Amugy sok mostani kocsi van, ami már az ajtó vagy kpz nyitásakor az ac-pumpa feltölti a rendszert. Ezeknél gondot okoz a szakítás alatt lévő ac-pumpa... tapasztalat.
(#) proli007 válasza Peticilin hozzászólására (») Dec 7, 2011 /
 
Hello!
- Egy CMOS IC kimenete nem igazán terhelhető. Ahhoz, hogy egy relét meghúzzon, egy tranyó szükséges hozzá, pld. egy 10kohm-os bázisellenállással.
- Alapvetően az öntartással nincs gond, de a bemenettel már lehet. Itt még egy tápszűrő kondit sem rajzoltam kapcsoláshoz. De tápfeszültséget szűrni, zénerrel stabilizálni kellene, és a bemeneten is kellenének plusz áramkörök. De nem tudtam mire kell a kapcsolás. Tehát nem magától az áramkörtől, hanem a zavarszűrésektől függ egy kapcsolás zavarérzékenysége.
- De ha egy egyszerű öntartó áramkört szeretnél építeni, akkor minek variálni a dolgot. Ezekkel az 1k/0k ellenállásokkal...
Mert ha ez tényleg két nyomógombról működik, akkor sokkal egyszerűbb és stabilabb is egy normál relés öntartó kapcsolás, két nyomógombbal. Egyik egy záró, másik egy nyitó, és már kész is vagy..
üdv! proli007
(#) Peticilin válasza proli007 hozzászólására (») Dec 8, 2011 /
 
Szia!

Akkor leírom pontosan miről is van szó,hátha akkor könnyebb tervezned is.
Szóval...
Az autómban GEM modul ( központi zár vezérlő modul ) van. Ezt vezérli az utólag beépített autó riasztó,egy vezetéken keresztül 0k és 1k testre rakásával,a már előzőleg leírt módon. Erre a pontra szeretnék én is rácsatlakozni,így a riasztó vezérelné az öntartós relé kapcsolást.
- riasztó aktiválás =>központi zár bezár=>0k testre=>öntartós relé meghúz
- riasztó kikapcsolása=>központi zár kinyit=>1k testre=>az öntartó relé elejt.
Mivel írtad,hogy az öntartás elektronikusan is megoldható és én az öntartós relé kapcsolással is reléknek a behúzó tekercsét szeretném megszakítani ( tehát 1-200mA Áramról van szó),így megoldható-e,hogy a relék tekercsének kapcsolását elekrtonikusan oldanánk meg.
Arra gondoltam ( ha jó megoldás és kivitelezhető),hogy az általad tervezett kimenetre kerülne annyi opto csatoló ( pl: 4N25),amennyi kapcsolni kívánt ezköz van és az optó nagyobb áramú trenyót hajtana meg,ami úgy lenne bekötve,mint egy kapcsoló. Tekát a tranyón keresztül záródna a reké(k) munkatekercse.
Akkor ahogy írtad a táp rendesen szűrve lenne, folytó tekercs;10nF kondi,stb. módon ,ahogy kell.
(#) Peticilin válasza vovozs hozzászólására (») Dec 8, 2011 /
 
Szia!

Nekem az ac-punpa már szakítva van. A tervezett,még egy + rendszer lenne benne.
(#) Peticilin válasza Peticilin hozzászólására (») Dec 8, 2011 /
 
A leírásban a a 0k-t és az 1k-t fel kell cserélni. Úgy a helyes.
(#) vovozs válasza Peticilin hozzászólására (») Dec 8, 2011 /
 
Oh! --moderálva lenne ha ide írnám--- most én nem értem vagy el van bonyolítva... ha van benne egy utólagos riasztó akkor annak van több olyan kimenete amiről le lehet venni egy jelet hogy a risztó milyen állapotba van... pl. tiltó relléhez menő vezeték közveteln a kpz vezérlő kimenet nyitás- zárás ez valószínű sima test kimenetek ez után raktak bele a kábelba egy ellenállást... esetleg a LED vezérlésről levennei de lehet hogy símítani vagy tartósítani kell ezeket a jeleket hogy számodra jó legyen, esetleg diódával leválasztani. Én végig azt hittem hogy egy jack dugós rejtett tiltást akarsz. miért bonyolítod? Ez nekem olyan mintha keresnél egy 220/12 20A tápot mert van egy 12V hűtőd és azt akarnád üzemeltetni mert nem találod a hűtő 220as kábelét? DE javíts ki ha tévedek?
(#) Peticilin válasza vovozs hozzászólására (») Dec 8, 2011 /
 
Hali

Lehet,hogy igazad van és utólagosan lett betéve ellenállás a riasztó központi zár vezérlő részébe. Még nem néztem,de ellenőrzöm majd.
Amúgy nem túlbonyorítani akartam a dolgot,csak miután kinyomoztam,hogy is működik a rendszer,annak megváltoztatása nélkül akartam + dolgot még beletenni.
Én is gondoltam a motorblokkoló kimenetre,de az nekem nem jó,mert az pont fordítva dolgozik,ahogy nekem kellene.
(#) Inhouse válasza Peticilin hozzászólására (») Dec 8, 2011 /
 
Nem túl nehéz megfordítani...

Üdv
Inhouse
(#) Frankye hozzászólása Dec 10, 2011 /
 
Sziasztok!

Egy kedves barátomnak Peugeot 406-os TDi-je van. A gondja az, hogy a vezető oldali zárral csak a vezető ajtaja záródik (kívülről), de nyitni lehet vele a jobb oldalit is. (A hátsó ajtókat egyáltalán nem nyitja-zárja a központi zár.) Arra gyanakodtunk, hogy van valami "trükk", rejtett kapcsoló, stb., olyan, mint a gyerekzár, de nem találtunk ilyet. Találkozott már valaki ilyen hibával? Van valakinek ötlete, hogy mi lehet a gond?
(#) cristof hozzászólása Dec 10, 2011 /
 
Sziasztok!
Következő a problémám: 2000-es évjáratú octavia, mikrokapcsolós ajtózárral. A riasztó nyitás után 30mp-el ha nem lett megnyitva az ajtó, visszazár. A baj az, hogy most akkor is visszazár ha megnyitom az ajtót. Csak a bal első ajtóról van szó, a többinél rendben van. Viszont a belső világítás felvillan/elalszik, pedig azt is a mikrokapcsoló vezérli.
Valami ötlet?
Köszi!
(#) vovozs válasza cristof hozzászólására (») Dec 11, 2011 /
 
Peugeot 406: rejtett kapcsolóval minek trükközni a központizárnál? ha már egy kinyilik valahogy akkor nem mindegy a tolvajnak... át kell nézni a kpz vezérléseket...
octaviánál meg a risztó visszaélesedése az egy másik dolog, de a vezetőfelöli ajtóba ha néha kapcsolja a lámpát lehet a mikrokacsoló rossz, a riasztó miért élesedik vissz?-- mert lehet hogy felprogarmozták pl az automata élesedést a kikapcsoláskor, hogy felgyullad a belsővilágítás és valamit így trükköztek a riasztóval... de milyen tipusú riasztó vagy kép a táviráyítóról?
Következő: »»   63 / 168
Bejelentkezés

Belépés

Hirdetés
XDT.hu
Az oldalon sütiket használunk a helyes működéshez. Bővebb információt az adatvédelmi szabályzatban olvashatsz. Megértettem