Fórum témák
» Több friss téma |
Fórum » Skoda Octavia elektromos probléma
Nekem ezt hozta ki a fordító program.
NO hibakódok Törli az ECU memóriakép nem Túl sok adatot olvasási hibákat. Az adatok olvasása megállt. Szerintem ha nincs benne hibakód, akkor azt nem is kell törölni. Ha van benne hiba és továbbra is ugyanezt csinálja, érdemes elvinni kimondottan elektronikai szerelőhöz
Köszönöm a gyors választ, a fordítót én is meg kérdeztem. A hibakód még megvan, mert villog az izzító visszajelző. Mindegy, marad a szerviz. Azért köszönöm.
Szia!
A féklámpakapcsoló hibája nem feltétlen jár együtt azzal, hogy nem működik a féklámpa rendesen.Két kapcsoló van egy házba épitve,(egy záró és egy bontó), meg tud bolondulni annyira, hogy villogtassa az izzitást. üdv:hp
Sziasztok! Egy elég idegesítő problémám lenne egy 2007-es Octavia RS-el. Lehet, hogy a hibák nem függenek össze. 3 hiba fordul elő váltakozva:
- Jobb első lámpatest nem működik (ilyenkor kiírja a gép, hogy nem mennek az izzók) - Dudánál csak az egyik szólam szól - Légkondi ventillátora nem megy (nem a hűtőventillátor, hanem ami az utastérbe fújja a levegőt) Az érdekesség az egészben, hogy ezek mindig csak időszakos problémák (legalábbis eddig), maximum néhány óra használat után mindig megjavultak. Természetesen amikor szerelőnél említettem a számítógép sosem tárolt el semmit, és minden tökéletesen működött. Amit még megfigyeltem: a hibajelenségek nedves időben fordulnak elő, sosem egyszerre, hanem mindig váltakozva. A kérdésem az lenne, hogy nincs-e valami olyan elektromos elosztó, ahol ez a 3 rész találkozik, és beázhat/elkorrodálhatott? Eddig nem nagyon zavart, mert mint már említettem mindig megszűnt, viszont most 3 napja nincs "fűtés" a kocsiban, ami kezd egy kicsit zavarni...
Helló!
A záróérintkező volt beégve, kicseréltem, azóta minden tökéletesen működik, csak a hibajelzést nem tudták törölni. Nem tudod véletlen, milyen protokollt használ? Skoda fábia 1.9 SDI 2011-es gyártású, ASY a motorkód. Üdv: Józsi.
Helló!
Nekem Golf 4es autom van remélem h majd segit nekem valaki. Kezdem a hiba kodokal. evap canister purge regulator valve sort oxigen sensor tul alacsony throttle position actuator v60 akor a kilométer szenzorse müködik pedig jo. a kilométer óra is müködik. aztán még van az h az alapbeálitás nemlet elvégezve és motorvezérlö egység blokolt. a kérdésem az h mitöl van ez sok probléma? evap canister purge regulator valve sort itt men nincs csak 1.5volt a relé müködik. rengeteg szerelönél voltam bemérni a problémát és anyit sikerült kideriteni h adig nem lehet alap beálitást végezni amedig hibakodálfent. Ne de hiába cserélek ki mindent mikor feszültséget nem kanak a dolgok és igy jelek sincsenek. Remélem tudvalaki segiteni és valami kis aproság a hiba okozoja. Volt kint a motor is és volt válto csere is.
Tisztelt Fórumozók!
Erre a hozzászólásra van valakinek valami ötlete esetleg rajz vagy vázlat a lábkiosztásról, vagy hasonló?Bővebben: Link
Nem ismerem, de kiszerelném és megnézném hová megy a vezeték.
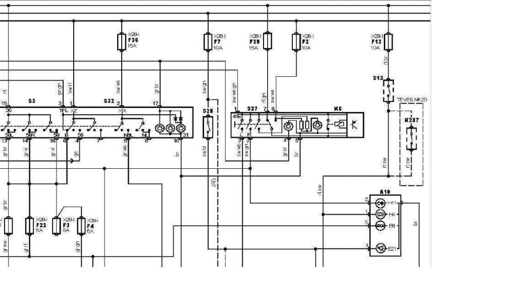
Szia! Nem tudom, hogy ezek a rajzok jól mutatják-e a ködlámpa bekötésének a módját, mert a régebbieknél nincsenek bekötve az elsők, csak a hátsók. Annak van is visszajelzője. A világítási kapcsolón a hátsó ködlámpa kapcsolható, de az első lámpák nincsenek bekötve s ott van a szabadon maradt kimenete a kapcsolónak ahová csatlakoztatni lehet a most beszerelt ködlámpákat.
Erre a pontra gondoltam. Az S3 egység pedig már úgy van csatlakoztatva a műszerfalhoz, hogy a kijelzőt működtesse. A rajzon nincs jelezve a bekötés a vezérlő egységhez! Lehet, hogy nem fog működni a visszajelző.
üdv
Azt szeretném megtudni hogy hogyan lehet ocatvia II (2005 évjárat) a benzinszivattyút álló helyzetben gyújtás nélkül elindítani. Régi octavian a 28 bizti volt amin 12V ot kiadva a szivattyú elindult. Ha esetleg valakinek lenne egy kapcsolási rajza azt nagyon megköszönném. Köszönettel
Sziasztok. Van egy 2004-es BCA motorkód Octaviám a kilométr óra egy éve nem megy, a kanyarokban az benzin mutató kileng, de amúgy pontosan mér.
Ki lett cserélvea a váltón lévő jeladó mert állítólag azt írta a gép hibásnak ez volt 20000 . Azóta sem jó van valakinek tippje esetleg nem akarok súlyos tízezreket költeni feleslegesen. Ja még a tolató lámpám sem megy, de szerintem ez különálló hiba bár nagyon laikus vagyok. Kérlek Segítsetek! Előre is köszönöm.
Köszönöm a tájékoztatást legközelebb figyelek rá.
Igen a jeladó szokott ilyeneket csinálni anno volt egy Octaviám aminél kikötöttem (lehúztam a csatit) a kilométerórát, akkor csinált ilyet. Szerintem nézzétek át nincs e a csatinál vagy a vezetéknél valami testhiba (szakadás).
Köszönöm a gyors választ!
A rajz az jó csak azt nem tudom rajta kisilabizálni hogy a műszerfal mögötti zöld stekkernek akkor most a 17es lábkiosztására kell tegyem a ködlámpa kivezetését? mert azon már próbáltam és nem jelzett vissza. a fényszóróval egybeépített ködlámpával együtt lámpakapcsolót is cseréltem, tehát külön lehet kapcsolni az első és hátsó ködlámpát. olyan létezik hogy az elektronikában le lenne tiltva az első ködlámpa visszajelző lámpácska, vagy csak rossz a 17es láb és másikra kell rákötni és akkor világítani fog?
Köszönöm a segítséget. A tolatólámpára nem tudsz valamit "ötlet" stb. Köszi előre.
A 17, pont az egy ellenőrző szál és a műszerfal világítással kapcsolatos kijelzőjének a kimenete. A 8. pont volna a ködlámpa visszajelző szála. Ha van ilyen számozás a stekkeren, akkor próbáld meg onnan működtetni. Nem biztos, hogy menni fog, mert a visszajelző lámpa nincs a rajzon sem összeköttetésben a kijelző meghajtójával. A VW-s rajzokon is csak a helye van meg. A VW-s rajzon a 19. oldalon van a világításról a 21. oldalon pedig a műszerfalról rajz. Lehet, hogy jobban szét kellene szedni a kijelző piktogrammot ahhoz, hogy látni lehessen a ködfény visszajelző bekötését a panelon.
Hali mindenkinek.Segítsetek ha tudtok.Hideg indításkor az autóm beindul,de utánna érzem hogy rángat a motor.Sebességbe teszem és adok gázt,kuplungot engedem fel és hirtelen leesik a fordulat,és rángatózik a motor,aztán üresbe teszem és nyomok egy pár gázfröccsöt és utánna semmi baja , lehet vele menni.van olyan is hogy indulásnál torpan és aztán megugrik és megy.
Üdv Fórumtársak!
Volna egy olyan problémám, hogy adott egy Fiorino 1.7D. Tudom nem Skoda, de már az Octaviámmal kapcsolatban rengeteg segítséget kaptam itt, hátha most is tudtok segíteni. Szóval az a gond vele, hogy kezdetben ha rákapcsoltam a fűtést, kb. 20mp-ig ment majd szép lassan leállt. Akkor lekapcsoltam, majd 10mp. múlva újra be, akkor megint ment 20mp-ig majd megint leállt. Mostanra pedig be sem kapcsol. Próbáltam a kapcsolót leellenőríznni. Kihúztam belőle a csatlakozó vezetékeket, egy akksit letesteltem a kasznihoz, majd pozitivot adtam a 2-es fokozatállásnak. Enyhén szikrázott mikor összérintettem a vezetékeket, de a motor nem indult el. Szerintetek fűtőmotor csere vagy csak fűtőmotor ellenállás? Előre is köszi a válaszokat.
Igen vagy vagy, de én azért megnézném a szénkeféket is mert a Mondeonál állandóan megy a fuker így a kefe is jobban kopik. A Mondeonál egy fél vagy egy negyed fordulattal le jön a fűtőmotor háza. Szerintem ennél is. Egy misét megér.
Sajna az egész műszerfalat le kell bontani érte. Ezek a piszok olaszok iszonyatosan bezsúfoltak meg agyonbonyolítottak mindent. Az ellenállás a fűtőmotoron van rajta vagy ez típusfüggő?
Sziasztok van egy 1,6 octaviám. Csúnya szürkés fehér fütje van. Mi lehet az ok,tudvalaki segíteni?Elöreis kösz.
Sziasztok!
Nekem szintčn 1.6(AKL) octim van.Čn azonban a kčk čdeskčs füstöt črzčkelem.Gondolom ez mŕr gyürü problčma.kicsit eszi az olajat is kb fčl čve.konkrčt szerelönčl nemvoltam.Lehet esetleg mŕs oka is?
Viz.olaj nem fogy. A gyertyákat bekoxolja,tönkreteszi.
A gyertyák hőértéke jó? Katalizátor mikor lett cserélve?
Ebben a cipőben járok én is. Ha az erő megmaradt akkor szelepszárszimering.
|
Bejelentkezés
Hirdetés |










. Azóta sem jó van valakinek tippje esetleg nem akarok súlyos tízezreket költeni feleslegesen. 


