Fórum témák
» Több friss téma |
A gyújtás tiltás biztosan átköthető indítómotor tiltásra. legalábbis, amikor én még autóriasztókat szereltem (gyűlölöm) akkor erre bertegesen ügyeltem, hogy ne legyen gyújtásblokkolás. Azért a funkcióért, meg, hogy gyújtás ráadásra a központi zárat bezárja, én legszivesebben egy súlyos és dudoros fém tárggyal ütlegelném annak a fejét, aki ezt kitalálta. Azt meg bezárnám egy autóba és rágyújatnám, aki ezt még be is szereli.
A leírásban benne van a bekötési rajz színekkel. Meg ahogy nézem vésznyitó gomb is beépíthető (ha nem sz@rja össze magát teljesen az elektronika). Amúgy jaja, vagy indítómotor blokkolás, vagy üzemanyag elvétel pl. figyelmeztető hangbemondással, akkor még van lehetőség félrehúzódni. Gyújtástiltás elég haláli élmény tud lenni. Vagy "pajzs", hehehe. Azt a reklámot látta már valaki? Nevetséges...
Nézd, hogy a Pajzs mennyire nevetséges, vagy serm, nem tisztem megítélni. Ha azt _tényleg_ válllaják, hogy lopás esetén önrész nélkül térítenek, akkor ez éppen elég.
Én _csak és kizárólag_ indítómotor blokkolást voltam hajlandó beépíteni, azt is NC relével, tehát csak a riasztó élesített állapotában húzzon meg és akkor szakítsa meg az áramkört, ha árammentes, akkor zárja. Így egy sereg meghibásodást ki lehetett kerülni.
Azért ennyire nem kell tulihegni a dolgot, 1000, és 1000 más olyan alkatrész van ami azonnal letud állitani egy motort meghibásodás esetén. Minden elözetes figyelmeztetés nélkül.
Nem magára a rendszerre mondtam, hogy nevetséges (bár felmerülnek bennem kérdések), hanem a reklámra. Amikor a köztudottan a pajzs tulajdonosa úgy csinál mintha ő egy riporter lenne és egy volt autótolvajjal beszélget
Ebben igazad van, de miért legyen 1000+1? És főleg arra miért adjak én lehetőséget?
Szaisztok!
Egy kis segítség kellene. Hogyan lehet sorosan EOL-ba bekötni 2 db DSC LC102 érzékelőt, ha csak egy 6 eres kábelem van a falban? Üdv,T
Így:
http://www.hobbielektronika.hu/forum/files/e1/e1b2b8de736e185e5ac20...a3.jpg Mondjuk ez DEOL, de célszerűbb
Miért kötöd sorosan? Miért nem viszed két zónára?
+- közös, egyik érpár egyik zóna, másik érpár másik zóna. Az egyik infrában kötsz, és egy 4 erest átviszel a másikba. A 4 eresen átviszed a +--t meg az egyik zónát.
Köszi. Két zónára osztottam, így működik.
Nem mester kód kell neked, hanem telepítői kód. RESET után ez is alaphelyzetbe kerül.
A PC-vel való programozáshoz is kell ez a kód. Ha jól tudom, 5555. De a gépkönyvből kiderül. *8kód499kód499 kell hogy a programmal kapcsolódni tudjon.
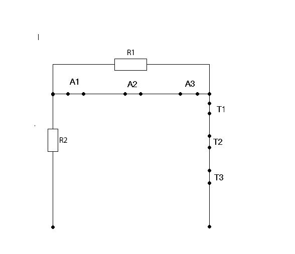
Ennél a kotésnél fizikailag hol szokás az ellenállásokat elhelyezni? Leg-logikusabb nekem a panel nél lenne kozvetlen.
Nem szokás. a paneltől legtávolabbi eszközbe tedd, ha EOL. Ha DEOL, akkor minden eszközben van ellenállás. így működik legjobban a szabotázsvédelem.
értem, viszont akkor az R1 ellenállást melyik érzékeloben helyeznéd el? Mert a kép szerint osszekotni X mozgásérzékelot, majd ez elos és az utolso pontjaival párhuzamosan tenni egy ellenállást is! Ezt fizikailag csak egy plussz huzal segítségével tudom elképzelni, ami ez ellenállást koti ossze az erzékelo egyik pontjával. Ebben az esetben sincs szerintem minden érzékeloben ellenállás, csak az elsoben. Ott viszont 2 darab (R1, R2). Nem kizárt, hogy nem jol értelmeztem
Sziasztok,
vegigolvastam a topikot (az utolso 1 evet). Nagyon hasznos volt, megsem tudok donteni. Amire szuksegem volna: - kozpont 8 zonaval - vezerlo LCD kijelzovel (konnyebb kezelhetoseg/programozhatosag) - erzekelo tipus (belterre). Viszont olyan is kellene ami intellignes(ebb) mert az alagsorban levo helysegekben mennek futescsovek amik melegednek-hulnek. - szirena. Mivel sokaknal elojott hogy szirenazik es nem lehet semmit tenni, valami olyasmi kellene ami vezeteken keresztul tilthato szereles idejere (vagy tudom is en )- 2 szirena belterre (ahogy valaki irta anno, ne lehessen megmaradni pl a garazsban ha ott megszolal) - vezetekbol milyen es hany eres A vezetekezessel kapcsolatban szinten nem tudom hogy erdemes csinalni: minden erzekelot kulon felvezetekezni es csillag szeruen vinni minden kabelt a kozpontig? Vagy egy sokeres kabellel indulva eloszto dobozokban agazni arra amerre kell? Vagy vegig a sokeres kabellel es a megfelelo erzekelonel a megfelelo vezetekeket kibontva bekotni azt? Mire erdemes figyelni ha kesobb boviteni is szeretnem? (kabelezes, zonak kiosztasa) Tudom DSC topic de mivel eloszor programoznek ilyet lehet hogy mas tipus kellene? Szoval ugy szeretnek bemenni a boltba megvenni ezeket mint aki tudja mit akar ![]() Es meg egy kerdes a soros programozassal kapcsolatban: tudom FTDI chipes illeszto kell. De tud valaki valamit mondani azzal kapcsolatban, mi a helyzet a mai laptopokkal ahol a dokkolon van soros port (mert olyanom van). Az jol mukodik? koszi elore is.
én tudom ajánlani a DSC-t Neked , árban is megfelelo, és viszonylag gyorsan be lehet programzni, és ezt ugy mondom mint egy abszolult kezdol, mivel kb. 2 hete tudom egyaltalan mi az a DSC
. A kábelezésrol adnak Neked tippet nálam sokkal tapasztaltabb szakik itt a forumon, nekem is segítettek!
Ha EOL-t csinálsz, akkor egy ellenállás van, az érzékelők kapcsolói sorosan vannak felfűzve, az ellenállás a legtávolabbiban.
DEOL-nál minden érzékelőben 2 ellenállás van, és minden érzékelő külön zónán van. Ezt csinálhatod EOL-nál is. Egyébként is, szerintem nem sok értelme van egy zónára több érzékelőt kötni. Jobb az 1/1.
Szia.
DSC1616központ, PC5108 bővítő, 5500 kezelő infra amit választasz, gondolom nem gőz fűtésed van. Szirénát korrekten szereled nem üvölt, műszaki hiba miatt pedig bármelyik. Kábel csillagszerűen, 6x0,22 alarm kábel DEOL- ban marad két tartalék ered eszközből-eszközbe kötni. A programot meg kezelőn kézből. A variációk majdnem végtelenek csak pénz és idő kérdése. DSC programozáshoz itt minden segítséget megkapsz
Akkor már miért nem 1832 bővítő nélkül?
5500-as kezelő tök fölösleges. Eddig ilyet csak oda raktam, ahol szempont volt az eseménytár könnyű visszaolvasása. (Ki, mikor élesített/hatástalanított a saját kódjával) Mi az az érv, ami a 1616+bővítő mellett szól a 1832-vel szemben?
Signal hangjelző szervizszállal tiltható.
Infrából nekem a Pyronix az isten. Ráadásul ebben az ellenállás is bent van, csak jumperolni kell.
Így igaz, a variációk végtelenben ez is benne van valamint minden más is
reflexszerű volt , legutóbb nem volt szettben és a kedvezményemmel együtt gazdaságosabb volt bővítővel .
A 16 zóna meg elégnek tűnt. Egyébként alapban jogos nem előnyösebb.
Ha ódszkodsz a DSC-től vegyél MX-et ugyanaz csak olcsóbb
Én mindenképpen a csillagpontos megoldást javaslom, lehetnek persze kompromisszumok, de 1 zónakábelre 2 infránál többet ne nagyon fűzz fel. MX-ebb és törökebb DSC
Koszonom az eddigi valaszokat.
Tehat: DSC 1832 DSC PK5500 kezelo bar eleg huzos az ara. Esetleg vmi ikonos(?) vagy MX(?, nem hallottam meg rola de az nem jelent semmit) Pyronix erzekelo -> vam valami konkret tipust tudnal mondani? Signal hangjelzo Kabelezes 6x0.22 csillagpontosan Amire meg esetleg varnek valami valaszt az a soros port a laptop dokkolon
Szokás a sziréna kimenet "le relézése" természetesen a kello párhuzamosan kotott ellenállással, mivel a 12V-700mA nekem elég gyengének tunik. Hát szabad ilyet?
5501 bőven elég. (Ikonos)
Sőt, megkockáztatom, hogy ha tényleg elég a 8 zóna és nem tervezel későbbi bővítést, akkor a PK1555 is elég, mert jóval olcsóbb. Vagy valamelyik 16 zónás LEDes. (PK5516) Pyronix: pl . a KD15EX
Annyival korrigálnék, hogy a kábelhossztól és fogyasztótól függően (például sziréna) én inkább 4x022+2x05-öt használok a kábelből. de kitűnően működik az ftp kábeles megoldás is, csak merevebb és szürkébb.
Nem látom be, hogy egy magánházban, ahol jellemzően egy-két partíció van, és egy-két kódot használnak, mi szükség lenne egy jóval drágább LCD-s kezelőre.
Ennek szerintem max. ott lehet szerepe, ahol pl. napi rendszerességgel ki kell olvasni az eseménytárt, tehát, hogy melyik kóddal és mikor nyitottak/zártak. A felhasználók többségének még az is bonyolult, ha egy LED-del több világít a kezelőn. |
Bejelentkezés
Hirdetés |





