Fórum témák
» Több friss téma |
Fórum » MosFET végfok
Ezek szerint ez a végfok kapcsolóüzemű FET-kel is szép hangú. Két éve építettem egy VF2-öt kapcsoló üzemű FET-kel. A száraz hangzása elvette a kedvem a FET-ktől. Akkor azt gondoltam hogy az a probléma hogy nem audio célokra kifejlesztett FET-ket használtam.
Neked mi a véleményed a PIRET FET-es erősítő is hasonlóan adja vissza a zenét? Tehát konkrétan a száraz hangzásra gondolok.
Szia !
Szerintem egy erősítő hangja NEM ettől lesz ilyen vagy olyan, hanem attól, hogy HOGYAN épül fel. Ezekbe a Piret -erősítőkben van pár nem megszokott kapcsolástechnikai elem. Én a hangjával messzemenően elégedett vagyok mindenesetre. Mindenesetre nem az a lényeg, hogy miből, hanem hogy hogyan épül fel. De ismétlem, nekem még analóg láncom van. A másik: ő megépítette 2SK-2SJ párral is '96-ban, kölünbség nincs a kétféle FET közt hangzásban, elektromos paraméterekben annál inkább. Szia és kellemes hétvégét
Szia!
Gyanítom én is hogy önmagában nem a FET-ek határozzák meg az erősítő hangját. Kicsit még kísérletezek a VF2-vel, aztán ha nem tetszik a hangja szétbontom. A Piret FET-es biztosan szépen szólhat, mert a szerző szerint is előre lépés volt a tranzisztoros változatához képest. Elképzelhető hogy a VF2 alkatrészeiből Piret FET-es erősítő lesz. Megnéztem IRF9640 - 640 párt használtam vég FET-nek. üdv.Attila
Sziasztok!
Egy nagy teljesítményű aktív mélyládát szeretnék építeni. Találtam is egy kapcsolást. Szeretném megkérdezni, hogy mi a véleményetek róla, és hogy jó e a hangszórómhoz. A hangszóró 4Ohm-os és 300/600W-os. A végfokot egy 2*40V-os 600VA-s toroiddal, 2*10000µF pufferral szeretném tápolni. Segítségeteket előre is köszönöm! Üdv.: Laci!
Nem túl szerencsés kapcsolás, mert elég nagy fesz marad a tranyókon, vagyis rossz lesz a hatásfoka. Inkább valami VF2-félét csinálj, vagy olyat, ahol a meghajtókör kicsit nagyobb feszről jár, mint a végtranyók, ha azok source-követőnek vannak kötve.
Tudsz javasolni valamit konkrétan? Mert azért annyira nem vagyok otthon a témában.
Konkrétan nem, mert arra nincs elegendő időm. De nézz körül az alábbi linken, biztosan találsz megfelelőt:
http://www.hobbielektronika.hu/forum/topic_2662_from.html
Szia
![]() Megnéztem a VF2 kapcsolását, és nekem nem igazán tetszik. Ránézésre azt mondom, hogy szőrös, fémes hangja lesz. A FET-ek ilyen kapcsolási környezetben nem igazán futják ki magukat. Szerintem ez az egyik ok , hogy a HI-FI-ben nem terjedtek el. Ha viszont tranzisztorost akarsz, javaslok egy általam szintén felrakott Beszpalov-erősítőt. Az felveszi a versenyt egy A osztályú "gőzmozdonnyal" is . A Piret továbbra sem okoz csalódást ![]() Szia és kellemes hétvégét
Szia
![]() Lehet, hogy eretnekség amit írok, de ekkora teljesítménynél már megfontolandó egy jó csöves gép is, PL 519 vagy hasonló csővel. Szerintem kevesebb macera. Ja és attól a kapcsolástó fényévekkel jobb egy gagyi csöves is. Ezen a fórumon láttam egy N-FET-es gépet, szerintem azt építsd , ha mindenképp FET-es erőművet akarsz.Én maradok 50 watt alatt ![]() Szia és kellemes építést
Szia!
Így első látásra nekem nem szimpatikus a Beszpalov erősítő a Tesla tranzisztorok miatt, de majd még nézegetem. A VF2-vel kapcsolatban miután először megépült és hasonlítgattam a Technics SU610 (1991 gyártmány) integrált áramkörös erősítőmmel, nagyon hasonlónak találtam a hangjukat. Mind kettő hangja színezetlen. A Technics-el szemben azonban a VF2-nél elveszett a sztereó tér, annak ellenére hogy ugyanarról a tápegységről egy másik azóta készített tranzisztoros erősítőm eszméletlenül jól szól. A VF2-ben jelenleg egy NE5534 (Signetics) műveleti erősítőt használok. Ki fogom próbálni a kapcsolást majd másik gyártótól származó NE5534-el és TL071-el is.
Szia !
Ezt a kapcsolást nézted? Ezek ugyanis az eredeti orosz félvezetők. Isten ments cseh vagy bármilyen volt szocialista eszközt bele rakni. Kivéve a magyar gyártmányúakat; rettenetesen megbízhatatlanok voltak( Tesla, RFT Beta, Unitra-Cemi). OP-ampból nekem fejhallgató erősítőben LM833 van, olcsóbb és toronymagasan jobb mint az NE 5534.
Oké köszi a segítséget! Végül is az Erősítő mindig és mindig topikban találtam egy kipróbált VF2-eset valószínű az lesz belőle.
Üdv Laci.
Szia!
Igen ezt néztem. Van néhány KT315A-am TO92 tokozásban. Mindig a Tesla vonalra terelt a Google, amikor a lábkiosztását kerestem, ezért gondoltam hogy Tesla. A VF2-re visszatérve a TL071-hez nagy reményeket fűzök. Személyes és más ismerősöm tapasztalata is hogy tud jobban szólni mint egy NE5534 hangfrekvenciás erősítőben. Más felől nagy különbségek vannak a különböző gyártmányú NE5534-ek között is már a mérhető sávszélesség tekintetében.
Miért nem használod a keresőt? A VF2-nek van topikja:
http://www.hobbielektronika.hu/forum/topic_2662_from.html Egyébként, szerintem a legjobb választás, ami igen jó kompromisszum az egyszerűséget és a gyönyörű hangot illetően. Ha teheted, akkor Thomson gyártmányú TL071-et tegyél bele, az a legjobb.
Szia
![]() ha van kis időd, akkor nézz szét a Japánok közt is. Találtam olyan kapcsolást, ami ócsó, és úgy néz ki, hogy jól is szól. -SAKADAI- amplifier kicsii elmebeteg kapcsolás, viszont komoly háttérinfo is van hozzá. http://www.solaris.no/electronics/power_amp/report.htm http://www.solaris.no/electronics/power_amp/report2.htm Én mindenesetre egy ilyennel futok egy kört, meglátom, hogy a Piret ellen mit tud. Szia és kellemes hétvégét
Szia!
Ezeket a kapcsolásokat még nem láttam. Én is úgy látom érdemes időt, pénzt áldozni rájuk. Szimpatikus kapcsolások. Most teljesen máson dolgozom ugyan, de lementettem őket. Köszi,
Halihó! Végfok építésében gondolkozok PC-hez. Fórumokat olvasva, nem hogy megvilágosodnék, de inkább elbizonytalanodok.
Lényeg, hogy tisztán tranzisztoros kapcsolásban gondolkodtam. A minőségén kívül azért is, mert utána mérésekkel szeretném elmélyíteni elméleti tudásomat, /érteni/ a teljes működést. Kezdjük ott, hogy fet vagy nem fet!? Az egyik "vallási csoport" szerint idegesítő hangja van, míg a másik csoport meggyőződése, hogy maga a földi csoda. Az egyik szerint hideg hangja van, mások szerint olyan érzés, mintha a pl. vokál mellett állnál. Én nem vagyok 'audiofil' emberke, tda1554q-t halgatok Szóval esetemben ugye eleve jobb hangzást kapok, bármilyen kapcsolással, mint az IC-sel ?Szerintetek a csatolt kapcsolással nem fogok rosszul járni? Esetleg ha már valaki megépítette, leírná a véleményét az sokat jelentene. köszi
Ez egy nagyon okos kis kapcsolás, ha rendesen van mégépítve, gyönyörű hangja van, elégedett leszel vele.
( Te ne azzal foglakozz, hogy ki, mit mond, hogy biploáris, vagy FET, vagy csöves, lényeg, hogy neked tetszen! Ha meg nem tetszik, építesz egy másikat, akkorra már lesz kellő tudásod hozzá. Egyébként, nagyon sok függ a hangfalaktól, meg a teremakusztikától, meg a jó ég tudja, hogy mitől... )
Köszi az infót, ez megnyugtató válasz számomra. Lassan el is kezdem összeszedni hozzá az alkatrészeket, és persze beszámolok, hogy mire jutottam. Egyébként megcsináltad, vagy az áramkörről gondolod, hogy "gyönyörű" hangja lesz?
Csak szimulátorban néztem meg. Ha jól tudom egy Borbély nevű úr tervezte, aki komoly helyeken megfordult hi-fi ügyekben. Ez a kapcsolás nagyon szép szimmetrikus felépítésű, lehetne még javítani rajta, de nagy a veszélye a gerjedésnek, bonyolultabb lesz, stb. Ez így lesz jó, ahogy van. Ha bulizni akarod, akkor kell bele áramkorlát, ha csak otthoni ( fixen telepített hangfalakkal ) akkor nem. De bekapcsolási koppanásgátló, meg DC védelem mindenképpen kell bele.
( Esetleg azt lehetne rajta módosítani, hogy a végtranyók menjenek mondjuk 45 V-ról, az előfokok meg mondjuk 2 x 52V-ról. Így jobban ki lehet vezérelni, kevesebb maradékfeszültség lesz a végfeteken, kevésbé fog melegedni. )
Szia !
Ez szerintem is egy jó kapcsolás. Egyre törekedj: mivek source-követős a végfokozat, minél kisebb G-S feszültségű FET-et válassz. Az eredeti FET-ek, amik a rajzon is vannak, 0,9-1,1 V GS- feszültségűek. Egy FET-végerősítő pedig a kapcsolástechnikától lesz jó vagy rossz.
Megfogadom a tanácsokat.
Egyelőre változtatás nélkül szeretném az eredeti kapcsolást megépíteni. Habár borsos a fetek ára, de most ezen nem akarok spórolni, egyrészt még nincs akkora rutinon, másrészt meghallgatom az eredeti kapcsolást. Aztán ha értek mindent, majd lehet belepiszkálok ![]() Nagyon jól jött, hogy az előző hozzászóló említette a Borbély nevet, mert semmi leírásom nincs erről a kapcsolásról, de most talán kövelebb jutok ehhez. Működésről, alkatrész választásról, stb. Köszi Nektek
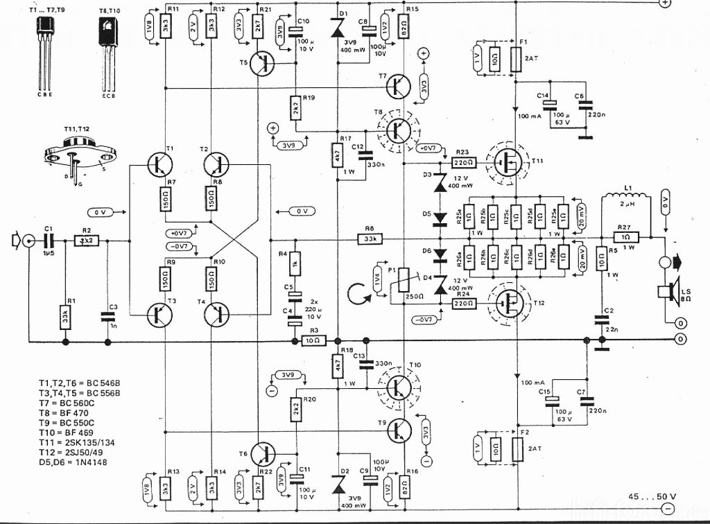
Elkezdtem kutani a neten a kapcsolás után, kezdve a Borbély névvel, majd több 10 külföldi fórumon át, és megtaláltam a mosfetes erősítő a forrását. Egy '80-as években megjelent német elektor újságban tették közzé, és nagyon népszerűnek mondják. Mini Crescendo névre hallgat. Bár részletes leírást nem találtam róla, de egy nagyon részletes rajzot igen. Csatoltam, hátha még valaki kedvet kap hozzá..
Volt ennek +-70V-rol járó verziója Gigant néven, 8FET-tel, meg a bemenetre visszacsatolt verzió is, sőt talán a végét sima tranyókkal is megépítették (de rég volt
).
Nem tudom kapsz e még eredeti FET-et hozzá, multkor a vaterán valaki 30e-ért árult két bemért, élesztett "elektoros" panelt.
A Mini Crescendo a sima, nagyobb teljesítményű Crescendo zanzásított változata... Egyébként, Monacor erősítő néven is fut. Itt van külön topicja is, érdemes elolvasni.
http://www.hobbielektronika.hu/forum/topic_9639.html?pg=0&pcount=30...er=ASC Tulajdonképpen egy kaptafára készültek, a lényegük a sourcekövetős kimeneti fokozat, meg a szimmetrikus kaszkád feszültségerősítő fokozat. Én nem tennék bele méregdrága FET-eket, először próbáld ki IRFP240/9240 vagy IRF640/9640 párral. Ha megy, csak akkor tegyél ( vegyél ) bele eredeti FET-eket. Megérteni a működést, feléleszteni jó a sokkal olcsóbb ( nem is audió célokra gyártott ) FET. És talán érdemes lenne először deszkamodellt építeni, nem pedig végleges nyákot, azon sokkal nehezebb csereberélni az alkatrészeket.
Igen, nagyjából ugyanilyen elrendezéssel meg lehet építeni BJT-vel is, mondjuk darlingtonokkal, a nyugalmi áram része kicsit más lenne, de hát ezeket lehet egy kaptafára csinálni.
Szia
Én a Piret MOS-FET erősítőt építettem meg 1998-ban, azóta nap-nap utáni használatban van. Ha nem kell 50 wattnál nagyobb teljesítmény fuss egy kört vele. Az eredeti 2Sk 135/2SJ 50 párost már nem gyártják kb 15 éve. Az erősítőről raktam fel pár képet ebben a topicban. A kapcsolása megtalálható a HE1998 novemberi számában. Szia és kellemes hétvégét
Szia
Időközben elkészült egy A-osztályú FET-es fejhallgató erősítő, abban TL(B (NDK))-082 op-amp van. Lényegesen jobb bármilyen zenén mint az NE5532. Anno a Quad-44-be sem véletlenül azt tették. Szerintem telitalálat az az IC ![]() Szia és kellemes hétvégét |
Bejelentkezés
Hirdetés |





Szóval esetemben ugye eleve jobb hangzást kapok, bármilyen kapcsolással, mint az IC-sel ?

). 



