Fórum témák
» Több friss téma |
- Ez a felület kizárólag, az elektronikában kezdők kérdéseinek van fenntartva és nem elfelejtve, hogy hobbielektronika a fórumunk!
- Ami tehát azt jelenti, hogy a nagymama bevásárlását nem itt beszéljük meg, ill. ez nem üzenőfal! - Kerülendő az olyan kérdés, amit egy másik meglévő (több mint 17000 van), témában kellene kitárgyalni! - És végül büntetés terhe mellett kerülendő az MSN és egyéb szleng, a magyar helyesírás mellőzése, beleértve a mondateleji nagybetűket is!
Ekkora teljesítménynél sokkal egyszerűbb és jobb megoldás a trafós feszültség átalakítás. Az ellenállásosnál rengeteget fűtene el, a kondenzátoros meg 1-3W-nyi teljesítményt bír csak el. Vegyél egy megfelelő teljesítményű trafót, és legalább nem lesz annyira veszélyes sem.
Nekem is ilyen van. Úgy próbáltam, ahogy Te is, és a külső fém rész ott van beszorítva, azt szerencsésen el is torzítottam a próbálkozás során. Lehet, hogy melegítve a műanyagot könnyebb lenne szétszedni. A lényeg, hogy ki lehet szedni. Köszi!
Szerintem ne melegítsd. ha nincs benne a vezeták, akkor told ki egy csavarhúzóval a vezeték felől.
Helló!
Van egy felesleges erősítőm (pc-hez), és sikerült csatlakoztatnom rá egy mikrofont, de nem szól. Mit kéne ráforrasztani, hogy menjen? Mert a gitár erősítőmön működik.
Simán nem is fog szólni. Építened kellene hozzá egy mikrofonerősítőt, azt bekötöd az erősítő és a mikrofon közé, úgy már jó lesz
Jani@!
Mekkora transzformátorra lenne szükséged?
Sziasztok.
Javítgatom a hangfalam, próbából beütöttem a Bassbox programba a paramétereket, és ezt rajzolta ki. Mitől lehet 100HZ körül a púp? Le szeretném mérni a frekiátvitelét az elkészült ládának, olvastam van rá program, meg kell egy mikrofon. Csak azt nem tudom hogyan. Valaki járatos ebben?
Köszöntem a válaszokat. Lenne még egy kérdésem. Mekkora trafót kell vennem ehhez a kb 600 db.smd-s led szalaghoz? 12 V és ezen kívül? Hány Amperes legyen? És még egy kérdés: Ez így tejes mértékben összeadva kb hány W-ot fog fogyasztani? És ha világít mind a 600 db akkor ez kb egy hány W-os hagyományos izzónak felelne meg? A led Fényerő : az 1000-1300mcd.
Ha valami ilyesmi fajta, amelyiknek a szigetelése rugalmas műanyagból van, és csak rá kellett tolni a fém részre, azt cibálni kell, nincs más megoldás...
Lehet még a csatlakozó felőli részén a műanyag alá nyúlni valami vékony csavarhúzóval, azzal lefeszegetni kicsit a műanyagot a fémtől, de az is kínlódás. További probléma lehet, ha a vezetékrögzítő csavart a műanyag ráhúzása előtt nem csavartad be, és most a visszahúzást még az is nehezíti.
Helló!
Az lenne a kérdésem hogy ha kiszedek régi áramkörökböl potikat hogy tudom megállapitani hogy Trimmer vagy Lineáris?? A válaszokat előre is köszi.
A trimmer potenciométer mindíg lineáris, ugyanis mivel nem szabályozod folyamatosan, értelmetlen másfajta karakterisztika. A szabályzó potenciométerek lehetnek lineárisak, logaritmikusosak, vagy fordított logaritmikusos, bár ez utóbbi elég ritka. Megállapítani úgy tudod, hogy fél állásba tekered, ha mindkét oldal nagyjából egyforma akkor lin, ha nem akkor log típusú.
Egy kis adalék: Így néznek ki a trimmer potenciométerek
Mondjuk, azokat az élkerekes kapcsolós potikat nem nevezném trimmernek, és többnyire log potméterek.
Kivéve az élkerekes és tengelyes potikat.
Az attól függ...
Más a terhelhetősége, ha régi TTL áramkörökből van, és más akkor, ha CMOS. Kérdés az is, hogy mit értesz az alatt, hogy hány mA-ig terhelhető? Ha arra gondolsz, hogy mekkora áramig marad meg a kimenet magas (vagy alacsony) logikai szintje, az ad egy értéket. Ha arra gondolsz, hogy meddig marad akkora érték, ami még elég egy utána következő kapu bemeneti magas (vagy alacsony) logikai szintjéhez, az ad másik érték(kek)et. Ez TTL vagy CMOS esetén már sokféle szám lehet, nem számolva, hogy lehetne pl. CMOS-ról TTL-t is táplálni. Ezek az értékek kideríthetők a TTL és CMOS szabványából nagyrészt. Ha viszont táplálni akarsz róla valamit, és pl. kell legalább 4V, az megint más értéket ad (TTL-el nem is igen lehet megoldani). Saccolva, 5-15 mA lehet maximum, de logikai szinttől, áramkörfajtától függ. Szerintem legjobb, ha a konkrét LPT kimenetet az igény szerinti terheléssel megméred.
Ezek a ledek 20mA-t fogyasztanak. Ha jól számolom, de ezt erősítse meg valaki, a ledek 40W körül fognak fogyasztani. Hogy mekkora izzónak felel meg, azt nem tudom neked megmondani.
Ha ennyi ledet akarsz használni, és Te építed a ledszalagot, akkor én 24V-ra tervezném meg. Így 7 ledre jutna egy ellenállás, ami miatt 200 helyett elég lenne 85 ellenállás is, így gazdaságosabb lenne.
Sziasztok!
Kondenzátort mivel tudom ki mérni hogy szakat e vagy sem.
Sziasztok!
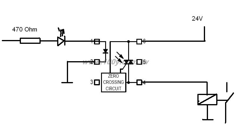
Az ábrán látható kapcsolás jó? Védődióda is kell?
Ha egyenfeszültségű 24V-ról táplálod a relét, akkor nem fogod tudni kikapcsolni, mert az optotriak egyentáplálás mellett nem kapcsolható ki. Gondolkozz valami ilyesmiben.
Mekkora kondenzátor? Ellenállásmérő megfelelő mérési tartományban egyre növekvő ellenállást mutat mikrofaradnál nagyobb kondenzátorra kötve (megfelelő polaritással). Mikrofarad alatti kondenzátorok sima szakadást mutatnak, ha jók. A kapacitásukat pedig kapacitásmérővel lehet megmérni.
Köszi.Csak abban az esetben fogok neki ha végül sikerülne megvennem jó olcsón a ledet + az ellenállást. A szalagot is néztem készen eddig ahol láttam legolcsóbban 1.200/m és kell 19m. Ha megvenném a cuccokat akkor végül kb 12 e-körül jönne ki. Na és a trafó az hány Amperes legyen? Gondolom ez is lényeges.
Hali!
Köszi a választ! Így már jó lesz?
A 470 Ohm helyett 220 Ohmot tennék bele, és az ellenállással sorbakötött diódát elhagynám.
Ha a 24V egyenfeszültség, akkor ez az optocsatoló nem jó. Szerk: A 4N25-ös kapcsolás működhet, 220 Ohm-al az LPT port felé.
Az egy LED az mindenképp kellene, DC 24V igen a relé táplálás, 4n25 adatlapján néztem 30V-t bír akkor hogy-hogy nem jó? akkor milyen optocsatolót javasolsz?
Szia @!
Nem igaz, hogy nem találsz a környéketeken egy régi nagyobb(csöves) rádiót, vagy TV roncsot, azokban van jó nagy trafó; Csak át kell tekercselni a szekundert általában. Még nem válaszoltál: mekkora trafóra vágysz (nem kilóra, inkább Wattra), és mihez?
47 mikro farátos kondenzátor nekem nem mutatot semit de mindjárt ismét kiprobálom.
Ha jól számoltam a teljesítményt (ebben nem vagyok biztos) Akkor egy 12V 4A, vagy egy 24V 2A-s trafó elég lenne.
A 4N25-tel jó szerintem, az előző mondat még a triacos optocsatolóra vonatkozott (a hozzászólás is az előző, triacos hozzászólásra volt válasz).
|
Bejelentkezés
Hirdetés |












