Fórum témák
» Több friss téma |
Sziasztok !
Megosztanék veletek egy videót , talán ebben a találmányban van a jövő.
A diódák egyenirányítási vesztesége miatt nagyobb feszültség, kisebb áramerősség az út a jobb hatásfok felé.
Pl. külön generátor, 48+V- os feszültség, sorba kapcsolt cellák, stb.
Akkor állítsd 2 tizedre az előgyújtást.
55 liter 55A-rel:
Bővebben: Link
Tisztelt Uraim! Csak jelezném hogy nincs kizárva hogy két értelmes egyén ide is felrak pár videót és elkezdenek sületlenségekről vitatkozni. Figyeljetek egy másik fórumon megjelentek a totalcar próba kapcsán. A HHo generátor tesz.
A véleményeket érdemes elolvasni megint sok okos ember van aki semmit nem próbál ki amit nem tanult de az nem is létezhet "birka elmélet". Azt viszont biztosan tudja hogy nem működhet mert ő ezt a fizika alapjaiból kiszámolta. A link: http://totalcar.hu/magazin/technika/2012/01/20/sufnituning_hidrogen...benne/ Az alján át lehet menni a hozzászólásokhoz na ott van mit röhögni a "tudós" URAKON.
Ezt nálam okosabbtól kell megkérdezni, mert konkrétan nem tudom, milyen motor van abban a járgányban.
Ha számítógépvezérelt, akkor szinte biztos, de mint mondám, nem vagyok autóműszerész. Az általam közölt infót is csak hallottam (forrás: nagybátyám).
Ha az első leírásomat olvasta valaki mindjárt láthatja hogy énis külön generátorra gondoltam.
Talán a héten kapok egyet és kisérletbe fogok.
A totalcar véleménye ugymond kielégítő viszont hany pár kérdést maga után.
Javítsatok ki ha valamit nem értek. Ez a járgány benzines avagy dízel ? és vagy lamdaszonda által szabályzott (ujabb dízeleknél) Mert ha ez szondás akár benzines akár dízel a lamdajel módosító és a map szenzor jelének a módosítása nélkül egyértelműen nem fog menni semmire sem. A másik feltevésem mindek 25 amperig feltekerni a jószágot amikor az már több mint valószínű hogy a rovására fog menni főleg magas fordulaton. Amúgy meg alapjáraton tudomásom szerint nem sokan kocsikáznak alapjáraton. Én erre egyet tudok mondani Az én 1,3-as régi swiftem egy általam eszkábált lambdabuhera és egy merülőcellából áll kb 8-9 amperen hajtom ami még kellemes. nyáron alkalmam volt párszor teli tank mellett kisérletezni és ugyanazon a kűton tankolni. A következőket tapasztaltam. Városban nem érdemes használnom mert nem sokat ért. Azonos sebesség ugyanazon egyenes útvonalon 80 -90-es átlagsebesség mellett készülék nélkül 6 literre jött ki a fogyasztásom 100km en. Készülékkel 4,5 körül úgy hogy folyamatos gázpedál állás mellett méglejjebb tudtam tekerni a map jelét ha a map jelét készülék nélkül tekertem folyamatos pedál állás mellet ugyanarra a pontra lassan is de elkezdett csökkenni a sebesség a készülékkel tartotta a sebességet na így lehet észrevenni alapjáraton és üresen pörgetve meg városban egyértelmű hogy a különbség nulla. Persze ezt autója válogatja de a sima cellabeszerelés és semmiféle elektronikai módosítás valószínűleg nem fog sok hasznot hozni a konyhára.
Ami még kipróbálást érdemel amit két napja törölt a gazdája a youtubról nem tudom miért az a karterszűrő és az utána elhelyezett érdekes tartály ami 50 % vizet és 50% etanolt tartalmaz amit a karter nyomása bugyogtat és azonnan kikerülő ugymond hasznosnak tűnő gáz elegyet egy rövid rézcsőtekervényen amit a kipufogó csonkjára tekert fel ami által ezt a gáz elegyet közel robbanáspontig melegítette és ezt vezette a szívótorokba. Tulajdonképpen mozgásteljesítményt nem rontja érdemes kipróbálni esetle több féle eleggyel is.
Elnézést de én a linket beraktam a kink gomb által jelölt helyre
![]() http://www.youtube.com/watch?v=6MkkpxmpThI A lényege hogy nem mind a két hidrogén atomot bontják le a vízből . Csak az egyiket és így valami vízplazma nevezetű anyag jön létre ami éghető . Nem kell az önmagában veszélyes hidrogénnel és oxigénnel bajlódni.
Ezzel az a baj hogy a külön generátor üzemeltetése is csökkenti a motor teljesítményét , amit a fogyasztásban is észre lehet venni . Minden újabb elektromos fogyasztó növeli a fogyasztást. Pl : Nekem volt egy T4 es transporterem és annak a használati útmutatójában az is le volt írva hogy a hátsó ablakfűtés 10 órás használata 1 liter többletfogyasztást eredményez.
A map szenzor jelének átalakítása az egy jó ötlet . A tuningboxok is ezt a jelet alakítják át és már nem olyan nagy pénzekért lehet venni is . Növelik a teljesítményt és a fogyasztást is csökkentik valamelyest de csak ha ugyanúgy használod mint előtte.
A lambdaszondáról annyit írnék hogy amelyik autóban két szonda van ott az első az ami számít , ez a szonda szól bele a keverékképzésbe . A második szonda csak környezetvédelmi célokat szolgál . A két szonda között van a katalizátor és a második csak azt figyeli hogy a katalizátor után milyen az emisszió. Ha nem jó akkor kigyújtja a check lámpát a műszerfalon de a keverékképzésbe nem szól bele.
a generátorra visszatérve az oké hogy plussz egy fogyasztó de üresen járatva nem sokat számít és ugyanígy nagyobb kerékkel lassabban fog forogni és csak adjon le fele annyi áramot meg feszt ami bőven elég a hho-nak a nagyobb áttételen keresztüli forgatás eredménye ként nem fogja meg annyira a motort.
A swiftemnél meg pont kapóra jön hogy a főtengely végén van plussz egy bordás tárcsa az gyárilag nem tudom mire szolgálna de a front oldalra a motor mellé befér akármekkora sgenerátor is amit majd az hajtana meg.Mintha a japcsik gondoltak volna valami bővítésre de gondolom az a tárcsa igazából lehet hogy szervó vagy klíma szivattyú számára van fentartva de hát az úgysem lessz benne.
Na mindegy kár erről eszelni ki fogom kisérletezni működik e a dolog külön generátorral lassabb generátor fordulatszám mellett és majd mondom a végeredményt.
Kíváncsi vagyok mi lesz a tapasztalat.
Javasolhatnám talán mindenkinek, hogy a cikk tartalmával ha egyetért azt annak végén like-oljon, ha meg nem, a kommentárnál szóljon hozzá.
Én csak annyit jegyeznék meg, hogy ilyen a magyar sajtó, na meg a tájékozatlanság - azt már nem is merem feltételezni, hogy szerkesztői szenzáció hajhászás.
Egyetértek veled a totálkár (szándékosan kisbetű mert nem érdemli meg a nagyot) cikkét illetően, csak még annyit fűznék hozzá, hogy 28e-ért csak valami tré dolgot vehetett, ne beszélve arról, hogy PWM nem volt hozzá, valamint útmutató sem, ha csak nem voltak annyira lusták, hogy azt elolvassák (értem itt a 25A és destvízzel való indítást, majd az elektrolit beállítását).
A szomorú, hogy a cikkhez csak ilyen fórumokon szólnak hozzá, és ide laikus ember nem igen látogat, de a cikket azt olvassa, sőt még kommentálja is
nekem egy 1,6 benzines 96-os 3-as BMW lovacskám van, amibe ugyan van lambda meg comuter is, 16 lemezes száraz generátor 14A-on mutat fogyasztás csökkenést.
Az elektronika csak azért nem volt buherálva, mert nem értek hozzá. Kérdésem az lenne, hogy az általad készített "lambdabuherá"-rol tudnál adni valami leírást, valószínű támpontnak jól jönne. előre kösz
levette mert felrakott másikat, most én se találom. 8ha egyre gondolunk)
itt egy másik Bővebben: Link de ha rákeresel a HYPNOW vagy ECOPRA ra találsz bőven belőle. Lehet választani a vákum vagy kipufogógáz közötti változatból is. De az arányon felesleges variálni, tapasztalatból csak többet árt mind használ. Nekem fogyasztás csökkenés nem mutatkozott, viszont a nyomaték 2000 fordulatig igencsak látványosan javult (4-esbe 20km/h nál rángatás nélkül simán indul; 1-be kicsit óvatlanul rágázolok már pörögnek is a kerekek). Egyszerű megépíteni.
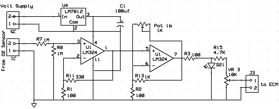
Nem tudtam hogyan kell nevemről visszakeresni de egy pár oldallal előbb közétettem egy kapcsolásirajzot ami nekem bevált.
Ezt még kipótoltam egy sorledes lamdajel visszajelzővel is Amiből lehet panelrajzot is találni . A lambda buherátorhoz spontán felrajzoltam a nyákra mert egyszerű és így nem terveztem hozzá nyákrajzot.
Közben megtaláltam az eredeti kapcsolásirajzot.
Szia Atis,
Köszönöm a rajzot. A betáp feszt mennyie érted a 12-14,4 V-os aksijelre, vagy egy AAA-s ceruzaelem 1,5 V-jára? Tényleg nem tudom...Előre is köszönöm. Üdv, Robi.
Mivel autóba készült 12 voltos.
De hogy biztos legyen a szabályzott fesz érdemes elébe tenni egy stabilizátort is mert ha véletlen feljebb ugrik a fesz akkor sincs problem.
Az a kérdésem támadt akár az interneten sokak által leírtakkal meg a rengeteg videókkal stb hogy miért nem ragadott meg valaki tesztműszert amivel majdnem 100% ban tudja realtime -ban követni az autó fogyasztását mint a TV ben a multkor amikor bemutatták hogyan lehet spórolni az üzemanyaggal.
Nekem is működik ahogy azt leírtam de sokan a kézzel fogható bizonyatékot keresik és ez csak komoly tesztműszerrel lehetséges. Van a másik megoldás amikor az autóba gyárilag bennevan az átlagfogyi mérő. Az autószerelőm azt mondta hogy az nem annyira pontos de kérdem én ha egy hosszú úton folyamatosan mész a HHO bekapcsolásával bármennyire is nem pontos 15 20 százalékkal kevesebbet kell hogy mutasson de még ilyen autóba nem láttam beszerelve .
Én már láttam,egy 3.8-as Crysler-ben.Beépítettűnk bele egy párásítót.Tata-Eger útvonalonkb 30 % fogy csökkenést mutatott a párásító nélküli fogy.hoz képest!Az "érezhető"változás pedig,gőz rásegítéssel szinte kettészakad a kocsi hirtelen gázra.Persze a lényeg a fogy.csökkenés!Hogy a műszer nem elég pontos-nem vitatom.Csak az "Ő" adatait tudom.
Szia! Nem is ez a legnagyobb gond az egésszel mert próbálja ki és mondjon véleményt! De azt írja hogy pár napig bújta az internetet és keresett cikkeket. Szerintem csak bögyöket nézegetett! Minden forgalmazó legalább három különböző nagyságú szettet árul ezt miért nem látta? Abba a 3000cm3 autóba az a gáz amit az a pici bontó termel annyi mint fingban a bumm. Egy ekkora motorhoz a 2,5-3liter/ perc szállításra szükség van. Az már más kérdés hogy ez egy öreg szar és nincs benne rendes generátor ami ezt ellátná árammal. De ahogy láttam pár forgalmazó honlapját ezekre szinte mindenhol felhívják a figyelmet.
Nos akkor mi értelme ennek az egésznek? Abban teljesen igazad van hogy az oldalukon létrehozott üzenőfalon pár segítő hozzászóláson kívül nem volt értelmes megjegyzés. Olyanok ugatnak ott akik azt sem tudják hogy mi ez! Főleg azoknak a hozzászólása tudja a vérnyomást emelni akik azt hiszik magukról hogy hogy mindenkinél okosabban csak mert van egy diplomájuk (lehet hogy két disznóért vásárolt) és ettől senki nem ért a vízbontáshoz mert azt leírták a fizikakönyvben hogy csak rendkívül energia igényes és nem gazdaságos. Elfelejtik azt hogy amit ŐK tanultak már a múlté és a fejlődés nem állt meg akkor amikor a diplomájukat megkapták. Na de mindegy én és az itt lévők már tudjuk hogy mi lesz annak a "kísérleti projektnek" a kimenetele. Elmondják hogy a HHO egy csalás és nem működik!
A benzin ára 400Ft/ liter.
Eszik az autó 10 litert. 4000Ft/100km. A benzin ára 800Ft/liter. Az autó HHO-val, párával 5 litert fogyaszt. 4000Ft/100km. Hol itt a haszon a felhasználó számára? Ugyanazokba a zsebekbe ugyanannyi pénzt tömünk. A kérdés az, hogyan lehet kúti benzin/gázolaj, hálózati áram, méregdrága akkuk NÉLKÜL közlekedni ?
Elolvastam és válaszoltam.
Sok, a neten fellelhető leírás arra utal, hogy elektronikát használva több gáz fejlődik a bontóban, mint csak egyenáramot használva elektronika nélkül. Ha elegendő gáz fejlődik, egy arra optimalizált motort meghajthatunk vele jó hatásfokkal, ami a járművünk mozgatja. Lehet gazdaságpolitikának is * ![]() * Lehet igen, de nem ezen a fórumon! |
Bejelentkezés
Hirdetés |






