Fórum témák
» Több friss téma |
Sziasztok !
Új témát nyitottam, sokszor keresek a neten tv tuner kapcsolásokat, de sajnos ez a terület "fehér folt". Ha van Nektek ezekről kapcsolási rajzotok kérlek töltsétek fel ide. Indulásként egy THOMSON CTT5045 hypertuner kapcsolása.
Szia !
Köszi a linket, sajnos a képek között egy sincs ami a tuner belső kapcsolását adná.
Ezeket is köszi, de nem számitógép tv tuner kártyák szervíz manuáljára gondoltam.
Google>> pc tuner schematics
http://www.datasheetarchive.com/PC%2Ftv%20tuner%20module-datasheet.html
Szia ha kell tudok kölcsönadni kb. 100db. tv kapcsolási rajzot, ha betudod szkennelni, és megoszthatod a fórumozókkal.
Szia !
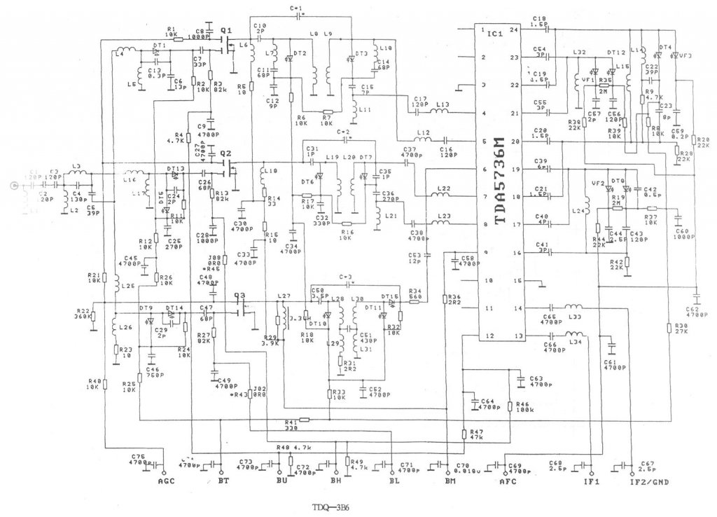
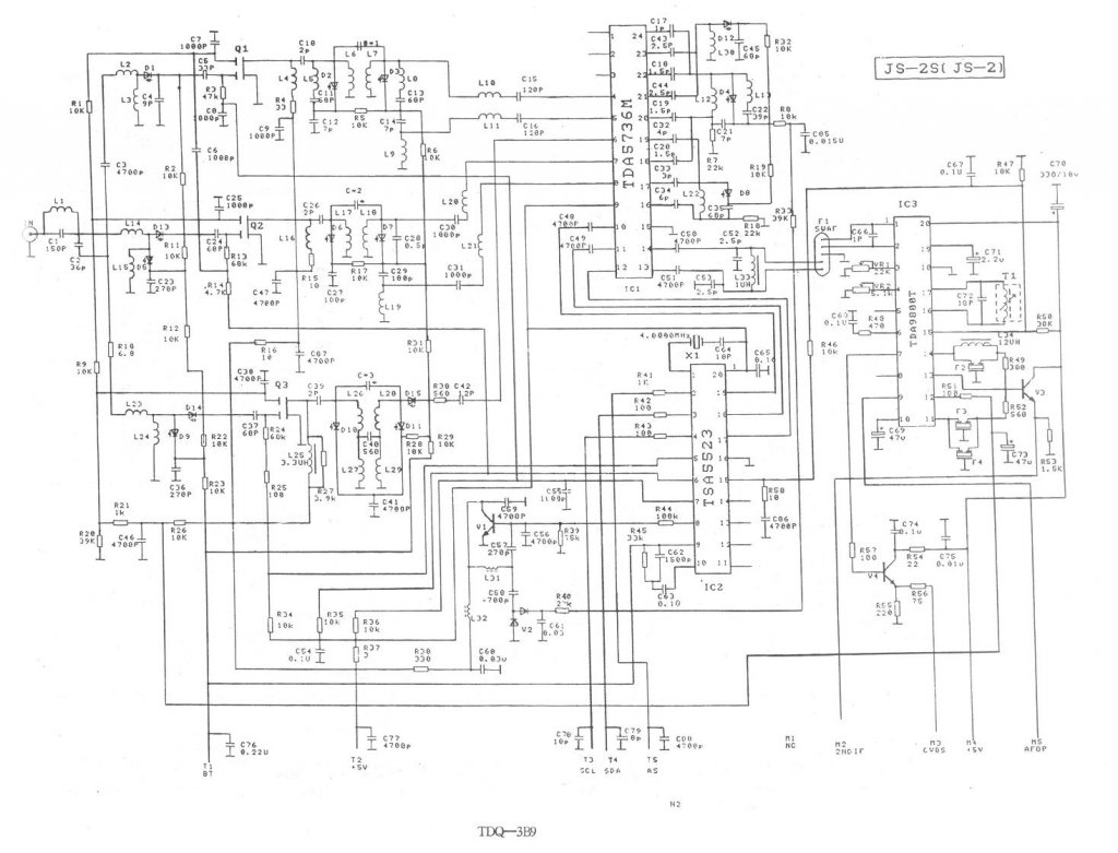
Köszi a felajánlást, nem TV kapcsolási rajzokat keresek azokból rengeteg van a neten. Kizárólag TV , VCR, DVD tuner egységének kapcsolási rajzát keresem. pl. mint a csatolt kapcsolás
Íme a 80 évek magyar televíziógyártásának két remeke, az Orion és a Videoton FET-1-es tunerje:
Ez pedig egy általam ismeretlen Grundig tuner a TUA2000-es chippel
Köszönöm a rajzokat , ilyeneket keresek ha tudtok töltsétek fel ide.
Én is néztem neked kettőt.
Köszönöm a rajzokat, sajnos a Grundig nem látható jól.
Orosz tv tunerek a paletta bővítésére
Még egy pár nem annyira ismert tv tuner....
Tényleg... Valamiért átméretezte az oldal és még én sem tudom törölni. Itt van pdf-ben.
Ezek a Thomsonba Vestel tv.be Grundig tv.be való hypersávos tunerek ,nagyon ritkán mennek tönkre.
Amikor mégis, akkor a bemeneti fokozat fetje hal meg, ezt rajz nélkül is lehet cserélni. Ritkább esetben, 10évesnél régebbi készülékeknél, egy alapos átforrasztás után megjavulnak . üdv
Elsősorban nem javítás hanem más célra való alkalmazás miatt keresem a kapcsolásokat, meg azért is hogy mások
munkáját is segítsem.
Sajnos a tuner része tönkre ment villám csapás következtében. A tuner típusa ENGF7502GF ,de ugyan ilyet nem tudtam szerezni kicsi pénzért , ezért vásároltam egy DMR-EH52 tipusú rossz készüléket amiben a tuner működő képes és kicseréltem , igaz a két tuner nem egészen egyforma ENGF7501GF a típus. De a tuner vezérlő panel pont egyforma. Na most a probléma az hogy a készülék továbbra sem működik,mi lehet a gond. Teszek fel kapcsolási rajzot az egész készülékről hátha valaki tudna segíteni. Letölthető Innen DMREH50_schematic és Innen DMR-ES10
Köszönettel. Csaba
A hozzászólás első fele lemaradt valamiért.
Szóval , a készülék Panasonic DMR-EH50 DVD felvevő aminek a tunerje elszállt.
Orosz tunerek UHF sávra...
Esetleg meglenne valakinek SK-D-30-1E és SK-M-30-1E kis orosz color star 525 tv-nek a tunerje v. kapcs. rajz?
Nem lehet rendesen behangolni, elmászik a program. Amugy szép képe lenne.
Itt az oldalon megtalálod, a CK-M és CK-D ugyanaz mint
a SK-M és SK-D. Orosz C = Magyar S
Nem biztos hogy a tunerrel van probléma, lehet hogy a tuner hangolófeszültsége nem stabil, melegedésre megváltozik, meg kellene mérni hogy üzem alatt változik -e .
Mivel nem tudok oroszul eligazodni, betudnád azonositani nekem a kábel kivezetéseket magyarul.
Sajnos csak ez a két tuner rajzom van.
SK-D30-1
1. AGC FESZÜLTSÉG BEMENET 2. NC. 3NC. 4. TEST 5. HANGOLÓ FESZ. BEMENET 6. +12 V TÁP 7. NC. 8. KF. KIMENET 9. TEST Az UHF tuner ugyan külön egység de a VHF tuner keverő tranzisztorát használja a kf erősítésére, mivel a VHF kf magasabb színtű jelet ad és az UHF modul alacsonyabb szintű kf feszültségét hozzá kell erősíteni. SK-M30-1 1. AGC. BEMENET 2. 1-2 SÁV +12V 3. 3. SÁV +12V 4. TEST 5. HANGOLÓ FESZ. BE 6. 4-5 SÁV +12V 7. UHF KF BE. 8. VHF KF KI. 9. TEST
Szia! Szeretnék kérni orion t2975 sptx-s-flat áramköri rajzot vagy kapcsolási rajzot. Nagyon szépen köszönöm ha tudnál küldeni egyet.Marcsi
Szia!
Kattints a kis idő múlva alul megjelenő "Get Manual"-ra. Bővebben: Link
Sziasztok, Jalco gyártmányú MCB4-UO3603 típusú videómagnó tunerjéhez keresek kapcsolási rajzot.
|
Bejelentkezés
Hirdetés |


















