Fórum témák
» Több friss téma |
- Ez a felület kizárólag, az elektronikában kezdők kérdéseinek van fenntartva és nem elfelejtve, hogy hobbielektronika a fórumunk!
- Ami tehát azt jelenti, hogy a nagymama bevásárlását nem itt beszéljük meg, ill. ez nem üzenőfal! - Kerülendő az olyan kérdés, amit egy másik meglévő (több mint 17000 van), témában kellene kitárgyalni! - És végül büntetés terhe mellett kerülendő az MSN és egyéb szleng, a magyar helyesírás mellőzése, beleértve a mondateleji nagybetűket is!
En ezt a kapcsolast hasznaltam. A VF1 a kimenete.
Udv mindenkinek!Itt feltettem egy nyaktervet meg a kapcsolasi rajzot,de senki sem valaszol,pedig mar par napja feltettem.Valaki legyen szives nezzen ra hogy minden rendbenvane.Elore is koszonom,tovabbi szep napot.
Sziasztok!
Az lenne a kérdésem, hogy ha egy ilyen relére (Bővebben: Link) 3,5v-ot kapcsolok, akkor azzal tudok 5v-ot kapcsolni?.... Szóval van egy mikrovezérlő, ami 3,5v-ról működik és az LCD-t szoftveresen szeretném ki-be kapcsolni, de az 5v-ról működik. Ha egy ilyen relét közbe iktatok, az jó lesz? Előre is köszi
A rele 45 ohm ellenallasu, nem tudom milyen uC todna ezt meghajtani direktben (3.5 V-nal 77 mA). Inkabb valami tranyo + FET megoldason kellene gondolkodni.
Sziasztok!
Szerencsémre hozzájutottam a PIC mikrovezérlők alkalmazástechnikája III. könyvéhez,amelyhez ugye CD-n adták a II. kiadást és amikor elkezdtem tegnap olvasni találkoztam radix kifejezéssel a számrendszerek számításánál és azt szeretném tőletek kérdezni,hogy mit jelent ez a szó? (magát a számolásokat eltudom végezni,de nem szeretnék úgy tovább menni,hogy nem vagyok 100%-ig képben,hiszen azért olvasom,hogy okosabb legyek )
Sziasztok!
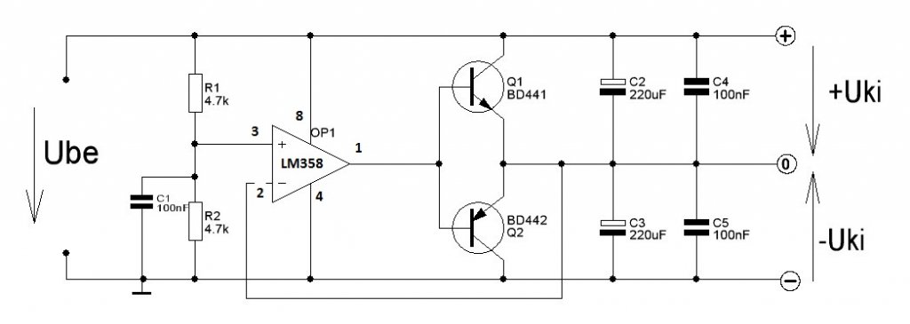
Kellene egy kis segítség. Egy felezőt szeretnék építeni. http://kapcsolasok.hu/images/stories/aderka/1/felezo.jpg Van is LM358AH ic-m. Viszont nem tudom, hogy melyik lába melyik a rajzon... Segítenétek? Köszönöm szépen
rendben köszi... és azt hogy kéne megvalósítani?
A uC kimeneterol egy ellenallassal meghajtasz egy kisjelu NPN tranyot, annak a kollektorat egy ellenallason keresztul raviszed egy P csatornas kisjelu MOSFET G elektrodajara. Ennek a S elektrodaja megy a +5 voltra, es a D elektroda megy a kijelzore.
A radix a számrendszer alapját (2, 8, 10, 16, ...) jelenti.
Köszi szépen!
![]() Mindegyik képletet tudtam használni és mostmár ezt is tudni fogom.
Szia! Próbáltad az adatlapját megtekinteni? Egy erősítő kell; egyet kötsz be. Meg a tápot.
Köszi, azt hiszem értem, de azért ha szépen megkérlek összedobsz nekem egy kapcsolást?
Igen néztem... Ennek 8 lába van. A kapcsolási rajzon pedig 5 láb van használva...
Itt egy táp: http://kapcsolasok.hu/images/stories/aderka/1/kapcs_rajz.jpg és ezt a felezőt szerentém használni. http://kapcsolasok.hu/images/stories/aderka/1/felezo.jpg
Sziasztok!
Be kellene üzemelnem egy rég elfelejtett digitális időkapcsolót, azonban nem találok leírást neten róla, magamtól pedig nemhogy beprogramozni, de még bekötni sem tudom. Csatolok 2 képet, ha valaki ismeri a típust, segítsen. Előre is köszi!
Szia Gábor! Béketűrésért 50pont! Én megírtam neki, minek?
Köszönöm szépen... akkor ha ugyanezt megcsinálom, ugyan ezekkel az értékekkel és típusokkal, akkor megfelelően fog működni?
Összeraktam a kapcsolást.
Mérni nem mértem semmit sem... 16,5V-os szekunder fesz, és a felező végén +7V illetve -7V volt. Terhelés nélkül mindezt. A két tranzisztor iszonyatosan melegedett. 30 s működés után már megfoghatatlanok voltak. (borda nélkül próbáltam.) Normális lehet ez? Köszi!
Leírnám a problémámat teljesen, hátha úgy könnyebb megérteni mit szeretnék..
![]() Szóval, van egy frankó transzformátorom. 2x16,5V szekunder feszültséggel. Az egyikből szeretnék +5V illetve -5V-os feszt előállítani. 7805 és 7905 felhasználásával. Az a baj, hogy a transzformátor nem középmegcsapolásos. Ezt a felező kapcsolást szerettem volna hozzá: Bővebben: Link (A melegedéses problémára "válaszoltam".) De ha van valakinek jobb ötlete a +-5V-ra annak örülnék. Köszi! Bocsánat a kérdésekért.
Köszönöm. Azt meg tudnád mondani, hogy a kondenzátornak mi a szerepe így diódával sorbakötve?
Nézd meg az LM7905 adatlapját és választ kapsz a kérdésedre.
Nem reg kaptam egy Sony NW-E003F mp3 leajtszot ... mukodot de mar elso perctol nem ismerte fel egy szamitogep se ... ezt irta ki : USB device is not recognized when you attach it immediately after ... !! Mi lehet a baja ?
Toltodik mikor csatlakoztatom az USB be ... mar porbaltam a " Reset " gombal is .. de ugyan ez az eredmeny . Legyszi mar 2 hete kinlodom hogy oldajam meg mert tetszik hogy tart az akuja . Koszonom elore .
USB device is not recognized when you attach it immediately after. Vagyis nem ismeri fel a csatlakozáskor. Már volt dolgom olyan eszközzel, hogy azt a rendszer nem ismerte fel. Ez lehet az op rendszer hibája megfelelő driver hiánya miatt. Nézd meg egy másik gépen hogy ott is ez a hiba van-e. Ha nem, akkor "a hiba az ön készülékében van". A szomszédomnak olyan régi típusú gépe van, hogy neki a dvd meghajtóját nem akarta felismerni. Ha új a lejátszó, akkor ilyen hibának nem kellene előfordulni. De ha használt, akkor alkatrész hibára gyanakszok.
Figyelj!
Mi köze van ennek a Nyák készítéshez? Ez a topic címe. Hagyjuk már ezt a gányolást. Oldalakon keresztül ez a téma. |
Bejelentkezés
Hirdetés |





)









