Fórum témák
» Több friss téma |
- Ez a felület kizárólag, az elektronikában kezdők kérdéseinek van fenntartva és nem elfelejtve, hogy hobbielektronika a fórumunk!
- Ami tehát azt jelenti, hogy a nagymama bevásárlását nem itt beszéljük meg, ill. ez nem üzenőfal! - Kerülendő az olyan kérdés, amit egy másik meglévő (több mint 17000 van), témában kellene kitárgyalni! - És végül büntetés terhe mellett kerülendő az MSN és egyéb szleng, a magyar helyesírás mellőzése, beleértve a mondateleji nagybetűket is!
Sziasztok!
Valaki nem tudja honnan lehet jó áron transzformátor tekercselő huzalt és lemezt/vasat venni? Zsolti
Na igen....az, hogy egy Magyar ember feltalál valamit, levédeti, és ő abból akar majd itthoni céget csinálni, és munkát adni az embereknek, és felvirágoztatni az országot egy nagyon jó ötlet, de sajnos a mai világ nem így működik....ha ezt valaki meg is akarná csinálni, akkor minden esetben 2 dolog szokott előfordulni. 1: jön egy nagy cég aki meglátja a találmányban a lehetőséget és megveszi a licens-et akár több milliárdért is, mert ők megtehetik, és nekik így is megéri (valljuk be őszintén....ki tudna ellenállni egy ilyen ajánlatnak?) 2: megfenyegetnek, tönkre tesznek, megölnek, eltávolítanak az útból, és megszerzik a jogokat. Ez sajnos ilyen egyszerűen működik szerte a világon mindenhol. Kár lenne tagadni, rengeteg bizonyíték van rá, hogyan tűntek el korábban feltalálók nyomtalanul, hogyan halt meg Pana miniszterelnöke, aki visszaszerezte Panamának a panamai csatornát, mi Saddam Husszein története, mi történt pár éve Burmában, és Afrikában, mi történt nemrég Líbiában stbstbstb. Az egyetlen járható út amivel a cégeket ki lehet golyózni, ha a saját játékszabályaink szerint játszunk, és nem az övék szerint, mert abban ők az erősebbek, a tapasztaltabbak, és 100% hogy végül mi maradunk alul.....general public license és GNU. Csak ezzel tudunk nekik bemutatni egy nagyot, semmi mással. Mert ha pl ez a lengéscsillapító GNU alá kerülne, az azt jelentené, hogy nekik kötelességük azt ingyen adni. Az más kérdés, hogy akkor drágábban adnák az egész autót, és így visszajönne az ára, na de gondoljunk bele mi történt nemrég az androiddal
GNU alá tették, és azóta minden Samsung mobilon az van. És mennyivel praktikusabb is nem? Ha netán softwarehibás lesz a teló, semmi gond, újrarakom az androidot. Ha kijön a frissebb verzió, újrarakom. Nem kell új mobilt vennem. Persze az Apple egyből bevágta a durcát és ki akarta csinálni a Samsungot emiatt, és ez tény. Nem amiatt mert másolta, az csak kitaláció volt. EMIATT, mert minden pénzéhes cég számára az ami ingyen van, halálos ellenség
Sziasztok!
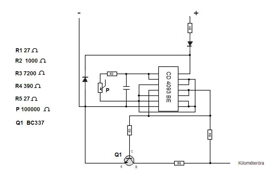
Az egyik ismerősömnek van egy kilométer óra tekerő(digitális) amit 10.000Ft-ért vett kicsit belekukkantottam elég (ratyin) volt összeforrasztgatva. Amit letudtam "kottázni" az azt erre a kapcsolási rajzra megrajzoltam.Én is szeretnék egy ilyet építeni ha van ötletetek hogy a többi alkatrész milyen lehet írjatok. Előre is köszi
Mit gondoltok az aksik miért olyan drágák? Miért van az, hogy az aksitechnológia a többi technológiához képest reumás ólomtetű módjára fejlődik? Nyilván véletlen....
A Kingston már tavaly bejelentette hogy elkészítették az első 1 terás pendrive-jukat....miért nem lehet még kapni? Mert az nekik nem biznisz, ha a legújabb találmányokat piacra dobják rögtön...ha kijön egy újabb, a régi inflálódik automatikusan. Erre persze lehetne azt mondani, hogy ááá ez nem így van, mert a versengés az ellenkezőjére sarkalja a cégeket...csakhogy a többi cég is ezt a mintát követi Elektromos autók is lehetnének már sok sok éve, csak a mamutcégeknek ez nem érdeke, mivel elektromosságot tud magának termelni a paraszt ha nagyon akar, de olajkutat nem tud fúrni a hátsó kertbe És ez itt a lényeg
Hali !
Annyi lenne a kérdésem hogy mellékeltem egy kondiról egy képet . Szerintem ez egy 12 pF-es kerámia kondi viszont elbizonytalanítottak a színei , illetve hogy van fent rajta egy ilyen vörös csík vagy ilyesmi . Légyszi valaki segítene beazonosítani hogy ez valóban egy 12 pF-os e ? (és 12 van ráírva nem tudom hogy látszik e ) Előre is köszi !
Szerintem ez annyi lesz. Más kód nincs rajta?
Nincs rajta , köszi a választ, akkor én innentől annak veszem
Köszi nem hagyom ki.
Először megépítem tranzisztorokkal,majd megpróbálom MOS FET-tel.A trafót egy mikró adja,remélem át lehet tekercseltetni.
Sziasztok!Egy laptop kepernyojevel mit lehet kezdeni?
Sziasztok. Akkor tudna ebben valaki segíteni???
Sziasztok! Van itthon elég sok 12voltos ledem. Úgy szeretném a táplálást 220v ról megoldani hogy sorba kötök 17-et és 400ohm-os ellenállást kötök elé. Ez a oldalon lévő segédprogram szerint jó ha a ledek nyitófeszültsége 12V de ebben nem vagyok biztos. Hogy lehet megtudni? Egyébként jó az elképzelés?
Nem maradt le semmi, mert ha odakattintasz a (#1163670) -ra a hozzászólásomba, akkor oda ugrik, ahol a link és a bővebb hozzászólás van.
Szia!
Válasz: Bővebben: Link
nem sok mindent !
ha szerzel hozzá vezérlőt, akkor monitornak, vagy ha pl. van LVDS kimenetű pc-d, és a lap is az , akkor rá tudod kötni direktbe. Vagy alternativ felhasználás, világitásnak
Vagy meghirdeted eladasra annak, aki ott hagyta a ceruzat a billentyuzeten, majd egy elegans mozdulattal osszecsukta...
Heló! Előtét ellenállással nem illik ledet hajtani 230 ról. Nézz be inkább ide!.
Helló!
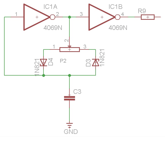
Én is próbálkoztam a 555-ös ICvel, de nem jött össze. Nekem ez a kapcsolás jött be, amivel egy nMOSFET-et vezéreltem. Kitöltése elvileg 5-95%-os lehet ami a diódáktól függ. Ha jól tudom valamilyen germániumossal lehet ezt elérni, a többivel 10-90%os kitöltés érhető el. Igazából még nem tudom, milyen kondi jó hozzá, még "játszom" vele.
Szia.Még egy kis segítség..Bővebben: Link
Na most végül is mit szeretnél kihozni ebből az áramkörből? Mert azon a rajzon több minden is sántít, plusz a gate-vezérlést nem is látjuk.
Idézet: „Na most végül is mit szeretnél kihozni ebből az áramkörből? Mert azon a rajzon több minden is sántít, plusz a gate-vezérlést nem is látjuk.” Ezt erre a válaszra szántam.
Helló!
Lényegében egy DC-DC átalakító lenne, ami pl: Vin: 5V Vout:12V vagy Vin: 12V Vout: 5V képes előállatni. Tehát egy buck-boost (step-up/step-down) átalakító. Ezeket a neten található kapcsolásokat másoltam. Csak a tranzisztorra nem találtam konkrét leírást. BBC1 BBC2 A Gate vezérlést a (#1164432) hsz-ban lévő PWM.jpeg jelgenerátorral próbálkozom, ill. itt az oldalon található "műszíves" 4Mhz-es jelgenerátorral kivitelezni. SB
Ha jól látom, te az "a" verziót rajzoltad le, ami polaritásváltó és neked nem az kell. Bővebben: Link. Szerintem keress egy kész, kiforrott boost-buck kapcsolást és kísérletezz azzal. A 4 MHz kicsit sok lenne.
Udv mindenkinek!Lenne egy nagyon kezdo kerdesem,meghozza az lenne hogy az RMS teljesitmeny mit jelent?Ha valaki tudja RMS teljes jelenteset[beturol beture valo rovidites.]Koszonom.
|
Bejelentkezés
Hirdetés |




GNU alá tették, és azóta minden Samsung mobilon az van. És mennyivel praktikusabb is nem? Ha netán softwarehibás lesz a teló, semmi gond, újrarakom az androidot. Ha kijön a frissebb verzió, újrarakom. Nem kell új mobilt vennem. Persze az Apple egyből bevágta a durcát és ki akarta csinálni a Samsungot emiatt, és ez tény. Nem amiatt mert másolta, az csak kitaláció volt. EMIATT, mert minden pénzéhes cég számára az ami ingyen van, halálos ellenség 




