Fórum témák
» Több friss téma |
Ezt a Köbzoli félét inkább autón kívüli töltésre ajánlanám. Az ECU nehogy besértődjön az impulzusoktól, mégha az akku elég jól el is nyeli őket...
Üdv Inhouse
Ennek ellenére amit én weboldalakon láttam, hogy árulnak, olyan h szereld be az autóba fixen. (?)
Én is erről beszélek, ha megnézed:
Idézet: „(nekem aztán mindegy, hogy regenerálunk, vagy szulfátlanítunk, szerintem ugyanaz)” Idézet: „Nem tudom, én nem venném külön a regenerálást a szulfátlanítástól.” Üdv Inhouse
Bocs,hogy bele vaú , de szerintem az elmúlt napokban kicsit túl lett lihegve ez a téma. :hide: Működik , egyes esetekben segít de nem csodaszer.
Első megközelítésben ezt gondolnánk...
A gyakorlat azt igazolja, hogy a gyári ilyen kütyük, amik az autóba telepíthetők, 40-60A-ekkel játszva sem okoznak zavart. Ennek oka egyszerű, egy szkóppal magad is meggyőződhetsz róla: A generátor fesz.szabályzása nem képes korlátlanul nagy sebességgel követni a rendszer terhelését, több okból (elektronika pici és a mágnesezettség változásának nagyobb késése) is késik kissé. Ami azzal jár, hogy járó motornál bármilyen nagyobb fogyasztó (pl. világítás, szélvédőfűtés, ablaktörlőmotor etc...) kikapcsolásakor elég komoly túllövések keletkeznek. Ezek káros hatásai elleni védekezés a kényesebb eszközökbe van beépítve. Ha az adott szulfátoldó készülék nem okoz nagyobb túllövéseket, mint amiket járó motor mellett, nagyobb fogyasztókat kapcsolgatva tapasztalsz, akkor onnantól mindenféle világnézetedre meg vallási meggyőződésedre van bízva, hogy bekötött akkunál használod-e vagy sem. Ha nagyobb túllövéseket okoz, akkor viszont kerülendő az ilyen jellegű felhasználása.
Ne már, és ez is én saram?
Idézet: „Én már túltettem magam ezen a részen, működik, egyszerű, mint az ék.” Idézet: „De mint a megépítettekből látszik nincs értelme túlbonyolítani...” Üdv Inhouse Idézet: „Jól van ha jól van, vagy nem jól van ?” Jól van az! Legalább pörög a topic.Üdv Inhouse
Igazad lehet, hiszen valaki mintha már írta volna itt, hogy szkóppal sem igazán látható jelentős változás az impulzusok hatására.
Na meg a gyári kis impulzusos akkuőr is így dolgozik, bár kisebb erejű impulzussal. Az meg fixen be van építve az autóba, bár igen vékony vezetékkel. A biztos az, ha le van véve a saru. Ami még kellene rá, az egy feszültség korlát, hogy ne legyen túltöltve az akku. Üdv Inhouse
Dehogy hibáztatlak én lennék az utolsó aki ilyet állít.
![]() A lekapcsolás egy egyszerű komparátorral megoldható. Nincsenek akkora feszültség tüskék méréseim szerint ami zavarná a működését. Idézet: „Ami még kellene rá, az egy feszültség korlát, hogy ne legyen túltöltve az akku.” A kitöltési tényezőt kell változtatni az akku feszültségének függvényében. Néhány(*10) ms-re lecsökkentett impulzusszélességgel elvileg korlátlan ideig az akkun maradhat. Az időzítő kondi töltögető ellenállását egy tranzisztoros áramgenerátorra cserélve, azt az (RC tagokon integrált, leosztott) akkufeszültség és egy referenciaforrás (pl. zéner) jelének lineáris különbség képzésével vezérelve (+1 OPA) meggátolhatod az akku túltöltését. Mindezt úgy hogy a regeneráló funkció nem szűnik meg.
Huhh, van konkrét megvalósításra hajlamod? :yes:
Üdv Inhouse
Kacsintottam, láttad? :yes:
Ahha, szóval te mérted a tüskéket! A komparátor nem okoz gondot, csak javasoltam, ha már fejlesztés...llax megoldása jobb lenne, mivel máshol is azt látni, hogy nem regenerálnak/töltenek max árammal a végfeszültségig más töltők sem. Persze a semminél jobb egy 14,4V-nál lekapcsoló komparátor is. Üdv Inhouse
Most, rövidtávon nincs ilyen hajlamom
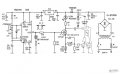
![]() Viszont egy kicsit újragondoltam a dolgot: Az akkufesz közvetlen mérése problémás az előzőleg vázolt felállásban, mivel nincs egy stabil, megfogható közös potenciál az akku és a vezérlés között. Így vagy átmegyünk alkatrésztemetőbe, vagy újralegózzuk a kapcsolgatást, de ez is problémás (a FET gate meghajtása miatt). Viszont van egyszerűbb megoldás: optocsatoló használata. Igaz így a lineáris vezérlés elmarad, de még attól lehet kvázi-lineáris. Az akku feszültségét RC tagokkal alaposan szűrjük, hogy az optocsatolóhoz már egy stabil, az akkufesz átlagértékével arányos feszültszég kerüljön. Ezt a feszültséget egy soros zéner+ellenállás tagon keresztül vezetjük az optocsatoló LED-jére. A tagokat úgy kell megválasztani, hogy az optocsatoló még ne nyisson, amikor az akkufesz átlagértéke túl alacsony, de biztos nyitáshoz elegendő áramot kapjon, ha a kívánt feszültséget elérte az akku. Esetleg az említett soros zéner+ellenállás párossal szinén mehet még sorosan egy poti, amivel ez a feszültség kimértékben módosítható. Eddig tartott az optocsatoló akku felőli oldala. Az optocsatoló fototranzisztorával egy darlingtont képezve (vagy eleve darlingtonos optocsatolót használva) az NPN tranyó kollektorát a stabilizált tápfesz pozitívjára kötjük (555 "8." láb), az emitterét egy soros ellenálláson keresztül az 555 "7." lábára. Az ugyanezen két pont között lévő eredeti R1 marad a helyén. Eddig tartott az optocsatoló fototranzisztor felőli oldala. A dolog működése: ha az akku feszültsége (átlagolva) eléri azt a szintet aminél az optocsatoló LED-jén elegendő áram folyik a fotodarlington (itt van egy átmeneti állapot, ezért tekinthető kvázi-lineárisnak a szabályozás) nyitásához, akkor a fotodarlington a vele soros ellenálláson keresztül söntöli az R1-et, ezzel csökken a 555 "3." lábán a kitöltési tényező, azaz kevesebb ideig lesz nyitva a FET. Az egész egy zárt szabályozási kör, tehát az akku átlagfeszültségét (miután elérte a beállítottat) egy állandó szinten próbálja tartani. Nagyjából ennyi elméletben... A gyakorlatban szükség lehet az időzítő elemek (R1, P, R2, C2) kisebb módosítására, a szabályozás átfogásának bővítéséhez. Az eddig vázolt dolog mindössze 4 ponton kapcsolódik az eredeti kapcsoláshoz (akku + - kapcsai, 555 "7." "8." lába), annak működésébe egészen addig nem avatkozik bele, amíg az akkufesz átlagértéke kisebb a beállítottnál. Ez kicsit hosszú lett, de remélem érthető
Szerintem felesleges lenne ez, hiszen ez nem kifejezetten akkutöltő, hanem regeneráló. Én egy ablakkomparátort képzelnék el, ami egy dupla váltórelét vezérel. 14,4V-os kapocsfeszültség eléréséig megy a regeneráló töltés, ezt elévbe behúz a relé, bontja a töltő trafójának primerjét, a másik érintkező pedig rákapcsol az akkura egy fényszóróizzót, majd pl 12V-ig meríti az akksit. Így gyíkorlatilag szintén az örökkévalóságig rajta lehetne hagyni az áramkört az akkun, és a töltés-kisütés ciklusok is jót tesznek neki.
Gyakorlatilag elég bonyolult és nehezen beállítható lenne...nekem.
Csak én látom úgy, hogy ez a kapcsolás nem a kitöltési tényezőt állítja, hanem az impulzusok közötti időt? Az impulzus hossza a 2,2k és a dióda miatt adott...persze csak szerintem... Üdv Inhouse
Én sem vettem külön, csak kétféleképp is lehet írni.
Utaltam a régi egyutas töltőkre, pl a tirisztoros regeneráló töltő is felmerült itt egyszer. Azt már tisztáztuk, hogy az akkunak jól esik ez a tüskés "szurkálás" és azt is, hogy a kisütés is jó hatással van rá. Tapasztalatból írom, hogy olyan akkuk is felébreszthetőek amik mélykisütést szenvedtek és akár egy évig álltak, van pár darab ilyen akkum, ami hozzám került és egy évnyi állás után szinte a nullával egyenlő feszültséget mutatott, s bármilyen hülyén is hangzik rákapcsolva egy 100W-os terhelést a kapocsfeszültség lassan emelkedni kezdett egy bizonyos értékig és onnan süllyedni, én ennél a pontnál kezdtem el a töltést amit előtte egyáltalán nem vett fel. Tehát nyugodtan mondhatom a kisütés meglehetősen pozitív hatással van egy haldokló akkumulátorra. (Pl. egy éve álló 2V kapocsfeszültségű akkuval játszottam el ugyanezt, először kisütés majd töltés, ezt körülbelül ötször, a végeredmény (14A/h-s akku) egy eleve gyenge (előtte egy évvel kb. 1A/h-s) akku képes volt 2,7A/h-t leadni.) Itt szeretnék arra kitérni, hogy a töltés kisütés folyamat ismétlése (mások is írták) hatásosabb eredményt is jelenthetne talán az "élesztés"-ben, mint egy ilyen szerkezet. Ezzel nem tagadom a jó hatását csak összehasonlítom. A lényeg ugyanis az hogy a töltés folyamatában már nem részt vevő kristályokat aktiváljuk, ez lehet nagyobb áramú töltés ami magával vonzza a nagyobb feszültség jelenlétét és lehet az elektronok áramoltatása oda-vissza. Egy rossz akku adott (14,4V) kapocsfeszültségen nem képes annyi áramot felvenni, hogy az elektronok áramoljanak illetőleg ez az áramlás csekély mértékű és így a teljes feltöltés sem lehetséges, magyarán mindig addig tudjuk tölteni az akkut ami volt benne mínusz az azóta szulfátosodott réteg energiája, s mivel nem töltjük fel teljesen így a szulfátkristályok is növekednek. Nem véletlen az akkuk áramkarakterisztikás töltése az első fázisban. Ezzel arra akartam rámutatni, hogy a kapcsolás hatososságát talán nem is maga az impulzus (bár kell a bevitt energia és a fejlődő hő kompenzálása miatt), hanem a nagyobb elektronáramlás okozza, merem ezt feltételezni, mert itt szerintem a kémiai folyamatok intenzívebb lefolyása segít és bontja a kristályokat, mint a "lerobbantás" elmélete. Nagyobb feszültséggel való töltéskor az áram is nagyobb (akku belső ellenállás) ezért a bevitt töltés mennyisége is nagyobb, viszont egy szulfátos akkunál a kémiai folyamat lelassul és esetekben le is áll. Ergo nem tenném a nyakam rá, hogy egy magasabb feszültségű (U=RxI) áramgenerátor nem oldaná meg ugyanezt a kérdést, figyelembe véve azt, hogy az eredeti C/10 töltés helyett (ami hivatalosan évtizedek óta C/20 lenne) itt 2,5 órás ciklus van, így elméletileg 4x akkora a töltőáram időzített impulzusokkal, mivel a bevitt energia nem vész el csak átalakul ahogy esetünkben idő függvényeként. Röviden impulzus üzemű bikázónak is hívhatnánk a kapcsolást. Ezért, és tapasztalataim miatt feszegetem továbbra is a kapcsolás kiegészítését egy kisütő "impulzus"-t előállító ellenfázisú vezérléssel. Azért látom a fantázia és az elmélkedés sokakban beindult ennek megvalósítása érdekében aminek örülök, mert talán értelmet láttok a felvetett ötletemre! Üdv
Egy rajz jobb lenne és "kicsivel" érthetőbb is, még, ha csak papíron is.
Légy szíves!
Jelentősen egyszerűbbnek tűnik, de átlagfeszültségről kell beszéljünk az akkun amíg a készülék működik.
A 12V viszont kérdéses számomra, hiszen az akkuk töltés kisütés ciklusa vagyis élettartama nagyban függ az átlagos kisütési feszültségtől (lineáris). Egy átlagos felitatott savas akku élettartama 300 ciklusban van meghatározva X kapacitási szintre, ezért ezt a feszültséget megvitatnám, bár jobb a nagyobb mint a 10,5V-os alsó határ. Itt jegyeznék meg egy érdekességet, kisütések alkalmával felfigyeltem arra a jelenségre, hogy a kisütési végfeszültségből (a feszültségesés mértékén látszik) nagyjából utalni lehet az akku kapacitására. Egy jó akku 10,5V-ig lineárisan csökkenő feszültségesést mutat és onnan csökken "drasztikusan", de egy gyengébb akkunál ez a feszültséghatár lentebb csúszik, a valós kapacitás nagy vonalakban megítélhető egyetlen méréssel.
Nem annyira vészes a dolog, egy csipetnyi passzív alkatrész, 1 (+1) zéner, egy optocsatoló, cca. 200HUF körüli költségvetéssel. A pontos alkatrészadatok megállapítása némi számítást és kísérletezést igényel.
Az eredeti kapcsolásban lévő P poti az impulzusok közötti időt állítja, P - R2 - C2 tagokkal. Ez az opció továbbra is megmaradna, beállítása nem függene az általam javasolt szabályozó kör működésétől. Az impulzus hosszát (azaz a kimeneti H szint idejét) az R1 - D1 - C2 lánc állítja be. Ezt rövidítené az általam elképzelt kapcsolás, ami mint már írtam, összesen 4 ponton kapcsolódik az eredeti áramkörköz (viszont a kellő szabályozási átfogáshoz ajánlott az eredeti időzítő elemek cseréje, akár úgy is, hogy alapállapotban az eredeti időállandók maradnak). Az impulzus hosszát az eredetihez képest növelni, vagy más egyéb módon beavatkozni nem képes.
Egyelőre alkatrész értékek nélkül, össze dobhatok egyet...
Gondolom a 4 bekötési pont kifilózható...
Szereplők: R1, C1: az akkufesz integrálása, további tagokkal bővíthető D2: az optocsatoló védelme (az R1-el együtt), ha akku nélkül menne a kapcsolás, értéke magasabb mint a legmagasabb elvárható akkufesz (pl. 15V) D1, R2 az optocsatoló LED-jével sorosan: ezek együtt állítják be a feszültség limitet (továbbe ezekhez sorosan betehető még egy kisebb ellenállású poti a finomhangoláshoz). Egyúttal az R2 korlátozza az optocsatoló LED-jének áramát D2 mínusz D1 feszültségnél ne lépje át a megengedettet. R3: az optocsatoló fotodarlingtonján keresztül söntöli az eredeti kapcsolás R1 ellenállását. Ja: és miért 4N33 ??? Mert nekem ilyenek vannak itthon kéz alatt
Nagyon megköszönném!
![]() Ha nem baj lenne egy észrevételem: Az időállandók által meghatározott kisütés nem egészen tűnik jó megoldásnak szerintem. Arra gondolok, hogy az akku által elnyelt energiát illene kivenni, nem többet és nem kevesebbet (illetőleg veszteség nyilván van az akkuban), tehát a kisütés mértékének ezzel kellene arányosnak lennie, amit az R8-as ellenálláson eső feszültség figyelésével lehetne inkább realizálni, mivel az időállandó állandó így a kisütés mértéke is állandó lenne. Példaként, a felvett átlagáram 10A óránként, de a kisütő 12A, ami az így is halódó akku mély kisütéséhez vezethet, másik esetben pedig 12A átlag töltőáram és 10A kisütő áram, ami pedig a rajta hagyott akku túltöltéséhez vezethet. Úgy gondolom az R8-on létrejövő feszültség tárolása és azzal arányos kisütőáram alkalmazása lenne a legideálisabb megoldás. Mondjuk az R8-on (0,51 Ohm) eső feszültség soros ellenállással töltene egy kondenzátort amit impulzus hiányakor egy tranzisztor rákapcsolna egy FET-re ami az akkura kapcsolná az így már arányos kisütő áramot. Kicsit talán bonyolultabb, de talán nem kell "piszkálni" az időzítőt. Esetleges megoldásként felmerülhetne az is amin már rég gondolkozok, hogy mivel nagy áramcsúcsok vannak így lealkudunk belőle kicsit, vagyis akár egy állandó terhelést is alkalmazhatnánk aminek az értékét úgyszint az R8 figyelésével állítanánk be, könnyebb lenne a beszabályozása, nem kell bántani az időzítőt. Szerintem ez utóbbit érdemes alkalmazni, csak én lusta voltam kísérletezni! gyors voltál. Köszönöm, így már sokkal érthetőbb! Röviden az akkura kapcsolva az R1-en át állandó feszültség kerül a C1-re, D1-R2 tagokkal pedig az optocsatolóra aminek a nyitási szintjét az R1-C1 adja meg, s R1-el sorban a megjelenő többlet feszültséget kapná meg az optocsatoló. Kérdés: A D1 dióda jól van berajzolva? Kérdés: Kialakulhat az akkufeszültségen akkora impulzus feszültség ami elég az optocsatoló megfelelő nyitásához? Kérdés: Az optocsatoló általi ellenállás csökkenés kisebb vagy nagyobb frekvenciájú működésre készteti az időzítőt? Elvileg nagyobb áramú töltésnél nagyobb kiütőáram kellene. Még nem tisztázott ezen áramkör alkalmazásának ilyen formán történő alkalmazása, mivel a kisütőáram nincs sehol jelen. Egyébként tetszik az ötlet, kivéve az előző hsz-emben leírtakat! Köszönöm a fáradságod! S hogy ne maradjon el: Nagyon köszönöm!
1.: Mindkét dióda zéner...
A D1 feszültség eltolást végez. 2.: Az R1 - C1 tagok átlagolják a feszültséget, az opto nyitását ehhez kell igazítani a D1 - R2 megfelelő megválasztásával 3.: Az alap működési frekvencia nem változik, csak a töltési impulzusok lesznek rövidebbek. Kisütésről itt nincsen szó! Ezen egység kizárólagos szerepe az akkuba időegység alatt bevitt töltés csökkentése abban az esetben, ha az akku feszültsége elér egy töltöttnek tekinthető szintet. Ugyanakkor a regeneráló áramcsúcsokat továbbra is kapja az akku, csak kisebb kitöltési tényező mellett.
Ez pedig az én ötletem! Ötlet!!!
Elvileg a műszeren már átlagolt feszültség folyik az R8-on folyó feszültséggel arányosan így a tranzisztor erősítésének beállításával és munkapontjának változtatásával mind az állandó terhelés és mind a töltési árammal arányos terhelés állítható be. A fet nyitását az impultus végezheti, a nyitás mértéke az ellenálláson fellépő "nagy" feszültségnek köszönhetően széles skálán szabályozható és az akkumulátor feszültségét figyelve nyomon követhető. Gondolom ez a terhelés nem jelent kihívást az áramkörnek 50W-nál is csak 1,42A a 35V-os csúcsoknál a fet teljes kivezérlésénél, de így állandó terhelésként a nyugalmi áram beállításával a túltöltés is megakadályozható lehet. Persze biztos van min finomítani, vagy az egész ötlet dobandó, de szerintem javításokkal az elmélet megvalósítható lenne.
Így már értem! Majd valaki leszimulálja pontosan milyen kitöltési tényező változást hoz maga után vagy egyszerűen csak be lehet majd állítani adott feszültségnél.
Lehet láma vagyok, de nem esik le miért van a D1 nekem "fordítva"? Elvileg így nem vezet át az optocsatoló felé... vagy tényleg csak láma vagyok néhány dologhoz.
A D1 az zéner! (és a D2 is).
Csak az Eagle a zénert is Dx pozíciószámozással látja el... A kitöltési tényező és frekvencia viszonylag egyszerűen számítható értékek, az 555 "bal oldalán" lévő elemek befolyásolják ezeket.
A kisütősdit én másképp képzelem el...
Először is nagyon rövid (párszáz mikrosec), nagyon nagy áramú (akár 100A körül) impulzusokkal. Közismerten szulfátoldó/regeneráló hatású ez is... Ebből játékból kihagynám az eredeti FET-et, az továbbra is csak a töltő impulzusokat adagolná. A kisütést külön FET végezné a munkaellenállásával, közvetlenül az akku kapcsairól jövő vezetékeken, az eredeti kapcsolás más alkatrésze ebből kimaradna. A kisütő FET-et egy újabb 555 vezérelné, csak itt monostabil módban, az eredeti 555-ről triggerelve.
Értem és mégsem.
Tehát a kisütést egy teljesen külön áramkör végezné, nem rossz ötlet, belegondolva ha az impulzus töltés elvileg regenerál akkor az impulzus kisütés is. Azt értem, hogy triggereled, de ez még mindíg nem arányos a töltőárammal, hacsak nem az R8-ról oldod meg. Gondolom azért minden nem maradna ki, hiszen valamiről azt is táplálni kell. Mégis szerintem bőven elég lenne az általam javasolt megoldás, mivel az akkun egy állandó szintet tartana, a regenerálás tovább is tarthatna. Attól tartok a te módszered nem kontrollálható kellőképpen. Persze ez még nem azt jelenti, hogy egy rossz verzió. |
Bejelentkezés
Hirdetés |




Legalább pörög a topic.


vagy tényleg csak láma vagyok néhány dologhoz. 