Fórum témák
» Több friss téma |
- Ez a felület kizárólag, az elektronikában kezdők kérdéseinek van fenntartva és nem elfelejtve, hogy hobbielektronika a fórumunk!
- Ami tehát azt jelenti, hogy a nagymama bevásárlását nem itt beszéljük meg, ill. ez nem üzenőfal! - Kerülendő az olyan kérdés, amit egy másik meglévő (több mint 17000 van), témában kellene kitárgyalni! - És végül büntetés terhe mellett kerülendő az MSN és egyéb szleng, a magyar helyesírás mellőzése, beleértve a mondateleji nagybetűket is!
Sziasztok!
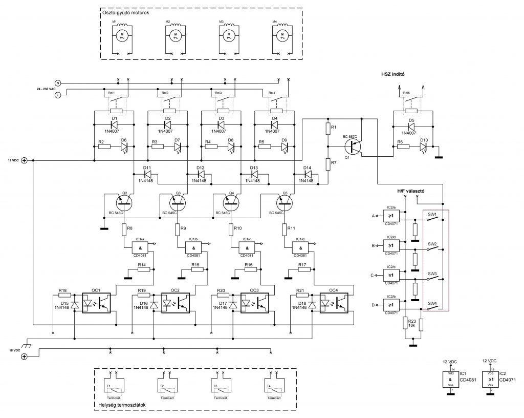
Még mindig a kis fűtésvezérlőmmel szenvedek. Mindenképpen szerettem volna teljes mértékben galvanikusan leválasztani a vezérlőt a termosztátokról így gondoltam optocsatoló az én barátom. Mellékelt kapcsoláson látható az elgondolásom. Kérdés: Jó így, hogy az AND kapu egyik bemenete az optóról kapja a logikai szintet? Mivel az opto és a termosztát között lehet akár 200m vezeték is kellhet még valami szűrés vagy védelem? Ill. maga a rajz sem tetszik. Sanos nem tudok még szépen és áttekinthetően rajzolni. Ebben tud valaki segíteni? Szerk.: Ha szeretném jumperrel összekötni két motor vezérlését akkor gondolom a legegyszerűbb, ha az AND kapuk kimenetét összekötöm. De ekkor kell dióda vagy összeköthetők a kimenetek?
Ha ventilátort teszel mindenképpen perforálni kell a dobozt, hogy a hűtőlég átáramoljon. Nézz meg egy ATX, vagy más tápot, és annak mintájára. A ventit ültesd a doboz falába(ráccsal védeni!).
De azert az optokat forditva kellene bekotni. Kollektor a + tap, emitter a GND.
Az optocsatolók kollektor-emitter lábait fel kell cserélni (a kollektorra kell a pozitívot kapcsolni).
Más hibát nem látok benne. Az opto zavarszűrése nehéz ügy, nem is tudom, hogy lenne a legjobb. Talán pl. az R18 vezeték felőli lába és a D15 anódja közé tett pár száz nanofarádos kondenzátor hatásos lehet. Az spl7 kiterjesztésű fájlban ugyanaz van, mint a jpg-ben? (Az spl7-et nem tudom megnyitni, nincs hozzá programom.)
sPlan 7-el készült a rajz. Igen ua. mint a jpg.
Már tudom is, hogy hogy lesz. Lyukacsos lesz a hátulja, és belűről csavarom fel a ventit, hogy hűtsön !
A meleg levegőnek távoznia is kell valahol.
Uh. Na akkor kifogytam az ötletekből.
Hát ne csak a ventilátorhoz tegyél lyukakat, hanem az egész hátlapot lyukasztgasd át. Így képes lesz cirkulálni a levegő.
Szóval fiúk, leírom mit gondolok: A hátulját kilyuggatom, és a hátuljára belűről felcsavarom a ventit. Olyat veszek, amelyik hűt, 60mm-eset. Jó lesz, ugye?
![]() Üdv!
A ventilátor nem hűt, csak a kinti levegőt bejuttatja és áramoltatja. Tehát fontos, hogy ami bemegy, az ki is tudjon jönni.
De ha totálisan lyuggatva lesz a hátulja, ahogy írtam, az nem jó?
Mondjuk a venti ugy tud rendesen dolgozni, ha a teljes feluleten szabad a legaramlas. Ajanlatos egy akkora nyilast csinalni ami egyezik a lapatok atmerojevel, es kivulrol egy femracsot ratenni. Igy meg a latvany is szebb. Az asztalosok hasznalnak ilyen furot a zarak beszerelesehez.
Akkor megpróbálom nagybácsimmal szépen kilyukasztani kör alakban a hátulját, rácsot veszek a ventihez, és úgy dolgozom ! Köszike a segítséget !
Nagy lyukat fúrj, ilyennel takard el. Legjobb volna ha elől jönne ki a felmelegedett levegő, de az nem esztétikus. Van még négy szóba jöhető oldal
Hello
Segítség kéne a kapcsolásokhoz! Először is van egy UV-9W-L 365nm izzóm, és egy Helvar L11D trafóm. A lényeg hogy a trafón van 2-2 lyuk, és nem tudom hogy melyik kettő fut a hálózati áramhoz és melyik kettő az izzóhoz. Az egyik pár fölött van egy P betű, a másik pár fölött egy L betű. A tekercset nem lehet látni, szóval nem látom a vastagabb, ill. a vékonyabb drótot sem. Segítenétek? Vagy kellene még valami az áramkörbe?
Nem izzó, hanem fénycső.
Nem trafó, hanem fojtótekercs. A kettő L és a kettő P között is rövidzárat kell mérned multiméterrel. Ebben csak egy tekercs van dupla kivezetésekkel. Bővebben: Link
Sziasztok!
Most készülök megtekerni életem legelső SMPS trafóját. A primer maradt gyári állapotban, csak a szekundert babrálom. Ez most úgy néz ki, hogy olyan 0.2-es lakkozott huzalból fúróval összetekertem 7 szálat, ez ad ki egy szekundert meg még egy ugyan ilyen, hogy szimmetrikus legyen. No, most az lenne a kérdésem, hogy a lakkot egyenként mivel célszerű eltávolítani a huzal végéről? Ha égetem, akkor kormos lesz és meggyengül, csiszolva elszakad néha, a pákás melegítés és ónozás nem nagyon használ, szikével kapargatva elszakad. Valami oldószer kellene, van itt eddig hígító és denszesz. Olvastam kromofágról is, de az nincsen.
Sziasztok!
Van olyan 3 állású kapcsoló ami a következőt csinálja?: 1. állás 1-2-3 OFF 2. állás 2 12VDC 3. állás 2-3 12VDC
Nem teljesen értem mit szeretnél tőle. A 2. állásban mivel szeretnéd összekötni a 2-es lábat. Mert olyan kapcsoló nincs ami egyben tápegység is.
12V szeretnék kapcsolni. 2 kimenetre.
1. állás lenne a teljesen kikapcsolt állapo. 2. állásban csak egy kimeneten lenne 12v 3. állásban pedig két kimeneten lenne a 12v.
Hali.
Szerintetek ez a kapcsolás működőképes lenne úgy is ha a 0.05uf os 1000 V-os kondik helyére 10nf-os 400 V-os kondikat tennék(ez van kéznél). A cél 400 és 500 v között lenne.
Szia! Egyik fele az egyiket, másik fele a másikat kapcsolja. Bővebben: Link
Mellékeltem, hogy mire gondolok.
Csak szeretném elkerülni a diódát. [off] Nyelvtani hibát kérem elnézni!
Sziasztok ,
Elég sok helyen kerestem de nem sok infót találtam ,nem nehéz kérdés legszívesebben kipróbálnám de sajnos nem tudom kipróbálni. Szóval ttl digitális sorozat sn740 stb... negatív feszültséget szolgáltató tápegységet(0v) a vcc-re kötjük a tápegység negatív sarkát -5 v pedig gnd lábra. Ettől tönkre megy? Milyenek lesznek a jel tartományok ? Össze lehet kötni a kapuk kimenetét másik kapu bemenetével,ha igen hogy működik?
Csak nem... Legalább előbb keresnél Bővebben: Link
Hello!ezt a nyáktervet megnézné nekem valaki,hogy így kell a nyákra rárajzolnom vagy tükrözni kell??Előre is köszönöm!
Esetleg 2 drb 1oo nanos sorbakötve.
|
Bejelentkezés
Hirdetés |















