Fórum témák
» Több friss téma |
Fórum » Pozitív és negatív impulzusok közös kimeneten
Témaindító: suzi0., idő: Márc 5, 2012
Témakörök:
Sziasztok!
Szükségem lenne egy olyan kapcsolásra, amivel a 0V-hoz képest pozitív és negatív impulzusokat tudok előállítani. Az áramkörben megvan a +/- 5V. A kontroller természetesen a 0-5V között van. A kontroller két kivezetésével tudnám változtatni a kimenő feszültséget. Mindkét láb alacsony, kimenet 0V, egyik magas +5V, másik magas -5V.Programból kiküszöbölöm, hogy egyszerre ne legyen mindkettő magas. Fontos, hogy gyors legyen (ns impulzusok kellenek) tehát relé nem jó . Előre is köszönök minden segítséget.
Gyors pozitív impulzust pl logikai kapukból, a hazárd jelenség kihasználásával lehet csinálni...
Mintha már láttam volna ezt a kérdést, és válaszoltam is rá.
Bizonyára hallottál a logikai szintillesztő áramkörökről. Azok között kellene kutakodnod. Megoldható a már említett LM311 komparátorral is, de van egy egyszerűbb megoldás. A mikrovezérlő kimenetére 200 ohmon keresztül egy PNP tranzisztor bázisára viszed a jelet, a kollektorát 1 - 2 kohm -os ellenálláson keresztül rákötöd a - 5 V -ra. A kollektorról már meghajthatsz CMOS logikai áramköröket, A +5 V = Vdd, és -5 V = Vss közé kapcsolva. Nem tudom milyen gyors jelekre van szükséged, a mikrovezérlők kimeneti jelei nem szoktak túl gyorsak lenni. Ha mégis gyors jelekre van szükséged, akkor használj a tranzisztornak gyors kapcsoló típust, vagy nagyfrekvenciás tranzisztort, a bázisban levő ellenállással párhuzamosan 10 - 20 pF kondit, majd a tranzisztor után Schmitt triggeres bemenetű invertert, vagy gyors komparátort. Ha a továbbiakban is gyors jelekre van szükséged, használj ECL logikát.
Csináltam egy mórickarajzot, hogy mire gondoltam. Esetleg konkrét kapcsolási rajzot tudnátok adni.
Ez nem lenne jó megoldás? Bár nem írtad, hogy mit kapcsolnál vele...
Üdv Inhouse
Szia!
-Az IO1 kimenetnél, az első tranzisztor helyén PNP tranzisztor kellene, aminek az emittere a kontroller tápjára van kötve, a vezérlése a kimenet alacsony szintjével történne - negáltan. - Ha mind az IO0 és IO1 kimeneti tranzisztora lezár, a kimeneti pont nagyimpedanciás lesz. Egy földre menő ellenállással rávihető 0V, de nem lesz terhelhető. - A kétszer két nyitott kollektoros fokozat sebessége nem teszi lehetővé a tervezett ns -os impulzusok kiadását.
Szerintem ez nem jó megoldás. A negatív oldal felé lévő tranzisztor állandóan nyitva van.
Ha alacsony a IO1 kimeneti szintje akkor a kimeneti ellenálláson, a nyitóirányú B-C átmeneten és a két további ellenálláson keresztül kap bázisáramot az alsó tranzisztor. Ha magas az IO1 kimeneti szintje, akkor ugyanez a helyzet, azzal a különbséggel, hogy az első tranzisztor bázisa (annak nyitása miatt) GND+0,6V-on lesz, a nyitott B-C átmenet ehhez a ponthoz kapcsolódik, míg az előző esetben az első tranzisztor bázisfeszültsége vagy ugyanekkora, vagy lehet alacsonyabb is. (Közben látom, hogy HP41C írt egy jó megoldást is..)
Régi módszer, de jó. Elkészítheted egy N10 fazékmagra, vagy toroidra. Ilyenek vannak az UTP kábel meghajtókban.
Szia!
Az elejét értem, elszúrtam, erre nem gondoltam, jogos. Ez így nem lesz jó. Viszont a második felét nem értem. Ha magas a uC kimenete, nyit az alsó NPN tranzisztor, a kollektora GND-re kerül, itt már nem sokat számít a BC átmenet, nem? A mögötte levő NPN tranzisztor GND-t kap a előtétellenállásokon keresztül, ami magasabb az emitterfeszültségénél, tehát nyit és kapcsolja a -5V-ot a kimenetre. Vagy nem? Üdv Inhouse
Most esett le, hogy csak azt részletezted, hogy mi a különbség a 2 állapot között?
Üdv Inhouse
Szia mindenképp műveleti erősítőben kéne gondolkoznod pl. egy girátort is át lehet alakítani.
Valami vonalmeghajtó ,aminek a kimenete lebegtethető, pl SN75110..
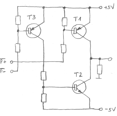
Én egy olyan komplementer emitterövetőt csinálnék NPN és PNP tranzisztorokból, ahol a (+) ágban lévő NPN tranzisztor bázisára adnám a pozitív pulzust generáló jelet. A negatív táp ágában lévő PNP tranziszor bázisára egy analóg invertert (-1 erősítés) kapcsolnék PNP tranzisztorból megépítve.
Ennek a harmadik tranzisztornak a bázisára megy a negatív pulzust generáló kimenet, míg mind az emitterre (+5 táp felé), mind a kollektorra (-5 táp felé) raknék egy-egy 1kohm-os ellenállást. E tranzisztor kollektoráról jön a jel a PNP ág bázisára a jel, amely pont inverze az emitteren megjelenőnek. Az egész gyakorlatilag aktív módokban vezérli a tranzisztorokat, tehát nem lassítja a kapcsoló üzemben elkerülhetetlenül fellépő telítés.
Szia!
Tudnál esetleg egy rajzot feldobni?
Hirtelenjében nagyjából ennyit tudok. Még lehet, hogy pontosítani kell, ha megépítjük és kimérjük, de a lényeg benne van.
Ez a másik ahhoz hasonló, amit Inhouse eredetileg akart volna. Ez azonban kissé lassabb a kapcsoló üzem miatt. Ráadásul invertált vezérléseket igényel (a magas szintű nyugalmi állapot mellet az inpulzust a 0 szint adja). Utóbbi a mikrokontrollereknél szerencsésebb megoldás, mert kiküszöböli a bekapcsolási tranzienseket, hiszen egy RESET után az időlegesen bemenetként szereplő lábakat a környezet logikai 1-ként érzékelheti.
Tranzisztor gyilkos pfujjj. A kimeneti pozitív oldali tranzisztor emittere csak minimum test-0,6V potenciálon lehet.Ha az alsó nyit sajna valaki meghal.
Bocsi, ezt meg én néztem el...
Majd gondolkodom a javításán! |
Bejelentkezés
Hirdetés |




. Előre is köszönök minden segítséget. 










