Fórum témák

» Több friss téma
Fórum » Csöves erősítő készítése
 
Témaindító: seedz, idő: Márc 31, 2006
Témakörök:
Ne feledd betartani a fórum viselkedési szabályait, és a topik megmaradásának feltételeit. [link]
A téma átmenetileg fagyasztva lett, hozzászólni nem tudsz!
Lapozás: OK   1348 / 2208
(#) storm válasza Imi65 hozzászólására (») Ápr 8, 2012
Akkor ahogy most bejelöltem a képen, így megfelelő lesz?

2.jpg
    
(#) storm válasza storm hozzászólására (») Ápr 8, 2012
Ja és mind a 2 féle csönél 4-5 láb a fűtés ugye?
(#) Imi65 válasza storm hozzászólására (») Ápr 8, 2012
Igen, és igen.
(#) storm válasza Imi65 hozzászólására (») Ápr 8, 2012
Rendben, köszönöm a segítséget, további szép napot
(#) solti_imre hozzászólása Ápr 8, 2012
Egyik haveromnál hallgattam egy ilyen erősítőt (otello) - eléggé kellemes hangja volt. Valaki meg tudná adni a kapcs. rajzot és a trafók adatait?
(#) Imi65 válasza solti_imre hozzászólására (») Ápr 8, 2012
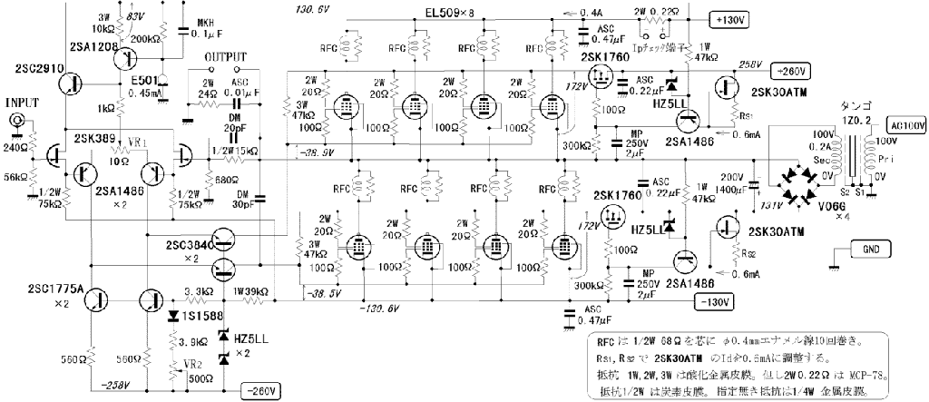
Ez egy OTL, vagyis kimenő nélküli erősítő. A végcsövei valamiféle anódsapkás egyedek, pl. PL509, vagy ennek a 6,3V-os verziója. Rajzot hirtelenjében nem tudok, de valami hasonló lehet, mint a mellékelt rajz.
Ha jól látom, z a 90kg-os készülék, potom 600000 dollár, nem is drága.
(#) forma3 hozzászólása Ápr 8, 2012
Sziasztok!

Egy Dynacord Eminent II csöves keverőerősítőről lenne szó, az a baja hogy zz anódfeszültség egyik biztosítéka bekapcsoláskor azonnal kiég. Csövek világítanak, előlap is világít, viszont nem szól. Ezek alapján így látatlanban mi lehet a baja, mennyibe kerülhet az az alkatrész ami hibás lehet benne kb.? Mérni nem tudok mert még nincs nálam, még nem vettem meg.

Köszi!
(#) fegyvermester válasza forma3 hozzászólására (») Ápr 8, 2012
Hali!

Első körben egy kapcsrajz, hátha segít: http://www.freeinfosociety.com/electronics/schemview.php?id=360

Van ott pár dolog, ami leverheti, esetleg bezárlatosodott a graetz avagy puffer?
(#) Imi65 válasza forma3 hozzászólására (») Ápr 8, 2012
Sajnos, akár lehet a kimenő is. Az meg súlyos (tíz) ezrek. De valóban mérni, szelektálni kell.
(#) forma3 válasza Imi65 hozzászólására (») Ápr 8, 2012
Sajnos azt kell eldöntenem hogy megveszem-e, mérni nem tudok... Mennyi az esély arra hogy a kimenőtrafó a ludas?
(#) forma3 válasza fegyvermester hozzászólására (») Ápr 8, 2012
Köszi, mik azok azok a dolgok amik a legnagyobb eséllyel rosszak?
(#) zolika60 válasza forma3 hozzászólására (») Ápr 8, 2012
Ahogy szokták mondani 50% vagy igen vagy nem.
(#) Imi65 válasza forma3 hozzászólására (») Ápr 8, 2012
Diódahidak, pufferek, kimenő, végcsövek, fojtó.........
(#) forma3 válasza Imi65 hozzászólására (») Ápr 8, 2012
Magyarul bármi baja lehet... Tapasztalatok szerint mi szokott a legtöbbször ilyenkor lenni a hiba? Vagy teljesen változó?
(#) fegyvermester válasza forma3 hozzászólására (») Ápr 9, 2012
A sorrend, ahogy érdemes végignézni az, amit Imi65 leírt neked.
Puffer és egyenirányító először, aztán jöhet a többi. Ha a kimenő, akkor tényleg szívás. Még nem tart vészesen magasan az ára bár messze még a vége (a 20k villámáras dynacord az, ugye?). Ha 10 alatt hozzájutsz, még rossz kimenő esetén se buksz talán sokat. Pláne ha a csövek épek, de ez csak magánvélemény (mint a téma iránt csak nem rég érdeklődő nagyon amatőré).
(#) Imi65 válasza forma3 hozzászólására (») Ápr 9, 2012
Sajnos azt nem tudjuk megmondani. Azt sem tudjuk, spontán meghibásodás történt, vagy "segítettek neki" (pl. beleejtett szerszám, víz, vagy esetleg terhelés nélküli járatás, esetleg leejtés.......... Nem tudhatjuk mérések nélkül.......
(#) sebestyen_ferenc hozzászólása Ápr 9, 2012
Sziasztok!

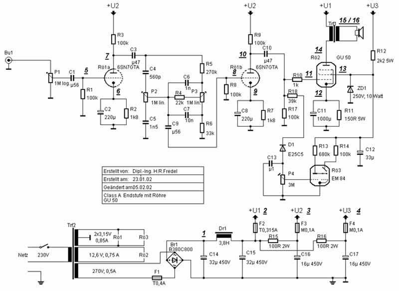
Szeretnék építeni, Gu 50Se erősítőt, a csöveket megvetem.
Tudnék szerezni hiperszil 15 cm2 vasmag keresztmetszetű trafót (SM 102B)az ablakméret nagyobb mint az SM 102B vastagabb vezeték több menet fér el. 25*68mm. Ez a típus trafó jó lenne, hozzá és ha igen, milyen és hány menetű tekercseket kellene készítsek hozzá?
Hiperszil trafókat nem ismerem jól, csak sima E-I-lemezes trafókat készíttetem eddig, ezért is kérnék kis útba igazítást. Válaszotokat előre is köszönöm.
(#) bakos13gab hozzászólása Ápr 9, 2012
Sziasztok!

Most húsvétkor csináltam egy kis kitérőt és összeraktam egy EL6-os erősítőt, ami macerássági okokból végül egyelőre PL36 SE lett (nem volt kéznél kosár foglalatom és állitólag a két cső nagyon hasonló).
Nos a gondom az, hogy rettenetesen ciripel szegény. Ha földelem a jelutat (előfok rácsa, végfok rácsa), akkor csendbe marad). Itt a rajza, fényképet később lövök. Fa sasszin van összedrótozva, a tápoknál az előfok: 47µF-10K-47µF + a rajzon szereplő 100nF.
A végfok: 170µF-200ohm-47µF + a rajz...
Most nincs kéznél szkóp. Az első cső egy 6N2P, a második a PL36.

PL36 SE.jpg
    
(#) 6C4C válasza bakos13gab hozzászólására (») Ápr 9, 2012
Szia! 10MOhmos a bemenő impedancia, ráadásul a sasszé árnyékoló hatása is elmarad... 100kOhmos rácslevezetővel és RkCk előfeszültség-beállítással remélhetőleg kevésbé (nem) fog ciripelni...
(#) bakos13gab válasza 6C4C hozzászólására (») Ápr 9, 2012
Értem. Akkor átnyargalok katódellenállásra. A beállítást a Magyari könyvból néztem, mivel a tápfesz 250V-ra adott, igyekeztem a legjobbat kihozni és ezt adtam meg (nagy erősítés és 2% körüli torzítás).
(#) bakos13gab válasza 6C4C hozzászólására (») Ápr 9, 2012
Lefekvés előtt mókoltam most vele kicsit. Átalakítottam a meghajtót, 1,5K katódba, 1M levezető és a végfokot átbiggyesztettem triódának és a 6N2P helyett beraktam egy régi ECC85-öst. Rögtön megjött a csend (most már csak akkor serceg, ha üresen megfogom a bemenetet, de ez normális talán). Megküldtem telefonról. Hát a próba hangszórón (4ohmos pioneer autós csoda) meglepően ***ul szólt.
De átkötve a DC2050-esre már elfogadhatóbb lett, csak halknak találtam. 1000µF-ot rátéve az 1K5 Rk-ra, rögtön jobb lett. Valószínűleg a csőnek kevés lehet a 100V anódfeszültség (most is 80mA-re állt be). Még meg lehet próbálni a 100ohmot áthidalni a végén 1000µF-al, de ezt már csak holnap.
(#) varttina válasza sebestyen_ferenc hozzászólására (») Ápr 10, 2012
A menetszám elsősorban Ra-tól függ, Ra pedig az anódfeszültségtől. A GU50 üzemelhet 250V-tól 1000V-ig. Ha elárulod, hogy mekkora lesz az anódfeszültséged az alapján már tudunk számolni.
Egyébként itt van egy cikk a méretezéssel kapcsolatban.Bővebben: Link
(#) sebestyen_ferenc válasza varttina hozzászólására (») Ápr 10, 2012
360volt lesz U1 feszültség. Akkor érdemes SM 102B vasra beruházzak?Nem olcsó 4000Ft drb-ja
(#) (Felhasználó 20218) válasza (Felhasználó 20218) hozzászólására (») Ápr 10, 2012
Elkészült! Nagyon meg vagyok elégedve a hangjával, pedig csak egy magam által tákolt "low end" hangfallal üzemel. Végül a tápfeszültség is megoldotta önmagát, terhelten szépen beállt 245V-ra. Köszönöm mindenkinek aki segített a projektemben! Most elmerülök egy kicsit a négy évszakban.
(#) Imi65 válasza (Felhasználó 20218) hozzászólására (») Ápr 10, 2012
[OFF]Tartok tőle, hogy lesz ennek még sztereó, nagyobb teljesítményű változata is. Így járunk mi, akik csövest építünk..
(#) (Felhasználó 20218) válasza Imi65 hozzászólására (») Ápr 10, 2012
Tarthatsz is! Amint tudok szerezni normális áron egy másik Vidi R4900-at azonnal építem is a párját, a nyákból alapból kettőt martam. :yes:
(#) zolee1209 válasza (Felhasználó 20218) hozzászólására (») Ápr 10, 2012
Főleg, ha egy jobb minőségű műsorforrásod is lesz hozzá! :yes:
(#) (Felhasználó 20218) válasza zolee1209 hozzászólására (») Ápr 10, 2012
Na igen, még fogalmam sincs, hogy mi is legyen az. Számítógépről flac? Esetleg hagyományos CD deck? Már az mp3-mal is csodát tett!
(#) Imi65 válasza (Felhasználó 20218) hozzászólására (») Ápr 10, 2012
[OFF]A Flac jó hangkártyával nem is rossz. Bár, én ki szoktam írni CD-re (a Flac-ot, ape-t, Wav-ot), és úgy hallgatom.
(#) (Felhasználó 20218) válasza Imi65 hozzászólására (») Ápr 10, 2012
Gondolom van is hozzá rendes CD játszód. Nálam a CD-t is a laptop játszaná... most még. Hangkártya a laptop integráltja. Lehet, hogy a legjobban egy külső hangkártyával járnék!?
Következő: »»   1348 / 2208
Bejelentkezés

Belépés

Hirdetés
XDT.hu
Az oldalon sütiket használunk a helyes működéshez. Bővebb információt az adatvédelmi szabályzatban olvashatsz. Megértettem