Fórum témák
» Több friss téma |
- Ez a felület kizárólag, az elektronikában kezdők kérdéseinek van fenntartva és nem elfelejtve, hogy hobbielektronika a fórumunk!
- Ami tehát azt jelenti, hogy a nagymama bevásárlását nem itt beszéljük meg, ill. ez nem üzenőfal! - Kerülendő az olyan kérdés, amit egy másik meglévő (több mint 17000 van), témában kellene kitárgyalni! - És végül büntetés terhe mellett kerülendő az MSN és egyéb szleng, a magyar helyesírás mellőzése, beleértve a mondateleji nagybetűket is!
Tudom hogy olcsó a tirisztor, de kedd előtt nem tudok venni... Babszi gyujtásom van így 3 tekercs sorban.
Na a fetes is jó lehet mert az van egy zsákkal.
Nem jó! Az is egyenfesszel működik. Veszteséges az egyenirányítás.
Ez jó. Simsonhoz terezte Varga Gyuri (GYLab).
Gondolom a tirisztornak bírnia kell az izzók áramát?
Tv-be monitorba nincs tirisztor? Az van épp szétszedésbe
Nem kell bírnia. Az izzók árama nem folyik át a tirisztoron.
A tekercset zárja rövidre az egyik félperiódusban. Nem is az egész félperiódusban, csak amikor a feszültség értéke meghaladja a 14,4 Voltot, vagy a beállított feszültség szintet.
2A-os elég lehet? Az valahol van itthon. Olyan van a gyári "fekete doboz"ban.
Az eredeti kapcsolásban egy KT201/300 (THYR. 600V 3A Igt:20mA) van. Szerintem nem ártana egy nagyobb. úgy 5-7A. A Babetta generátor erősebb, mint a Simsoné.
Megnézném azt a tervet. Lehetne? (motorvezérlő) Csak az okulás érdekében.
Sziasztok!
Lenne egy nagyon egyszerű és kezdő kérdésem. Csatoltam a kapcsolást. A problémám az, hogy ha multiméterrel mérem a Zeneren eső feszültséget, akkor nincs gond. Kiír kb. 3.xV AC-t. Viszont ha rákapcsolom a szkópra (10-es osztás beállítva, a mérőfej nullája a katódra, forró vég az anódra), abban a pillanatban rövidzár lesz: eldurran a Zener és levágja a villanyórát is. Megköszönném, ha valaki tudna segíteni, hogy mit csinálok rosszul.
Persze, mert a szkóp le van testelve. (a mérőfej nullája -> védőföld)
230V-os hálózaton, szkóppal történő méréshez mindig leválasztótrafót kell használni!
Köszönöm a gyors a választ. Ezt nem tudtam a szkópról. Én a Microchip példa alapján (http://ww1.microchip.com/downloads/en/AppNotes/91094A.pdf) akartam AC hálózatról trafó nélkül meghajtani PIC-et. A doksiban mutatnak szkóp ábrákat, amiket a zeneren mértek állítólag. Ezt hogy csinálták, ha nem lehet közvetlenül rácsatlakoztatni? Egy 1:1-es trafón keresztül?
Egyébként ha az ellenállásokra kötöm a mérőfejet, akkor nincs gond. Szépen mutatja a színusz görbét. Csak a Zeneren nem tudok mérni.
Helló!
1, kérdésem: LED-ek hogy bírják a feszültség ingadozást? 2, kérdésem: Van itt olyan aki profi az elektronikába és ért a régi motorokhoz (Simson) és e-mailen keresztül tudna nekem segíteni pár dologban? Köszi előre is!
Úgy lesz. Mindenesetre építek mellé egy hardveres "szimulátort".
Szia!
Úgy értetted, hogy a LED-en átfolyó áram ingadozását hogyan tolerálja egy LED? A másik kérdés: Itt vagy a fórumban kérdezünk és válaszolunk vagy privát üzenetváltást szoktunk folytatni, nem e-mailezést.
Igen úgy értettem. Jó nekem a privát üzenetváltás is.
A LED-nél egy fontos paramétert van, márpedig az, hogy folyamatos (nem impulzusszerű) üzemmódban ne lépjük át az adatlapban szereplő maximális áramértéket.
A régi motorokhoz nem értek Idézet: „A LED-et illik áramgenerátorral táplálni.” Na most ez így, ebben a formában nem igaz. Miért illene? Szerencsére egy LED viszonylag nagynak mondható áramtartományban képes fényt kibocsátani, persze nem azonos erősséggel.
A lényeg hogy ki tudjam kerülni még egy akkumulátor vételét is a motoromba. Csak egy szimpla indexet szeretnék építeni a feszültség szabályzót meg lehet kapni 2000ért és azt nem gondoltam megépíteni. Így töltő tekercsről menne az egész és az ugyebár eléggé ingadozik
Az akkumulátor sarkairól nem mehetne a LED? Már csak azért, mert a Simsonnál az index működtetéséhez akkumulátor kell, ha jól tudom.
Csak most jut eszembe hogy szeretnék rá hőfok mérőt is hengerhez és elektromos fordulatszám mérőt. Úgyhogy nem tudom kikerülni az akkumulátort. Ezért keresek motoros embert aki segítene egy ilyen "műszerfalban".
Talán tudok segíteni ezzel az oldallal, ahol Simsonos vezetékezési rajzok vannak, akksis és anéküli változatban.
Heló. 2sc4977 tranzisztornak keresem a lábkiosztását. Ahány katalógust eddig megnéztem mindegyikbe csak az adatai voltak táblázatba, de a lábkiosztás sehol
Köszönöm.
Akkor elvileg kompatibilis a 13007-el. Az is BCE
Sziasztok!
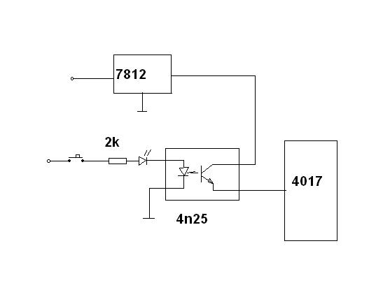
Következő kapcsolás jó? 4017-es IC-n a léptetés működne?
Szia! Én tennék egy ellenállást és egy kondit a test és az opto kimenete és a 4017 bemenete közé..
Milyen értékűre gondoltál,miből mekkora?
párhuzamosan kötve vagy sorba?
Úgy képzeltem el , hogy megnyomom a gombot és léptet egyet. Kb. fél sec -sec.
Én pedig így módosítanám.
|
Bejelentkezés
Hirdetés |














