Fórum témák
» Több friss téma |
Fórum » Feszültség stabilizálása kb 70-100 V-ról
Témaindító: gege_01, idő: Szept 15, 2007
Témakörök:
Sziasztok, lehet elég láma vagyok, de nem találtam konkrétan ilyen topicok, illetve ha van bocsi!
Szóval nekem kellene egy olyan feszültség stabilizátor, ami 70-100 váltó(vagy egyen mindegy)áramból csinál 14 voltot. Sajna nem találtam normális kapcsolást, és nem vagyok túl penge elektróból. Találtam egy hasonló kapcsolást, de ott max 34 volt lehet a bemenet. A képet csatoltam. Az lenne a kérdésem hogy át lehet ezt a kapcsolást alakítani úgy hogy 70-100 volt is mehessen rá? Vagy valaki tud valamilyen kapcsolást mutatni? Előre is köszike
fontos lenne tudni, hogy mihez lesz, vagy mekkora áramerősségre lesz szükséged!
Akku lenne töltve vele, max 10-15 amper.
háááát ez elég kemény ekkora áramerősségnél.
Annyira nem értek hozzá, de leirom, hogy mit gondolok, hozzáértők javitsanak! A kapcsolás amit feltettél szerintem nem jó. 100 volt - 14 volt = 86 volt és max 15 amper azaz 86 x 15 = 1290 watt amit el kellene disszipálnia a tranyónak. ez szinte lehetetlen, illetve lehetséges, de akkor ez egy hősugárzó lesz.... Ha nincs más lehetőség és tényleg a 70-100 voltból kell 14 voltot csinálni akkor valami kapcsolóüzemű feszültség átalakító kellene ha ez egyenfeszültség. kapcsolóüzemű feszátalakitónak esetleg régi ATX tápot használhatsz, mégpedig olyat, ami átkapcsolható 110 voltra. Ha nagy szerencséd van akkor ez elmegy talán 70 volttal is és lead 5, 12 voltot, amit esetleg kis hekkeléssel megemelhetsz 14 voltra. Ha váltóáram akkor sima transzformátorral előbb letranszformálni mondjuk 18 voltra és abból már lehet azzal a kapcsolással boldogulni, amit feltettél.
A feszültség lejebb is eshet mint 70 volt, igy a kapcsoló üzemű tápot szerintem elfelejthetem...
Azért köszi amit írtál. Amúgy nem trafóról menne a dolog, hanem generátorról. De hátha lesz valakinek valami ötlete
Nincs a generátorrol fotód?
Van gerjesztőtekercse? Azzal is lehetne variálni valamit.
Ha átszámoljuk, a leendő felmerülő költségeket, a generátor strukturáját nem ismerve, gondolkodni lehetne a generátor áttekercselésén alacsonyabb feszültségre.
A 70-100V milyen generátor? szél ? vagy gépjármű? Elméleti példa a kapcsoló üzemü, feszültség "változtatásról". Bővebben: Link
Kérdés: a generátort lehet-e ( szabad-e ) szabályozni, ekkor mennyi a min. feszültség, ahol leadja a neked megfelelő ampert?
Ha más nem lenne rajta, akkor már megoldható a téma viszonylag könnyen. Kapcsüzemű szabályzó bírja egyébként azt a bemenő feszváltozást is, csak a maxra kell méretezni a cuccot. Ha váltó jön le, akkor frekitől is függ egy esetleges trafó beiktatása. Ami rajzot feltettél, az még 14-15 volt feszültségnél sem oké, mert a 10-15 amper is sok 1 tranyónak és nem raktál be áramszabályzási lehetőséget.
Ez egy motornak a generátora lenne, nem tudom van-e benne gerjesztő tekercs... majd utána járok
Nem pontosan ugyanigy gondoltam azt a rajzot amit csatoltam, nyilván nagyobb áramerőségre erősebb tranyót, vagy többet használnék.
Nincs gerjesztő tekercs, egy állandó mágnes forog a tekercsek előtt, fordulatszám függő a kiadott enrgia, és váltó áramot ad.
A generátorba nem lehet belenyúlni a fix építés miatt. Esetleg lehetne-e tirisztoros megoldással? (Terheletlen 70-100 voltot is ad a generátor váltóáramban magas fordulatszámlán)
Tényleg, ez egy fontos dolog, hogy terheletlenül adja le a 70-100 voltot, mert terheléssel az is lehet, hogy csak 48 vagy még kissebb feszültség jön ki belőle.
Amúgy elég vastagnak látod a kivezetéseit? fogja vajon a 10 15 ampert bírni? Milyen műszerrel mértél 70-100 voltot? digitálissal? azok csalókák lehetnek, főleg ha váltakozó feszültséget mérsz vele, ami nem 50 hz. Próbálj meg rá kötni valami terhelést és úgy megmérni a feszültséget és áramerősséget. Vagy neten (ha van valami száma vagy jelzése) keress róla infót, hogy vajon mit tud a gép. Esetleg tényleg feltehetnél valami fotót, mert lehet, hogy valaki már találkozott pont ilyen géppel. Terhelésnek akár egy rendes 220volt/12 voltos trafót vagy sima 220 as 60 wattos izzót rátehetsz szerintem. Valószínüleg nem terheli túl, mert 70 voltnál kissebb lesz az áramerősség, de valamit talán már lehet majd látni, hogy mennyit csökken a feszültség.
Tehát ez egy suzuki 250GSX motor lenne, kiment benne a töltésszabályzó, és erre gondoltam hogy lehetne-e szabályozást csinálni hozzá...
10-15 ampert fog bírni, a moci könyve alapján, ott azt írja 70 volt terheletlen a feszkó, mi 100 körül is mértünk mikor jól kipörgettük(digitális műszerrel). 14 voltra kellene szabályozni. Terheléssel tuti alacsonyabb feszültség jön ki, volt benne valahol rövidzár, így kb. 30 volt körül mértünk. Idézet: „Tehát ez egy suzuki 250GSX motor lenne, kiment benne a töltésszabályzó,” Akkor azt kell megjavítani!!!
Tehát eddig is ezen generátor töltötte ezen aksit, és a tönkrement szabályzót akarod pótolni..
Inkább vegyél egy másik szabályzót, és cseréld ki.. Ne keljen félinformációkból új dolgot feltalálnunk/terveznünk..
jaja igazad van!
Ha már ott a töltés szabályzója akkor sokkal könnyebb a helyzet! Bele kell nézni, aztán szépen megkeresni a hibát.
hi
megnéztem a neten ezt a mocit, hmm... szerintem rendelj hozzá egy új fesszabályzót ha nem túl drága, ha meg drága akkor is. Ahogy a japánokat ismerem az elektronika ki van öntve, + tele van nem szabványos cuccal, ha ennek ellenére meg tudod csinálni, akkor le a kalappal üdv
Köszönöm a nyilvánvaló ötletet, de nem tudom szétszedni a szabályzót, mivel ki van öntve műgyantával... Próbálkozni lehet, de szerintem felesleg, sérülés mentesen nem fogom tudni szétszedni, így nem is állok bele szétfejtegetni.
Reménykedem hogy nem kell megvenni a cucclit, mivel nemegy olcsó dolog, és reméltem hátha van ötletetek hogyan helyettesíthetem, illetve csinálhatnék másik szabályzót...
Ja és tényleg bocsi, hogy az elején nem fogalmaztam világosan
Köszi, igazad van japánok...
Megjavítására nem látok esélyt... Szóval ezért kéne valami kapcsolás amivel olcsóbban meg lehet úszni a dolgot.
Szélgenerátort is csinálnak hasonló generátorral, azért gondolom hogy valszínű van rá megoldás, csak kellene valami ötlet, vagy rajz (leginkább rajz
).
Hali!
Nem ismerem az ilyen szabályzókat, de a generátor állandó mágneses jellegéből adódóan nem nagyban térhet el pl. egy Simson elektromos rendszerétől. Ha csak a töltés részét nézem, akkor van egy tekercs, ami túl nagy feszültséget ad le, és nekem ezt kell korlátozni. Oda akarok kilyukadni, hogy milyen is tulajdonképpen ez a szabályzó? Milyen kivezetések, és hány db van rajta? Ha csak annyi a dolga, hogy korlátozza a feszültséget, hogy ne töltődjön túl az akksi (tehát van egy AC vagy DC bemenete, egy DC kimenete, és a test), akkor asszem lenne egy megoldásom, amit még Mex ajánlott régebben, mivel állítólag ez robogókban bevált, gyári kapcsolás. Annyi módosítás kellene rá, hogy nagyobb áramot bíró tirisztort kell használni. Erre gondolok. Ha nagyon félreértettem az eddig társalgást, akkor bocsi, csak írásban gondolkozom...
üdv:,)
milyen generátor van ezen a mocin? állandó mágneses, vagy gerjesztőtekercses?
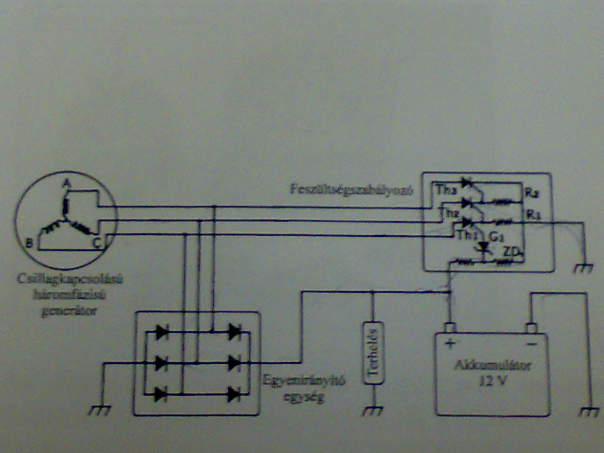
Szevasz. Olyan lényeges dolgot nem emlitettél mint pl:a generátor három fázisú (vagy tévednék)? Ilyen tipusú szabályzót valóban nehéz késziteni. A működési elve azon alapul hogy az éppen aktuális fázist tirisztorral ha a a töltöfeszültség meghaladja a 14V értéket rövidrezárja,gyakorlatilag legerjeszti. Ez komoly melegedéssel jár együtt,a gyári szabályzók üzem közben 60-80 fokon vannak. Ha van türelmed akkor az alu tokozás szétvágása után óvatosan (morzsánként) meg lehet tisztitani a vezérlőpanelt,ami általában egy kerámialapon kivitelezett hibrid ák. A lap körül szilikonos védőbevonat található,ha sikerül törés nélkül kiszabaditani,akkor a kapcsolás visszarajzolható. A teljesitményeszközök (3db tirisztor+6db dióda) nem diszkrét tokozásúak,hanem a három fázishoz egy egy vastagabb rézlemezhordozón kialakitva csatlakoznak. Természetesen ezek szigeteltek az alu toktól,és egymástól is. Diódák és tirisztorok helyettesitésére semmiféleképp ne használj ún.50Hz-s tipusokat. Maga a szabályzó elektronikája nem tartalmaz semmi különleges ,egzotikus alkatrészt,tehát utángyártható.
ez igaz ha gerjesztőtekercses...de lehet szerencséje lesz, és csak egy greatz hid van...azt meg mégkönnyebb utángyártani
Biztos hogy háromfázisú és állandómágneses gerjesztésű. Hasonló kerámiapanelt talál benne mint a csatolmányba.
no itt az állandómegnesű..delta meg csillag kapcs
|
Bejelentkezés
Hirdetés |








