Fórum témák
» Több friss téma |
Mielőtt kérdezel, a következő két dolgot ellenőrizd!
I. A helyes tápfeszültségek megléte.
II. A kimeneten van-e egyenfeszültség.
Élesztés.
Az előerősítők stabil 13,47V-ot kapnak. A 4-es és 7-es lábon megkapom ezt az értéket. A 2-es 3-as és 6-os lábon 10,47 voltot mértem.
Sziasztok,
EZ az erősítő 4 vagy 8 omhos hangszórót tud működtetni? Van egy sal bxc 2520-am. Meg lehet oldani, hogy együttműködjenek? Köszönöm,
Az IC jó. Az R2, R3 ellenállásoknak egyforma értékűeknek kellene lenni, de valamiért nem azok. Ettől még éppen működhetne. A forrasztóón nincs valahol összefolyva?
A forrasztó ón nincs összefolyva. Az előerősítők, mint írtam, egymagukba működnek, csak a végfokokkal nem. Nem jutok dűlőre velük, nem értem mi lehet a hiba
![]() Egy egyszerű régebbi számítógép hangszóróból nem lehet előerősítőt csinálni? Mert már régebben gondolkodtam ezen, mivel tudnak körülbelül 2x2W-ot és az pont jó lenne előerősítőnek.
helló mindenkinek!
vki segitsen van egy hifim stk 4221ii végfok ez 2x80w ad le és ahogy itt olvasgattam láttam olyant hogy lehet nővelni az áramfeszültséget és ezzel a teljesitményt vki tudd az irjon http://pdf1.alldatasheet.com/datasheet-pdf/view/41606/SANYO/STK4221II.html
Szerintem a meglévőnél nagyobb feszültségről ne járasd az ic-t. Főleg ha hifiben van az ic, szerintem elég körülményes lenne egy trafó csere.
A PC hangosító nagyon zajos erre a feladatra.
A forrasztóónra azért kérdeztem rá, mert úgy értettem, a maradék működés is kiszállt az előerősítőből A második előerősítőt kösd rá lépésenként és figyeld melyik az a mitől az egy működő elhallgat. Test, kimenet, bemenet, pozitív táp. Ha meg lesz a négy lépés közül melyik a ludas, könnyen el lehet hárítani a hibát. Nagyon egyszerű szerkezet ez, fel ne add!
sziasztok. ki hallot 4 tekercses hangszóról? amit 4 csatornás végfokkal lehet hajtani.
Szia! két tekercsesről hallottam már,de 4 tekercsesről még nem.Lehet hogy van ?nem tudom.
létezik haverral megcsináltuk. 4 x 2 ohm 200w tiszta teljesítmény
Mióta van egy hangszórónak teljesítménye?
![]() Fényképet (jó minőségűt) kérünk a hangszóróról, természetesen a mai napi dátumos újságra téve.
Arra én is kíváncsi lennék..valaki a múltkor meg kJ-os nagyságrendű kutyapásztort csinált vagy csak szeretett volna nem tudom,mostanában elég sok feltaláló van itt.
Autós hangnyomira tervezett monstrumoknál nem ritka a négytekercses változat, a soundstream biztosan gyárt.
Itt is van: Bővebben: Link
De gondolom nem minden bokorba lehet találni!
Nem mindenki márkának van ilyen nyomója, de ha körbenéz az ember könnyen talál eladót (csak sok Forint egységet kell mozgósítani).
Heló, szinten:fórum társamnak:ilyen trafóra lenne szükséged.Üdv,Zsolt.
Hali!
Lehet nem a legjobb helyen kérdezem de hogy lehet megtudni hogy, jók e a tranzisztorok. 2SC4793 és 2SA1837 ki lehet ezeket mérni valahogy? van egy régebbi multiméterem azon van egy hFE állás PNP NPN lehetőségekkel de csak össze vissza irkál ki mindenféle értéket. Tud valaki segíteni mit hová kellene dugni meg milyen érték az ami helyes?
Szia! Tranzisztor~ 2dióda-BE, BC; ezek között dióda vizsgálattal megállapítható, hogy működőképes-e. Skori honlapját ajánlom figyelmesen tanulmányozni. :yes:
Köszönöm szépen! Nem fogom feladni!
Köszi, nagyon jó az oldal, hobbi szinten vagyok így elég sok érdekesség van rajta. Viszont az erősítőt ujra áram alá helyeztem, kimenetén semmi fesz. nincs, de 1x véletlen a bemenetet mértem meg, és ha megérintem a bemenetet a multiméter bármelyik vezetékével akkor a T5 tranzisztor halkan ugy zúg mint az erősítőt hajtó trafó. De ha leteszem a lábam a beton padlóra akkor még jobban zúg a tranzisztor. A kapcsolás alapján érdemes kimérni valamit ugy hogy áram alatt van? még nem kötöttem rá se hangszórót se bemeneti jelet.
Szia! Nagyon kíváncsi vagyok a tapasztalataidra. Ez egy elvileg működő kapcsolás, de IRFP240/9240 -nel nem sikerült megszólaltatni itt egy fórumtársnak.
Szia ez nem a Baji elektronika terméke?
De az. Figyelmetlenségből zárlatosak lettek a fetek a hűtésnél, aztán most próbálkozok.
"De lehet belecinelem a háromnyócvanat legalább addig szóljon még a kondik durranak, a trafóról meg leflexelem a rezet amiből veszek 2 gombóc fagyit."
Igen a szigetelésnél figyelni kell nagyon.Megértelek én is barátkozom az elektronikával,nem könnyű.A baji elektronika 1000ft pluszért éleszti szereli a panelt egyszer megkérdeztem.De ne csüggedj ha a fet kiment 300ft körül van egy próbát megér még.Hajrá
Talán írják is hogy vigyázzunk,a szerelésnél.
Méregettem alkatrészeket a feteket kicseréltem még 2 ellenállás és 2 dióda roppant el. Kicsréltem mindent és áram alatt 0V van a kimeneten. De nem tudom hogy ez elég e. Mit kell még mérni rajta.
Bemenet van rajta? ha nincs akkor 0 a kimenet.Pedig kíváncsi vagyok a hangjára,nekem is fetes végem van és szeretem a hangját.Nekem urbán féle 300w os,16db fettel
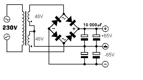
Bemenet nélkül 0V. Van egy képem a táp részről. Nem kell még ebbe valami alkatrész? vagy ennyi kondi kellőképp megszűri a dolgokat?
|
Bejelentkezés
Hirdetés |















