Fórum témák

» Több friss téma
Fórum » Audio szimmetrizáló / aszimmetrizáló
Lapozás: OK   1 / 2
(#) Gránátalma hozzászólása Jún 2, 2012 /
 
Sziasztok!
Azért nyitom ezt a témát, mert a hangtechnikához szorosan kötődő instrumentális (azaz mérő) erősítővel kapcsolatban nem sok mindent találtam itt a fórumon.

Aszimmetrikus PC, illetve CD lejátszó jeleket szeretnék szimmetrizálni transzformátor nélkül. Ehhez lenne szükségem jól működő, bevált instrumentális erősítő kapcsolásra esetleg tippekre,trükkökre ezzel kapcsolatban.
(#) (Felhasználó 1947) válasza Gránátalma hozzászólására (») Jún 2, 2012 /
 
Szia !

A Texas Instruments oldalán profi irodalmak vannak a témában.
Angoltudás nem árt
Pl:

Bővebben: Link

De részletesen is kereshetsz a dokumentumok között.
(#) (Felhasználó 1947) válasza Gránátalma hozzászólására (») Jún 2, 2012 /
 
Vagy ez:
(#) (Felhasználó 1947) válasza (Felhasználó 1947) hozzászólására (») Jún 2, 2012 /
 
Sajnos valamit elszúrtam módositásor, igy leirom újra:
Jó lenne tudni hogy milyen eszközt szeretnél használni a feladatra, de valószínűnek tartom az IC.t.
Ez esetben konkrét típus is kellene ,és az adatlap átnyálazása után már lehetne haladni a megoldás, és az áramkör tervezése,elkészítése felé.
A Texas INA sorozatát tudom ajánlani a célra , (Pl:INA166, INA217) vagy az Analog Devices SSM sorozatából valamit.
Ezek profi áramkörök, direkt az adott célra, és részletekbe menő adatlapokat tudsz hozzá letölteni.
A gyártók oldalain minden elérhető, amit tudni szeretnél.
(#) Gránátalma hozzászólása Jún 2, 2012 /
 
Idézet:
„Aszimmetrikus PC, illetve CD lejátszó jeleket szeretnék szimmetrizálni transzformátor nélkül.”


Kezdek kételkedni benne, hogy jó helyen tettem fel a kérdésem...

@Luki:
Texas-os IC sem rossz megoldás, de elsősorban az OPA2134-es műveletire gondoltam építkezni. Minősége elég jó, ára ahhoz képest annyira nem sok.
(#) pucuka válasza (Felhasználó 1947) hozzászólására (») Jún 2, 2012 /
 
Meglehet hogy szimmetrikus lesz a bemenet, de nem földfüggetlen. Ettől kezdve műszer bemenetnek nem túl alkalmas, és nincs is sok értelme egy eleve asszimetrikus jel vizsgálatánál. Értelme van szimmetrikus jeleknél, de ez nem jellemző a felsorolt jelforrások egyikére sem.
(#) (Felhasználó 1947) válasza Gránátalma hozzászólására (») Jún 2, 2012 /
 
Jó választás, de a legegyszerűbben trafóval lehetne megoldani.
(#) (Felhasználó 1947) válasza pucuka hozzászólására (») Jún 2, 2012 /
 
Szerintem,(aztán ha nincs igazam, majd kijavít a topikindító kolléga)
az lenne a feladat, hogy asszimetrikus kimenetű eszközt (RCA) kellene szimmetrikus (XLR) bemenetre illeszteni.
(Stúdiótechnika?)
Ha a teljes földfüggetlen jelelválasztás a cél, akkor egyértelműen trafó.
Ha csak az illesztés, akkor bőven jó az IC-s megoldás.
De ez csak a konkrétumok után derül ki, addig csak találgatok, több feltételezésbe nem mennék bele.
(#) pucuka válasza (Felhasználó 1947) hozzászólására (») Jún 2, 2012 /
 
Inkább fordítva XLR (szimmetrikus) --> RCA (asszimetrikus)
Lehet hangszer erősítő is pl. gitár, mikrofon, vagy hasonlók, ezeknél használnak szimmetrikus jelforrást, de ez nem az az eset amiről az eredeti feltevés szólt.
(#) Gránátalma válasza (Felhasználó 1947) hozzászólására (») Jún 2, 2012 /
 
Pontosan ez a cél.

Elsősorban nem a teljes függetlenítés a cél MOST. Egyelőre csak az illesztés a lényeg. Ezért kellene IC-s szimmetrizáló és aszimmetrizáló kapcsolás. 1:1-es átvitellel. 45-50kHz-es elsőfokú törésponttal.
(#) (Felhasználó 1947) válasza pucuka hozzászólására (») Jún 2, 2012 /
 
Idézet:
„Inkább fordítva XLR (szimmetrikus) --> RCA (asszimetrikus)”

Inkább forditva:
Idézet:
„Aszimmetrikus PC, illetve CD lejátszó jeleket szeretnék szimmetrizálni transzformátor nélkül.”

Szerintem ezt csak egyféleképp lehet értelmezni.
(#) Gránátalma hozzászólása Jún 2, 2012 /
 
Bővebben: Link

Csak hogy ne menjek messzire. Itt van ő.
Szimmetrizáló áramkör. Annyi vele a baj, hogy átlátszik az egész.
Ezért kellene az elejére egy instrumentális erősítő, hogy utána anak a kimenetével meg lehessen hajtani egy invertáló fokozatot, ami előllítja a kimeneti fázisfordított jelet.
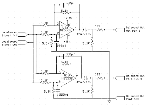
(#) Cavalier válasza Gránátalma hozzászólására (») Jún 2, 2012 /
 
Csatolok egy képet, sima műveleti erősítős megoldás, illetve egy PDF-et, ami egy cél-IC pont erre a feladatra.
(#) pucuka válasza Gránátalma hozzászólására (») Jún 2, 2012 /
 
Abszolute nem volt egyértelmű a leírásod. Az instrumentális a szótár szerint egyértelműen hangszerest jelent, és nem mérőerősítőt. A teljes függetlenítést sem oldja meg ez az áramkör, azt csak trafóval lehet megoldani. A trafó átviteli sávszélessége csak tervezés, és anyagválasztás kérdése. Ha nem fontos a teljes függetlenítés, akkor az asszimetrikus - szimmetrikus átalakítást egy differenciál erősítővel megoldhatod.
(#) (Felhasználó 1947) válasza Cavalier hozzászólására (») Jún 2, 2012 /
 
Tökéletes.Ez a megoldás.
Én pont az SSM2142-őn agyaltam, de ez jobb,és talán az ic is könnyebben beszerezhető.

Bővebben: Link
(#) Gránátalma válasza (Felhasználó 13571) hozzászólására (») Jún 2, 2012 /
 
Pontosítok:
MÉRŐERŐSÍTŐ kapcsolásokat szeretnék, lehetőleg kipróbált, működő változatokat, mert rengeteg fölösleges anyagi ráfordítás nélkül kellene működő dolgot produkálni.
És mindez azért kell ,mert az itt egyszer megjelent cikk tartalma,( ami egyébként egy működő szimmetrizáló áramkör) sajnos átlátszik. Ahová ezek az eszközök mennek majd ott nem szabad, hogy befolyásolja a jelforrás a kimenetet és fordítva. Ezért mérőerősítő lesz a bemenete.
(#) (Felhasználó 1947) válasza pucuka hozzászólására (») Jún 2, 2012 /
 
Látod, mennyire másképp gondolkodunk?
Nekem egyből a műszererősitő ugrott be, igaz én nem a szótár szerint elektronikázok
De "Cavalier " megoldása feleslegessé teszi a további vitát a szavakon.
(#) Gránátalma válasza Cavalier hozzászólására (») Jún 2, 2012 /
 
Ezzel a kapcsolással megint csak az a baj, amit az általam linkelt HE-s cikkben is láthatunk.
Az invertáló bemenetre épül minden bemeneti oldalról, tehát oda érkezik meg az aszimmetrikus jel.
Ez meg azért rossz, mert a visszacsatoló passzív alkatelemek szépen átláthatóvá teszik az egész bemeneti fokozatot a kimenet felől.
(#) pucuka válasza (Felhasználó 1947) hozzászólására (») Jún 2, 2012 /
 
Érdekes, nekem eszembe sem jutott az instrumentális szó a mérőerősítővel kapcsolatban. Egyszerűen szimmetrikus kimenetű mérőerősítő, bár elképzelni nem tudom, hogy mire jó, többnyire a bemenetnek kell szimmetrikusnak lennie, pl. híderősítő.
(#) pucuka válasza Gránátalma hozzászólására (») Jún 2, 2012 /
 
Ha szimmetrikus kimenőjelre van szükséged, építs egy differenciál erősítőt 2 tranzisztorból, és öt ellenállásból, és kész. Esetleg van ilyen egyszerűbb integrált áramkör is. pl. uA733
(#) (Felhasználó 1947) válasza Gránátalma hozzászólására (») Jún 2, 2012 /
 
Szerintem épitsd meg,és teszteld le mennyire működőképes.
De ha profi megoldás kell, még mindig a trafó mellett teszem le a voksom.
IC-vel másképp nem nagyon lehet megoldani, a pucuka által ajánlott tranzisztoros megoldással ugyanaz a helyzet, habár a rajzot még nem láttam hogy oldaná meg konkrétan.
(#) (Felhasználó 1947) válasza pucuka hozzászólására (») Jún 2, 2012 /
 
Audióra a uA733 kicsit már oldscool.(Zajos)
(#) vilmosd hozzászólása Jún 2, 2012 /
 
Szerintem ha a Dibox-ra rakeres valaki talal egy par tipust, kapcsolast mert a studiotechnikaban, szinpadi technikaban egy igen elterjedt eszkoz. Egy par talalat.Egy konkret megoldas.
(#) pucuka válasza (Felhasználó 1947) hozzászólására (») Jún 2, 2012 /
 
Biztos van korszerűbb is, de kapásból ez jutott eszembe. Egy szimpla differenciál erősítő nem egy bonyolult kapcsolás. A szimmetrikus bemenetek egyikét hidegíteni kell, (ahogy a műveleti erősítők bemeneti differenciál erősítőjét is) a kollektorok között ott a szimmetrikus jel.
(#) Action2K válasza Gránátalma hozzászólására (») Jún 2, 2012 /
 
Szia!
A pontosításod ellenére sem értem mit szeretnél.
1. Mérő erősítőt? Akkor miért az 1:1-es áttétel? Azt leválasztónak, azaz Dibox-nak hívjuk, ahogy Vili (remélem hívhatlak így?) is írja.
2. Aszimmetrikus - szimmetrikus átalakítót? De az meg nem mérőerősítő, sőt, pláne nem instrumentális erősítő.

Szóval: Az a baj, hogy nagyon sok fogalmat keversz, vagy nem jól használsz, s ezért is nem tudják sokan, hogy mit is szeretnél.

1. Instrumentális erősítő:
Más néven műszer erősítő (nem "mérő"), egy különbségképző (differencia) erősítő, nagy bemeneti ellenállással (FET bemenet). A kimeneti feszültség a két bemeneti feszültség (két jelforrás) különbségével arányos. Ez nem szimmetrikus - aszimmetrikus átalakító, hanem két független jel különbségét jelzi (méri). Ilyen pl. a torzításmérő is.

2. Mérő erősítő:
A mérőerősítő funkciói közé tartozik a bemenetek galvanikus leválasztása (opció), a bemenetek csatolása (AC, DC) és a jel olyan mértékű erősítése/osztása, hogy a kimenetén levő jel a további feldolgozóegységek jeltartományait minél jobban kihasználja, de ne lépje túl. Ehhez nemcsak a bemenő jel megfelelő szorzása és osztása tartozik, hanem az esetleges nem szimmetrikus jelek offszettel való eltolása is. Azaz, nem szimmetrizáció, hanem pl. a +6V - +10V közötti jelek eltolása 0V - +4V volt közé, vagy -2V - +2V közé.

3. "Annyi vele a baj, hogy átlátszik az egész."
Nem tudom, hogy mit értesz ezalatt, de én az áthallásra tudok csak asszociálni.

4. "Ahová ezek az eszközök mennek majd ott nem szabad, hogy befolyásolja a jelforrás a kimenetet és fordítva."
Ezt sem értem, hogy hogyan gondolod. Ha a jelforrás változó jele nem befolyásolná az őt követő egység kimenetét, akkor annak a kimenete egy statikus (ofszet) jel lenne, magyarul csönd.
(#) pucuka hozzászólása Jún 3, 2012 / 1
 
Elnézést, revideálnom kell magamat. (és bocs a kis nyelvészkedésért).
Az instrument latin eredetű szó, eredetileg eszközt jelent, az angolban kifejezetten hangszert.
Nagyon fontos lenne az idegen szavak használatának kerülése, pláne ha nem tiszta, hogy mit jelent. Ebből vannak a félreértések.
Le kellene írni szép ékes magyar nyelven (amit csak lehet) hogy mit is szeretnénk. Idegen szavakat csak akkor használni, ha nincs magyar megfelelője, és a magyar nyelvi környezetben elfogadott a használata, és egyértelmű.
(#) V.Cs. válasza pucuka hozzászólására (») Jún 3, 2012 /
 
Nem csak trafóval oldható meg a leválasztás...
Optikailag is megoldható!
(#) (Felhasználó 1947) válasza V.Cs. hozzászólására (») Jún 5, 2012 /
 
Konkrétan hogyan gondoltad?Optocsatolóval?
Mellékelnél egy rajzot?
(#) Action2K válasza (Felhasználó 1947) hozzászólására (») Jún 5, 2012 /
 
Igen, van is saját topikja: Link
De még mindig nem tudjuk, hogy mit is szeretne a kérdező. Így válaszolni sem tudunk, illetve a topikot sem tudom áttenni a megfelelő helyre.
(#) sny válasza (Felhasználó 1947) hozzászólására (») Jún 19, 2012 /
 
Szia! Sőt, még LDR-rel is megoldható..
Csak a minősége kétes...
Trafóval jobb eredményeket lehet elérni, de természetesen a pénztárcát rendesen ki kell nyitni hozzá.
Következő: »»   1 / 2
Bejelentkezés

Belépés

Hirdetés
XDT.hu
Az oldalon sütiket használunk a helyes működéshez. Bővebb információt az adatvédelmi szabályzatban olvashatsz. Megértettem