Fórum témák
» Több friss téma |
- Ez a felület kizárólag, az elektronikában kezdők kérdéseinek van fenntartva és nem elfelejtve, hogy hobbielektronika a fórumunk!
- Ami tehát azt jelenti, hogy a nagymama bevásárlását nem itt beszéljük meg, ill. ez nem üzenőfal! - Kerülendő az olyan kérdés, amit egy másik meglévő (több mint 17000 van), témában kellene kitárgyalni! - És végül büntetés terhe mellett kerülendő az MSN és egyéb szleng, a magyar helyesírás mellőzése, beleértve a mondateleji nagybetűket is!
Hello!
Sok minden szóba került már, csak az nem, mekkora teljesítményt (v. áramot) szeretnél kivenni a -12V ból. üdv! proli007
Amit linkeltem tegnap megnézted? Tuti nem.. Mert ott le volt írva szépen, hogy melyik vezetéken milyen feszt lehet levenni.. próba cseresznye ismét belinkelem háta most megnézed..
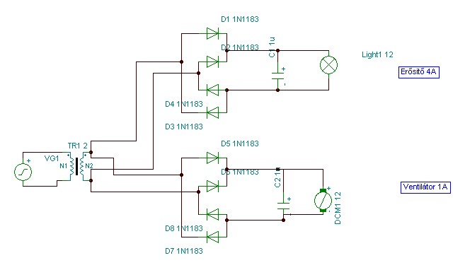
Ide kell kattintani köszönöm
10000uf 40v kondi van elő írva egy rajzaba de én csak 10000uf 35v és 10000uf 50v sat találtam
melyik lenne a megfelelő ?
Hello!
Mindig a magasabb feszültségű. De ez attól is függ, hogy mekkora az egyenirányított feszültség. Annál a kondinak nagyobb feszültségűnek kell lenni.. üdv! proli007
Abból nem lesz 2x12 voltod, de Zoli bácsitól lassan kapsz te is piros háromszöget.
1000 ft-ért már vehetsz magadnak olcsó dugasztápot.
Azok szoktak tudni több féle fajta feszültésget. Csak keresni kell egy kicsit.((Elektroart BT,Hestore,Lomex,SOSelectronik))
Köszönöm a sok segítséget amugy nemtudom mekkora terhelést vesz fel az alaplap,mert ez egy Pesten ház bontása közben talált dobozos alaplap mai minden írás szerint egy játékgép alaplapja volt,és ezt szeretném elindítani.
Üdv!
Miért írják a teljesítményt néhol úgy hogy pl: 2VA ? Ez mit jelent? Ez a Watt -ot akarja jelenteni? Ha igen akkor miért nem úgy írják?
Üdv! A hatásos teljesítményt jelölik watt-ban. A teljesítmény ladásakor veszteségek is keletkeznek, melyet meddő teljesítménynek nevezünk. A kettő együtt a látszólagos teljesítményt, ezt jelöli a VA. Ez a probléma váltakozó áramú körben lép fel mely kapacitív és/vagy induktív elemet tartalmaz.
Dehogynem. Csak tudni kell, hogy az átalakítás veszteséggel jár, ezért nem lesz annyira terhelhető, mint eredetileg lett volna.
Ezen kívül még nagyon sokféle eljárással lehet 2*12V-ot csinálni, ha megelégszünk a kisebb kivehető teljesítménnyel. (fesz. többszöröző, DC-DC konverter, stb.)
Más célra kell, egy teljesen külső eszközt akarok összekötni optikailag egy áramkörrel.
(vagyis a másik eszközzel csak fényt tudok leadni és azt össze kell szednem)
Hello!
Szeretném a segítségeteket kérni. Olvasgattam és utána néztem, hogyan tudnék LPT portot 'kapcsolgat'. Az lenne a gondom, hogy LPT porton szeretném kihasználni mint a 8 kimeneti csatornát, úgy hogy ezeket logikailag összekötni. Olvasgattam és egy demultiplexerre lenne szükségem. Az kérdés az, hogy létezik olyan amelynek 8 bemenete van és legalább 50 kimenetet tudok használni vele. Én sajnos csak 3-8 vagy 4 16 os találtam.
Nem túlbonyolítás. Ez volt a legolcsóbb megoldás, ezért került bele ez a megoldás...(konkrétan a panelt cseréltem, a kétállású nyomógombot rossz ups-ből bontottam, meg hasonlók
) A tápfeszt meg a pc 12V ágából nyerem...
Vettem egy ilyen alkatrészt (optocsatolót)
LTV 817 (PC 817) A bekötés rendben lesz, de az adatlapján nem igazodtam ki sajnos. Ha jól értelmezem akkor a Led-hez max 6V 50mA mehet? (9 V-al lenne jó használni )Kimenetnél pedig szintén csak 6V-ot bír le? (Oda tranyót akarok rakni, de ott is 9-12V-ot kellene kapcsolgatnia.)
Az a két 6V, az záróirányú, nem érdekes. Ha 9V-ról hajtod, akkor egy 390 ohm-mal sorbakötöd ( 20mA-t és 1,2v-ot kíván) és kész. De negatív impulzus a 9V-ról nem kerülhet rá, ha van ilyen kell még egy védő zéner (vagy schottky, vagy bármi) is!
Kapcsolni is lehet vele 12V-ot, de ott is óvni kell a visszarúgásoktól egy fordított diódával, ha relét, vagy motort kapcsolsz vele. Ha egy másik tranyót, akkor felesleges.
Közvetlen motort nem akartam vele, BD68x-es tranyó vagy FET jönne rá a kimeneti oldalon. Ha jól tudom ahhoz nem kell semmi extra alkatrész.
Mindjárt ki is próbálom.
8 bites demultiplexer nem létezik.
Shift regiszterek sorbakőtésével tudod megoldani. Az elv ugyan ez.
Bipoláris tranyó elé kell bázis ellenállás, a fetnek pedig kisütő, a GS közé. Bipoláris tranyónál fontos, hogy legyen elég áramod a meghajtáshoz, de ne terheld túl az opto kimenetét! (olyan tranyó kell, aminek elég nagy a bétája)
A FET-nél ez a kisütő micsoda? (még nem használtam csak most ismerkedem vele).
(Sikerült led-et kapcsolni két külön áramkörröl
Sziasztok!
Fürdőszoba felújítás előtt állok és arra gondoltam, hogy a csempék közé a fugába ledeket teszek. A kérdésem az, hogy a trafóhoz közelebb, valamint a távolabb eső ledek közötti kábel hossza befolyásolja-e a ledek fényerejét? Mit tanácsoltok? Alacsony feszültségű trafó és minden led külön körön ellenállással, vagy combosabb 12-16 V-os trafó 3-4 db leddel körönként? Melegedhet-e a kábel bármelyik megoldás esetén? előre is köszi
Üdv!
Mit jelent pontosan a galvanikus kapcsolódás / szétválasztás? Úgy sejtem hogy a vezetékek valós fizikai (fém a fémhez) kontaktusát, de nem vagyok benne teljesen biztos. A transzformátorok Primer és Szekunder tekercsei nincsenek is összekapcsolva, csak a Primer tekercsen átfolyó áram hatására létrejött mágneses mező gerjeszt feszültséget a szekunder tekercsbe? Ez pontosan mitől függ hogy mekkora lesz a feszültség? Ezt csak váltóárammal lehet megcsinálni? ...és az így létrejött feszültség váltóáram marad amit utána egyenirányítani kell? Előre is köszönöm a segítséget!
Sziasztok!
Lenne egy kérdésem egy trafórol 2 dióda hidat használhatok?
Hello!
Nincs itt semmi gond. Pld. db. 4/16-ossal az alsó négy bitet demultiplexálod. A felső négy bitet egy ötödikkel. Majd a felső DMPX egy-egy kimenetével engedélyezed, hogy melyik alsó dekódoljon. Ez már is 4x16=64 kimenet. üdv! proli007
Hello!
Ha nem sűrűn kapcsolod a Fet-et (nem PWM) akkor elég egy ellenállás a GS-közé. Ha gyorsan, akkor meghajtó fokozat kell. Sebességtől és Fet-től függően pld. egy 555 vagy egy Fet-driver cél IC. üdv! proli007 |
Bejelentkezés
Hirdetés |




üdv! proli007 
A tápfeszt meg a pc 12V ágából nyerem... 





