Fórum témák
» Több friss téma |
Van egy öreg csónakmotorom (Tümmler), melyen található egy dugalj, a leírás szerint 6V/20 W jön ki rajta, méghozzá AC!
Hogyan lehet a legegyszerúbben 12 V-os DC kimenetet csinálni ebből, hogy pl. szivargyújtó-aljzattal különféle eszközök (telefon stb.) töltésére használhatnám?
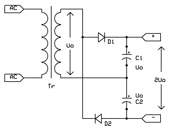
Pl. feszültség kétszerező egyenirányítással.
Delon hídnak is hívják. Én pl. a csöves fejhallgató erősítőm tápját csináltam ezzel a módszerrel. Egyszerű, és üzembiztos. A kondik mindenképp nagy kapacitásúak legyenek. 10000uF. A diódák pl. 1N5108.
Mielőtt komolyabban építkeznél, teszteld le a telefontöltőket, működnek-e az egyenirányított és szűrt 6V feszültséggel. Fontos, hogy Schottky diódát használj, mint például az 1N5819.
Sziasztok! Adott egy 14,5 V 220 mA-es adapter,ami egy akkus csavarbehajtó akksiját töltötte,de leégett. A kérdésem az lenne,kicserélhetem e egy 15 V 500 mA -es adapterre ami szintén egy csavarbehajtójé volt?
Ezek a világítótekercsek (mert ez a rendes nevük,) terheletlenül 40-50 V -ot is leadhatnak, tehát az a "6V" csakis a 20W -os terhelésnél igaz! Ezért pld. nem is szabad 20W -nál kisebb terheléssel 6V -os izzót rákapcsolni, mert kiég.
Tehát nem növelned kell a feszültséget, hanem korlátozni, hogy a töltő nehogy tönkremenjen.
A tümler csónakmotor az S50 simson főtengelyét, csapágyait és gyújtását használja, ezért van rajta plusz kimenet is. 3 tekercsnek kell lennie a gyújtás alaplapján, abból csak egy felel a gyújtásért, a maradék kettőt lehet használni másra. Egyébként ha jól emlékszem lehet kapni hozzá 12v tekercset is. Sőt, még akár akku töltésre is lehet használni, mint az s50b simsonokban. Persze ahoz kell a töltő egység is.
Cserélje ki a 6V -os tekercset 12V -osra, és korlátozza a duplájára nőtt, amúgy is nagyobb feszültséget???
Egy telefontöltő nem fog 20W terhelést adni, annak a kis motornak pedig kár lenne mű terhelést adni azért, hogy ne menjen fel a fesz 30-40 V -ig. Így sem egyszerű kordában tartani ezeket a tekercseket, mert ha stab IC -t teszel oda, akkor fűt mint a bolond, eldurran, amikor gázt adsz, alapjáraton pedig nem ad feszültséget, mert az IC megeszik 3V -ot. Én csináltam valaha egy thiris kapcsüzemű feszszabályzót, de az akksi nélkül nem működik.
Csak egy javaslat volt, én így csináltam anno egy másik motornál, és hasznos volt, hogy van stabil 12voltom, az összes szivargyújtós kütyüm elment róla, világítani is tudtam, persze ésszerű határok között. Bontottan pedig nem drága a gyári simson fesszabályzó, ami egyébként működik akksi nélül is.
Okosodva az előttem leírtakból, nem bonyolítanám a dolgot. Adva van tehát egy egy olyan feszültségforrás, ami akár 50V-ot is adhat, de számítanék rá, hogy talán még többet is. Először egyenirányítás, puffer, vele párhuzamosan egy ZX vagy ZL56V-os zener, majd mérés. A fordulatszámot lassan emelve megmérném mekkora áram folyik a zeneren.Ha 15mA-nél több, akkor ide párhuzamos stabilizátort tennék (+1tranyó). Ha ez a rész elfogadható veszteséggel működtethető (nem kell hatalmas borda), akkor 12V-ot már könnyedén elő lehet állítani pl LM2576-HVT buck regulatorrral.
Persze ez nem oldja meg azt, ha alapjáraton kevés a fesz, de nem történik semmi, ha ekkor lekapcsol. Mégis fel tud tölteni egy mobilt - ha szakaszosan működik...
Sziasztok!
Nagyon kezdő vagyok ezért bocsánat hogyha hülyeséget kérdezek! Szeretnék egy Simsonra 12 voltos csatlakozód Gps és hasonlókat töltésére szivargyújtó csatlakozóról! A motor 6V-os rendszerű. Akumlátor van benne 6V 6AH-ás. Van valami egyszerű megoldás hogy ezt kivitelezhessem? Arra gondoltam hogy az akkura kötném az átalakítót! A töltőáram 1.1A amivel max tölti az aksit és 5-és 7.2Volt között ingadozik. Köszönöm előrre is megtisztelő válaszaitokat!
..Fenét, figyelmetlen voltam. Létezik ezeknek az LM SimpleSwitchereknek step-up változata is. LM2577 például. Egyszerű kapcsolás, jó eredmény.
Ezek szerint nem lehet megcsinálni?
Egyébként hozzá nem értő ember vagyok, azt hittem sokkal egyszerűbb a dolog - pl. vettem egy Simson 12 V világítótekercset meg egy Graetz-diódát, azt gondoltam, mások tanácsa alapján, ez megold mindent.
Egy - lehet, nagyon buta - gondolat.
Mi van akkor, ha 2 db 6 v-os akkut tölt a Tümmler (persze, egyenirányítva), s utána én az akkukat együtt használom 12 v-os töltésre (természetesen nem menet közben..)
Csak úgy, natúrban, mindenféle korlátozás nélkül?
Sajnos, nem értem, mi a kérdés (natúrban, minden korlátozás nélkül?) Hogyan kellene?
Akkumulátorokat nem csak úgy töltünk, hanem megfelelő feszültség-, vagy áramgenerátoros megoldásban. A világítástekercsen meg ki tudja, mi fordul elő éppen. Az akkuban a túl magas fesz hatására gázképződés indul meg, amitől hamar tönkremegy. Az állandó alultöltöttségtől szintén. Szóval ennyire nem egyszerű a dolog.
Mint már említettem, laikus vagyok. Mi a különbség a Sinson-világítótekercs és a -töltőtekercs között? Főképp az én szempontomból? (Ld. 1. hsz.)
A világító tekercs úgy van méretezve, hogy akkor ad névleges feszt - a névleges fordulaton - ha rajta van terhelésnek az a pár izzó (és ezek olyanok, amit eredetileg hozzá használtak)
A töltőtekercs - hasolnó elvek alapján - de a megadott akksinak kedves feszre, áramra méretezett. A Te esetedben a tekercs 6v 20W izzóhoz készült. Ha teljesen laikus vagy, akkor a fentebb leírt megoldási javaslatom nyilván kínaiul hangzik, ezért javaslom a következőket: - szerezz be néhány db 12V-os izzót: 5, 10W-osakat - először terheld a tekercset a 12V 10W-ossal és mérd meg mekkora fesz érkezik ilyenkor (a cél az eredetitől eltérő üzemben való viselkedés megismerése) Ha csak egy mobilt akarsz róla tölteni, akkor egy megfelelő izzó, egyenirányító és feszültség-határolás segítségével elérhető a cél minimális költséggel, némi kísérletezéssel.
Nagyon köszönöm, a változás annyi, hogy már kicseréltem a 6 V vil. tekercset 12 V-osra. Ugyanaz a helyzet most is a mérésnél mint amit leírtál?
Igen. A lényeg az, hogy megállapítsuk, mekkora terhelésnél kapunk optimális - 14V köröli - feszültséget egy mobiltöltő számára. Tudnunk kell továbbá, hogy mekkora áramfelvétele van a töltőnek. Egy megfelelő izzó fogja pótolni azt a "hiányzó" terhelést a tekercsnek, ami az eredeti izzó áramának és a töltő áramfelvételének különbsége.
További barkácsoláshoz javaslom - ha szét lehet szedni a mobiltöltőt - megnézni a vezérlő IC típusát. A legtöbb ugyanis 40V bemenőfeszültségig alkalmazható, de a 12V-osokban a pufferkondi nem bír ennyit. |
Bejelentkezés
Hirdetés |









