Fórum témák
» Több friss téma |
Mielőtt kérdezel, a következő két dolgot ellenőrizd!
I. A helyes tápfeszültségek megléte.
II. A kimeneten van-e egyenfeszültség.
Élesztés.
Szia!
Köszönöm szépen! Ez jónak tűnik. Valamint még abban kérném a segítséged, hogy akkor 2 akksi sorba kötve és akkor megvan a 3 kivezetés +gnd- ? Így lenne szerinted is a legjobb ?
Szia! Ez csak egyszeres tápot igényel!
Nem baj ha két akksid van, mert ha sorba kötöd őket lehet hangoskodni is vele. Mikor már kimerülőben vannak, áttérhetsz párhuzamos kapcsolásra, adatlap szerint 9V-ról is elmegy. Ár/érték arányban a TDA2050 nagyon jó. (10Ft/W )
Sziasztok.Universum MA-1000-es erösitömben az egyik kondi kicsit ferdén áll az alaplapon illetve kifolyt belöle valami barna folyadék,ami rászáradt.Annyit szeretnék kérdezni hogy a mellette lévö kondenzátort is cseréljem ki vagy csak azt amelyikböl szerintem kifolyt a folyadék.Elöre is köszi.
Szia!
Lehet, hogy a rögzítő gyantát nézed kifolyásnak és a kondinak semmi baja.
Köszi a gyors választ amugy jol müködik az erösitö.Csak zavar h. az oda ki van folyva.A 2 kondinak semmi nincs a közelibe amit rögziteni kellene gyantával szerintem.Mondjuk az erösitöbe vizszintesen álnak ezek a kondik.Amugy nincsenek is megpuposodva.Addig még nem lessz probléma az eröködövel nyilván nem nyulok a kondikhoz.
Modositva.:Uhh elnézést a moderátoroktol most vettem észre van ilyen tipusu erösitönek topikja.Javitásrol van benne szó
A gyanta a kondikat próbálja a nyákhoz szögezni, mert a gyártó nem bízott a lábak forrasztásában.
Ha rászáradt és kemény akkor az a kondit rögzítő ragasztó. Erról egy mozdulattal meg is győződhetsz, az elektrolit enyhén olajos tapintású.
Sziasztok
kaptam egy Schneider hcs500 Subwoofer erositot. Valaki mar dolgozott vele mert 2db ic hianyzik belole es nem tudodm h milyen ic jarhat bele. Ha valaki tudna segiten meg koszonem szepen. Itt aa kepek.
Sziasztok kilehet abbol valamit szamolni hogy 50hz en clip eles elottig 70voltot mertem stereo uzem modban a vegfokon, es hidba clip ig 135volt-ot...
Szia! A végtranzisztorok hiányoznak. Lehet azért benne még más hibás alkatrész.
Üdv! Ha az erősítőnek legalább +/-110V tápja van, akkor a feszültség lehet reális. Ha meg tudod mérni (a névleges nem biztos, hogy 50Hz-en annyi) a hangsugárzód impedanciáját 50Hz-en, behelyettesíthetsz a P=U*U/R képletbe.
Újabb napos szenvedés után rájöttem, hogy annak a LA3115 IC -nek semmi köze a hangszínszabályzóhoz, a phono -t kezeli, nem a bemeneteket. Hosszas kísérletezés és naplopás után elhatároztam hogy élesbe bekötöm az ájfonomról húzott Jack szálait az STK IC első és utolsó lábára, sajnos a zavar így is fönn áll... Tehát elvileg két lehetséges hiba adódhatott, a fölrobbant elkó melett található fólia kondikból egyik megsérült vagy egyik ellenállás elszállt, vagy nem kap elegendő áramot az IC.
A fólia kondi érzékeny a polaritásra?
A fólia kondinak nincsen polaritása. Lehet, hogy a gond magába az STK ban keresendő, a felrobbant ondi előidézhetett benne lehet valami galibát.
Csak a precíz munka kedvéért cseréld már ki azt a pár fóliakondit . Kezdek tanácstalan lenni.
Hát de ha az STK -val lesz valami az nem jellemezhető egy kis zavarral...
Amúgy mikor fölrobbant vitte az IC -t is, az volt STK459, ezt cserélték 463 -ra. Én kicserélném a fóliákat is csak 1. nincs tartalék, 2. felénk a mikrófaradot nanófaradnak mondják, most ha nanófaradot akarok nem vágom hogy kérjem majd... Ha berakok helyette egy elkót az nem jó? Abból van egy kisebb raktárral itthon... ![]() Kiszedem, esetleg hogyan tudom kimérni ezeket?
Szia! Úgy értelmezem a hiba mindkét csatornánál fenn áll, és egyformán jelentkezik. Ebből a szempontból a 8-9 lábak közötti 100 ohm ellenállás lehet még gyanús. Kb.1V feszültségesés lenne rajta reális.
Tanulmányoztam a kapcsolást. Mivel a zavar csak a magas frekinél áll fent és mindkét csatornát érinti ezért nem lehetséges, hogy a becsatolásnál lévő 1µF os kondenzátoroknál van baj? Mert ugye ezek frekit vágnak, és az értékük nem tudom meg lett-e változtatva.
Amit bekarikáztam alkatrészt azt vissza forrasztottad, mert az új képen csak lóg a levegőben.
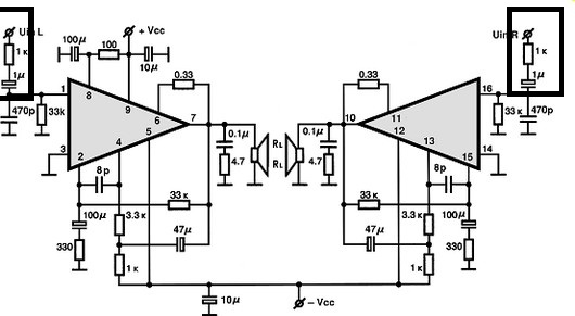
A fóliakondikat elvieleg 470 pikoFarad, 8 pikoFarad, 0,1 mikroFarad ebben a kapcsolásban. Mérni úgy tudod, hogy kiveszed őket és szakadást kell mérned rajtuk, vagy kondi mérővel.
Azokat a kondikat rég kivágtam onnan, új 105 fokos 1µF -k vannak betéve!
@reloop Mondasz valamit, amit találtam benne az tuti nem eredeti már a forrasztásból is meg lehet állaptani, kicsit gányoltan lett betéve és csak 45 ohmos!
Azt az ellenállást én raktam bele, azzal csináltam a 24 voltból 12 -őt a coolernek mivel gyárilag nem volt benne és melegedett ha borogattam vele a közgafalakat...
![]() Amúgy köszi, szerintem kicserélem az ellenállást majd ha úgy sem kiszedem azokat a fóliákat is...
A próbáknál volt benne hűtőventilátor?
Mert egy szűretlen ventilátor képes bezavarni akárhova.
Nem, zavart a folyamatos szétbontásnál mivel az is kicsit gányolás, igyekszem szebben megoldani, de az első alkalommal lerántottam róla...
Szerencsém van, kaptam egy régi PCI kártyát amin van 4 darab 100 ohmos ellenállás!
A nyugalmi áramot ellenőrizted már? A 6-7 és a 10-11 lábak között kéne lenni egy-egy 0,33 ohm ellenállásnak. Ezeken 10-15mV feszültségnek kéne esni kivezérlés nélkül. Ha itt kevesebb mint 10mV-ot mérsz meg van a hiba!
Teljesítményére figyelj aztán mehet is bele
Ellenállás cserélve, továbbra is zakatol... A föld és 10-11, 6-7 csomópontban 100mV fölött van.
Azokra az ellenállásokra rámentem multiméterrel, 200mA -s állásban is 1 esen maradt... Lehet hogy azok is kimentek?
Az árammérésnél az ellenállással sorba kötötted be a multit ugye?.
Kissé sokallom, hogy ha ott nagyobb lenne 200mA-nél, mert akkor az az ellenállás nagyon melegedne, sőt...
Gyááá fáradt vagyok, 200mOhmos állásban is 1 est kapott... kiforrasztom egyik végüket és rámérek úgy...
Fáradt vagyok, szerintem mellé olvastam és kikaptam két 35K-s ellenállást melyek más lábakhoz vezetnek...
![]() A 6-7, 10-11 gyárilag egybe van olvasztva a nyákon! |
Bejelentkezés
Hirdetés |




) 




. Kezdek tanácstalan lenni. 

