Fórum témák
» Több friss téma |
Mielőtt kérdezel, a következő két dolgot ellenőrizd!
I. A helyes tápfeszültségek megléte.
II. A kimeneten van-e egyenfeszültség.
Élesztés.
Vuszont ezek a 33,5K -s ellenállások gyanúsak a 2 és 6-7 illetve a 10-11 és 15 -ös lábak között ahol a rajz szerint 3.3K -nak kellene lennie?
A SANYO szerint jó, az oroszok elbénáztak valamit...
Közben nem tudom mit csináltam, a feszültség megemelkedett 24,5V -ról 25,5V -ra... Kinyírtam volna egy fogyasztót?
Szerintem, ha mind a két oldalba jelentkezik ugyan az a probléma, akkor valami olyan után kell kutatni ami közös a két oldalon. Mert annak nagyon kevés az esélye, hogy mind a két oldalba ugyan az az alkatrész megy tönkre ugyan akkor. Az, hogy megemelkedett a fesz lehet a hálózat ingadozása is akár.
A hivas alkatreszeket meg keresem es ki cserelem. Csak a tranzisztorokat kene tudjam. BD249-250 par jo lenne e bele vajon?
Sziasztok,
megépítette már valaki a csatolt kapcsolást? Bárminemű tanácsot szívesen fogadok, megszeretném építeni próba gyanánt.
Érdemes rajz után kutatni. Ha darlington volt benne akkor nem fog menni a BD249/250-nel.
Az ágoston könyv GU50-esének bemenetén nincs becsatoló kondi. Viszont a jelforrásom (amiről üzemeltetném) kimenetén van 30mV DC offset.
Okozhat ez a 30mV problémát, használjak becsatoló kondit, vagy ilyen kis feszültség nem számít?
Ez 90W sosincs, szerintem nem érdemes foglalkozni vele. A tápja maximum +-30V lehet mert 60V-os a 2N3055.
Igen és igen .
Hello mindenki! Már megint segítséget szeretnék kérni. Megépítettem egy 50 wattos végfokot, ami működik is szuperül. Azonban most egy csöves előerősítőt szeretnék hozzá készíteni. Régebben neten láttam egy csöves előerősítőt készen, amely 12 voltról üzemel. Ennek a kapcsolása érdekelne, vagy talán valami ennél még egyszerűbb csöves előerősítőé.
Egyébként zenehallgatáshoz lenne. Előre is köszönöm!
Na be raktam a bd part. eloszor el fustoltek maj fordit va tetem be es jol megy. egy picit jobban melegszik a kelletenel de jolmegy
Üdv.
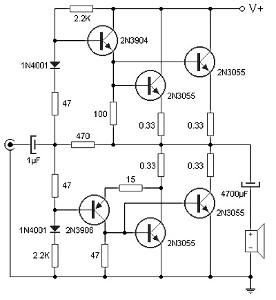
Itt egy rajz. Azt szeretném kérdezni hogy terhelhető 4 ohmal ?S kiadna 800w teljesítményt?Szerintem kevés a végtranyó. Bővebben: Link Forrás Google képkereső
Szia! Napokig töprengtem volna mi lenne a legalkalmasabb tranzisztor bele, huszárosan megoldottad.
Bocsi, nem kritizálásként vagy hasonló, de érdekelne, hogy miért jó/jobb lámpás erősítőket készíteni, mikor ott vannak a tranyós, IC -s megoldások? Tisztább a hangja? Mennyivel zabál többet/kevesebbet az IC -s megoldásoknál?
Szia, 4 ohmmal terhelhető. De 800W-hoz már vagy 10-10 FET kellene a végére 4ohm-os terhelés mellett. Biztos hogy 4 ohmon akarsz 800W-ot?
Üdv.: Miki
Igen megoldható hogy lehessen több fetet berakni?
Szia! Maga az alapkapcsolás sem túl szerencsés. Amatőr szinten amúgy is nagyon kockázatos - ebből eredően nagy költséges - több-száz wattos erősítőt építeni.
A FET párhuzamos kapcsolása feltételezi, hogy nagy tömegű alkatrészből azonos paraméterűeket válogatsz ki. Ha közéjük keveredik egy alacsonyabb Ugs-re nyitó példány, az magára húzza a terhelést és elröppen a végfok. Ezt tartsd szem előtt.
Sziasztok! (2x)35-40W/8Ohm-os erősítő kapcsolási rajza (ha van NYÁK, az is) érdekelne. Leginkább olyat keresek, amit esetleg többen is megépítettetek, és a maga kategóriájába szerintetek elég jó (legjobb). Néztem/keresgéltem a többi topic-ban is, de nem jártam eredménnyel.
10db ROE 10000µF 100V-os kondit összeszereltem 2 sorban. Egy 600W-os subwoofer erősítője tápjához. Kérdésem az lenne, hogy egyenirányító után ugye jön a kondi, majd kéne ellenállás + még hidegítésnek MKP vagy MKT kondi hidegítésnek. Ez utóbbi kettő milyen érték legyen és milyen kondi javallt? Esetleg rajz is jöhetne. A választ előre is köszönöm.
Szia! A kisebb kapacitású hidegítésnek az volna a célja, hogy a táp belső ellenállását magasabb frekvencián is alacsony értéken tartsa. Subwoofer erősítő szerintem ilyen igényt nem támaszt.
Az ellenállás alatt a kisütőket érted?
Szia!
Igen azt akartam írni.
A rajzot kéne tanulmányozni, van-e benne olyan ellenállás ami a kisütést elvégzi, többnyire szokott lenni. Ha nincs, és zavaró, hogy sokáig kerreg még az erősítő kikapcsolás után, akkor 22k 2W-osat javaslok.
Nem lesz benne DC védelem ami amúgy is leválasztja a hangszórót?
De lesz benne koppanásgátló. Akkor ez azt jelenti, ezen kívül nem is kell más a kondikhoz?
Ebben az esetben semmi nem indokolja a kondenzátor erőltetett kisütését
Milyen kapcsolás alapján épül az "erőmű"? Pusztán kíváncsiságból.
Akkor megnyugodtam. Gondoltam megkérdem, mint hülyeséget csináljak.
Nagyon szépen köszönöm segítségedet.
http://solfegio.com/forum/archive/index.php/thread-6050-7.html
Erről van szó. Párját eladom, de a másik megépítésre kerül.
Le a kalappal, még szemlélni is élvezet
|
Bejelentkezés
Hirdetés |










