Fórum témák
» Több friss téma |
Fórum » Hangváltók (készítése)
A mértékegységeket a mérőszámtól szóköz választja el. A személynevekből képzett mértékegységek (Volt, Ohm, Amper, stb.) nagybetűvel írandók!
Nekem is van hangváltóm ami Wima kondikkal épült. Semmi bajom sincs velük. (mint írtam "az alsóbb kategóriát képviseli (sokak szerint)")
Csak a sznob hájend őrültemnek nem felel meg, amúgy PKN -nek megfelel a neves végfokaiba: kép http://forum.speakerplans.com/the-amplifier-internals-thread_topic2...8.html
Teljesen rendben van a WIMA márka, semmivel sem rosszabb mint a jó öreg REMIX...
Igen, ez elég meggyőző! Mint mondtam, nekem is megfelelő!Engem az alábbi kép miatt győzött meg a Wima - highend?!
Sziasztok!Az lenne a problémám, van egy eredeti orion HS 480 as hangfal párom,úgy érzem nem "vág" a hangváltó.Kérdésem ha az eredeti nyákra másik megfelelőbb alkatrészeket forrasztok,jo lesz?Illetve ennek a hangszóróiról sem tudok infót.Ha valaki tud segitsen.Köszönöm
Íme az infó ami a neten fellelhető, nem tudom erre gondoltál-e:
Nem erre gondoltam,hanem hogy a hangszórók milyen tartományokban dolgoznak.Azért köszönöm a segítőkészséged!
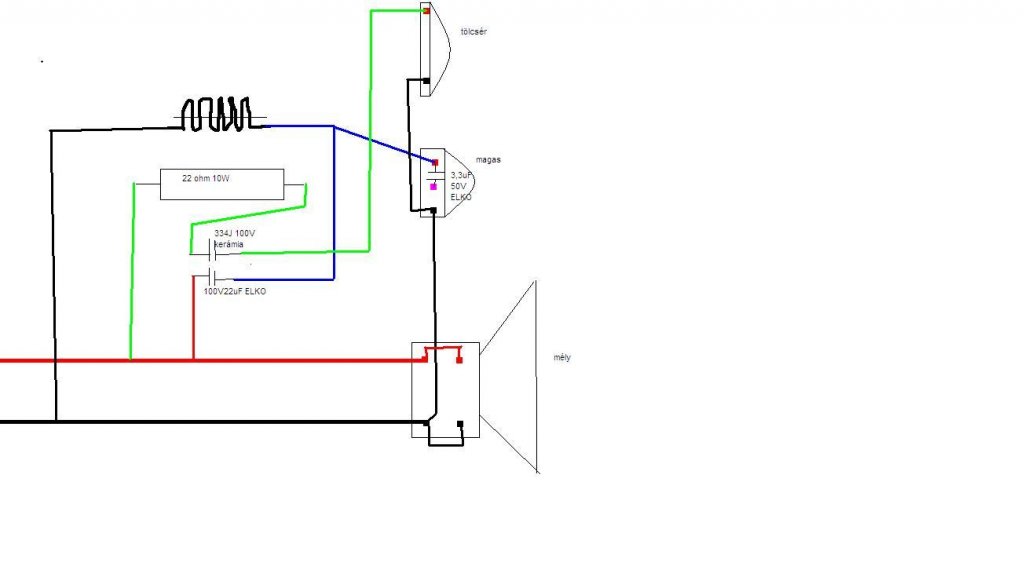
Sziasztok. Mi mehetett tönkre a 3 utasom hangváltójában ha a magas nem szól csak néha. A hangszóró jó mert rákötöttem a piezo helyére és szólt. Mértem a magas vezetékén AC feszültséget 200mV határban is csak pár tized V volt..
Eltörhetett a magas hangszóró csatlakozójáról a membrán felé menő vezeték. Valami kontakt hibára szavazok.
Igen valami ilyesmi lesz
Kivettem a hangváltót egy forrazstás ami a magas kondijánál és atekercsnél van az el volt engedve. Megforrasztottam de még mindig nem szólt. Rákötöttem egy másik hangszórót és szólt. Az a nagy baj van hogy ez egy zárt hangszóró szerintem nem javítható
Próbáltam hogy a saruknál felolvasztom az ónt de nem javított a helyzeten. Esetleg nem tudtok helyette valamit ajánlani? Sajnos semmi felirat nincs rajta a 8 ohm-on kívül...
Kuka! Tönkrement!
Ezt javítani nem éri meg! Sajna venni kell helyette másikat. Kinézete alapján válogass a neten. Tudod, a Gugli az nagyon jó haver tud lenni....
Értem. ÉS mitől tud ez elromlani? User error vagy lejárt az ideje?
Ezt nekem kell tudnom? Gőzőm sincs, ezt csak te tudhatod, hogy használtad, volt -e rendellenes reccsenés...stb. Mekkora a mérete amúgy a hangszórónak?
100mm az átmérője.
Nem újkora óta van nálam így nemtudom. Olyan volt hjogy a jel nem volt tökéletes és recsegett a hangszóró... A használata mondható kímélőnek mivel 2db ilyen hangsugárzó van sorba kötve egy TDA7294 hídnak. Egyenként 250W-osak a hangsugárzók. A torzításra pedig figyeltem persze ez csak a füllel hallható torzítás...
Van ehhez a hangszóróhoz vkinek egy jó eladó hangváltója? vagy ötlete vagy kapcs. rajza vagy bármi?
![]() http://profesional.beyma.com/pdf/SM-115%20NE.pdf
Az szokott a baj lenni a kínai gyártóknál ,hogy túl kemény a huzal amivel tekerik.(olcsó) Az ilyen kisebb hangszóróknál ahol nem lehet nagy mechanikai igénybevételre számítani simán beforrasztják a terminálokra. A nagyobb hangszóróknál rendes kivezető szálat használnak , ott néha a hosszával szokott baj lenni.
Ja értem.... Majd szerzek helyette valamilyet...
Ugye ez olyan kondi,ami jó hangvaltomba magashoz akarom.....nem polarizalt vagy h nevezik..?
http://www.hestore.hu/prod_10031084.html
Igen, jó lesz!
Nagyon szépen köszönöm!
Igen fóliakondi, de itt sokkal olcsóbban megkapod: http://logotech.hu/index.php?module=termekek&sub=termekek.php&akt_m...art=24
én vagyok vak vagy tényleg nincs hestore.hu-n 3,3 mikros kondi??hangvaltoba)
Mintha előbb azt olvastam vna h szünetel a webaruhaz ott.tévedek??
Mert akk onnan rendelnék minden mást is...
Sziasztok!
Lenne egy kérésem, egy hangváltóra lenne szükségem. Van egy top ládám/megavox hangszóró/ meg egy bass láda, a top ládában van egy kétutas hangváltó HV 228 /sal/ A mély láda PA 4010-as hangszóróval szerelt.Egy olyan kéne ami a mélyre kb 400Hz-ig enged, a top-ra meg mehetne 400Hz fölött. Vagy valami képlet, elvi rajz, teljesítmény kb. 600W. Vagy, hogy oldjam meg szerintetek minden segítséget szívesen várok. Köszönöm.
Egyszerüen: Mélyre 12dB 400Hz-es aluláteresztő szűrő
Topra: bemenetre: 400Hz-es felül áteresztő szűrő (elég egy kondi pack),
Köszönöm a választ!
Egy kicsit gyakorlatiasabb válaszra vártam. Valaki?
Mélyre: Soros + ág: 4,0mH -s légmagos (vasmagos) tekercs min. 1,4mm -es huzalból + 1db 50µF 250v-os fóliakondenzátor párhuzamosan.
A mélyládából van továbbfűzve a topláda, és a végfokból csak a mélyláda kapja szuflát?
Ha igen így (kell) kinézni:
|
Bejelentkezés
Hirdetés |







Igen, ez elég meggyőző! Mint mondtam, nekem is megfelelő!



Kivettem a hangváltót egy forrazstás ami a magas kondijánál és atekercsnél van az el volt engedve. Megforrasztottam de még mindig nem szólt. Rákötöttem egy másik hangszórót és szólt. Az a nagy baj van hogy ez egy zárt hangszóró szerintem nem javítható








