Fórum témák
» Több friss téma |
Mielőtt kérdezel, a következő két dolgot ellenőrizd!
I. A helyes tápfeszültségek megléte.
II. A kimeneten van-e egyenfeszültség.
Élesztés.
Jobb lenne szekunderenként külön egyenirányítani. Király Tibor: Tápellátás.
Köszönöm.
Most már csak tényleg azt nem tudom, hogy jó-e az, hogy a védőfölddel van összekötve a NYÁK trafó középkivezetett nullja. Ezt a kérdést az a tény is felveti, hogy ha nem kötöm rá az AC nullt a NYÁK trafó primerére (tehát nem működik az), akkor nem ég el a bizti a toroid trafó előtt. Ha nem jó a kapcsolás a védőföld ilyen bekötésével, akkor nem értem, hogy miért nem.
A védőföldet nem vonnám be a tápegységbe.
Ha a NYÁK trafó áram alá helyezése képes kiolvasztani a toroid biztosítékát akkor valami nem úgy van összekötve mint a rajzon. A trafók szekunderei szabadon vannak még, vagy már rákötötted az erősítőt?
A NYÁK trafó hajtja meg az előerősítőt, ami be van már kötve.
A NYÁK trafó bekötése a szokásos módon történt, miszerint graetz-híddal egyenirányítom a NYÁK trafó két egymással átellenes kivezetését. Ebből az egyik a plusz 15V, a másik a mínusz 15V. Mind a kettő stabilizálva van (7815, 7915), és pufferelve 2200µF-al az IC-k bemeneti ágán és 1µF a kimeneti ágon. Ez így működőképesnek bizonyult. A toroid trafó szekunderei szabadon vannak, nincsenek kötve sehova.
Ez estben a biztosíték kiolvadás akár véletlen egybeesés is lehet. Ha benn lesz az izzó bátrabban kísérletezhetsz.
Ha nem kötöm rá amúgy a védőföldet a trafók középkivezetésére, akkor mit kell tennem velük, hogy a későbbiekben azt fix GND-nek tudjam használni ?
Én eddig azt hittem, hogy ez a megoldás biztosítja a fix földpotenciált.
Az életvédelmi földet nem praktikus összekötni az erősítő földjével. Például a PC hangkártyája többnyire megkapja, ha még egy ponton bevezeted a rendszerbe földhurkot létesítesz és búgni fog az erősítőd.
A korábban linkelt Király Tibor cikket érdemes átfutni.
Darlingtonos végfoknál mindig ügyelni kell a bemenőjel szintjére és a bemenet megfelelő kialakítására mind áramkörileg mind a nyákon egyaránt. Egy apró kis gerjedés vagy túl nagy jel is komoly hibákat okozhat. ezért nem árt körültekintően eljárni. Amúgy a megszokott profi szép munkát láthatjuk. Csak gratulálni tudok én is!
Üdv!
Szia.
Idézet: „Darlingtonos végfoknál mindig ügyelni kell a bemenőjel szintjére és a bemenet megfelelő kialakítására mind áramkörileg mind a nyákon egyaránt. Egy apró kis gerjedés vagy túl nagy jel is komoly hibákat okozhat. ezért nem árt körültekintően eljárni. Amúgy a megszokott profi szép munkát láthatjuk.” -Ezt nem értem ne haragudj..Egy egyszerű tripla darlingtonra alapuló kimeneti fokozatot terveztem amely nem erősét feszültséget., Így nem is gerjedhet..(továbbá visszacsatolás sincs bent) Az első és második fokozat (darlington páros) áramainak hatását fogom majd vizsgálni hang szempontjából. Mindent nem akarok most róla leírni, itt bővebben tettem közzé: Bővebben: Link A lényeg, hogy attól lesz ez hibrid, hogy csak a csöves meghajtása erősít feszültséget. (Tehát az határozza meg a kivehető teljesítményt). Átfogó visszacsatolást nem tartalmaz. (Helyit sem). Bár az újabb meghajtásom első kaszkód fokozatában már van egy helyi visszacsatolás. (Ezt még nem tettem közzé).
Ezen a lapon pedig láthatod, hogy nem gerjed, mert be is mértem jelgenerátorral. 22pF ugyan kellett az első fokozatba.
Szia! Ha jobban megnézed a Gnd nem kimondottan jelenti a védőföldet,és nincs is rákötve.Ha feltennél egy fényképet a tápegységről amin jól kivehetők a dolgok lehet könyebb lenne segíteni.
Na összeraktam, meg sem szólalt, csak nagyon halkan és torzan lehetett hallani valami "zajt", ha közel hajoltam a hangszóróhoz
, gondolom ez jelenti azt, hogy halott a dolog, sebaj, egy próbát megért .Köszi a segítséget!
Sziasztok!
Van egy ilyen 10 sávos eq-m, ami mindkét oldalt szabályozta egyszerre, de sajna meghalt a végfok benne( ami egy LA4445 ös volt). Azt akarom kérdezni, hogy szerintetek valahogy lehetne-e hasznosítani a hangszínszabályzó részt úgy, hogy utána lenne egy 2.1 számítógép hangfal erősítője, vagy kell elé valami előerősítő? Igy ha rákötök jelet, és bekapcsolom semmi hang nem jön belőle :\. Köszi a válaszokat.
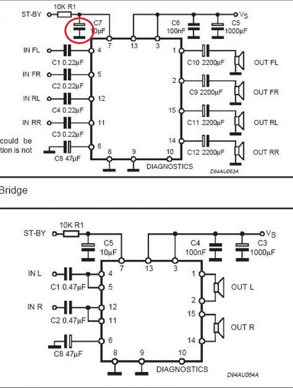
A ST-BY-t felhúztad tápra?
Nem, csak a földre kötöttem a 10uf es kondival, utána az ellenállással a +12 re is rá kellett volna?
Szia!
A kondenzátoron nem megy át az egyenáram, tehát ez így mindenképpen kevés.
a/ Megtippeled minek van ott ellenállás.
b/ Megnézed az adatlapot. Minimum 3,5V kell a készenlét kikapcsolásához.
Köszönöm a felhomályosítást
. Azt hittem, én tudom készenlétbe állítani azzal a lábbal, nem pedig alapból van abban Most du. meg is nézem. u.i. Nem szoktam tippelni, még vizsgán sem
Hali.
Tudna valaki segíteni? Van egy digitális ébresztőórám, és elég halkan csipog. 1.5 V-os elemről megy, és egy kis piezós "hangszóró" van benne (olyan mint a kvarcórákban). Tudna valaki egy rajzot skiccelni hogy Darlington kapcsolással hogy lehetne felerősíteni? Előre is köszönöm.
Marad a b-verzió. Ha felhúztad tápra és mégsem menne, mérj rá a lábra, vagy a kondira, az a biztos.
Na a jó hír az, hogy működik, a rossz az, hogy kb alap hangerőn és olyan minőségben, mint egy szokol
. Csak egy régi rádióra kötottem, a saját hangszóróin szépen szól, mit nézzek át, lehet valami zárlat vagyelkötés, vagy a számítógéptáp zavar be?
A számítógép táp főleg zajt produkál. A csatoló kondik vághatják a mélyet.
Sziasztok!
Van nekem egy régi grundig v1000 tipusú hi-fi végfokom. A problémám az vele, hogy sehol sincsen feltüntetve rajta a terhelhetősége. multiméterem van egy két dolgot meg tudtam rajta mérni de azt hogy hány ohm-mal lehet terhelni azt nem tudom hogyan kell. Ebben kérném a segítségeteket. üdv
Most szól rendesen, de csak pár mp ig, utána elhalkul. A 6 os láb ha le van kötve akkot nem szol semmiy, viszony mikor elveszem a földtöl megint jó pár mp ig. Ez motől van?
A 6-os lábon egy hidegítő kondinak kell lenni, és féltápra taksálom a helyes üzemi feszültséget.
Az elhalkulás nem lehet melegedéstől? Arra lekapcsol az IC. Hűtőborda van rajta?
Igen, féltáp körül van a fesz, kicseréltem a kondit egy másikra, most jól müködik, igen van rajta borda, meg venti is fújja
, kézzel fogható
Üdv! reloop, a korábban javasoltál a 200va-es trafómhoz primerre egy 500mA-es és a szekundereire 2Amperes biztosítót. De az 500-as rögtön elfüstölt, ahogy bekapcsoltam, igaz elfelejtettem mondani hogy nem csak 40 wattos cucc van rajta, a másik szekunderrről egy kivezérlésjelző és egy szabályozható venti megy
Nem értem, az előbb jó volt, most megint azt csinálja :/
Szia!
Nem kellene ellőnie a biztosítékot. Valami nagy baj van ott.Ha nincs a trafóra kötve semmi sem hanem csak üresjáratban van akkor mekkora az áramfelvétel a trafó primer körében? Illetve mekkora feszültséget mérsz a szekunder részen? Nem melegszik nagyon az a trafó? Lehet menetzárlatos. |
Bejelentkezés
Hirdetés |




, gondolom ez jelenti azt, hogy halott a dolog, sebaj, egy próbát megért
.




