Fórum témák
» Több friss téma |
hy
egy olyan félig mechanikai(pneumatikus) és félig elektronikus szerkezeten dolgozok ami adott időközönként megnyom egy gombot. egész pontosan a billentyűzeten a space gombot kell megnyomni 4 percenként. a mechanikus részét már megépítettem, és most az elektronikus részéhez kéne egy kis segítség. ahogy a képeken is látszik a 2függőlegesen beépített munkahenger nyomja a gombot felváltva. ennek a két munkahengernek az irányváltó szelepét a vízszintes munkahenger kapcsolja át. ennek a munkahengernek a szelepét pedig egy motor (igen tudom lehetett volna úgy is hogy már az első szelepeket is motorral hajtom, de azt nem bírta volna el a motor sztem). ezt a motrot kéne úgy időzíteni, hogy 2 percenként bekapcsoljon a motor, és 3-4 másodperc után kikapcsoljon, és ezt csinálja akár több órán át. a levegőellátás még nincs kész, de valószínűleg a pumpát egy motoral fogom üzemeltetni/pumpálni, amit szintén jó lenne időzíteni, úgy hogy amikor a maásik motor leáll akkor ez kapcsoljon be és 10 sec után kapcsoljon ki, és akkor kezdődne újra az egész előről. összegezve egy olyan időzítő kapcsolása kéne nekem ami bekapcsol egy motort, majd 3s után kikapcsolja, és bekapcsol egy másik motort amit 10s után kikapcsol, és 2 perc múlva újra kezdi a motorok kapcsolgatását
Szerintem Te vagy az első, aki MB-os képeket tett fel és nem homályos.
Ennek ellenére indokolatlan a nagyon nagy kép felbontás. Méreteztem őket, és így a 3MB-nyi képből alig 500K lett.
Ja... Ennyit építgetni. Ügyes dolog, de ha nekem kellene ilyen, kb 3 perc alatt írtam volna hozzá egy programot ami szimulálja a gomb nyomkodást
Úristen...milyen rég volt a kezemben Technik LEGO :eek2:
Ha megértettem a feladatot a nyomkodás a lényeg. Szerintem olcsóbban kijössz,ha központi zár motorokat használsz. Ezek elektromosan adnak lineáris mozgást és nemkell légpumpa, vagy kompresszor meg pneumatikus szelepek. persze rád bízom. Bontóba olcsó dolog. Az időzítés legolcsóbban erre a feladatra egy pic16f275 vagy pic 16f628a oldja meg.
Csak 5v táp kell meg a kimenetre tranyón keresztül a relék egy gyufásdoboznyi "lyukas panelon" elfér. A progit meg bárki a fórumon elküldi neked akár én is, és valakivel "beégetteted" a pic-be. Nyilván 555-tel is meg lehet csinálni, árban hasonló. ha eldöntötted,hogy maradsz a levegőnél,vagy központi zár motor, utána kell elektrmos időzítőt illeszteni hozzá.
Emlékszem, mikor régen le akartam törölni egy könyvtárszerkezetet és a Norton Commander makacskodott, széles barna ragasztóval leragasztottam a numerikus billentyűzet Enter-jét.
a space-t egy program miat kell nyomogatni.
és nem jó ha programot írok, mert itt mechanikusan meg kall nyomni a gombot
köszi a segítséget, azt hiszem maradok a levegős megoldásnál. ha az nem válik be akkor jöhet a központi zár
akkor a hozzá való időzítő megépítésében (főleg a programozásban) segíteni? msn címem: sutyo@hotmail.com e-mail: szuts.gabor@freemail.hu
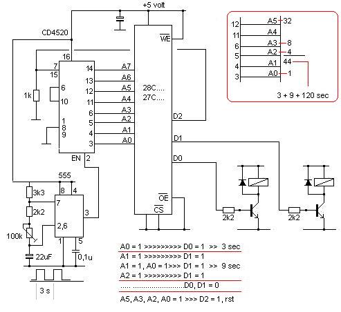
Van egy rajzom, gondold át..
Egy EEPROM-ot könnyedén be tudsz programozni és bármikor át tudod írni; ha még nem csináltál ilyet, megtanulod... segítek. Ha nem jó a 3+9+120 sec, akkor meg lehet csinálni 1 sec-es lépésekkel pontosan 3+10+120-ra, vagy amit akarsz. |
Bejelentkezés
Hirdetés |








