Fórum témák
» Több friss téma |
- Ez a felület kizárólag, az elektronikában kezdők kérdéseinek van fenntartva és nem elfelejtve, hogy hobbielektronika a fórumunk!
- Ami tehát azt jelenti, hogy a nagymama bevásárlását nem itt beszéljük meg, ill. ez nem üzenőfal! - Kerülendő az olyan kérdés, amit egy másik meglévő (több mint 17000 van), témában kellene kitárgyalni! - És végül büntetés terhe mellett kerülendő az MSN és egyéb szleng, a magyar helyesírás mellőzése, beleértve a mondateleji nagybetűket is!
Sziasztok egy Harcoló robotot szeretnék építeni de nem nagyon értek az ilyenekhez erre a célra van egy távirányítós tankom és egy 3csatornás helikopterem. előre is köszönöm
És mi ellen szeretnél harcolni? Tudás? nem akarok tudni semmit mondjatok meg mindent? Ne haragudj, de erre a ?kérdére? milyen választ vársz?
Hát igazából semmi ellen ilyesmit szeretnék http://www.youtube.com/watch?v=6NNY1_MoAjw
A válasz ablakban található egy LINK feliratú gomb. Na, azzal pont a linkeket lehet beilleszteni.
Az elektronikához és az MCU-khoz mennyire értersz? Bár sejtem a választ...
Tudnál segíteni, egy rajz összeállításában? A PIC után tennék még egy IC-t, ami a kimenetén már minuszt kapcsolna, így használható lenne a közös anódos kijelző is. És így nem kellene előtét ellenállás.
Szívesen, de legalább azt áruld el, milyen PIC és milyen kijelző? Ellenállás mindenképpen kell. Leszámítva azt az esetet, amikor kék kijelzőt használsz, 3V tápfeszültéggel.
16F628A. Kijelző, hát az úgy van, hogy mindenféle színben készítenék. Sima 14mmes kijelző. 1 darab. Ami a lényeg, hogy mindezt az egész vezérlést, a kijelző mögé akarom rejteni, tehát SMD alaktrészek, és minél kevesebb kelljen hozzá.
Közös anódos, vagy közös katódos a kijelző?
Katódos kijelző jó volna, mert akkor ahoz elég csak ellenállás, viszont félek attól, hogy felemás fényerő lesz. Ha nem is felemás fényerő, de gyengén fog világítani. Cáfolj meg ha nem. Anódos kijelző jó lenne, hogy erősebb fénye legyen, mivel külön ICről vezérelném, így szerintem kizárva a felemás fényerőket. Viszont ekkor kell +1 SMD IC.
Hello!
Rajzoltam egy egyszerűbbet, ez ha a panelt és a sorkapcsot nem számítod, kb. 250Ft-ból kijön. Kb. 2A-ig terhelhető. üdv! proli007
Google, megkeresteted vele az adatlapját, és megnézed
Nem kéne hasracsapva beszólni. Én letöltöttem, és megnéztem. Nem találtam meg benne.
Ha felemás a fényerő, akkor valami más nem gömbölyű. Lerajzoltam egy lehetséges megoldást, a jelöletlen ellenállások legalább 470 Ohm-osak legyenek. A PIC nem használt lábaival kell még csinálni valamit.
A hozzászólás módosítva: Dec 30, 2012
Nem írtad, hogy leszedted... De elég meredek, ha nincs benne (alapvető adat).
Itt van a rendes, részletes adatlapja...
Igaz, ez az S verzsön. @nedudgi : Ja, az előzőt azt hittem, sanykaraj írta. De nemtom, én előbb addig gúglizok, amíg ki nem folyik a szemem, és akkor kérdezek, ha nem találok valamit... A PT2308 -ra tényleg csak az a semmi adatlap volt, de pt2308 current, max current -re már 2. találat volt ez
Köszönöm szépen a rajzot. Majd keresek valakit, aki meg is tudja nekem valósítani, egy próbát megér
![]() Sajnos nemtudom mennyi A terhelésen van, de majd lemérem. Annyit tudok, hogy az egyik 10, következő 4, harmadik pedig 3W-ot húz a 220-as hálózatról. Egy ilyennel mértem le ezeket: Fogyasztásmérő Ha jól emlékszem ampert is képes mérni, csak most nem vagyok otthon, hogy leellenőrizzem, de majd jövőre megelytem ezt is ![]() Ja, mégvalami....akkor ez a kapcsolás felkapcsoláskor is meg lekapcsoláskor is halványít ugye?
Jajj, de nem szakmaiként feltünt, hogy a 12V-os oldalon van a kapcsoló, ami nekem sajnos a 12V-os táp előtt van a 220-as oldalon :-/ nade gondolom ebben az esetben a kapcsolót csak simán kikell iktatni, nem? Amint a táp megkapja a feszültséget, ugyanúgy játszódik le a "felhalványulás" és az elhalványulás is...ugye jól gondolom?!
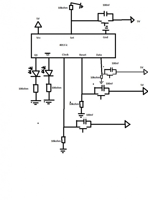
Üdv! Mellékeltem egy kapcsolást egy 4013as ic bekötéséről nyomógombokat akarok kötni a bemeneteire , ezzel akarom megnézni "élőben" a működését és az lenne a kérdésem , hogy jó -e a kapcsolási rajz?
Tudna ebben valaki segíteni. nem akar működni: Bővebben: Link
Hello!
Ezzel 230V-os oldalról, nem tudod üzemeltetni maximum a bekapcsolás alatt. Mer ahhoz a 230V-ot kellene szabályozni. Ha kikapcsolod a tápfeszt, akkor miből táplálkozzon az alatt mikor csökken a fényerő? Ha valamit szeretnél, akkor ott pontosan kell fogalmazni. Mert Te 12V-ról beszéltél. üdv! proli007
Hello!
Jó, de azt ne várd, hogy tápfesz bekapcsolásakor határozott alaphelyzete legyen. Mert az, a tápfesz megjelenésének sebességétől, és az alkatrészek szórásától fog függni. üdv! proli007
Tehát akkor a bekapcsoláskor a két kimenet random állapotba van?
Lehet nem volt pontos a fogalmazásom, bocsánat ezért
![]() Szóval a mostani rendszer így működik: Van egy távirányítóval kapcsolható gyugaszoló aljzat ilyen Ebből megy a kábel a tápba, ami egy ilyen És a tábol pedig megy a ledszalagbol kialakított üvegpolc világító modulokhoz, aminek a végeredménye ez Szóval a táp és a led modulok közé kellene ez az áramkör, ami bekapcsoláskor fokozatosann felerősíti a ledek fényerejét, majd lekapcsoláskor elhalványítsa azokat.
Sziasztok!
78XX IC adatlapján hol találom, hogy mikor kell hűtőborda? Egy példa(remélem jól számolok): 15VAC a tápom ebből kapok 21,2 VDC 8db 12VDC relét szeretnék kapcsolni egyenként 30mA áramfelvétellel. Tehát veszek egy TO220 tokozású 7812-t. A teljes áramfelvételem 240 mA lesz. Az eldisszipálandó feszültségem 9.2V. 240mA esetén a teljes disszipáció: 2,2W Ez nem tűnik soknak, de az IC mégis tűz forró lesz. Kerestem, de nem (vettem észte)/(találtam meg), hogy milyen teljesítmény felett kell a hűtőborda. Ha nem szeretnék hűtőbordát akkor mivel járok jobban? 12V step-down converter 7812 helyett vagy relénként Z-diódás feszültség adás?
Szia!
Ez a 2,2W azért elég sok egy nulla hűtőfelületű eszköz számára. Köss 9V-ot egy 33 ohm 5W-os ellenállásra, aminek hasonló a felülete, mint a 78xx-nek és meglátod, hogy mennyire fel tud melegedni. |
Bejelentkezés
Hirdetés |









