Fórum témák

» Több friss téma
Fórum » Erősítő mindig és mindig
Mielőtt kérdezel, a következő két dolgot ellenőrizd! I. A helyes tápfeszültségek megléte. II. A kimeneten van-e egyenfeszültség. Élesztés.
Lapozás: OK   1210 / 2566
(#) blasz válasza reloop hozzászólására (») Jan 6, 2013 /
 
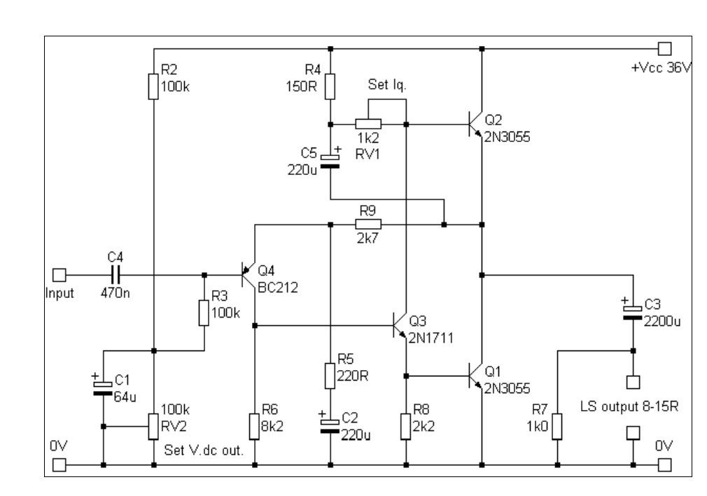
Most már kétségeim vannak,a + beépített 2 szürő kondi miatt,hagyjam,vagy sem?

Bővebben: Link
(#) reloop válasza blasz hozzászólására (») Jan 6, 2013 /
 
Elvileg nem itt korrigáljuk a frekvenciamenetet, de ha tetszik a hangja hagyd benne nyugodtan. Mint írtam nem példa nélküli a megoldásod.
(#) blasz válasza reloop hozzászólására (») Jan 6, 2013 /
 
Köszönöm, a hangja az én fülemnek jó,problémát,zavart, semmit nem érzékeltem
(#) ZSozsóó válasza reloop hozzászólására (») Jan 6, 2013 /
 
Szia! Nem nézegettem a képet (nincs kedvem bogozgatni) , hozzászólásban emlékeim szerint 470nF -ról volt szó. Aki akarja, szüntesse meg nagy frekvencián a visszacsatolást, nekem teljesen mindegy. Az általános gyakorlat épp az ellenkezője szokott lenni szerintem! Csak erre akartam célozni! Szép napot mindenkinek! Zs.
(#) blasz válasza ZSozsóó hozzászólására (») Jan 6, 2013 /
 
Szerintem kár ezen elmélkedni,nem mindig ugyan az a gyakorlat,elmélet,dirrekte meghajtottam tegnap még, és azon kívül hogy kicsit lekellet tekernem 10-ről 6 ra a magas potit az elő fokon semmi a világon nem történt negatívba.Szól rendesen.Lehet igazad van egyébként de szkóp hiányában nem tudok mérni semmit.3 pár végfok van ezzel a kapcsolással megépitve,ennek a "legtelibb"a hangja
(#) ZSozsóó válasza blasz hozzászólására (») Jan 6, 2013 /
 
Egy szóval sem mondtam, hogy nem működik. A gyakorlat ez esetben biztosan az, mint az elmélet. Növekvő frekvenciák felé az erősítésed közeledik a nyílt hurkú erősítés felé! Mivel lehidegíted a kondenzátorral a visszacsatolást, ami csak az "alacsony" frekvenciák felé él (ahol a kondi nem söntöli az ellenállást). Egyszerűen csak magát a lépést nem értem, ami ide vezetett... Zs.
(#) blasz válasza ZSozsóó hozzászólására (») Jan 6, 2013 /
 
A választ el sem fogod hinni:két plazma tv hangfalon szoktam próbálni az elkészült végeket,ezek 15w-k csak,és kimentek a magasak benne,de nem vettem észre elsőre,ezért kezdtem kísérletezni,ez lett az eredménye,a hangja megtetszett,igy maradt.Ennyi,semmi tudományos nincs mögötte,irtam amatőr vagyok próbálkoztam,számomra bejött.
(#) Elektro Boy válasza reloop hozzászólására (») Jan 6, 2013 /
 
A hangerőt cseréltem, de a balance is már kissé elhasználódott, ahogy észre vettem.
A balance-hoz milyen potméter való?
A hozzászólás módosítva: Jan 6, 2013
(#) Petyaa válasza kadarist hozzászólására (») Jan 6, 2013 /
 
Helló. Megcseréltem a bal felső kondi polaritását, de a gond továbbra is fent áll :S
Lehet, hogy tönkrement emiatt, hogy eddig fordítva volt bekötve?
(#) Spyro1411 hozzászólása Jan 6, 2013 /
 
Helló!
Most kaptam egy egy 310VA-es 24V os trafót... Az lenne a kérdésem, hogy egy ilyen trafóból lehet-e erősítő tápja? Ha lehet, akkor kapcsolást kaphatok? Valami izmosabb erősítőt szeretnék építeni, ami kihasználná a trafó teljesítményét.
(#) vipera1997 válasza Spyro1411 hozzászólására (») Jan 6, 2013 /
 
Lehet de csak 250W-ot érdemes kiszedni belőle!
(#) Spyro1411 hozzászólása Jan 6, 2013 /
 
Én egy 2X100W-os sztereóra gondoltam... Vagy egy 200-150W subwoofer erősítőt.
(#) Doncso válasza Spyro1411 hozzászólására (») Jan 6, 2013 / 1
 
Át kellene tekerned, mert így nem fog sikerülni a mutatvány. 1*24v nem jó.
(#) Spyro1411 válasza Doncso hozzászólására (») Jan 6, 2013 /
 
Mi vele a probléma? Kevés az 1*24V?
(#) blasz válasza Spyro1411 hozzászólására (») Jan 6, 2013 / 1
 
Kevés kapcsolás van egyszeres tápról,33v lesz egyenirányítás után gondolom ez csak valamilyen ic-s végnek elég,a kívánt teljesítményhez
A hozzászólás módosítva: Jan 6, 2013
(#) Spyro1411 válasza blasz hozzászólására (») Jan 6, 2013 /
 
Én is ettől tartok, de mégis tudnál küldeni egy kapcsolást, aminek elég az egyszeres táp?
Valami A osztálybeli csoda is lehet
(#) vipera1997 válasza Spyro1411 hozzászólására (») Jan 6, 2013 1 /
 
TDA7294 egyszeres tápról is lemegy az 100W/8ohm
(#) blasz válasza Spyro1411 hozzászólására (») Jan 6, 2013 / 1
 
Nem ismerek ilyet,Ic-s véggel nem foglalkozom,a teljesítmény erősítőkhöz meg kell a kettős-táp.Bár vannak itt Szakik akik tudnak erre megoldást,én nem.
(#) Tetye válasza Spyro1411 hozzászólására (») Jan 6, 2013 / 1
 
TDA7294 bukta.
1 - Szimmetrikus táp kell neki.
2 - +-31V on 6 Ohm mellett tud 70W-ot.
3 - Neki szimpla 33V-ja lesz kb.
4 - Nem "A" osztály.
Javaslat, nézd meg ezeket:
Bővebben: Link1
Bővebben: Link2
Bővebben: Link3
Igaz nem "A" osztály, nem 8Ohm 100W de egy 24V-os trafótól többet ne várj.
Üdv.
A hozzászólás módosítva: Jan 6, 2013
(#) blasz válasza vipera1997 hozzászólására (») Jan 6, 2013 / 1
 
Előre bocsátom csak a saját véleményemet mondom,én azért nem Ic-zem,mert nagyon melegszik,akkora borda kell neki mint egy rendes végfoknak.egyszer volt izzott állandóan,mint egy A osztályú,és hiába volt benne integrált védelem,megadta magát.Azóta csak tranzisztoros,vagy fet
(#) Spyro1411 válasza blasz hozzászólására (») Jan 6, 2013 /
 
A kettős táp az ilyen földpontos tápnak kell érteni ugye?
Amikor sorba van kötve két kondi és a két kondi közé kell kötni a két szekunder egy kivezetését és így ott lesz a földpont... (nagy vonalakban ennyi Legalábbis én ezt így képzelem.)
(#) Tetye válasza Spyro1411 hozzászólására (») Jan 6, 2013 / 1
 
Kis olvasnivaló mielőtt beleugrasz.
Ezt nézd át mindenképp hasznos lehet.
(#) Spyro1411 válasza Tetye hozzászólására (») Jan 6, 2013 /
 
Köszönöm ez nagyon hasznos mindenképpen elolvasom.
(#) vipera1997 válasza blasz hozzászólására (») Jan 6, 2013 / 1
 
Nekem van ic-s és tranzisztoros is.fete nincs szerintem nagyon diorága a fet.
(#) reloop válasza Spyro1411 hozzászólására (») Jan 6, 2013 / 1
 
Szia! A osztályban JLH-t, vagy DoZ-t ajánlok.
Ezt az egytápos TDA7294 hidat kimondottan 1x24VAC-s szekunderű trafóhoz készítettem. 55W-ot ad le 4 ohm-ra. Igen megbízható darabnak bizonyult, hosszú fejlesztési folyamat nyitánya volt. A részleteket a TDA7294 témában találod.
Nem ördögtől való a 24V feszültségkétszerező egyenirányítása sem. Ez esetben a +/-30V-os erősítők tárháza nyílik meg előtted.
(#) Spyro1411 válasza reloop hozzászólására (») Jan 6, 2013 /
 
A DOZ az már készülget... Még jó, hogy írtam a trafó végett, most már többet tudok a tápegységekről. Viszont most felmerül bennem egy kérdés, méghozzá a JLH kapcsolása kapcsán. A kapcsoláson 0V van írva, nem pedig -36V, ez azt jelenti, hogy a földpontot kell oda kötni?
(#) reloop válasza Spyro1411 hozzászólására (») Jan 6, 2013 / 1
 
A test a vonatkoztatási rendszer, ott van 0V. Ehhez képest mérjük a tápokat. A JLH a testhez képest csak pozitív feszültséget kap.
(#) Spyro1411 válasza reloop hozzászólására (») Jan 6, 2013 /
 
A DOZ erősítőnél szükség van földpontra? Mert, ha igen akkor csinálok neki egy olyan tápot... Eddig nekem a tápegység annyiból állt, hogy greatz után egy kondi párhuzamosan és kész. Igaz, hogy pár IC-s erősítő és a DOZ-on kívül nem csináltam más erősítőt.
A hozzászólás módosítva: Jan 6, 2013
(#) reloop válasza Spyro1411 hozzászólására (») Jan 6, 2013 / 1
 
A DoZ tápját minden bizonnyal jól készítetted el.
Nevezetesebb földpontok a jelföld, teljesítményföld és az érintésvédelmi-föld. Ezek összekötésére illetve nem összekötésére helyzettől függően alakulnak a szabályok.
(#) Spyro1411 válasza reloop hozzászólására (») Jan 7, 2013 /
 
A jelföld az az ami ezen a képen GND-vel van jelölve, védőföld az pedig a konnektroron található kis kiálló fém rész. (legalábbis eddig ha valaki megkérdezné ezt felelném) A teljesítmény földről viszont most hallok először... Elmondanád, hogy az micsoda?
Következő: »»   1210 / 2566
Bejelentkezés

Belépés

Hirdetés
XDT.hu
Az oldalon sütiket használunk a helyes működéshez. Bővebb információt az adatvédelmi szabályzatban olvashatsz. Megértettem