Fórum témák
» Több friss téma |
Fórum » Csöves erősítő készítése
Ne feledd betartani a fórum viselkedési szabályait, és a topik megmaradásának feltételeit. [link]
A téma átmenetileg fagyasztva lett, hozzászólni nem tudsz!
Köszi a választ ha kihagyom a hangszinező cuccokat elvileg úgy is működni fog nem?
Elviekben működne,de csatolókondi,meg rácslevezető ellenállás,ha épp nem a hangerőpotméter az(bár ez nem a legjobb megoldás),mindenképpen kell.
Nekem olyasmi rémlik, hogy a katódkövető nem igazán erősíti a feszültséget...
A félvezetős, hasonló kapcsolás - emitterkövető - például biztosan nem, kisimpedanciát szolgáltat, terhelhetővé teszi a bemenő jelet a továbbiakban.
Elsőként javaslom megismerni az elektroncső működését. Nem sok, 3 alapkapcsolás van. Ez az egyik. Ha fejre állsz sem fog erősíteni. www.elektroncso.hu
Üdv Mindenkinek.
Végül sikerült tökéletesen brumm és síp mentesre kreálni a készüléket, már csak a potméter kivezető lyukát kell kifúrni. Viszont a hálózati trafó meglehetősen melegszik. Vagyis 1-2 óra használat után az oldalai tűzforrók, nem is annyira a tekercsek. pedig a gyártói adatok:72 VA, Primer: 230 V, szekunder 2*230 V 0,1 A; 6,3 V 1,2 A ; 6,3 V 3 A
Igazad lehet. Azt miként tegyem? Gondolom az egyik ellenállás értékét kellene növelni, de melyiket?
Szia
Igazad van, de átalakítható 3 változat közól bármelyikre-ha nem tévedek Másik kérdés, alkalmas-e rá a cső, hogy feszültségerősítő fokozatnak használjam? Esetleg van-e már ilyen elkészült projectje valakinek?
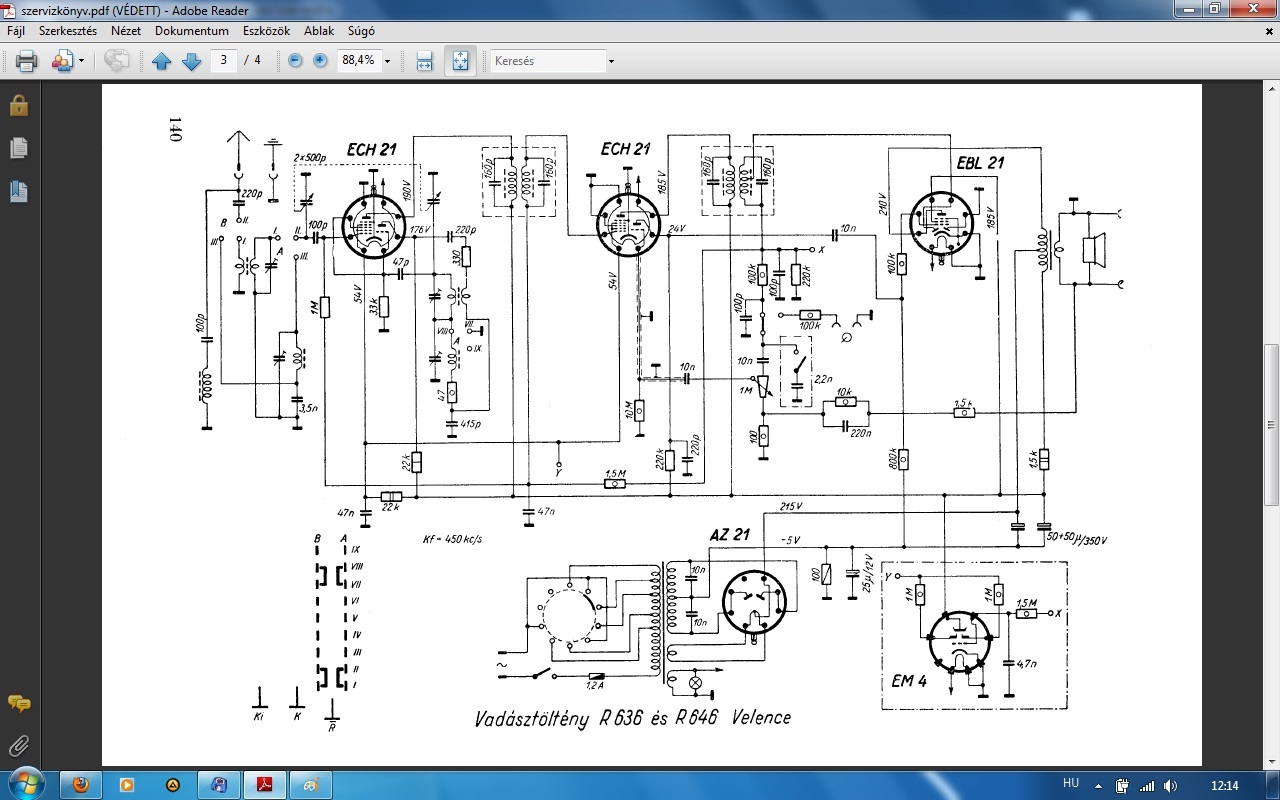
Haladtam közben a régebben megemlített Velence rádiós projectel is
Pár kondit megevett az idő, ezért nem volt semmi hangja, illetve pár kábelt vissza kellett keresnem, mert le volt szakadva-ráment az egész estém, de legalább szól Mély hang az tényleg közelít a nullához, viszont elég szép közép és magas hang jön ki belőle(Arcus AS3 fallal) Az egyik hibátlanul szól a másik brummos, van benne egy kondi amit nem cseréltem, mert a véleményetekre volnék kíváncsi, a brummosban totál széthullot (fóliakondi volt) Az említett kondin ez áll 220/20 (22pF/20V feszültségértéknek kicsi, 20pF/220V reálísabb, de inkább biztosra mennék, C mérőm még nem érkezett meg) Szóval az lenne a kérdés, hogy az a kék csőkondi milyen értékű lehet?
Időközben nem hagyott nyugodni a dolog
Tettem bele egy 20pFat, de nem változott Viszont volt még egy hibás kondi, az volt a bibis 1. cső alatt található 47nF kondi is ki volt rohadva, most kicseréltem az összes régi Remix kondit és szépen megy De még mindig forró a végcső, ebben segítségre szorulok még mindig
Szia! Úgy látom "megelőztél".. és megoldottad.
Szóval az a kék egy csőkerámia kondenzátor.. meg lennék lepve ha zárlatos,vagy szakadt volna... ha egyáltalán bármi baja is volna. Azokból rosszat én még nem láttam. Ellenben az NCMP 432-es nagyobb feszültségü epoxy aluházas kondikból. Szivárognak rendesen.. a képen látszik hogy az egyiket már tuti cserélték,mert az a Striloflex fólia nem eredeti.. de azok is jó kondik.
A 'forró végcső' teljesen normális, sőt feltétele a helyes működésnek! Ezeknek ennyi az üzemi hőmérséklete, teljesítménytől és felépítéstől függően 85-160 °C. Eleve addig meg sem szólal a csöves erősítő, amíg nem melegszik fel benne a fűtőszál - ez nagyjából fél-1 perc szokott lenni. De azt mondják, hogy kb. 1 óra melegedés után kezd el igazán szépen szólni egy ilyen végfok. Szóval itt az lenne a baj, ha hideg maradna
Igen,ezt hagytam le a hozzászólásomból.. eszembe jutott.. kösz..
Azt hiszem 6550 adatlapot néztem, (már nem vagyok biztos), ahol üzemi burahőmérséklet leghidegebb ponton, lézerrel mérve 260 fok volt megadva.
Igazad van, de a másikban nem kerámiacső volt ezt is leírtam
Másikban valamilyen fólia volt ami elrohadt Tomi94-köszönöm az infót Tudtam, hogy felfűtési idő alatt nincs hang, csak nem tudtam mennyire normális ez a hőfok
Ha csak azt nézed, hogy a cső wolfram fűtőszála pirosan izzik, az már önmagában 600 Co feletti hőmérsékletet feltételez. Akkor talán érthető a búra magas hőfoka.
Ez félig jogos
Kérdés mekkora teljesítménnyel fűt, mert ha kicsivel nem bírja az üveget átfűteni sem Ezért is kérdeztem, azért köszi
Végcsőnél nyilván többel, mint egy szimpla triódánál. De azt sem tudod megfogni, (csak öreg szakik, akik már hozzászoktak ehhez a manőverhez) hogy üzem közben kihúzzad. A búra hőmérséklete nyilván függ a felületétől is, nemcsak a fűtőszál teljesítményétől, és ehhez még végcső esetén hozzászámolhatod az eldisszipált jelentős teljesítményt is.
persze ki lehetne számolni konkrét értékeket is arra nézve, hogy mekkora a búra hőfoka, de nem sok értelme van normális működés esetén. Persze láttam már olyat, amikor a felizzott anód miatt kilágyult az üvegbúra, és szépen behorpadt. De ez már durva túlterhelés esetén következik be. Nagy, és igen nagy teljesítményű csöveknél, pedig alkalmaznak léghűtést, és vízhűtést is, de azért ilyesmit otthon nemigen kell készíteni, már a nagy energia felhasználás miatt sem. A hozzászólás módosítva: Feb 16, 2013
Pontosan, nem tervezőirodában vagyunk
![]() Behorpadt buráról még nem hallottam, csóró cső... Home made vízhűtés egy pohár vízzel lecsolom és kész
És főleg nem elektroncső tervező irodában. Közönséges kisteljesítményű csövek úgy vannak tervezve, hogy ne kelljen külön hűtésről gondoskodni a normális környezeti hőmérséklet tartományban. Amennyiben valamilyen korlátozás van, pl. nagyobb teljesítményű csövek esetén, ott erre nézve az adatlapon utalás van, pl. a beépítési helyzetre. De mindíg elegendő a normál ventilációs hűtés. Nagyobb csőszámú, összetettebb berendezés esetén kell forszírozott ventilációs hűtést alkalmazni, de ilyen néhány csöves, és szellősre épített erősítőknél ez nem probléma.
A vízzel leöntés, biztos repedés, hacsak nem 100 fokos vízzel teszed, bár akkor sem tuti, hogy megúszod.
Egy gyors kérdés
el tudod nekem mondania lábak nevét? g1-g2-g3 d1-d2 g1-rács? g2-segédrács? Cső bekötése Thx* *Ntil! Mod. A hozzászólás módosítva: Feb 16, 2013
Miért ne?
g1 - vezérlőrács. Erre a lábra csatoljuk az erősítendő jelet g2 - segédrács. Erre a lábra állandó pozitív feszültséget adunk, kb az anódfeszültségnek megfelelőt. Olyan mint egy anód, a cső működését stabilizálja, csökkentve az anód visszahatást. g3 - fékező rács. Ez mindíg a katód potenciáljára kötendő, az anód szekunder emissziójából származó elektronokat visszaküldi az anódra. d1 - az egyik dióda anód. Demodulátor dióda, az AM jel demodulálásához. d2 - második dióda anód. Egyenirányító dióda az bemenőjellel arányos egyenfeszültség előállításához az AGC számára. A két dióda funkciója felcserélhető, de azért jó ha van két dióda, mert az AGC feszültséget késleltetni (csak egy bizonyos vételi szint felleti működésre) szokták, és ezt a jelet könnyebb így előállítani. Mondjuk, ezt hangfrekvenciás erősítőben nem sűrűn használják, de lehet vele a vezérlő jellel arányos egyenfeszültséget előállítani, kivezérlés jelzés céljára. A hozzászólás módosítva: Feb 16, 2013
Sziasztok
Elkeztem épiteni a Jolida 302B -t. A tápegység rész némileg készen van. Töltök fel pár képet észrevételeket véleményeket szivesen várom. Köszönöm
Hol lehet ilyen kondikat venni ? Az a vasreszelékszerű anyag mi a kondik alján? Milyen ellenállások ezek ?
Partsconnexion -ról rendeltem az ellenálásokat Kiwame a gyártójuk azt olvastam, hogy az allen bradley és a Riken ellenállások után ezeknek a legjobb a hangjuk szóval mindenhova ilyen tipusút raktam. A kondikat szintén partsconnexion -ról rendeltem az elektrolitek márkája Nichikon a polipropilén kondiké Multicap . Alattuk szivacs van, megfigyeltem, hogy a legjobb elektrolit kondik alján gyárilag van valamilyen szivacsféle anyag, gondolom a fegyverzet védelmében. De ebben nem vagyok biztos.
A hozzászólás módosítva: Feb 16, 2013
Első erősítő létére amint látom raksz bele rendesen anyagot. Milyen (gyártmányú) csöveket fogsz benne használni?
Kimenők ?
Electro harmonix ra gondoltam de még nemtudom. Hát egyik hobbielektronikás tag mc-4 ajánlotta Pávó Ferenc-et. De még nembeszéltem vele, hogy el e vállalna.
A hozzászólás módosítva: Feb 16, 2013
Azt a szivacsot leszedtem volna beforrasztás előtt....
|
Bejelentkezés
Hirdetés |




Szóval az a kék egy csőkerámia kondenzátor.. meg lennék lepve ha zárlatos,vagy szakadt volna... ha egyáltalán bármi baja is volna. 



