Fórum témák

» Több friss téma
Fórum » Hűtőventilátor elektronika
Lapozás: OK   1 / 1
(#) pkedvessy hozzászólása Nov 6, 2007 /
 
Sziasztok!

Valaki tudna nekem segíteni abban, hogy a hűtőventillátorokban milyen vezérlő elektronika van? Pontosabban hogy az a kis IC, ami benne van, az mit csinál?
Szétszedtem egy 8cm-est ami egy tápból van, abban egy 277 029F jelzésű IC van, egy másikban, ami procihűtő, abban pedig egy 277 051F jelzésű! Mi lehet ezeknek a pontos típusa hogy adatlapot találjak hozzájuk?

Előre is köszönöm a segítséget!
(#) Sebi válasza pkedvessy hozzászólására (») Nov 6, 2007 /
 
IC-set még nem szedtem szét, de a legtöbb típusban kettő darab tranyó hajtja a két tekercset, és a vasmag légrése melletti Hall-elem vezérli a váltást. (vagy egyik, vagy a másik tekercs van bekapcsolva)
A hall-elem bipoláris típus, tehát É-i pólusra bekacsol, D-i pólusra pedig ki. (a forgórész szektorosan mágnesezett gyűrű)
Az IC sem tehet mást, ez a feladat.
(#) valve válasza Sebi hozzászólására (») Nov 6, 2007 /
 
Tamogatlak! En sem lattam meg ICs huttoventit, nem tudom elkepzelni minek raknanak bele integraltat,.. Vagy azok a dragabbak verziokban van benne? Amgy szerintem a ventinek ugye 3 laba van + / - es a jel (h hogyan porogjon a venti) magasabb hofokon jobban alacsonyabban kevesbe,.. Szerintem precizebb rpm szabalyozas van belekutyulve az ic-ebe
(#) gg630504 válasza valve hozzászólására (») Nov 6, 2007 /
 
A 3. ( sárga ) kivezetés a ventilátorból ad jelet vissza. Morzegyakorló ventiátorból
(#) kisedison hozzászólása Szept 25, 2008 /
 
Még én sem szedtem szét IC-s ventillátort. Van egyáltalán olyan?
(#) greeneye hozzászólása Okt 23, 2011 /
 
Szerbusztok, a többi témában leszabályozást találtam, de nekem felfele kéne és ehhez leírnám mi a gondom.

Tápegységben kell cserélnem a ventilátort, de ami csendes és légszállításban OK az nagyon drága volt. Relatíve jó áron adták a Coolink Swif2 1200-t (12cm 3pin, nem pwn-es), aminek a fordulata le van csökkentve 800ra és ez kevés (1200rpm-es swif2 1201 típus is létezik, de egész Debrecenben nem találtam).

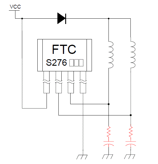
Első dolgom volt, hogy a bemenő 12V-on keressek ellenállást de ott nincs, a tekercsek vannak 1-1 ellenállással a negatív felé kikötve 1-1 kondival sorosan. A mellékelt rajzra nem jelöltem a sensor kimenetet (2 ellenállás + 1 tranzisztor) mert itt nincs jelentősége. Megnéztem az IC adatlapját (csatoltam szintén), de nem jöttem rá mivel lehet a futását szabályozni. A leírás a példakapcsolásban pl elhagyja a berajzolt két ellenállást így fogtam és én is elhagytam, erre a fordulat 500-ra csökkent.
Tudom logikus lenne akkor ellenállást növelni, de tesztelni csak összerakva tudom, SMD-zni kell annyiszor, kivezetékezni nem szeretném és minden szétszedéssel kockáztatom a folyadékcsapágy épségét (tengellyel együtt vehető csak ki, nincs átellenben zégergyűrű). A kondik vagy 2,2 vagy 22µF-esek (tekercs alatt alig látszanak) a kivett ellenállások 18 Ohmosak voltak.

Megj: az adatlap angol ugyan, de megtekintéséhez le kell tölteni ezt a nyelvi csomagot sajnos: Link

Előre is köszönöm a szakértelmeteket!
(#) greeneye válasza greeneye hozzászólására (») Okt 24, 2011 /
 
Ma megcsináltam, hogy kivettem a korábban az ellenállások helyére betett áthidalásokat. Ezzel a kondik pozitív lábai levegőbe kerültek és jelenleg az áramkör nem más mint a Hall IC + tekercsek (ill. + bemenő ágon egy dióda amit elfelejtettem korábban lerajzolni). Így a fordulat 500-ról 700 lett. Nem tudok rájönni mi a kondik + ellenállások funkciója.

Még egy adatlapot csatoltam, mert azon látszik az én általam megrajzolt kapcsolás is.
(#) gdbillie hozzászólása Jún 7, 2012 /
 
Sziasztok! Elég kezdő vagyok a témában, előre is bocs a tudatlanságomért. Csináltam egy AN17830A erősítőt. Az a problémám vele, hogy az ic nagyon melegszik, pedig jókora hűtőbordát raktam rá, és mégis. Ezért kitaláltam, hogy teszek bele gy ventiltáort. Találtam is megfelelő ventiltárot, viszont a problémám az, hogy 12 voltról üzemel, az erősítőm pedig 16 voltról. Hogyan tudnám megoldani, hogy ne rontsam el a ventiltárt, de hűtsön is. (Egyébként 12 voltos trafóról megy az erősítő, és az van egyenirányítva, és így 16 voltot kapok) Előre is köszi a segítséget.
(#) bagoly82 hozzászólása Júl 11, 2016 /
 
Sziasztok!

Segítségetek szeretném kérni.
Adott az alábbi típusú ventilátor.A baja hogy nem kapcsol be a ventilátor és a fűtőszál.
Az alap áramköröket és reléket megvizsgáltam,jelen tudásom szerint nem hibásak.
Viszont találtam egy biztosítékot,de pontosan nem tudom mi ez.
Ezen áram nem folyik át. Műszerrel megmérve szakadt az áramkör.
Ellenállás mérésre sem mutat semmit!

Ennek itt mi a szerepe? Esetleg át lehet hidalni? 2-es kép!

Válaszotokat előre is köszönöm,

1.jpg

2.jpg
   
(#) vargaf válasza bagoly82 hozzászólására (») Júl 11, 2016 /
 
Az egy hőbiztosíték, védelemnek építették be. Azt kiiktatni nem célszerű, pótolni kell. A hibátlan hőbiztosíték rövidzárként működik. Egy rövid próba idejére összezárható.
(#) qvasz2 válasza bagoly82 hozzászólására (») Júl 11, 2016 /
 
Lehet egy hőbizti. Át lehet kötni egy próbára, de nélküle én nem használnám, mert tűzveszélyes!
(#) bagoly82 hozzászólása Júl 11, 2016 /
 
CB845 10A ez van feltűntetve rajta.
Létezik,hogy ez tönkre tud menni?
Esetleg besűl és nem old vissza?

Hol tudnék beszerezni ilyet?
(#) vargaf válasza bagoly82 hozzászólására (») Júl 11, 2016 /
 
Miért ne létezne? Ha egy megadott hőmérsékletet elér akkor kiolvad. Mitől tudna visszaoldani? Mi az hogy "besül"? Biztosan beszerezhető, legfeljebb helyettesítő típussal kell pótolni:
Hőbiztosítékok
A hozzászólás módosítva: Júl 11, 2016
Következő: »»   1 / 1
Bejelentkezés

Belépés

Hirdetés
XDT.hu
Az oldalon sütiket használunk a helyes működéshez. Bővebb információt az adatvédelmi szabályzatban olvashatsz. Megértettem