Fórum témák
» Több friss téma |
Fórum » Propeller Clock
Sajnálom, nem tudtam. Igazából azt szeretném megtudni, hogy 100-200 mA-t át lehet vele vinni?
Sziasztok!
Sikerult nekem is elkesziteni az elso oramat. Az osszes szukseges informaciot a forumon olvastam, koszonom az elottem epitoknek! Ime kep rola.
Nagyon szép lett! Gratulálok!
Egy video rola itt.
Elismerésem
! Nem csak az elektronika teszi a dolgát, de sikerült stílusos külsőt is varázsolnod hozzá. Szinte mint egy gyári készülék! Szép lett.
Sziasztok!
Van néhány capstan motorom ami jó lenne a propeller órához is. Eddig nem sikerült sehogy se elindítanom őket (mondjuk nagyon nem is akartam próbálkozni adatlap nélkül), esetleg valakinek ha netalán sikerült volna elindítani valamelyiket megírhatná, hogy is kell bekötni. Adatlapot nem találtam eddig. BA6414FS CXA8005 LB11882N CXA8005AS A hozzászólás módosítva: Ápr 5, 2013
Sziasztok! Nagyon régóta fenem a fogam egy propeller óra megcsinálására, de nem feltétlenül tetszik a motor, mint meghajtó. Van esetleg valakinek csapágymentes, vagy lebegőcsapágyas - esetleg más - kulturált megoldása a mechanikára? Főleg vízszintes tengelyű megoldást keresek.
Szia!
PC ventillátor. Van olyan, amit a mágneses tér tart a helyén, bár ennek hátránya lehet, hogyha nagy a rotor súlya akkor nem tudja kiemelni. Illetve vannak olyan PC-s ventillátorok, amiknél a csapágyazást valamiféle folyadékkal oldják meg, az teljesen zajmentes, bár az ára lehet magas.
Szia! A sima kommersz PC ventillátor évek óta megy egyik órámban! Amúgy mind ezzel megy. Siklócsapágyas a jó mert a golyócsapágyas be fog zajosodni az örvényáramok kiolvasztják belőle a zsírt nagyon forró lesz a csapágy és zajos.. A lényeg legyen kiegyensúlyozva rendesen!
Szia! 12V-os PC ventillátor? Nem zajos? Mert hálószobába szeretném tenni, ott minden zaj meghallatszik.
Szia!
Videoból bontott fejmotorral még az adatétvitelt is megoldottam a bázis és a rotor között.
Minden érdekel, ha jó megoldás jön össze a végén. Nem akarom elkapkodni.
БВГ Блок видеоголовок Как раз подойдёт
Он быстрый cup stan медленный ===================== BVG video head unit just fine it's fast cup stan slow
A hangja a rotortól függ melyiket építed meg.. A motornak nincs hangja..Én 886 SMD verziót használom évek óta a szobában nonstop üzemben halkan suhog nem zavaró (a számítógép hangja üvölt hozzá képest) néha egy parányi zsírt teszek a tengelyre (nem kell a végére tenni a zégergyűrűt a mágnes a helyén tartja zsírzáskor csak ki kell emelni a helyéről) meg letakarítom a port. Kb két havonta egyszer..
1500 оборотов в минуту вполне достаточно
на 688 я не собирал а на 628 прекрасно работает =========================== 1500 rpm is enough 688 I'm not going as well by 628 runs http://www.youtube.com/watch?v=OlbWTTwlwTs
Az ötlet nem rossz, de elég zavaró a két óralap egymáson, nappali fényben.
guldemburg, felkeltette az érdeklödésemet az órád,arra kérnélek, hogy ha módodban áll közzétennéd-e, mi alapján dolgoztál? Idöm hiányában, és tekintve az elég tartalmas és hosszú topicot nem találtam meg. köszönet érte elöre is!
Hp41C, can you help me on this....
I build propeller clock based on vicsys design (16F628A, 3mm LEDs) and run your code on it. But the date display alternatingly ON and OFF. All other features are fine. Can you or anybody help. Thank you.
Hi, could You please give the version of the code programmed.
I'm using the code version 2.23 (stated in the header file)
Date and DayOfWeek alternates at 4 sec rate. Try to send a command TWDay to the clock to disable the DayOfWeek displaying. You can find the command codeing in Keys628.asm. If Your remote controll can not send that code, You can remap codeing by editing that file and recompile the program, but all command codes mut be uniq. Or You can change the default state by editing prop628.asm, at InitTimeDef routine by changing the line:
to
Thank you Hp41C...... it much help. Another thing, is the rotation speed measurement also can be displayed by 16F628A. I tried before (changing my remote command) but not successful getting the speed measurement display. So I just made an assumption that probably it only for those using the RTC.
Hi, the rotation speed measurement needs 1 minute to get result. The clock calculates it only with rotation display turned on (no room for variables) and at minute chages. For a better reading You need to wait at least 2 minutes after activating the rotation display.
Szia! A forum 107 oldalan megtalalhato az osszes altalad kert informacio, de az egyszeruseg kedveert csatolom kiegeszitve a motor hajtassal.
Can anyone make the translation of the excel files (base and propeller) listing all the PIC that can be used in the propeller clock project? Or is there already existing such files that I'm not able to find them. Thank you so much...
sziasztok
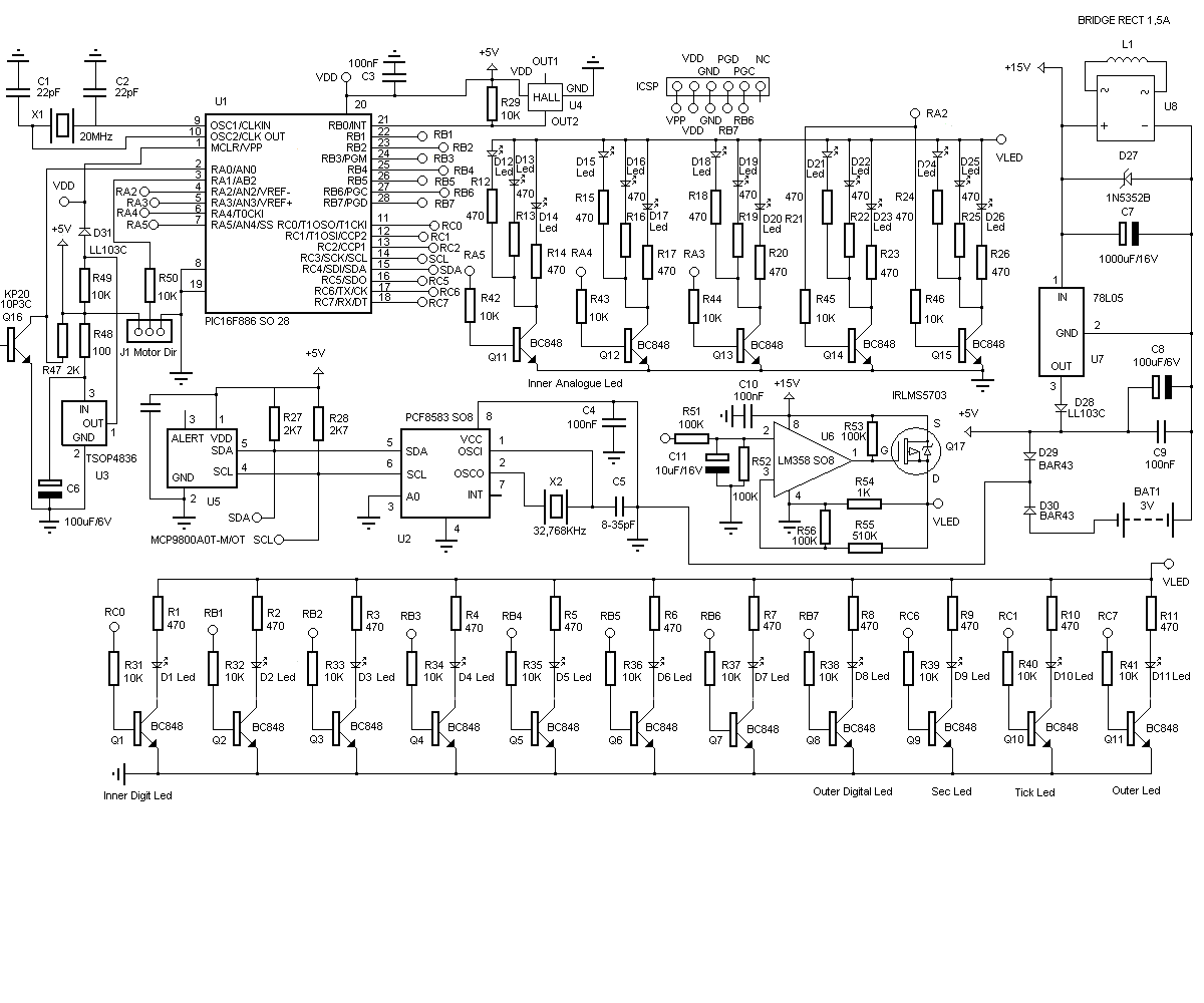
Egy ideje nem voltam fenn de vissza húz a szívem. Eldöntöttem hogy megépítem Patexati 26 ledes smd rotortját !!! figyelembe véve Hp41c fejlesztéseit is Pontosabban 2 rotort szeretnék megcsinálni egyet a lehető leg egyszerűbb bázissal olyanra gondoltam ami elfér a ventilátor motorban és egy másik rotort ami a 2550 es usb-s bázisal lesz hajtva bázis rotor kommunikációval Alkatrész vásárlás következik. Előbb lenne pár kérdésem ! Ehhez a nyomtatási rajzhoz ez a kapcsolás tartozik ? másik ezen a nyomtatott panelen kell e változtatnom hogy a bázis rotor kommunikáció működjön
Igen. Kell.
szia
Ez már az átvitelhez átalakított nyák. vagyis ez kell a 2550 es USB-s bázishoz Az egyszerűbb bázishoz is jó vagy ahhoz a másik nyák kell ? 16F886_SMD_táp.lay egy külön nyák ? hogyan kapcsolódik a rotorhoz mechanikailag és elektromosan nem egészen látom át |
Bejelentkezés
Hirdetés |





! Nem csak az elektronika teszi a dolgát, de sikerült stílusos külsőt is varázsolnod hozzá. Szinte mint egy gyári készülék! Szép lett. 


