Fórum témák
» Több friss téma |
Mielőtt kérdezel, a következő két dolgot ellenőrizd!
I. A helyes tápfeszültségek megléte.
II. A kimeneten van-e egyenfeszültség.
Élesztés.
Ilyen az, amikor rádiós ember fejleszt végfokot. Magyarországon a Pethes értett ehhez nagyon az egykori Orionban. ( lásd ST240 kompenzálása)
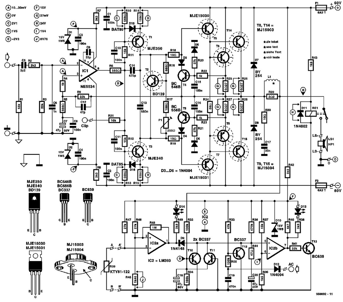
A szimulátor szerint 4-5V marad a feteken
Sziasztok!
Van egy Sony MHC-RG333 hifi erősítőm, amit átalakítanák egy sima végfoknak, és egyszerűsítenék is rajta. A végfokában STK403-130 ic van, a koppanásgátlóját és a túlmelegedés elleni védelmét venném ki mert ezt az erősítő digitális része vezérli. Jól rajzoltam át a kapcsolást? A segítséget előre is köszönöm.
Szia! A némítás kap külső vezérlést, a védelmet nyugodtan hagyd a panelon, az csak jelzést küld a vezérlő felé az állapotáról.
A hozzászólás módosítva: Ápr 10, 2013
A hestore ból meg is rendeltem remélem jó lesz,de akkor megpucolom a csúszkát is alkohollal,remélem jó lesz!sajna ottlent van vidéken az erősítő és 1-2 hetente tudok csak lemenni,de nagyon szeretném megszólaltatni!
Köszi A Választ,remélem még számíthatok a segítségetekre! Üdv:Tomsa A hozzászólás módosítva: Ápr 10, 2013
A tápágban legyen valami áramkorlátozó ha éleszted, ne égjen össze mégegyszer!
Meg tudnád írni pontosan mit is hova kössek hogy védjem?
Egy potméter csúszkáját a leghatékonyabban 6B-s ceruzával lehet javítani. Ez jól működik beszerezhetetlen hangerő potméterek recsegés mentesítése esetén is.
Végszükség esetén a 4B-s ig lemehetsz, de alább ne, mert azok már inkább leszedik a grafit réteget semmint pótolnák. A hozzászólás módosítva: Ápr 10, 2013
Sziasztok!Segítséget szeretnék kérni a következővel kapcsolatba.Van ez a PA300-as kapcsolás,és ennek a védelmét szeretném egy másik végfokhoz használni.A lényeg hogy annak a tápja +-75V.
Az R42-R43 ellenállást kicseréltem működik is csak van kettő problémám vele.Az első az igazábol nem is annyira vészes az csak annyi hogy a két LED nem alszik ki teljesen nagyon halványan világít. A másik viszont amikor kikapcsolom halható a hangszóróból egy "csattanás" tehát nem elég gyorsan old a relé!Tudna valaki segíteni a probléma megoldás illetve valami ötlet mi lehet?
Szia reloop és a többiek!
Megkérhetnélek megint abban, hogy segítesz a PA300-ban, hogy hol mi lehet a hiba hol mérjek stb...?
Hello!Nem tudja esetleg valaki hogy az APT100-ba mekkora és milyen tolópoti kell?
Köszönöm!
Első helyen adja a gugli. Bővebben: Link
Amikor a kapcsolás kimenete kifekszik valamelyik tápra, a visszacsatoló ág ezt átviszi az IC bemenetére, mert ott nincs semmiféle feszültségkorlátozó. (A Castone-ban úgy emlékszem van) Ekkora bemeneti feszültségtől az IC valószínűleg meghibásodott.
Szia! R50-et növeld meg, kb. 150k-ra. C19 ne legyen nagyobb 470nF-nál.
Az ic2-t kellene cserélnem? Meg nem tudom azt a T2-t is cseréljem mert én eddig a T5 T6-ot cseréltem szerinted kell még valamit?
Az IC1 (NE5534) cseréjére gondoltam, annak a 3-as lábára mehetett túl nagy feszültség.
A T2 kollektor-emitter között ha jól értelmeztem a legutóbbi mérésedet, akkor 3V a feszültségkülönbség, ami kicsit sok (vagy csak kerekített eredményt írtál), de a P1-gyel állítható. A helyes beállítás eredménye képpen a 0,27 ohm ellenállásokon 10-20mV lesz a feszültségesés. A T2-t minden esetre nem látom hibásnak.
Kicseréltem az ic-t. T2 C-E között 3,96V. Test és a 0,27 ohm-ok között 3,67V és most a relé megint meghúz késleltetés után. Kimeneten 3,24V folyamatosan csökken lefelé. A nyugalmi áramot amit a P1-el állítok azt hol mi közt mérem?
A hozzászólás módosítva: Ápr 10, 2013
Nyugalmi áramot az emitter ellenállásokon tudsz mérni, rajzon a G vel jelölt pontokon ami 27mV , ha az emitterek 0,27ohm osak.
Üdv,Gyuri
Az (T8,9,14,15) emitter és a test között mérjem? Az úgy nálam 3,67V volt.
Nem az R(25,26,27,28) lábain mérjed. Az ellenállás két lába között, itt azt mérjük, hogy mekkora feszültség esik az ellenálláson! Nincs köze a testhez! Ott van a rajzon az is, hogy kell mérni.
A hozzászólás módosítva: Ápr 11, 2013
Tényleg és már mondták is hogy úgy mérjem
Most egy mv sincs az ellenállások lábain mérve. A potit is hiába tekergetem nem történik semmi. És a kimeneten is már csak 0,64V van.
Na itt van nálam az erősítő, elég jól is szól, kifinomult a hangja de nekem kicsit semmilyen, jellegtelen, és kicsit puha. A dobozt és a panelt vettem, a tápot én követtem el.
Azt szeretném még kérdezni hogy a kimeneten ez a brutális tekercs... nem túl nagy egy kicsit ? Még nem láttam ekkorát erősítő kimenetén. Illetve az első diff.pár 10k-s emitterellenállása nem kicsi ? És a bemenő ellenállás ? Köszi! A hozzászólás módosítva: Ápr 11, 2013
Mikor mászkál a kimeneti egyenfeszültség, akkor első lépés a visszacsatolás kondenzátorának cseréje, mely jelen kapcsolásban C7 pozíciószámú: Bővebben: Link
Helló!Kicseréltem az R50-es ellenállást de sajna nem oldotta meg a problémát!150k-tól növeltem 200k-ig 10 kilonként de sajna semmi változás.Nos sajnos nincs ilyen irányú végzetségem,de az lenne a kérdésem hogy esetleg lehetne-e a C19-es kondival párhuzamossan kötni egy ellenállást,lesz-e valami baja vagy sem vagy ez teljesen hülyeség?Amennyiben lehetne az milyen értékű legyen vagy lehet-e ezt valahogy számolni?
Az erősítő hangolása:
- ha a Krell, Mc Intosh, MarK Levinson, Hiraga hangzás irányába akarod vinni, akkor az alsó töréspontot le kell vinni 0.1 Hz környékére és azt is úgy, hogy csak egy domináns pólus maradjon. Tehát a visszacsatolást hidegítő 100µF-ot át kell kötnöd egy 4700µF-al és a bemeneti kondit ki kell cserélni két szembe fordított 1000µF-ra. ( vigyázz, mert sokára áll be a kimeneti középfesz!) Ez esetben a tápvezetékeket szorosan össze kell sodornod. - ha a Linn, Naim, HTA30 irányába akarod vinni a hangzást, akkor a brummos tápvezetékről le kell hoznod egy legalább két töréspontos brummszűréssel a feszültséget és a bemenethez kell adnod. Mégpedig úgy, hogy a bemeneti 3,3µF-os kondit kicseréled két szembefordított 2,2µF-ra és a kettő közé hozod meg a tápszűrést. Ez esetben a tápvezetékkel körbe kell venned a panelt. Az alsó határfreki 3 töréspontjainak pontosan egybe kell esni és ne legyen alacsonyabb 25Hz-nál. A felső határfrekit is 15-20kHz-en maximálni kell az sem baj, ha a hangerő poti középállásánál csak 12kHz. ( angolos hang) A legangolosabb akkor lesz a hang, ha a HTA30 3 töréspontos tápszűrését adod a hanghoz és a kimenetre is teszel egy csatoló kondit. A differősítő 10kOhm-os ellenállásáról csak a tápfesz ismeretében tudok nyilatkozni. A hozzászólás módosítva: Ápr 11, 2013
Köszi szépen, te aztán tényleg tudod ezt a high-endes trükközést
Úgy látom minden nagynevű gyártónak van egy-két kis titkos trükkje a jól bevált kapcsolástechnikák mögött, amivel megbolondítják a hangot és kialakítanak egy rájuk jellemző hangzásvilágot. A tápfesz +-36V. Nekem most ebből az erősítőből a vibrálás, a csillogás és a levegő hiányzik. Arra is gondoltam hogy sok a 2*10000µF puffer. Illetve hogy nagy a tekercs a kimeneten.
A magas frekvenciás átvitel fázis lefutását hallod. Szerintem barátkozz ezzel a hanggal, ezzel a beállítással tudsz többféle műsorforrásról élvezettel hallgatni zenét.
Nagyon jó a Mark Levinson, Hiraga féle hang, csak az a baj vele, hogy egy régi magyar vinil borzasztóan szól rajta, mert semmit nem nyel el a hibákból. Ugye a csöveseket szinte mindig analóg LP-ről demonstrálják, amik szörnyen tudnak szólni egy SE-vel. Döntsd el milyen zenére és milyen műsorforrásról akarsz hallgatni és eszerint hangold be. A tekercset hagyd úgy, inkább egy kisértékű ellenállást tegyél vele párhuzamosan söntnek. A hozzászólás módosítva: Ápr 11, 2013
Kicseréltem a c7-et most a kimeneten 0,551-0,552 között ugrál a fesz. A 0,27ohm-os ellenállásokon még most sem mérhető semmi feszültség. Amúgy a bemeneten az ellenállás még mindig benne van meg az áram korlát nem tudom benne kell e még annak lennie?
|
Bejelentkezés
Hirdetés |






Üdv:Tomsa 










