Fórum témák
» Több friss téma |
Fórum » Digitális óra
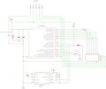
SDA a pic 13. lábára, SDC a pic 11. lábára. A kijelzőnél, hogy a programommal kompatibilis legyen a pic 2. lábát a kijelző 6. lábára, a pic 3. lábát a kijelző 8. lábára, a pic 18. lábát a kijelző 12. lábára, a pic 19. lábát a kjelző 9. lábára kellene kötni. A pic 9. lábára 100 ohm sorosan a kijelző 3. lábához.
Igen, valami ilyesmi. Esetleg érdemes még az ICSP csatlakozót rátervezned. Nekem nem fért el az apró nyákon.
Szerintem igen, bár a c2 a valóságban az rtc táplábain kell hogy legyen. Elvi rajznak ok. Ha nem karóra, vagy elemes óra lesz, akkor a pic 12. lábára tedd fel a kijelző z állandó bekapcsoláshoz a jumpert vagy kapcsolót .
HP5082-7433 közös katódos retro kijelzővel...
A hozzászólás módosítva: Jún 16, 2013
Helló! Mit tanácsolsz,min kellene változtatni még?
A hozzászólás módosítva: Jún 22, 2013
Szerintem jó lesz, az ébteszés részt még nem tudtam megcsinálni, eddig ennyi, tervezheted a nyákot.
Köszönöm a fáradozásodat .
Szia, a C1 , C2 kondi még mindig nincs a helyén az egyiknek az rtc-nél masiknak a pic táp lábai között kell lennie közvetlenül a két láb között. Az rtc hasa alatt nem ajánlott vezetéket vinni , a kvarc külső házát egy ground plate-ra kell felforrasztani vagy leszorítani. Próbáltam belejavítani, de csak png van így nehezebb. A progit átírom... Ja és most látom, az R2-t is a + tápra kell kötni !
A hozzászólás módosítva: Júl 9, 2013
Bocs benéztem az elem +- kapcsait, jó volt az r2 helye, csak az r1-et vedd ki a lábak közül és a kvarc burkolata a gnd-re kerül. Nem jó a rajzom, ne vedd figyelebe!
Ez lenne a javított rajz, a másikat kitöröltettem. Csak elvileg, mert így elég kusza a vonalvezetés.
Az RTC alatt ne menjen jelvezeték a kvarc lábai közelében. A hozzászólás módosítva: Júl 9, 2013
Helló! Az óra indul elsőre ,év ,hó, nap állítható, csak nem lépteti az időt,ahogy beállítom ott is ragad.
A hozzászólás módosítva: Júl 10, 2013
Szia
Mivel a PIC-nek nincs saját órája, valami miatt nem kommunikál az RTC-vel.Nézd meg, hogy az RTC indul-e, ezt egy leddel le tudod ellenőrizni.
Ez valami kvarc hibának tűnik. Ha a kvarcot kiveszem, vagy a lábait rövidre zárom, akkor áll így le az óra ezzel az rtcvel. Nem a kvarc házának földelése miatt került zárlatba? Milyen lett a végső nyák?
A hozzászólás módosítva: Júl 10, 2013
Kicseréltem a kvarcot így már jó. A kettős pont nem látszódik.Teszek fel majd képet,egy kis igazítás még kell a kvarc miatt.
A hozzászólás módosítva: Júl 10, 2013
Egyáltalán nincs kettőspont, vagy csak az alsó pont van meg? A pont előtétellenállását csökkentsd le vagy zárd át egy pillanatra, akkor sem világít? Nekem a próbaáramkörben megy az alsó pont, de a felsőt nem látom, mert nincs a 4. digitben bekötve led tizedespontnak.
Helló! Én néztem el nem jó helyre ültettem be a 100ohm-os ellenállást így a kettős pont meg van. És nagyon jól működik a javított hex-el. Ha találkozunk kapsz egy sört na jó kettőt köszi hogy segítesz.
A hozzászólás módosítva: Júl 11, 2013
Sziasztok!
A következő gondom lenne megépítettem a csatolásban szereplő órát de ha bekapcsolom akkor a másodperc számlaló az normálisan megy de az órák és a percek mindenféle karaktert írnak ki pl: 1,2,3,H stb. Már átnéztem a rajzokat és a panelt is nem találtam hibát úgyhogy nem értem az egészet mi a fenne van esetleg program hibára gyanakodtam de piket csak beégetni tudok programozni sajna nem,ezért kérnék egy kis segítséget amit előre is megköszönök. Üdvözlettel: Jócoka
sziasztok, az a helyzet, hogy szeretnék építeni egy digitális órát TTL IC-kből, viszont mivel nem vagyok még nagyon jártas ezen a területen. Gondoltam először nem kompletten az egészet csinálom meg, hanem csak a 74LS90 ICt próbálom ki (a csatolt rajzon), vagy is az órának azt a részét, ami a bináris számot előállítja az órajelből. Nagyjából kiderül azért, hogy hogyan kéne ezt
önmagában működtetni, csak két dolgot nem értek: A 11-es láb a LED-en hova kell bekötni? Másik kérdésem pedig, hogy a 14-es lábra milyen impulzus kéne adni? A GND-hez képest +5 voltot (még egyenlőre nem tudok mivel órajelet adni)? mert erre vonatkozólag semmit sem találtam, még az IC adatlapjában sem volt róla semmilyen információ.
Szia!
A LED -ek bekötése: Milyen kijelzést szeretnél? BCD számábrázolásút: Az A, B , C, D sárga körökkel jelölt pöttyökre egy-egy (LED és soros ellenállást) köss. Decimális kijelzés 7 szegmenses kijelzőn: Az A, B , C, D sárga körökkel jelölt pöttyökre, helyiértékenként egy BCD - 7 szegmenses átalakító (7447, 74247 stb) A, B, C és D bemenetét kösd. Az átalakító a, b, c, d, e, f, g kimeneteire egy-egy ellenálláson keresztül egy közös anódos hétszegmenses kijelző katódjait (rendre az adatlapokon található rajzok szerint). A közös anódot pedig a tápra. Órajel: a föld és legalább 3V -ot között változó, 1Hz frekvenciájú órajelet. Kellene készíteni egy alap oszcillátort TTL elemekből és 100kHz, 1MHz, 10MHz quartzból. Kapcsolás a Texas TTL receptek könyvben található. Ennek kimenetét kellő számú 10 -es osztóval (7490, 74LS90) leosztva előállítható az 1Hz -es órajel. 100kHz -ről 5db, 1MHz -ről 6db, 10MHz -ről 7 db osztó kell.
Avagy DCF77 vevő 1 Hz-es kimenőjele. Jelkimaradás esetére legyen kvarcból leosztott 1 Hz is.
Idézet: „Avagy DCF77 vevő 1 Hz-es kimenőjele.” Ha ezt alkalmazod, az órád késni fog. A DCF a perc szinkront azzal jelzi, hogy az 59. másodpercnél kimarad a pulzus.
Sziasztok! Már megint egy óra! 115mm digit, egy szegmens 5 darab led sorba kötve.
Nem a legjobb képek, de csak a teló volt kéznél!! Van vele egy kis gond , ha valaki tudna segíteni megköszönném. A szegmensek amelyek világítanak, az előtte való szegmensbe "áttetszik", /nagyon -nagyon halványan csak közelről alig láthatóan! ez mitől lehet??? Köszönöm! Ja még annyi ugyanezzel a vezérlővel 2.3" 7 szegmenses kijelzővel működik ugyanilyen órám ott nem tapasztalható ez a kis hiba! A hozzászólás módosítva: Ápr 19, 2014
Tetszik!
Nem a ledek világítják meg egymást, hanem az Alig észrevehetően világítanak azok a szegmensek is aminek épp nem kellene!!!
|
Bejelentkezés
Hirdetés |



















