Fórum témák
» Több friss téma |
Mielőtt kérdezel, a következő két dolgot ellenőrizd!
I. A helyes tápfeszültségek megléte.
II. A kimeneten van-e egyenfeszültség.
Élesztés.
Sziasztok!
Van egy OPA228-al épített kimenő buffer a DAC-om kimenetén, csatoltam a képet. A DAC chip 2Vrms-t küld ki a buffernek. Mivel nekem kusza a kapcsolás, nem tudom mennyit erősít ezen. Szükségem lenne megnövelni az erősítést annyira, hogy kb. 8Vrms jöjjön ki az OPA kimenetén. Melyik ellenállást és mekkorára kéne lecserélnem, hogy annyit kapjak? Köszönöm!
Nagyon köszönöm az információkat,az alkatrészek már rég megvannak csak időm nem volt vele foglalkozni így egy ideje pihen és most úgy érzem lassan be kellene fejezni.Az élesztésre voltam igazán kíváncsi hogy mire kell jobban odafigyelni,viszont a hangjára nagyon kíváncsi vagyok.Ha kérhetném tennél fel képeket az általad elkészített végfokról.
Üdv.
Itt van pár kép, becsúsztatható perforált lemez a teteje, az még sajna nincs meg. A ventillátorok szívóra vannak fordítva. Ha jó hang(falat)sugárzót illesztel hozzá és minőségi preamplifier-t, tömörítetlen zenével, nem fogsz csalódni! Én egy nagyon drága hangkártyával hajtom meg, és nagyon eléágedett vagyok ezzel az összeállítással, equlizert eggyáltalán nem kell hozzá használni.
A hozzászólás módosítva: Feb 14, 2014
A Sipos által is leközölt Crescendo-tól is jobb?
Hello kaptam egy erősitőt amit meg kell hogy szereljek és az lenne a kérdésem hogy a D2030A-t helyettesithetem TDA2030AV vagy A-val? mert ha nem akkor keresek valamerre a neten csak nem leltem sehol D2030A IC-t köszi előre is a segitéget.
Hello!Segítséget szeretnék kérni, van nekem egy trafóm ami 2*55VDC és erre kellene nekem valami 2*150W/8ohmos végfok ami már beváltt valakinek vagy több embernek.
Köszönöm!
Gratulálok,nagyon szép munka.A fa doboz miatt nincs gondod,értem nem szedi össze a mágneses zavarokat?A hűtőnél hőmérséklet vezérelt a ventilátor?Nekem egy 200*75*60-as borda hűtene egy oldalt ventilátor nélkül remélem elég lesz mivel az eredeti 200*100*40.
Köszi! Nem tudom mennyit segíthet a fa doboz ezen. A ventillátor hömérséklet szabályzott, bár valójában ehhez a ventihez nem is kellet volna, mert 1000-es fordulaton 14dB-es, teljesen eszrevehetetlen. Hát elvileg jó lesz azzal, de a magas nyugalmi miatt alaphelyzetben is közel 50 fokos lesz, 250mA-es beállítás mellet szivó ventivel, 40 fok felett van nekem a 200x100x50-es hűtőborda, de 8ohm-on terhelés mellett se melegszik fel 55 foknál jobban, 4ohm-on viszont durván be tud fűteni.
Még egy kérdés,22000uF63V-os kondenzátort jó áron hol találtál mert elég sok helyen néztem és vagy horror árú vagy kifutó termék vagy beszerezhető csak ki tudja mikorra.
Nem éri meg megvenni, csak ebay-en láttam reális áron, de nem mertem megvenni, így vettem inkább 8db 10 000µF-os 63V-at. Tökéletesen jó, meg azt is mondják, jobb a több kisebb, mint egy nagy.
Az ebay biztonságosabb mint a hazai online piacok.Lehet én is ennél maradok bár 4700uF100V-ból van 16db.
Hát én felhasználnám a helyedben, még kettő és pont megvan az előírt!
Én a helyedben a 100V-os kondikat egy bazi nagy erősítőre tartalékolnám.
Hello!Segítséget szeretnék kérni, van nekem egy trafóm ami 2*55VDC és erre kellene nekem valami 2*150W/8ohmos végfok ami már beváltt valakinek vagy több embernek.
Köszönöm!
Mit? Nézz szét a rajzok között, van jó-néhány!
Sziasztok nemrég építettem ezt az erősítőt kb egy hónapja. Két TDA7294-es van benne mostanában azt vettem észre, hogy teljes hangon azt hallani halkan mintha egy szúnyog zümmögne a hangszórókba. Ez baj? Még nem volt ilyennel problémám!
Szia!
Úgy látom ventilátor is van benne. Talán ezek működése okozza, a nem megfelelő tápellátásuk miatt. Ha kikötöd, kiderülhet, hogy jól tippeltem-e..
Szia!
Már próbáltam de akkor is megmarad a zaj!
Akkor belső kábelezése nem megfelelő, szórt zajokat szed össze.
Ez lehet árnyékolás hiánya, trafó közelsége is megszórhatja. A hozzászólás módosítva: Feb 15, 2014
Szia! Mit jelent a teljes hangon? Teljes hangerőnél? Esetleg jel nélkül, feltekert hangerőszabályzót?
Lenne egy ilyen IC-m.
TA8276H Ebből érdemes erősítőt építeni? Sajnos ehhez 4ohmos hangszórókat ír, nekem 8 ohmos van. ![]() Vagy inkább vegyek valami más IC-t? Tudnátok ajánlani valami hasonlót?
A 8 ohm-mal semmi gond. Ki tudod mind a négy csatornát használni?
Mielőtt megkérdeznéd: hidat tovább hidalni nem lehet
Hello kaptam egy erősitőt amit meg kell hogy szereljek és az lenne a kérdésem hogy a D2030A-t helyettesithetem TDA2030AV vagy A-val? mert ha nem akkor keresek valamerre a neten csak nem leltem sehol D2030A IC-t.
És persze melléjük van írva, hogy mekkora az erősítésük, igaz?
Igen, beteheted, a Hq is a TDA adatlapját dobja hozzá.
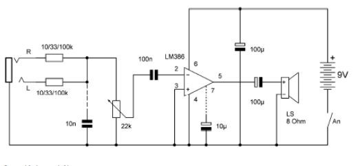
Helló! Ezt az erősítőt szeretném megépíteni, ez lenne az első erősítőm.
Szerintetek mekkora teljesítményü hangszórót használjak? Szép hangja van?Vagy ezt így nem lehet megállapítani? MP3 lejátszóhoz kéne.
1W-os hangszóró már elég, a hanjgja pedig semmilyen, szól.
Sziasztok! Szeretnék kérni valamiféle kvázikomplementer megoldásos erősítő kapcsolási rajzot, ami működik +/-22V ró. A trafó kb 100W. (A 2n3055jeimet szeretném felhaszálni)
|
Bejelentkezés
Hirdetés |












)









