Fórum témák
» Több friss téma |
Fórum » Hangváltók (készítése)
A mértékegységeket a mérőszámtól szóköz választja el. A személynevekből képzett mértékegységek (Volt, Ohm, Amper, stb.) nagybetűvel írandók!
Szép kivitelezés!
Kuporgatok a cuccra
Kedves Urak!
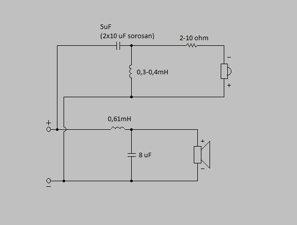
Igazából a másik fórumban is feltettem ezt a kérdést, de ide is tartozik. Remélem tud valaki segiteni nekem egy kicsit. Vajon mit is tudhat ez az ősrégi Tesla hangváltó. Az adatokat a képen megtaláljátok. Vagy lehetne e átalakitani? A mély az M.N.C 30325, magas SAl dm75 lenne. Nos ami kellene nekem 2 utas kb 80W os váltó 8 Ω on. A minőség annyira lényeges, hogy lenne valami ami csörög az udvaron mikor kint dolgozom. Valakinek ötlete a bekötést illetően? Válaszaitokat előre is köszönöm!
Ezekből az alkatrészekből már lehet másodrendű váltást csinálni , de kelleni fog még egy tekercs , amit akár te is elkészíthetsz ,és egy plussz ellenállás, amivel a magasat tudod visszafogni ha nagyon túlharsogná a mélyet meg a közepet. A magas nem véletlenül van fordított polaritással.
A hozzászólás módosítva: Feb 17, 2014
Köszönöm a válaszod!
A Tekercsek elkészitése nem jelent gondot. Itt a fórumon láttam témát a méretezéssel kapcsolatban. Az ellenállás 5W os kell, hogy legyen?
Igen legalább 5W. Ha gond van vele majd cseréled nagyobbra.
Hello Mindenkinek!!!!
Lenne egy olyan problémám hogy egy ugyanolyan hangváltó mint a mellékletbe láttok, na szóval ilyen jutott a kezembe és nincsenek meg a kondik hozzá. De találtam hozzá képet,és azt szeretném ha valaki meg tudná mondani a kondik értékét hogy ujjá tudjam építeni!!!!
Fentről lefele: 10mikrós 80V, 50mikrós 70V, 20mikrós 70V.
Az egy 8-10W-os ellenállás. De mivel a felirat a masik oldalán van, nehéz megsaccolni.
Köszi a segítséget!
Amúgy a bekötés az jónak látszik?
Bipoláris vagy fólia kondi kell , ez azért nem mindegy.
Mihez kell a váltó?
50v és a 25v kondik is jók bele?? mert nincs 70v kondim!
A hozzászólás módosítva: Feb 26, 2014
Ezek elektrolit kondik (polaritás függő). A kimenő feszültségtől függ, de nem véletlenül 70V-osak.
egy 40w erősítőhöz kell! ahhoz jó lenne az 50v?
A mondatokat nagy kezdőbetűvel kezdjük! A mértékegységek jele (áramerősség amper) A, (feszültség volt) V, (teljesítmény watt) W, nagy betűvel jelöljük! Mod. A hozzászólás módosítva: Feb 26, 2014
40W-os erősítő mehet 12V-ról is (~4A), mehet 60V-ról is (0.8A).
Hány voltos a tápja?
Hát ezt mondom én is , váltakozó áramú rendszerbe polarizált kondi?
Bipol elko kell. De mielőtt megvenné jó lenne többet is tudni , egyáltalában kell -e ez.
Üdv.
A moderátor szerintem főállásban magyar tanár. Egyébként igaza van, de túlzottan kiigazító és lelkes.
Szerinted.
Szerintem aki még írni sem tud... Az milyen kérdést tesz fel ? Milyen választ vár ?
Sziasztok!
Valaki tudna pontos infót adni a SAL HV 621 4 Ohmra tervezett autós hangváltóban lévő tekercs értékéről. Volt nekem ilyen ha jól emlékszem a magas előtt volt egy 6,8µF 50 V-os kondi és egy soros talán 5w 1 Ohm ellenállás(lehet nem így van nem emlékszem pontosan) viszont a tekercsről nem tudok semmit szeretném megtudni, hogy lémagos vagy ferrites volt-e és hány mH? Nagyon köszönöm! Üdv.
Sziasztok!
Van nekem egy ilyen (szerintem) nagyon egyszerű hangváltóm, de tüzetesebben átnézve nem értem a bekötését, illetve hogy mi, miért van rajta úgy bekötve, átkötve ahogy. Egyszerűen nem jövök rá hogy hogyan lehetne polaritáshelyesen, normálisan bekötni, mert ahogyan én néztem van rajta olyan pont mikor a 2 pólus egymásba van kötve?! Nem értem, kérlek segítsetek!Eleje Hátulja
Szerintem két utas, már.
Ahol az ellenállás van sorosan az a magas szekció, előtte találni kell egy soros kondit. A mélynél egy soros tekercsel indít, és utána párhuzamosan egy kondi , ami után a hangszórót lehet bekötni. Egyébként bárki csinálta rengeteg hibát vétett. Az ilyen tekercs elhelyezéssel transzformátorként működnek. Jóval távolabb kell tenni őket és az sem árt ha el van forgatva. Ezek a kondik nem valóak ilyen helyre. Gondolom a feszültség nagy az érték meg nF -os . olyan 1-2 µF körüli kondik kellenek általában.
Szia! Valóban érdemes a hangváltót ily módon feljavítani, azonban én az alkatrészek elhelyezését illetően mindenképpen megfogadnám az alábbi cikkben írottakat. Egy induktivitásmérővel Te is könnyen megmérheted, mennyit számít...
(és akkor az még csak statikus állapot, sehol nem beszéltünk a dinamikus viselkedésről... hajaj)tekercsek elhelyezése A hozzászólás módosítva: Márc 3, 2014
Szia! Hát angolul nem sokat tudok sajnos, de elég nagy panel kellene ahhoz hogy úgy el helyezem a tekercseket ahogy az oldalon magyarázzák. Látom nem javasolja két tekercs egymás mellé el helyezését, na de kérem ki tartsa ezt be, több gyártó közel egymás mellé helyezi el a tekercseket!, igaz úgy ahogy az oldalon el magyarázza a tekercsek elhelyezését úgy nem zavarhatják be egymást a tekercsek. A hangváltót igen érdemes volt fel javítsam mert az eredeti amint írtam szörnyen rossz volt, és bipoláris kondenzátorokkal volt el látva. Ezt a hangváltó kapcsolást egy régi Román TEHNIUM könyvből néztem ki, amiben több rajz is volt különféle dobozokhoz méretezve, 5,5 literes doboztól egészen 120 literes dobozig, az én hangládám 54 literes, és ebben a táblázatban pont volt egy rajz ami ehhez a mérethez illeszkedik.
A hozzászólás módosítva: Márc 3, 2014
Egy 54 literes dobozba azért bőven belefér egy tágasabb váltóelrendezés, ráadásul láthatod, hogy viszonylag közel is el lehet helyezni egymáshoz a tekercseket megfelelő pozicionálással
![]() Egyébként a hangváltó tervezés/illesztése a hangszóróhoz sajnos jóval összetettebb dolog ennél, nagyon nagy butaság lenne akármilyen összefüggést vonni a váltó, és a doboz űrtartalma között... (hacsak azt nem, hogy mekkora dobozba, mekkora váltó fér el )Hangváltó tervezésről, hangszórók egymáshoz illesztéséről komoly szakirodalmak szólnak, szimulációs programok, stb. , és még így sem lehet biztonsággal állítani, hogy egy "papíron tervezett" hangváltóval tökéletesen fog szólni a dobozunk. Kiindulási alapnak jó, aztán ezt mérések, meghallgatások, szükséges korrekciók, ismételt mérések, meghallgatások követik, nem egy rövid procedúra. Mindezek ellenére, ha neked sikerült így "vakon" beletenyerelni egy pont a dobozodhoz illő kapcsolásba, hát gratulálok, nagy szerencséd van, sok kellemes zenehallgatással eltöltött időt kívánok A hozzászólás módosítva: Márc 3, 2014
Köszönöm a jó kívánságokat!
. Abban igazad van hogy a hangváltót a hangszórók paramétereihez kell igazítani!, de nálam ezzel az volt a helyzet hogy a hangszórókról sajnos semmi de semmi adatom nem volt, mert ez egy gyári hangsugárzó, és nem hogy semmi adatom nincsen a hangszórók paramétereiről, kivéve hogy hány ohmosak, persze ezt is csak akkor tudtam meg mikor meg mértem őket, még a hangszórók hátulján sincs semmi fel tüntetve!. Találtam egy szép táblázatot, amiben egy rajz, egy 54 literes dobozhoz volt méretezve a következő hangszórókhoz-mély hangszóró ARN 8608, közép hangszoró-ARZ4608, magas hangszoró-ARV3604. A rajz alkatrészeit könnyen be tudtam szerezni, ami számomra nagyon fontos volt!. Ez a dolog az építés élőt úgy volt hogy vagy jól fog szólni a hangváltó a hangszórókkal vagy nem, és szerencsére nagyon tetszik a hangja!. Amit viszont nem értek, az az hogy ha meg figyeled a hangsugárzó képét a közép hangszóró széle gumiból van, és eredetileg ezzel a hangszóróval egy tekercs volt sorosan, és egy 82µF/100V-os kondenzátor volt párhuzamosan kötve, ami elég nagy érték. A kérdés miért tervezték ezt a hangszórót így hogy gumiból legyen a széle, és amolyan közép és mély átvitele legyen?. Én most csak simán közép hangszórónak kötöttem be ami a rajzon is szerepel. Fel tüntettem hogy eredetileg ehhez a hangváltóhoz milyen hangszórók is valók eredetileg!. A hozzászólás módosítva: Márc 3, 2014
Sziasztok szeretnék hozzátok fordúlni egy megbizható rajz iránt. Szükségem lenne egy 2 utas aktiv hangváltóra. Lehessen állitani a metszési frekvenciát is.
Üdv:Levente
A téma képei közt van egynéhány; ott már kerested?
|
Bejelentkezés
Hirdetés |










Hány voltos a tápja?
Nem értem, kérlek segítsetek!
(és akkor az még csak statikus állapot, sehol nem beszéltünk a dinamikus viselkedésről... hajaj)




