Fórum témák
» Több friss téma |
- Ez a felület kizárólag, az elektronikában kezdők kérdéseinek van fenntartva és nem elfelejtve, hogy hobbielektronika a fórumunk!
- Ami tehát azt jelenti, hogy a nagymama bevásárlását nem itt beszéljük meg, ill. ez nem üzenőfal! - Kerülendő az olyan kérdés, amit egy másik meglévő (több mint 17000 van), témában kellene kitárgyalni! - És végül büntetés terhe mellett kerülendő az MSN és egyéb szleng, a magyar helyesírás mellőzése, beleértve a mondateleji nagybetűket is!
Hello! Elvileg igen. Amennyiben a telep tényleg leadja a 450mAh kapacitását, a tartós 61mA áram mellet is. De ezek szerint egy Led-en mindössze 7,6mA áram folyik. De az nem egy túl célszerű kapcsolás, ahol 3V esik, a Led-eken és 6V-ot fűt el az ellenállás. Vagy is a telepfeszültség változására létrejövő áramváltozás valóban kisebb mértékű, de a hatásfok elég gyengécske. Gondolj bele, kb. 177mW "világít", miközben 550mW-ot vesz fel az egész. üdv!
Azt még megkérdezhetem, hogy ilyenkor mi a legcélszerűbb megoldás?
Pld. kettő-kettő soros kapcsolása. Amennyiben a telep feszültség változása a Led-ek a Led-áramot annyiban befolyásolja ami számodra még megfelelő. Ekkor a 9V-ból már 6V jut a Led-ekre és 3V az ellenállásra. Így négy párhuzamos Led-ág van, aminek célszerűbb külön-külön ellenállást tenni.
Vagy a nyolc Led soros kapcsolása, és 9/24V-os áramgenerátoros kapcsolóüzemű meghajtót alkalmazni. Ekkor az áram lehet akár állandó is, és a hatásfok is sokkal jobb. Természetesen ez nagyságrenddel nehezebb megoldás mint egy mezei ellenállás, kivét ha tudsz egyből ilyen konvertert venni. üdv!
Sziasztok!
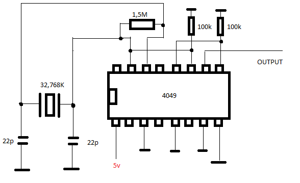
4049 -el próbálok egy 32,768k -s kvarcot meghajtani, de teljesen random módon indulástól függően kiadja magából a 32768 hz-et, míg máskor meg csak 16390 -et. Nem tudom, hogy mit ronthatok el, mi az ami miatt teljesen random, hogy csak fele annyi jelet kapok Van valakinek ötlete? (A kapcsolási rajz paintes mivolta miatt elnézést, de ezen a gépen nincs semmi amivel szerkeszteni tudtam ) A hozzászólás módosítva: Márc 6, 2014
Üdv!
Sajnos rosszul gondolod. Az alsó három az 2x12V(11.4V) és erre kapcsolgatta az inverter az akku feszültségét. Az összekötés pedig azért van, mert a piros vezetékre csatlakozik az akku pozitív pólusa, a vékony vezetéken pedig a töltőáram folyik. A többit pedig ki kellene mérni. Viszont nem biztos, hogy áttekerés nélkül tudnád normálisan használni. Teljesen másak a vezeték teresztmetszetek, mint egy normál trafónál.
Hello! Valószínűleg "túl keményen" hajtja az inverter a kvarcot. Tegyél ellenállást a kimenet és a kvarc közé, mint http://images.search.yahoo.com/yhs/search;_ylt=AwrB8pxSZBhTUxYAU1aJ...Search számtalan helyen látható. Az 1,5Mohm is kicsi lesz. A 100kohm-okra meg semmi szükség.
üdv! A hozzászólás módosítva: Márc 6, 2014
A kisebb tokozású csak 90W-ot tud, és a hőellenállása is nagyobb.
Bővebben: Link
Itt mindkettőnél 125Wot ír...?..
Ok, én elhiszem, de akkor az oldal rosszul írná?..
Szerintem nálatok is be van kötve a NET; te is tudsz gépelni, és be tudod írni:
" TIP142T datasheet "
Hihetetlen vagy
....Felfogtam a TIP142T paramétereit, és azt is hogy ezek szerint elírták az oldalon.
Nem biztos, hogy elírták, gyártótól függ.
Ha rákeresel kb 10 gyártó forgalmazza. Az adatlapjaik eltérhetnek itt-ott. Mondjuk mindketten ST-t linkeltetek be, ez meg csak annyit jelent, hogy a TME lusta volt A hozzászólás módosítva: Márc 6, 2014
Főleg, hogy ST-t írtak az oldalon és épp ST doksit linkeltem. Valóban más gyártónál akár 80W is szerepel . . .
Sziasztok!Szerintetek egy ilyen digitális hőfokmérőben NTC ellenállást használnak az érzékelő részében??Köszi
Köszi a választ. Véleményed szerint akkor mire lehetne használni ezt a trafót így, mindenféle átalakítás nélkül?
A hozzászólás módosítva: Márc 6, 2014
Teljesen igazad volt, köszönöm a segítséged! A plusz ellenállással már jól ment. Úgy tűnik rossz rajzból indultam ki, ott nem volt
Egy 30 forintos trimmer potméter tényleg csak 1000 csavarintást bír ki, mint ahogy az adatlap állítja. Nem akarom állandóan csavargatni, hangszínszabályzóba menne, illetve hangerőt állítani. Nem cél az, hogy állandóan tekergessem, sok csatornás hangnál a csatornák egyensúlyát szeretném ezzel beállítani. Tehát egyszer beállítom, aztán egy darabig boldog vagyok.
Főleg a méret miatt lenne jó a trimmer.
Szerintem csak inverterbe lehetne normálisan használni. Nekem is van a szekrényben egy ilyen és egy szép toroid is. Sajnos nem igen tudtam még velük mit kezdeni.
Helló. Olyan kérdésem lenne hogy találtam itthon egy jópár SN74LS90N chipet ,és hogy belőlük mit lehet építeni? Eggyáltalán mire valók ezek az IC-k? Köszönöm a válaszokat előreis.
Google, Alldatasheet,-és mindent megtudsz. BCD kim. osztó (számláló). Pl. óra.
Hozd el, jó lesz akármire (amilyen drága egy trafó). Ha írtál volna mellé méreteket (mérési adatokat), akkor lehetne teljesítmény saccolni. Nem ördöngösség áttekercselni.
Köszönöm,egyenlőre odébb rakom majd lessz velük valami.
Régóta használok ilyen trafókat, mivel könnyű ingyen hozzájutni.Egy 430 W-os (1200-as APC-ből) 3 éve viszi a légbefúvós fűtésemet 250 W folyamatos teljesitményen, napi 6-8 órában, egy másik ugyanolyan pedig 20A-es akkutöltőként szolgál.
A puding próbája az evés, teszteld le.
Sziasztok! Hálózati kábelt használhatok 6-7 méter hosszig jó minőségben analóg audió jel átvitelben? Köszönöm!
|
Bejelentkezés
Hirdetés |




Van valakinek ötlete? (A kapcsolási rajz paintes mivolta miatt elnézést, de ezen a gépen nincs semmi amivel szerkeszteni tudtam
) 






