Fórum témák
» Több friss téma |
Fórum » Elektromos vezérlésű pneumatika
Sziasztok. adott egy 800 mm-es lökethosszú pneumatikus munkahenger. Olyan kérdésem lenne ezzel kapcsolatban, hogy mi kell ennek elektronikus, nem mechanikus vezérléséhez (részletesen)? Úgy szeretném vezérelni, hogy csak egy nyomókapcsolót illetve hangvezérlőt használok hozzá.
viszont ha nem kap feszt akkor nyitott legyen mind a kettő kiengedő szelep
köszi, de a 2. ikat nem tudom megnyitni
A kugliba beírod, hogy "elektropneumatikus szelep", és megnézed a képeket..
Ilyen munkahengereket vagy pneumatikusan, vagy elektromosan vezérérlik. Utóbbit nagy százalékban PLC-vel. Mi a fenének a hangvezérlés?
A hozzászólás módosítva: Júl 9, 2014
ne nézz le de tiszta star trek-es lenne, de az még annyira nem fontos. lényeg, hogy 2 kapcsoló legyen, (külön írom le) amikor megnyomom egyszer kinyílik mikor mégegyszer akkor visszamegy. ugyanez a másik kapcsolónál, viszont az gondolom hozzá tartozik, hogy a két kapcsloló pl egyik nyit másik zár. Kéne hozzá egy olyan érzékelő hogy ha az nem kap feszültséget akkor kinyitja mind 2 szelepet amin a levegő távozni tud
Nem tudom mennyire vagy otthon a pneumatikában. Milyen munkahengered van? Bistabil vagyy monostabil?
Bővebben: Link ugyan ez
Link javítva. Használd a link gombot! Nagybetű, mondat végi írásjel sem ártana. -moderátor- A hozzászólás módosítva: Júl 10, 2014
2db 3utas mágneszelep kell hozzá. Amikor ezek nem kapnak vezérlő fesztültséget, akkorr nyitva tartják a munkahengert, ami kézzel is mozgatható. Egyiket vezérelve beereszti a levegőt a munkahengerbe, ami végállásig mozog és ott erősen tart, amíg a vezérlés rajta van. A másik irányhoz erről leveszed a vezérlést és a másik szelepre adod.
Lehet hogy tennék bele egy fojtó szelepet is, hogy a vezérlő szelepek ne rángassák a munkahengert (kivéve ha az a cél) , hanem szépen kitol-behúz, a sebesség tőled függ.....
A hozzászólás módosítva: Júl 10, 2014
Szia. A pneumatikus munkahengerek nem szoktak bistabil, vagy monostabil működésűek lenni.
Össze tudnád/ összeállítanád, hogy mit kell beszereznem, hogy kössem össze meg egy kis leírás/infó?
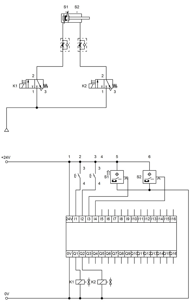
Ez akár lehet egy megoldás, igyekeztem kevés alkatrésszel legegyszerűbben megoldani. (egyszerűbbre nem ment, bocs a hevenyészett rajzért csak gyorsan össszedobtam)
Lehetne egygombosra is, de ahhoz kisebb elektronika kell, vagy akár PIC-es is lehetne. (kérdésedid alapján ezt nem feltétlenül szeretnéd..) 12V-ra csináltam, ami fakultatív, lehet más feszültségszintre is, bár ez talán kevésbé veszélyes. mondjuk ilyen relével. Sebinek igaza van én 2db 3/2-es alaphelyzetben nyitott szelepet használnék, a leszellőzésnél fojtóval... S1-nyit S2-zár S3 és S4 a másik pontról. De ez csak egymegoldás, többféle is célravezető lehet... A hozzászólás módosítva: Júl 10, 2014
egygombosra szeretném, úgy ha azt egyszer nyomom meg akkor nyit ha mégegyszer akkor zár, ha az egyikkel nyitom vagy zárom akkor akár a másikkal fordítva
Szia! Tessék egy gombos, de mindenképpen érdemes valamilyen elektronikát beépíteni (PIC, AVR, Arduino, PLC, mert nagyon leegyszerűsödik a vezérlés (ahogyan az előttem szóló is írta).
A hozzászólás módosítva: Júl 10, 2014
Hello! Ez a nyomkodás villamosan könnyen megoldható. De először azt tisztázd magaddal, hogy a pneumatikus részét el tudod-e készíteni. A rajza ott van Zsika ábráján felül. De ami nincs rajta levegőellátó rendszer, nyomásszabályzó, olajködkenő.. Mert ez közel sem olcsó mulatság. Egy munkahengerért nem szoktak levegőrendszert kiépíteni.
Levegőt pld. honnan veszel? Kompresszort fogsz üzemeltetni, mert néha "megnyomsz egy gombot"? Az eredeti elképzelésed a problémára (villanymotor-áttétellel), kissé megvalósíthatóbbnak tűnik a háztájiban..
Szia,
Szerintem egy egyszerű mágnesszelepet tegyél be és azzal meg van oldva van mindenféle feszültségre is. A hangvezérlést szerintem meg egy kondenzátormikrofonnal és mikrokontrollerrel kéne megoldanod. A gombos vezérlés szerintem meg úgy legyen, hogy egy 24v/dc-s szelepet használj és egy kapcsolóval. Amúgy a munkahengered az egyszeres működésű vagy kétszeres. Az STNC-nek vannak jó szelepei viszonylag olcsón és jók, ha érdekel keress meg privátban van néhány hidraulikus és pneumatikus szelepünk( mert ilyeneket is forgalmazunk). Ja és a pneumatikus hengereknek kell levegő előkészítő, nyomáscsökkentő, és hangtompító mert különben nagyon hangos lesz a kiáramló levegő. A hozzászólás módosítva: Aug 3, 2014
Üdvözlök Mindenkit!
Segítségre lenne szükségem! Kontakt csiszolóm van (egyenlő szárú háromszög keresztmetszetben van három henger) ezen fut 300mm széles csiszoló szalag. Ahogy terhelve van nyúlik, ezért előre hátra mozog a hengereken. Egy pneumatikus munkahenger vezérelné, hogy egyhelyen maradjon a szalag, de valaminek vezérelni kéne, mikor a szalag elmozdul a középállásból. Elektromos vezérlésű pneumatikus szelepre gondoltam, csak azt is kéne valaminek vezérelni. Lehet túlkomplikáltam? A hozzászólás módosítva: Júl 21, 2016
Sziasztok !
Segítséget szeretnék kérni összetett a feladat ! Pneumatikában jártas illetve vezérlésben jártas kollégát keresek. Van egy tészta kinyomó gép( extruder) jön a tészta 2 cm szélességben henger alakban. A tészta egy 130 cm hosszú futószalagra felcsatlakozik és megy szépen 50 cm-t előre ahol találkozik egy közelítés érzékelővel. A közelítés érzékelő ad egy jelet majd egy munkahenger kinyit és ott ahol a tészta kijön levágja a tésztát a munkahengerre gyártott vágóeszköz. 50 cm hosszban. Majd ez az 50 cm hosszú tészta megy tovább a futószalagon ahol találkozik a futószalag végén egy másik közelítés érzékelővel, az érzékelő ad egy jelet majd egy másik munkahenger kinyit és az 50 cm hosszú tésztánkat hossz irányba lelöki egy formázó gépbe . Tehát a fázis jön a gépből a tészta 50 cm -nél egy 1. érzékelő jel, 1. munkahenger nyit, levágja a tésztát majd megy tovább a tészta 2. érzékelő jelet ad másik 2. munkahenger nyit és lelöki a tésztát a futószalagról. Ehhez a projekthez keresek egy kollégát akivel át tudnám beszélni a dolgot milyen mágnes szelepet kell vásárolni, illetve milyen munkahengert, illetve ami fontos a közelítés érzékelőket hogyan tudom bekötni hogy a jelre a mágnestekercs jelet adjon és kinyisson a munkahenger. Beszéltem festo, smc-s emberekkel de nem jztottam dülőre mivel egyik monostabil szelepet akar adni a másik bistabil szelept az egyik relét akar adni a másik mikrokontrollerrel vagy plc-vel oldjam meg tiszta őőőőőőrület... 200 ezerből akarják kihozni a 50 ezres munkát. A legszebb hogy maga a gépet saját szememmel láttam kiállításon működni 2db érzékelő 2 db szelep 2db munkahengerből állt és csövek... Aki komolyan tud segíteni igazán meghálálnám .... Ez nekünk egy munka eszköz a jelenlegi gépünkhöz itthon nem lehet megvásárolni külföldön meg nagyon drága és a cég csak hónapokkal később gyártaná le. Sajnos se időnk, se pénzünk megvárni őket így magunk fogunk a projekthez. Bízok benne tudtok segíteni hogy most monostabil bistabil stb stb Köszönöm mindenkinek aki próbál segíteni !
Kéne még sok adat, de legalább hogy mekkora a munkahenger fizikai mérete, mekkora nyomás áll rendelkezésre, milyen gyors a működési ciklus stb...
Ez a közelités érzékelő mi lenne? Már megvan? Kapacitív vagy más elv? Ha megvan milyen jelet ad? Az felhasználható vagy kell még valami elektronika a feldolgozáshoz? (Ha normálisan akarod megcsinálni kétlem hogy 50e. elég lesz rá... Pár 3/2-es szelep amúgy akár még elég is lehet fojtóval, kipufogóval miegymással, de a szenzorok már húzósabbak lesznek szerintem, és a védelmeket sem hagynám ki.....) De Gafly után szabadon : "Nem értek hozzá.." Idézet: adapter már leírta, hogy kicsi a valószínűsége, hogy annyiból kijön. Másrészt ugye van a tudás, amit meg kell fizetni. Mindenki azért tud pénzt kérni, amihez más nem ért.„200 ezerből akarják kihozni a 50 ezres munkát” Félreértés ne essék, nem sértésnek szánom, pusztán a tények ismertetésének.
Ha ez egy folyamatos müködésű extruder (tehát vágás nélkül folyamatos lenne a tésztakígyó), akkor minek érzékelő a vágáshoz, elég lenne meghatározott időközönként vágni. A lelökést sem értem, a futószalag végén amúgy is leesik.
Érzékelőnek egy infrakapu a megfelelő helyekre, a munkahengerek meg a vezérléstől függ. De pontos adatok ismeretében ez csak ötletelés. Amúgy ez egy hobbifórum.
Az első munkahenger hossza 80 mm ( vágó mu.henger ) a második ledobó munkahenger hossza 50 mm az érzékelők kapacitív közelítés érzékelők ! 12-24 voltról működtethető PMP 300mv teljesítménnyel .
Amúgy az alkatrészeket betudjuk szerezni külföldi üzleti partnertől a hazai ár töredékért !
Üdv!
Pneumatikában jártas kollégákat kérdezném, hogy ennek a szelepnek hol van fizikailag az "R" lába? Mert az "A"-t látom, az a szelep elején van, a "P"-t is tátom, az van kétoldalt, de hol van az "R"? Vagyis hol fúj le? AirTac 3V1 Illetve jól látom-e, hogy ez a szelep alacsony nyomásnál (aktuális légköri +/-200mBar) is működik, mert pusztán elektromos működtetésű? A hozzászólás módosítva: Okt 13, 2021
Hello,
A tekercset rögzítő műanyag elem perforált, és alatta fúj le a szelep. Dolgoztam vele, több helyre is beépítettem. (Nekem az volt a benyomásom, - bár nem mértem- hogy a katalógus béli Q-t nem tudja, a belső furatméretek okán.) Nálunk 6 bar-on dolgozik, AMI a kezemben volt az 1,5-bar körül nyitott ki. Elég nagy a gyártási szórás, ha sorolni szeretnéd akkor kicsit válogatni kell, a tekercsek öntési hibái miatt van amelyiket nem tudtam felfűzni mert nem engedte összehúzni egymást, ezek a végekre kerültek. Amúgy jól működik, (nálunk...) ennyi pénzért nem olyan rossz, a diódát ne felejtsd ki a tekercsről ha DC-t veszel. A hozzászólás módosítva: Okt 13, 2021
Köszönöm válaszod!
Arra esetleg nem emlékszel, hogy ott a tengely végében van menet? Szóval a lefúvó ágat ki tudom-e csövezni máshová? A HEStore-s képen menet van benne, de nem tudom, hogy a valóságban is ott van-e?
Szerintem is van, de holnap megnézem neked ha bent leszek....
|
Bejelentkezés
Hirdetés |













