Fórum témák
» Több friss téma |
Egy kis technikai segítség kellene... Hogy egyszerűbb tekerni két huzalt egymás mellé? 1. Ha az elsőt feltekerem, hagyok ki rést és mellé tekerem a másodikat; 2. vag egyszerre tekerem mind két huzalt? Válaszotokat előre is köszönöm. Ha elkészül teszek fel képet
Réssel mindig gond van
Egyszerre kell tekerni, úgy lesz egyforma (nem könnyű, csavarodásokra nagyon figyelj).
Olyat csinálhatok-e hogy mopndjuk a két szálat 10 centinként össze szigetelőszalagozom? és akkor kevesebb lesz az esélye hogy össze gabajodik...
Mert most csináltam egy egyszálas kört, abból ki számolom mennyi kell, és holnap feltekerem a duplát... A hozzászólás módosítva: Nov 28, 2014
Ha menet közben le is szeded akkor igen. Ennyire nem kell félni tőle; kiszámolod ~milyen hossz kell, fűzőfára feltekered mindkét szálat, és befűzöd.
Csináltam már egy huzallal... Mi az a fűzőfa?
Két végén 'Y' szerűen bevágott, olyan széles/vastag hosszúkás fa (műanyag, fém, akármi), hogy a dróttal együtt átfér a toroid lyukán, és ráfér a kívánt drótmennyiség.
Üdv!
Elkezdtem tekerni a trafóm. 40 menetre jut 13,6V, tehát 26V-hoz jell 78 menet. De. Nincs olyan hosszu huzalom... Meg toldhatom-e a huzalt ugyan olyan huzallal? (persze rendesen összeforrasztva, zsugorcsővel leszigetelve.) Továbbá megcsinálhatom-e azt, hogy az első feltekert réteget elszigetelem és arra tekere fel a második réteget? Biztos ami biztos alapon. A hozzászólás módosítva: Nov 29, 2014
Nyugodtan toldhatod (sodorva, forrasztva). A szigetelés javallt (ha visszaolvasol, volt róla szó).
Sziasztok!
Elkészült a trafóm. A pirmerhez nem nyúltam, szekundenek tekertem fel 2x26,5V-ot (egyenirányítva 37V lesz kb. de terhelés alatt le fog csökkenni) és 2x13V-ot (egyenirányítva lesz kb. 18V). Minden tekercset külön leszigeteltem vékony fóliával, mint a gyári trafóknál. ÉÉÉS! Nem zümmög. Nem lett olyan szép, de működik. És nagyon minimális zaja van. A hozzászólás módosítva: Dec 1, 2014
ugyan azt a fóliát tekertem rá vissza amit letekertem róla, annyi külömbséggel, hog az utolsó két réteg fólia az másik, nagyobb teljesítményá trafóról származik... Egy 5.1-es Yamada házi mozi trafójáról.
A hozzászólás módosítva: Dec 1, 2014
Sziasztok.
Szeretnék a segítséget kérni toroid transzformátor tekercseléséhez. Amire szükségem lenne: Primer = 230V Szekunder = 2x12V A kívánt kimenő teljesítmény: a legnagyobb ami lehetséges A mag külső átmérője: 5.7 A mag belső átmérője: 2.6 A mag magassága: 1.6 A primer tekercs menetszáma hossza vastagság, és úgyszintén a szekunderé is. A válaszokat előre is Köszönöm!!! A hozzászólás módosítva: Dec 15, 2014
Ez vas vagy ferrit? Csak mert gyanúsan kicsi a mérete. Ha vas akkor szerintem nekiállni sem érdemes, ha ferrit akkor tudni kellene a topológiát és az üzemi frekit.
Ferrit mag. Csak ennyivel tudok szolgálni a többit nem tudom
Akkor a kapcsolóüzemű tápos topikba való a kérdés. Mivel a mag anyaga ismeretlen, ezért első körben azt kell kideríteni hogy egyáltalán megfelel-e teljesítményátvitelre. Nagy valószínűséggel igen, de ez egyáltalán nem biztos.
Ha megfelel, akkor akármilyen silány minőségű is, 0,15-0,17T gerjesztést biztosan elvisel, de ezt is inkább mérni kell mint találgatni. Ebből a 3 adatból (feszültség, gerjesztés, vaskeresztmetszet) már kiszámolható a szükséges menetszám, ha ismert a frekvencia is. A 30-80kHz az úgy optimális, felhasználástól függően. Teljesítmény tekintetében olyan 2-2,5kW körül lehet átvinni rajta sacc/kb. A hozzászólás módosítva: Dec 15, 2014
Sikerült még több infót megtudnom a maggal kapcsolatban.
A mag anyaga: Sendust Indukció együttható AI: 287 nH Frekvencia max.: 500kHz súlya: 0.18 kg A hozzászólás módosítva: Dec 15, 2014
Ha az AL valóban 287nH, akkor ebből nem lesz trafó. Olyan 2000 felett kellene neki lenni, de én megmérném az a biztos.
A Sendust nem ferrit, hanem szinterelt permalloy porvasmag. Egy kis tudnivaló, méretezési infókkal:
Bővebben: Link
Vásároltam egy kimondottan nekem készített egyedi transzformátort. (Minden gyártási paraméter ismert.) Ez egy tekintélyes méretű és megjelenésű trafó, amit a QUAD606 táplálására fogok használni.
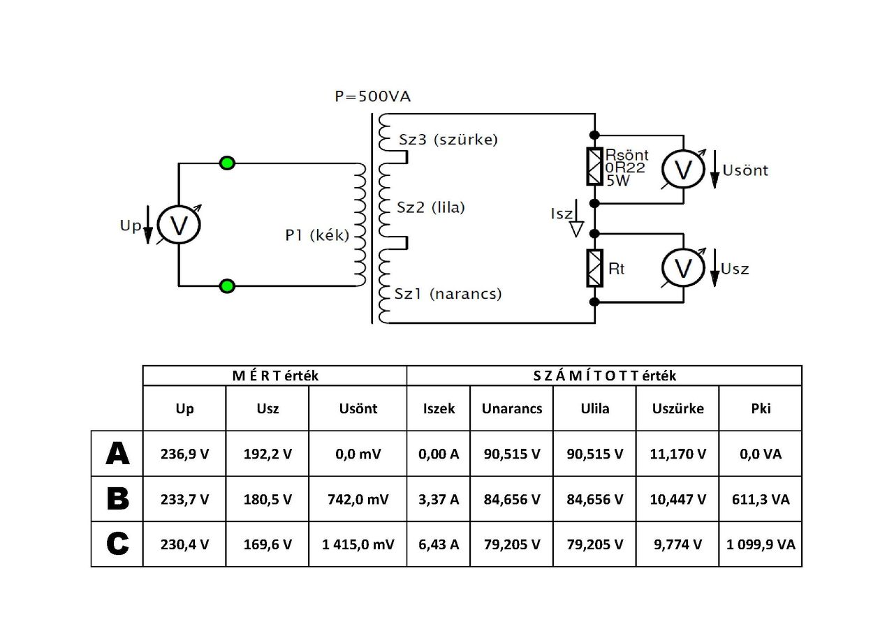
Lágyindítón keresztül hálózatra kötöttem, és megmértem a feszültségeit. Ezek értelem szerűen magasabbak voltak a névlegestől, de kíváncsi voltam miként alakul a dolog terhelve. Először gondban voltam a terheléssel, mert a magas feszültségekhez nehéz izzós terhelést találni, de Reloop remek ötletét követve, sorba kötöttem minden tekercset (amik azonos keresztmetszetű huzalból készültek), és így már használhattam egy több fokozatú elektromos fűtőtestet. Az egyes tekercsek feszültségeit az ismert menetszámok alapján pontosan vissza lehet számolni. Árammérésnél a multiméterek belső biztosítékai meg szoktak viccelni, ezért a nálam jól bevált soros söntöt használtam, és annak feszültségéből számítottam a ténylegese áramot. A mérési összeállítást, a mért értékeket, és a számított eredményeket mellékeltem. Az "A" jelű sorban a terhelés nélküli eredmények látszanak. A "B" sorban a kályhát félállásba téve terheltem, ami már így is közel 20% túlterhelés teljesítményben (ez a vasat terheli) és a 12% túlterhelés áramban (ez a vezetéket terheli). A trafó meg se ciccent, kényelmesen tűrte a kínzást. A "C" jelű sorban van az igazi érdekesség. Ha már minden adva volt, akkor átváltottam a kályhát maximális fokozatba, ami szélsőséges mértékben túlterhelte (vagy nem!!??) a trafót. Ez teljesítményben és áramban is több mint 100%-os túlterhelés. Először csak néhány másodpercre, ameddig leolvastam az értékeket. Magam sem tudom mire számítottam, de valami hatást vártam volna (zúgás, melegedés, vagy legalább egy kis fehér zászlót kidughatott volna a transzformátor). Nem történ semmi, az értékek változásán kívül. A trafó néma csendben, hűvös nyugalomban táplálta a kályhát. Felbátorodtam és több percre így hagytam a mérést. A helyzet változatlan, a trafó szépen megy, de a söntként szolgáló 0,22R/5W forrósága miatt befejeztem a vizsgálatot. Kikerülhetetlenül előre tolakszik a régi kérdés: "mekkora egy trafó teljesítménye?". A vason nem vettem észre semmi jelét a telítődésnek. kiszámoltam a drasztikus "C" méréskor, a primer áramsűrűség 6,08 A/mm2 és a szekunder áramsűrűség 5,88 A/mm2. Gondolom a kb. 5 perces mérés nem igazán tekinthető kiindulási pontnak, de tényleg meg se kottyant a trafónak. Akinek van véleménye esetleg konkrét ismerete ami magyarázhatja a tapasztalatomat, azt kérem ossza meg velünk.
A véleményem már elég sokszor leírtam, miszerint akkora a teljesítménye amekkora átfolyó áramot még elvisel a huzal, ésszerű melegedés mellett.
De kérdezd meg újra azokat akik szerint ez nem így van, mert a vas, a vas, meg a vas.
Azt majd elfelejtettem hogy a vas telítődésének semmi köze ahhoz hogy mennyire terheled. Telítődni akkor fog ha túl van gerjesztve, azaz nagyobb feszültséget kapcsolsz a primerre, vagy adott feszültség esetén letekersz a primer huzalból.
Az áramsűrűség a huzalban folyó áram huzalkeresztmetszetre vetítve, a vasat egyáltalán nem érdekli hogy az 1A vagy éppen 4A/mm2. Érthetőre lefordítva: a túláramtól a huzal, a túlgerjesztéstől a vas fog melegedni. A hozzászólás módosítva: Dec 18, 2014
A trafó alulgerjesztett (a cimke jobb szélén talán kivehető).
Három sorban a hitvallásom:
1.) Gyári trafókat úgy méretezik ,hogy gazdaságos legyen (pl. vas és réz veszteség kb. egyforma legyen, EI vasnál a vágási hulladék pont kiadja az "I" vasat, stb... Pont ezen alapulnak a méretezési táblázatok a gyári szabvány vasakra... 2.) A vasmag az azért melegszik, mert vagy örvényáram (vékony vas, réteg szigetelés (rozsda, cigi papir, felületkezelés, stb...), vagy mert magának a vasnak a mágnesezési vesztesége nagy (túlgerjesztés!!!, bilivas, sziliciumvas, hosszában hengerelt, stb..). De ettől csak üresjáratban melegszik és nincs köze a terheléshez... 3.) A tekercs azért melegszik, mert áram folyik rajta. Üresen nem melegszik. Annál nagyobb a teljesitményű egy trafó, minél nagyobb áramot bir ki a tekercselése (ezüst, réz, alu no és persze a nyerő a négyszögletes fazonhuzal). Ami azt illeti, ha ráér az ember, akkor érdemes végigszámolni azt a trafót. Alkotó mester, Te pedig ne aggódj szerintem...
Hogy mi a túl meg az alul azt akkor lehetne eldönteni ha egyrészt megmérné az ember az adott vasat, másrészt tudnánk a primer menetszámot és a vaskeresztmetszetet.
Mondjuk azt a hőbiztit én nem engedtem volna belerakni, mert ha kicsit jobban megmelengeted a trafót akkor úgy jársz mint a haverom, hogy utána eldobhatod. Nem értem minek kell bele, ha megfelelő értékű olvadóbiztosítóval van ellátva mind a primer mind pedig a szekunder oldalon.
A három az tíz lett.
![]() Az elsőt annyiban pontosítanám, hogy ahogy írtad is, gazdaságos legyen. Ez azonban a gyártásra értendő, és nem egyenlő az egyforma vas és rézveszteséggel. Mérj meg egy 4-500W körüli toroidot, meg egy ugyanakkora teljesítményű EI trafót. Előbbinek van olyan 10-15mA áramfelvétele üresen, utóbbinak meg 80-150mA körül. Elég jó példa a vasveszteség arányaira. Ennek oka leginkább a vas és a réz árának aránya.
Sziasztok.
Én 1,2mm átmérőjü zománcozott huzalt használtam DC12V-hoz kellő menetszámot feltekertem a torroid trafora és 2db 12V és 50W-os izzót tudtam vele gond nélkül működtetni ami 8.4A körül volt. De a táblázatba 2.8A-t tudna csak. Ez hogyan lehet? Rosszul értelmeztem a táblázatot?
Talán kisebb a huzalod ellenállása, és kevesebb hőt termel, vagy könnyebben eltávozik a keletkező hő.
És ezért a háromszorosát is bírja?
Mennyi lehet akkor a max áram? Mert csak két 50Wos izzom van.
Ha 1 sorban elfért az a huzal és főleg külső szigetelőfólia nélkül, ne csodálkozz... az már közelít ahhoz az áramterhelhetőséghez, amit egy huzalra szabad levegőn megengednek.
Ha rövidre zárod, akkor megmérheted mekkora a maximálisan kivehető áram. Ezzel csak az a baj, hogy relatíve nagyon rövid ideig áll rendelkezésre. Ha hosszabb ideig akarod terhelni (több mint néhány másodperc), akkor ettől kisebb árammal kell beérned.
|
Bejelentkezés
Hirdetés |




Egyszerre kell tekerni, úgy lesz egyforma (nem könnyű, csavarodásokra nagyon figyelj).
A pirmerhez nem nyúltam, szekundenek tekertem fel 2x26,5V-ot (egyenirányítva 37V lesz kb. de terhelés alatt le fog csökkenni) és 2x13V-ot (egyenirányítva lesz kb. 18V). Minden tekercset külön leszigeteltem vékony fóliával, mint a gyári trafóknál. ÉÉÉS! Nem zümmög.
Nem lett olyan szép, de működik. És nagyon minimális zaja van. 







