Fórum témák
» Több friss téma |
- Ez a felület kizárólag, az elektronikában kezdők kérdéseinek van fenntartva és nem elfelejtve, hogy hobbielektronika a fórumunk!
- Ami tehát azt jelenti, hogy a nagymama bevásárlását nem itt beszéljük meg, ill. ez nem üzenőfal! - Kerülendő az olyan kérdés, amit egy másik meglévő (több mint 17000 van), témában kellene kitárgyalni! - És végül büntetés terhe mellett kerülendő az MSN és egyéb szleng, a magyar helyesírás mellőzése, beleértve a mondateleji nagybetűket is!
Mit ertesz hatas alatt? A kondenzator reaktanciaja a novekvo frekvenciaval csokken, azaz "egyre jobban vezet".
Váltakozó áram Graetz diódával való egyenirányítása során gyök kettő-szerese lesz az egyenirányított feszültség értéke az eredeti feszültség értékhez képest.
A linkelt oldalról:
Idézet: „A gyakorlatban a váltakozó áram és feszültség effektív értékét adják meg. A háztartási elektromos hálózat effektív feszültsége 220-230 V. A csúcs értéke közelítőleg 311-325 V. A szinuszos váltakozó feszültség és áram esetén a maximális érték az effektív érték 2 -szerese. Képlettel: U eff = U max 2 .” Uff...
Nem lehet minden tökéletes. Ez a baj az internetről származó dolgokkal. Viszont, lehet javítani.
Sziasztok!
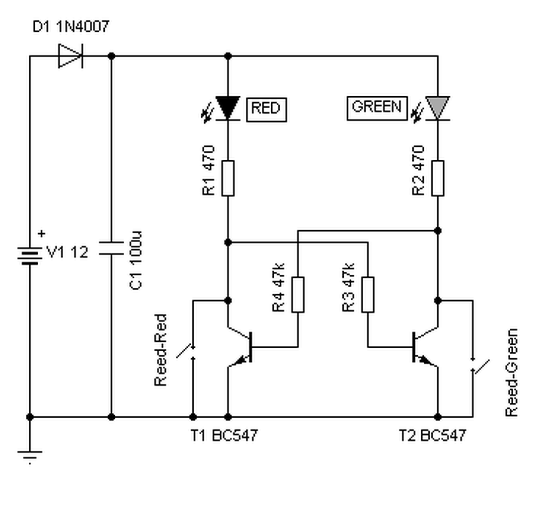
Egy tök egyszerű, de számomra eddig megoldhatatlan kérdéssel fordulok hozzátok. Egy egyszerű bistabil(?) áramkört szeretnék építeni, reed-el. Van 12V egyenfeszültségem egy vasútmodell trafóból, amit 6 és 12V között tudok szabályozni, ezt szánom áramforrásnak. Van két LED, egy piros, egy zöld és két reed relé (legyen A és B). Az a cél, hogy elhalad a mágnes A reed fölött, akkor a piros LED kezd el világítani, egészen addig, amig a B reed-hez nem közelít egy mágnes, ekkor a zöldnek kéne világítani, amíg A-n nincs újabb impulzus. Tudom, hogy ez nem nagy cucc, de valahol el kell kezdeni. Én gépgyártást tanulok, így csak nagyon alapszintű elektronikai ismeretekkel rendelkezek. Nem gond ha kell hozzá valamilyen IC, eddig sikerült működésre bírnom őket. Volt már kísérletem hasonló áramkörrel, nyomógombos verzióban, de az csak addig volt hajlandó átbillenni, amígy nyomva tartottam a gombot. Nem volt hajlandó úgy maradni. Előre is köszönöm a segítséget.
Sziasztok, az a kérdésem lenne, hogy BF494-es tranzisztort milyen hasonló paraméterű tranzisztorral lehet helyettesíteni?
Előre is köszönöm!
Hello! Ha ebből nem jöttél rá, hogy nem az ellenállást kell növelni (sőt) hanem a bemenetre minimálisan feszültség osztót kell tenni, akkor én a helyedben, maradnék az eredeti megoldásnál. Amúgy nem tudom miért ódzkodsz az optocsatolós megoldástól. Egyszerű, nem túl költséges. Nem tud problémát okozni, visszahatni. Tranyót nehéz lesz beletenni, mert a közös-emitteres kapcsolás invertál. Ha meg úgy kötnéd be, mint ahogy az optó tranyója van, akkor gyakorlatilag semmit nem ér maga a tranyó, mert közös-kollektoros kapcsolásban fog működni. De bármit is választasz a bementet illeszteni kell a feszültséghez. Közös-emitteres tarnyónál, meg vagy még egy inverter fokozat kell, vagy a programot átírni..
Helló!
Nagy segítség nem leszek, de azt kitaláltam, hogy térközjelzéshez fog kelleni, ugye? ![]() Legegyszerűbben talán egy bistabil relével lehetne megoldani, de a relé tekercseinek áramját nem fogja bírni a reed. Bocsi hogy csak ennyit tudtam, még én is kezdő vagyok.
Hello! Ehhez a feladathoz elég két "akármilyen" NPN tranyó, és négy ellenállás. Ebből egy RS tárolót lehet építeni, amit a Reed csövek (mert gondolom arról van szó) billegtetnek. A dióda és a kondi főképpen azért kell, mert ha jól emlékszem ezek a tápok nincsenek szűrve, tehát nem "sima egyenáramot" adnak.
Köszönöm szépen a segítséget, holnap veszek hozzá anyagot és meg is építem!
Gernerakos: talált. Igazából csak azt szeretném jeleztetni, hogy az alagútban hol jár a vonat.
Az már majdnem térközlejzés, csak hiányzik a sárga jelző. Sok sikert a megépítéséhez!
Üdv!
Szeretnék készíteni egy kapcsolást, amely figyeli egy hűtőborda hőmérsékletét, és ha az túl meleg( ezt potival szeretném állítani) akkor bekapcsol egy ledet és egy 12 voltos relét. Tudna valaki ebben segíteni? Ha lehet, akkor Hestore-os hozzávalókból szeretném megépíteni. Köszönöm a segítséget!
Üdv!
Ennél egyszerűbbet nem fogsz találni: Bővebben: Link Én is megépítettem, tökéletesen teszi a dolgát a kis asztali erősítőmben.
A kérdésedről ez a téma ugrott be.
Köszönöm , én mindenhol kerestem csak ezen az oldalon nem.
![]() Reloop: Ez van akkor, ha az ember nem keres témát, csak kérdez!
Az a lényeg, hogy nem 230V az amplitudója. 230V az effektív értéke. Ez azt jelenti, hogy egy ellenállásra kötve a hőhatás ugyanolyan,mintha egy 230V-os egyenáramú áramforrást használtunk volna.
Van tranzisztorok helyettesítése témánk.
Sziasztok! Olyan IC-t keresek, aminek a bemenetére adott impulzusokra felfelé számol, majd egy adott értéknél resetelni tudom. Van ilyen?
Köszönöm! Jól értem, hogy ha 5-ig akarok vele számolni és az 5-ös kimenetét a resetre kötöm, akkor reseteli magát? Ha valami hasonló történik, akkor nekem teljesen jó.
Üdv!
Megépítettem, tökéletesen működik. ![]() Van itt arra lehetőség, hogy egy kapcsolóval a zöld LED helyett egy másik LEDet kapcsoljak? Megpróbáltam egy sárgát beépíteni, amit egy billenő kapcsolóval kapcsolok a zöld helyett, de itt különböző bajságok lépnek fel. Ha alaphelyzetben a piros világít, és átkapcsolom a kapcsolót, magától átbillen az áramkör. Ha a zöld világít nincs gáz, átkapcsolok és máris kialszik és a sárga veszi át a helyét. Remélem érthető, mit szerettem volna.
Sziasztok!
Vásároltam egy tolópotit, de elég rosszul csúszik, és amire használni fogom, oda kellene hogy jól csússzon, tehát szükség van a finom szabályzásra. Mivel tudnám besíkosítani? Több ötletnek jobban örülök, hátha nincs épp kéznél az, ami kell...
Miért kéne helyettesíteni, kapható. Pl a HEStoréban is. BF224, BF240
Ez természetes, mert az áramkör tároolja az információt. Te meg megszakítod az áramot, mikor váltod. De ha a T2 kollektorából a +12V-ra egy 2,2kohm-ot kötsz, várhatóan megőrzi az infót a Led váltáskor.
A hozzászólás módosítva: Dec 19, 2014
Köszönöm, igyekszem keveset értetlenkedni!
Sziasztok!
Segítséget kérek! Ledet rákötöttem 1 mozgásérzékelőre és pár hónap után éjjel-nappal villog. Mozgáskor rendesen világít, majd újra vibrál. Előre is köszi!
Sziasztok!
Hűtőborda darabokat mivel lehet összeragasztani? Gyárilag valami fehér trutyi volt ott, amiről azt sem tudom, hogy vezeti-e a hőt. Igazából egy ALU lemezt kéne visszaragasztani, amit többé-kevésbé 2 csavar is a helyén tart. Mutatom, hogy miről van szó. (Elnézést, de ilyen jellegű témát nem találtam, így hát a kezdő kérdésekbe írtam.) Ha csak fehér hővezető pasztát nyomok oda, az jó lehet? A hozzászólás módosítva: Dec 20, 2014
A fehér hővezető paszta az elég oda,gyárilag is hővezető pasztával van összerakva.
|
Bejelentkezés
Hirdetés |







Igazából csak azt szeretném jeleztetni, hogy az alagútban hol jár a vonat.

