Fórum témák
» Több friss téma |
Találtam egyet, kicseréltem, és működik is, köszönöm az információt.
Sziasztok!
Van egy Lidis ragacspisztoly aminek bedurrant a panelja. Ebben kérnék segítséget, ha netalán van valakinek ez a fajta, legyen szíves be azonosítani pár alkatrészt. Amik hiányoznak azok a D1,D2,C2,és az R7. Mellékelem a nyák rajzot, amit vissza rajzoltam az eredetiről. Köszönöm előre is!
Sziasztok!
Csináltam egy képet az ominózus ragasztópisztolyról. Így könnyebb a beazonosítása.
Hello!
Igazából az tudná megmondani, akinek van ilyen készüléke. De a D1 egy zéner lesz kb. 12.15V feszültséggel. A D2 sima dióda, vélhetően ez is 1N4007. Az R7 ellenállás-nem igazán lehet tudni, mert az már a "szabályzókör" része, de Mohm körül lehetett. A kondi vélhetően olyan mint a C1, ha a mérete azonos volt. (Nem maradt belőle semmi? mert akkor lehet kifilózható.) De a PTC1-2-öt is meg kellene nézni, mert lehet azon keresztül ment a villany. (A triac fordítva van beírva, mert A1/G fel van cserélve.) üdv! proli007
Szia!
A kondiból nem maradt semmi,csak a két lába. A PTC1-2 az igy van bekötve ahogy a rajzon szerepel. Nem igazán értek hozzá,de gondolom hogy ez nem a legjobb megoldás. A triac láb kiosztását a neten néztem. A panel hátulján van még egy alkatrész beforrasztva,szerintem egy varisztor lehet. A 0,1µF kondival párhuzamosan van kötve. Üdv.dörmi
Sziasztok !
Segítségetekre lenne szükségem egy végfok javításában. A végfok egy 2x400w 4 ohm os teszt erősítő (szép kis darab ) eddig tökéletesen működött jó pár bulit végig toltunk vele egyszer csak le kapcsolt buli közben .Rá mértem az egyik hangfal kimenetén a relé előtt 40 v ot mértem még szerencse hogy a (védelem jól működött ) megvédte a hangfalakat .Le kötöttem a rossz panelt és egyből bekapcsolt tehát a panelon elszállt valami .Külsérelmi nyomok égés vagy melegedés nem tapasztalható rajta .Hozzá teszem a végfok nyolc db BD 249 c -és vég tranzisztorokkal van megépítve és +- 76 v rol megy tudom kicsit a határon van de végül is évekig bírta .Kérdésem az lenne hogy kezdjek neki a hiba keresésének mit kéne mérnem vagy valami ötlet a javítás elkezdéséhez . Előre is köszönőm a segítségeteket .(Kritikákkal mellőzzetek )
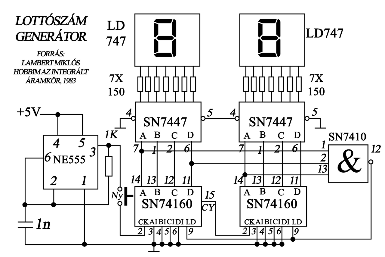
Helló az alábbi kapcsolási rajz alapján elkészített lóttógép nem 0-és 90 között generál számot hanem 2 és 99 között. Valami ötlet hogy lehetne ezt beállítani ?
A hozzászólás módosítva: Jan 3, 2015
A jobb oldali IC (ami az ábrában csak egy & jellel van lejölve [három bemenetű 'és' kapu]) 2-es lábát a jobb oldali 74160-as IC 11-es lábára kösd át. Most a bal oldalira van kötve.
Az átkötès után ,sokkal rosszabb lett mint volt. Csak a 19 et írja ki az összes gombnyomás után: a 9-es sosem változik( második digit) az első tizes számrendszer 1 - est ír ki. & kapunak egy hárombemenetű NAND kapu IC :SN 7410 van használva.
Hello! Itt az lesz a gond, hogy össze vannak cserélve a digitek a "kapuzásnál".
- A nyomógomb utáni 74160-ból képződnek az egyesek. A második 74160-ból a tízesek. - Itt a számlálót törölni, 91-nél kell. A NAND kapu, meg az első számlálón figyeli a 9-et, a másodikon az 1-est. Az meg így nem jó. - A 9-es a BCD számnál (ABCD - 1001). Az 1-es (ABCD - 1000). Tehát a három bemenetű kapu két lábát a második IC "A" és "C" kimenetére, míg a harmadik bementet az első IC "A" bemenetére kell kötni. - De ha az 555-nél kicseréled az 1nF-ot egy 470µF-ra (vagy párhuzamosan kötsz vele), akkor szépen látni fogod hogy számol a számláló, és mikor törlődik.. A hozzászólás módosítva: Jan 4, 2015
Az átkötès után bekapcsoláskor az 5-öst írja ki.A nyomógomb megnyomása kor nèha a 15 - öt jelzi.
Újrarajzoltam a kapcsolásirajzát!
- Mivel nincs RESET áramkör, a számláló bekapcsoláskor azt ír ki, amit akar..
- Átrajzoltad, de nem változtattad meg a kapcsolást. - Első digit az 1-esek, második a 10-eseket jelníti meg. - A nem használt IC lábakat a +5V-ra kellene kötni, nehogy bezavarjanak. De az első IC "CK" lábát is fel kellene húzni a tápra egy 1kohm-al. Mert zavart szedhet össze. A számlálók tápjára közel az IC-khez egy-egy 100nF-os kondit illik tenni. - Amit írtam lassítsd le az 555-öt, és zárd rövidre a nyomógombot. Nézd meg hogy számol felfelé.
Az átkötès után és a zavar megszüntésére 2 db 100nF-ot forrasztotam ,a 2db SN74160 IC-re. És az 1 nF helyère 4,7mikrót tettem a számláló lassítására. de így roszabb lett, mint volt.
Valami miatt 2-ről kezd el számolni. Csatoltam az eredeti kapcsolási rajzot ami a könyben volt, mert amit eddig csatoltam azt én egészítettem ki IC-katalógus alapján.
A magam eszétől a nyomógombot áttenném az 555 4 lába meg a + közé, test felé egy ellenállással lehúzva . Bár lehet senkit nem zavar ha prelleg, és ezért pluszba számol.
- Most lerajzoltad azt, ami eredetileg szerintem helytelen volt.
- A kondi cserét nem azért javasoltam mert így kell használni, hanem hogy olyan lassú legyen az ütemadó az élesztés alatt, ahol látod hogyan számol. Ezért írtam, hogy 470µF legyen. (De mondjuk kisebb kondi és nagyobb ellenállás (1k helyett) próbára célszerűbb lenne. - A kapcsolás nem a számláló törlő bemenetét használja, hanem a Load "betöltő" bemenetét. Vagy is azt a számot írja be, ami az AI-BI-CI-DI bemenetekre van programozva. Jelenleg minden bemenet L szinten van, vagyis az nullát jelent. Ha neked ez "kettő", akkor várhatóan az alsó digit BI bemenete nincs bekötve, vagy a "levegőben lóg". Az pedig logikai H szintnek felel meg, ami a BCD bemeneten 2-őt jelent.. - Próbának igaza van, mert úgy a CK bement legalább határozott logikai szintet kap. De mondjuk nem írtad, hogy a CK bemenet és táp közé tettél-e ellenállást. A hozzászólás módosítva: Jan 21, 2015
Köszönöm a válaszokat. Az volt a gond, hogy BI bemeneténél a szalag elvolt szakadva és azért kezdett 2-ről. Mostmár csak az a gond, hogy 99-ig számol.
Szia
"Mostmár csak az a gond, hogy 99-ig számol. " A 7410IC b kapuja ahonnan veszi a jeleket az jó? Mert az első számláló az AI&DI ami 9, a második, az AI ami 1 igy az egész 91-nél beírja a 00. Tehát kezdi előről a számólást. Az megint egy kérdés, hogy miért a első számláló bemenetére megy, az 555, mikor a másodikra, kellene menni. Az más kérdés hogy a 00 se, engedéjezett. Mert azzal a lottó számal, sincs nyeremény. De lehet olyan gyorsan nem elengethető a gomb. üdv. A hozzászólás módosítva: Jan 21, 2015
Hello! Nem szoktad elolvasni amit írok? Írtam, hogy fordítva vannak a számlálók. De 1-ről is lehet kezdeni a számlálást, (mint ahogy a hiba miatt kettőről számolt) csak az AI-kell magas szintre emelni...
Sziasztok!
Egy kis segítséget szeretnék kérni tőletek! Fejér megyében, vagy a fővárosban keresnék valakit aki hozzá tud szagolni bálázó monitorhoz. Valószínűleg valami kontakt hiba lehet, mert egyszer működik, aztán következő bekapcsolásnál már csak sípol. Mostanában az utóbbi a gyakoribb. Lefényképeztem a belét. A segítséget előre is köszönöm!
Sziasztok, segítség kellene! Hogy hívják ezt a kábelt? Milyen néven lehetne rákeresni? (esetleg németül?)
Ez egy kefés motornál a kefetartón van (volt, mert az egyik oldal elégett) és bárhogy keresek, csak kefetartókat dob a google ![]() Köszönöm!
Az a spirál a géphez van méretezve, túláram védelem. Alakja, értéke gépenként változik. Ha a márkaszervíz nem tud adni, akkor szinte reménytelen másikat szerezni. Megy enélkül is a masina a leégés kockázatával.
Az gáz
A márkaszervíz kínában van(volt) 25 éve! A leégés a nem megfelelően ragasztott kefetartónak köszönhető, ami kicsúszott az alu házból feszültség alatt, majd összezárt a földelt alu burkolattal, rövidzárra meg ritkán terveznek ilyet Amúgy ez egy acél spirál, 250V/250W egyenáramú motorban volt. Maga a spirál már ránézésre is kibírt volna nem csak 250W-ot a huzal keresztmetszete alapján, csak ugye a ragasztás keresztül húzta a terveket . A cél elindítani a motort, hogy kicsit dolgozzon még a lecserélése előtt (talán egy/másfél órányi munkája lenne).Mit javasolsz a helyettesítésére?
Szeretném az OE-104 gépkönyvét letölteni, de nem találom, illetve az elektrotanyán megtaláltam, de nem enged bejelentkezni. illetve nem tudok uj jelszót megadni, így nem tudom letölteni. Mit tehetnék?
Tisztelettel várom a válaszokat. Tisztelettel: Jakab László
Napi 5 letöltéshez nem kell bejelentkezned. SM kereső > Nem vagyok robot > Go to download.
Itt 20 sec-ig a "processing" felirat van, utána enged letölteni.
Nem a legjobb minőségű, de talán használható.
Sziasztok, segítséget szeretnék kérni, hogy van egy Samsung HT-DB300 hangrendszerem, aminek az erősítője valamiért nem működik. Ami jelenséget produkált: mikor RCA-n hallgattam a zenéket pattogott a hangszórók, egyik AUX kimeneten kevésbé mint a másikon, de később elkezdte azon is. Most semilyen hangot nem ad ki... milyen probléma lehet ez? valaki esetleg tudná mit kellene cserélni, hogy működésre bírjam?
|
Bejelentkezés
Hirdetés |














A márkaszervíz kínában van(volt) 25 éve! A leégés a nem megfelelően ragasztott kefetartónak köszönhető, ami kicsúszott az alu házból feszültség alatt, majd összezárt a földelt alu burkolattal, rövidzárra meg ritkán terveznek ilyet 




