Fórum témák

» Több friss téma
Fórum » JLH erősítő
Lapozás: OK   142 / 221
(#) reloop válasza Mayan hozzászólására (») Jan 8, 2015 /
 
Szia! A feszültségutánhúzó és a kompenzáció hiánya, valamint a felére csökkentett visszacsatolás miatt természetes, hogy lényegesen rosszabbul szól mint az eredeti kapcsolás.
Mi volt az átalakítás szándéka?
(#) Mayan válasza reloop hozzászólására (») Jan 8, 2015 /
 
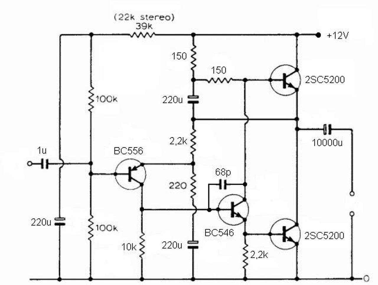
Helló, Komáromi Zsombortól olvastam hogy az utánhúzásra itt nincs is szükség ezért lelkesen elhagytam. Azt is írja hogy minden kompenzálás nélkül jobban szól. Ez lehet is. A visszacsatolásnál a feszültségerősítésre gondolsz ? Csak 4.7k volt kéznél nem is szól már rosszul, most hallgattam normálisabb zenékkel és nem rossz ez. Csak fájt a fejem és nagyon fáradt is vagyok akkor már minden rosszul szól... Ez az eredeti amiből kiindultam: (ebben nincs is kompenzáló elem)
A hozzászólás módosítva: Jan 8, 2015

jlh 1969.jpg
    
(#) Mayan válasza reloop hozzászólására (») Jan 8, 2015 /
 
Ja láttam a tiédet itt, tetszik, vajon milyen lehet az az enyémhez képest, vagy a nagy obeliskhez képest ? Bővebben: Link

DSCF3379.JPG
    
(#) Mayan hozzászólása Jan 8, 2015 /
 
Hátha így jobb lesz. Itt is olvastam erről, meg a megszűnt soundwizard oldalon.

DSCF3379a.jpg
    
(#) reloop válasza Mayan hozzászólására (») Jan 8, 2015 /
 
Az 1. ábráról írottak elég zavarosak. (Hol van itt kvázi-komplementer? Egyszerű árammegosztásról van szó. Áramgenerátor, legyen az bootstrap kondi, nélkül elapad a pozitív félperiódus árama. A kompenzációt el lehet éppen hagyni, de romló tranziens viselkedéssel kell számolni. A végtranzisztoroknál gyorsabb nagyjelű erősítő egy visszacsatolt körben éppen a kárhoztatott négyszögjel túllövés malmára hajtja a vizet.)
Ha él benned kísérletező kedv, az egyik csatornát építsd át Hood rajza szerint, a forrszemes NYÁK nagy előny ilyenkor
(#) Mayan válasza reloop hozzászólására (») Jan 9, 2015 /
 
Majd kísérletezek még, persze. De melyik kompenzációról beszélsz a 69-es rajzon ?
(#) reloop válasza Mayan hozzászólására (») Jan 9, 2015 /
 
A C3, R5, C5 elemekre gondoltam.
(#) Mayan válasza reloop hozzászólására (») Jan 9, 2015 /
 
De a 69-es rajzon nincs kompenzáló elem... C5 nincs, C3 a visszacsatolásban lévő elkó, R5 a bemenő ellenállás. Te egy másik rajzról beszélsz szerintem.
(#) reloop válasza Mayan hozzászólására (») Jan 9, 2015 /
 
Bővebben: Link Ez valóban másik rajz.
A problémát a magam részéről ezen a rajzon C3 kondival kezelem.
A hozzászólás módosítva: Jan 9, 2015
(#) Mayan válasza reloop hozzászólására (») Jan 12, 2015 /
 
Helló, átépítettem, most így néz ki. A hang kifinomultabb lett, de van egy kis búgás alapból, nyitott bemenettel nincs de passzív előfokkal búg kissé és csak a poti középállásában lehet használni mert a min és max felé elforgatva sistereg, recseg, és elhallgat a zene. Gerjed vagy földhurok vagy mindkettő ? Az előző állapotban ilyen nem volt, illetve csak a max állásban, és egy 2,2k 470p -t tettem a bemenetre akkor az is elhallgatott. Most meg azt pont ki kellett vennem mert akkor még sokkal jobban búgott, stb. A földelésem nem jó arra gondoltam mert a két oldalra közös, a panelen a jelbemenetnél, mint jlh bácsi egykori erősítőjében. Lásd ff képek.
(#) Orbán József válasza Mayan hozzászólására (») Jan 12, 2015 / 1
 
Ha jól látom, rossz, amit látok.
A végtranyók miért vannak a szomszéd szobában...?
Ha megnézed az itt közölt kapcsolásokat, nyákterveket, igen rövidre van véve a huzalozás, kompakt az egész.
A pufferelkóról ahova megy a negatív, az halálos...
Az RCA aljzatok meg nincsenek kiszigetelve a fémlaptól.
Szerintem nézd meg az itteni nyákrajzokat, reloop amit ajánlott, az is fölséges lesz, ha ki akarod hagyni a kompenzációkat, nem rakod rá a nyákra. Ez a JLH a világ egyik legkevésbé problémás erősítője, de tudunk rajta rontani - én sem voltam kivétel.
JLH ezt megépítette, azóta még néhány százezren biztosan. Azóta kerültek be ilyen-olyan okból kompenzációk a kapcsolásba, de nem érdemes az alap kapcsolásból semmit elhagyni, akárki mondta...
A hozzászólás módosítva: Jan 12, 2015
(#) CIROKL válasza Orbán József hozzászólására (») Jan 12, 2015 / 1
 
Igen sajnos ez nem nyert kategória , anno nekem azt mondta az egyik ismerősöm hogy mindenki tud erősítő építeni , na igen de hogyan ?
(#) Mayan válasza Orbán József hozzászólására (») Jan 12, 2015 1 /
 
A földet most átkötöttem úgy hogy az alul középen lévő tüskéhez most nem megy, csak 2 másik a 2 szélső alsó tüskére ahová az alsó végtranyó emittere megy. Így megszünt a brumm de a gerjedés megmaradt a poti két vége felé... Ja de ha olyan "halálos" akkor maga JLH miért így csinálta, lásd a régi képeken. Ez az ő saját példánya 69-ből amiben semmi kompenzáció nem volt még. Ja és ő is kivezette a végtranyókat és sokan mások is. Ja az rca azért nincs ott szigetelve mert ott földelem dobozt is, ott a föld csillag. Ennek így is kell lenni, azt olvasom mindenütt.
A hozzászólás módosítva: Jan 12, 2015
(#) Orbán József válasza Mayan hozzászólására (») Jan 12, 2015 /
 
... és milyen végtranyói és egyéb tranyói is voltak?
... és a mostaniak miben különböznek ettől?
... most milyenek vannak benne?
... hányszor gyorsabbak és minek?

A BC546 helyett jobbat tennék. Ez még nem ok a durvaságokra az erősítő részéről persze, de 100mA-t írnak áramára, karcsúnak gondolom.
Végtranyóidnak 35-ös a bétája!

Mindkét oldalnak önálló tápvezeték illene.
Nézd meg lamalas cikkét és azt rakd össze, ahogy lefényképezte.
A hozzászólás módosítva: Jan 12, 2015
(#) reloop válasza Mayan hozzászólására (») Jan 12, 2015 / 1
 
Az RCA-n levő csillagpontból tápáram folyik az erősítő felé, aminek A osztályban is van változása. A változás ejtette feszültség pillanatnyilag hozzáadódik a bemeneti jelhez. A GND csillagpontját a végfokra tenném, onnan már mehet a jelföld a házra.
Néha az elvileg helyes huzalozástól eltérve nagyszerű kioltások jönnek létre, érdemes a testvezetést ötletszerűen több módon is kipróbálni
A hozzászólás módosítva: Jan 12, 2015
(#) Moszkvai válasza Orbán József hozzászólására (») Jan 12, 2015 / 1
 
Ha a végtranyók eredeti TOSHIBA-k és "O" betűvel vannak ellátva akkor akár 80-160 is lehet a 2SC5200-as bétája. Ha "R" betű van rajta akkor is 55 és 110 között van.
Létezik valami utángyártott, /lézer gravírozott/ aminek meg már csak 50 körüli.
Nekem ami van "O" betűs , azok 100 körüliek.
A hozzászólás módosítva: Jan 12, 2015
(#) Mayan válasza Moszkvai hozzászólására (») Jan 12, 2015 /
 
Eredetiek, O betűs toshibák, a hestore-ból. Nincs már vele semmi más baj, csak a poti szélső helyzeteiben gerjedés. Középállásban nagyon csendben van és gyönyörűen szól, hiszen mostmár az eredeti rajz szerinti. A hangja közel áll az obeliskhez jellegében, de az obelisk azért még minden jellemzőjében jobb. A potis dolog sem kritikus mert csak végfokként kell és így pont jó is. De lehet később közel fogom tenni a panelt a végtranyókhoz és akkor egészen rövid vezetékkel fognak csatlakozni, és a földelosztást is újragondolom.
A hozzászólás módosítva: Jan 12, 2015
(#) reloop válasza Mayan hozzászólására (») Jan 12, 2015 /
 
Ha tápáramot nem a jelföldön vezetnéd szerintem elmúlna gerjedés.
(#) Mayan válasza reloop hozzászólására (») Jan 12, 2015 /
 
Már most nem ott vezetem, nem ? Még egy Zobel tagot ki fogok próbálni a kimeneten, korábban az ilyet más a-osztályú erősítőmnél az oldotta meg. (a stefi)
A hozzászólás módosítva: Jan 12, 2015

DSCF3462.JPG
    
(#) reloop válasza Mayan hozzászólására (») Jan 12, 2015 /
 
A képen azt látom a puffer kondi negatívja elsőként az RCA aljzattal találkozik, onnan a jelföld és tápföld egy közös (fekete) vezetéken ér el a panel - kép szerint - bal alsó sarkát.
(#) Moszkvai válasza Mayan hozzászólására (») Jan 12, 2015 /
 
Én is az eredetit építettem anno, tökéletesen működött és ahhoz képest, hogy A osztály, nagyon csendben volt. A puffer kondira tennék még 100nF-os hidegítést és a graetz-re is. A csillagpont ne a bemeneten legyen. A pufferkondiról a negatív a panelre menjen. A hangfal negatívját pedig vagy a kondiról vagy a panelról vedd le, /Ahonnan csendesebb/
(#) Moszkvai válasza Mayan hozzászólására (») Jan 12, 2015 /
 
A bemenetről a GND egy db külön vezetéken menjen a panelra, közel a bemenethez.
(#) Orbán József válasza Mayan hozzászólására (») Jan 13, 2015 / 2
 
Nem tudom, mennyire látszik a képen, ez az enyém egy csöves jelkondival tupírozva.
15mm-ről hallom teljes hangerőn a hangszóróból a neszt.

DSC_0745.JPG
    
(#) Anden válasza Orbán József hozzászólására (») Jan 13, 2015 /
 
Szia!
igen szép munka, gratulálok!!
Gondolkozom ennek (is) a megépítésén.. Esetleg el tudnád nekem küldeni az általad megépítette végfok panel dokumentációit, persze csak ha nem titok!!??
Előre is köszönöm!

*
A hozzászólás módosítva: Jan 13, 2015
(#) Orbán József válasza Anden hozzászólására (») Jan 13, 2015 /
 
Szia! Köszönöm, részben csak az én érdemem, a nyák itt található a fórumon, feliratozva, vasalhatóan.
"Fényharcos" vagy ilyesmi felirattal. Minden alkatrész értéke a nyákon van. Nemrég is idézte itt valaki egyik hsz-ben.
Én 70 mikronos lemezre, fényesón kivitelben legyártattam...
(#) david9999999 válasza Orbán József hozzászólására (») Jan 13, 2015 /
 
Én idéztem a nyákot az előző oldalon ott van
(#) Orbán József válasza david9999999 hozzászólására (») Jan 13, 2015 /
 
Úgy van, tényleg. Nekem messzemenően bevált!
(#) djhans válasza Orbán József hozzászólására (») Jan 13, 2015 /
 
Szép az erősítőd. Mekkora a tápfesz és a nyugalmi áram. Régebben én is építettem ilyen dióda/tirisztor bordákkal. Nekem nem bizonyult elégnek. Lassan de biztosan felmelegedett.
(#) Orbán József válasza djhans hozzászólására (») Jan 13, 2015 /
 
Köszönöm!
90A-es SSR hűtői voltak. Egy 3 v. 4 mm-es alu tartókonzol rögzíti együtt őket. Van egy vasaló hőfokszabályozó rajta a közös tartón, amikor nagyjából elég meleg és kapcsol, világít egy kék dióda is a piros mellett, így tudom, bemelegedve a gépezet...
27V 1.6A és 4-6 Ohmon használom. Amit most csináltam, ott még bővíteni kell a hűtőfelületet, ez megáll 65 foknál kb.
(#) djhans válasza Orbán József hozzászólására (») Jan 13, 2015 /
 
A 65 fok az még éppen elmegy. Azzal is volt problémám hogy nekem is 60-65 fok volt a borda, az L-idom (5mm) már kicsit melegebb de a tranzisztor (TO3) már jóval melegebb volt a csillám miatt. Pedig igyekeztem minél vékonyabbat alátenni. Egyszer fogok egy olyat csinálni hogy a 4db tranzisztor 4 külön bordán lesz csillám nélkül. A bordák lesznek elszigetelve a doboztól.
Következő: »»   142 / 221
Bejelentkezés

Belépés

Hirdetés
XDT.hu
Az oldalon sütiket használunk a helyes működéshez. Bővebb információt az adatvédelmi szabályzatban olvashatsz. Megértettem