Fórum témák

» Több friss téma
Fórum » Elektronikában kezdők kérdései
- Ez a felület kizárólag, az elektronikában kezdők kérdéseinek van fenntartva és nem elfelejtve, hogy hobbielektronika a fórumunk!
- Ami tehát azt jelenti, hogy a nagymama bevásárlását nem itt beszéljük meg, ill. ez nem üzenőfal!
- Kerülendő az olyan kérdés, amit egy másik meglévő (több mint 17000 van), témában kellene kitárgyalni!
- És végül büntetés terhe mellett kerülendő az MSN és egyéb szleng, a magyar helyesírás mellőzése, beleértve a mondateleji nagybetűket is!
Lapozás: OK   2490 / 4060
(#) reloop válasza Gj hozzászólására (») Feb 1, 2015 /
 
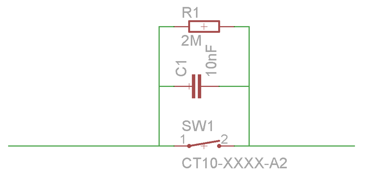
Bár a gyári készülékek ennyivel is megelégszenek, érdemes a kondenzátorral párhuzamosan egy 1-2M értékű ellenállást is rátenni, hogy a kihúzott villásdugót megérintve ne csípjen meg a kondenzátorban esetleg visszamaradó töltés.
(#) Gj válasza reloop hozzászólására (») Feb 1, 2015 /
 
De a kondit hogyan kell kötni?
(#) reloop válasza Gj hozzászólására (») Feb 1, 2015 /
 
Volt már a koppanásgátlós témában.
A hozzászólás módosítva: Feb 1, 2015
(#) kendre256 válasza atrue hozzászólására (») Feb 1, 2015 / 1
 
Tud állandó árammal és állandó feszültséggel is tölteni.
Ha pl. egy 6V-os akkura rákötöd úgy, hogy a feszültséget 15V-ra állítod, az áramot meg 3A-re, akkor állandó árammal fog tölteni.Viszont ebben az esetben neked kell figyelni, hogy mennyi ideig történjen a töltés, különben túltölti (tönkreteszi) az akkut.
Ha pl. egy 12V-os lemerült akkura rákötöd úgy, hogy 14V-ra és 2A-re van állítva, akkor először állandó, 2A árammal tölt. Mikor az akku feszültsége a töltés során feljebb emelkedik, akkor az áram csökkenni kezd, és egyre kisebb lesz. Mikor feltöltődött, akkor minimális áram fog már csak folyni.
A lítium akkukat is hasonló módon töltik, csak azoknál nagyon kritikus, hogy mekkora a maximális feszültség. Ha cellánként csak 1 tized volttal nagyobb a feszültség, az akku kigyulladhat (a net tele van túltöltött, kigyulladó lítium akkuk videóival...)
(#) Gj válasza reloop hozzászólására (») Feb 1, 2015 /
 
Ott nem látok ellenállást, így akkor?

Névtelen.png
    
(#) reloop válasza Gj hozzászólására (») Feb 1, 2015 / 1
 
Pontos
(#) elektroncso válasza Gj hozzászólására (») Feb 1, 2015 /
 
Ami nekem van itthon szikraoltó alkatrész az soros RC alkatrész és 220nF-os kondenzátor van sorba kötve egy 680 ohm-os ellenállással egy tokban. Persze amit lerajzoltál az is működőképes.
U.i.: Ezeket villanyszekrényekben a mágneskapcsolókra rakták talán. Legalábbis egy erősárammal foglalkozó embertől kaptam őket. Annó megkérdeztem,hogy mik ezek, akkor azt mondták szikraoltó tagok.
A hozzászólás módosítva: Feb 1, 2015
(#) reloop válasza elektroncso hozzászólására (») Feb 1, 2015 /
 
Ez is csillapítja a kapcsolással járó tranziens jelenséget, kapcsoláskönnyítő vagy snubber néven ismert.
(#) sandor npluszegy hozzászólása Feb 1, 2015 /
 
Már két hete kb próbálkoztam, nem válaszolt senki, -az elektromos kerékpár áramát szeretném mérni,az elektromos kerékpár kormányáraszrelt müszerrel, villamos végzettségem, van csak biciklivel foglalkoztam 20 évig, ugyhogy kicsi kezdő vagyok ebben a témában, minusz 10 ampertől plusz 10 amperig szeretném kijelezni az áramot, ehhez kérném a segitségeteket, a meglévő akkuvezetéket használnám ki mint jelforrást, kb 50 milivolt lenne 10 ampernél- jó lenne digitális kijelző de látva az ic -t aminek kb 4x 12 lába van, visszahökölök, valamilyen lomtalanitott mosógéppanelon látom a 2 és 3 karakteres kijelzőkkel együtt, vagy vegyem elő a régi szép időkből származó kétirányu jobbra és balra muttó analóg müszert s azzal próbálkozzak? előre is köszönöm a segitséget. Minden jót mindenkinek.
(#) kendre256 válasza sandor npluszegy hozzászólására (») Feb 1, 2015 /
 
Ha az akkuvezetéken eső feszültséget szeretnéd felhasználni, akkor bonyolultan lehet csak megoldani a dolgot, mert az 50mV elég kevés. A digitális alapműszerek jellemzően 200mV-os érzékenységűek alapból, ehhez vagy erősíteni kellene, vagy hosszabb (vékonyabb) akkuvezeték kellene, hogy legalább 100 mV legyen rajta.
A másik lehetőség, hogy veszel egy panelműszert, ami alapból 10A-t mér.
Ez például áramot és feszültséget is mér.
(#) kerdes10 hozzászólása Feb 2, 2015 /
 
Az miért van hogy az NPN tranzisztor kollektorán kisebb áramot mérek mint az emitterén.
Szám szerint: bázis:1 mA, collector:230 mA, emitter: 180 mA
Ha jól tudom I(emitter)=I(bázis)+I(collector)
Rendesen van bekötve, más lábkiosztású tranzisztorral is ez a helyzet, leellenőriztem sokszor a bekötéseket.Egyszerűen nem tudok rájönni mi lehet a hiba...
Köszönöm a válaszokat!
(#) ptesza válasza Leaslie hozzászólására (») Feb 2, 2015 /
 
Neked elég lenne egy kimenetválasztó vagy szeretnéd ha egyszerre is szólnának a kimenetek választható hangerővel?
(#) kendre256 válasza kerdes10 hozzászólására (») Feb 2, 2015 /
 
Nem az árammérővel "hamisítod" meg a mérést? Ilyen kis áramoknál már számottevő az árammérő belső ellenállása, az változtathat az áramokon is. Ilyenkor érdemes ismert ellenállásokon feszültséget mérni, majd abból számolni az áramot.
(#) qvasz2 válasza kerdes10 hozzászólására (») Feb 2, 2015 /
 
Idézet:
„tranzisztor kollektorán kisebb áramot mérek mint az emitterén”

majd
Idézet:
„collector:230 mA, emitter: 180 mA”


Most akkor mi van?!?
A hiba leginkább te vagy. Rosszul érintkezik valami, vagy más banális hibát csinálsz "méréskor" .
Egyébként jól tudod, az emitter áram = a kollektor áram + bázis áram
(#) qvasz2 válasza kendre256 hozzászólására (») Feb 2, 2015 /
 
Az elég érdekes "műszer" lenne, ami ennyire eltorzítja az eredményt!
(#) kendre256 válasza qvasz2 hozzászólására (») Feb 2, 2015 /
 
Nem kell semmi érdekes műszer hozzá, ha van egy kis emitterellenállás. Azzal sorba tesz egy viszonylag kis ellenállást, rögtön elmegy a munkapont is és már mást is mér. A konkrét kapcsolás ismerete nélkül nem lehet többet mondani.
Minden műszer torzítja a végeredményt, csak az a kérdés mennyivel...
(#) MrBrown hozzászólása Feb 2, 2015 /
 
Sziasztok,
Azt szeretném kérdezni, hogy ilyen kivitelű 5V-os stab kocka 9V os bemenő feszültség és 180mA-es folyamatos áramfelvétel mellett (0,72W disszipáció) kis méretű majdnem teljesen zárt dobozban hűtőborda nélkül hosszútávon életképes-e?
köszönöm.
(#) reloop válasza MrBrown hozzászólására (») Feb 2, 2015 /
 
Szia! Megsül. Szabadon állva is 50°C lenne.
(#) MrBrown válasza reloop hozzászólására (») Feb 2, 2015 /
 
Értem, köszi.
Akkor csökkentem a bemenő feszt és low drop-os stabot használok.
A low drop-osnak mennyi a minimum bemenő +1,5V elég?
köszi.
(#) MrBrown válasza reloop hozzászólására (») Feb 2, 2015 /
 
Valahogy így:
9V bemenő fesz, majd 6,8V zener (1 N 5342 B) és utána a low dropout-os 5V os stab kocka.
(#) eSDi válasza MrBrown hozzászólására (») Feb 2, 2015 /
 
Ez a zeneres megoldás szerintem már plusz energia pazarlás.
(#) eSDi válasza MrBrown hozzászólására (») Feb 2, 2015 /
 
Az 5V-os LDO megelégszik minimum kb. 6,3V-al is. Viszont, ha spórolni akarsz az energiával, és el is fér, akkor egy pici DC-DC átalakító jobb választás. Például egy MC38063 plusz a pár kellék hozzá SMD-ben ekkora áramra nem sok helyet foglal.
(#) csabee95 hozzászólása Feb 2, 2015 /
 
Sziasztok!

A laptopomat szeretném összekötni egy 5.1-es hangrendszerrel, amin nincs egyszerű aux bemenet, csak a 3 külön csatornás. Usb hangkártyára nem szeretnék áldozni. Arra gondoltam, hogy összeforrasztgatom a kábeleket, hogy egy jack legyen a végük. Az nem zavar, hogy surround helyett csak stereo lesz, az viszont inkább, hogy a center és a mélynyomó megoszlik a jobb és bal csatornák között. Az első gondolatom az volt, hogy két dióda után összekötöm, "monósítom" a jobb és bal csatornákat és így kapja meg a center és a sub a hangot, a többi csatorna pedig továbbra is sztereo marad, viszont ezért az ötletemért egy kis facebookos közösségben nagyon lehordtak, hogy ha nem értek hozzá, akkor ne kezdjek ilyesmibe.

Az volna a kérdésem, hogy tényleg iszonyatosan gány megoldás, vagy azért még vállalható? (A diódákra gondolok elsősorban, mert azt tudom, hogy kábelforrasztgatással nehéz tökéleteset alkotni.)
Az egyértelműség kedvéért csináltam egy kis kapcsolási rajzot. Nem épp profi, de szerintem érthető mire gondolok.

A választ előre is köszönöm.

dioda.png
    
(#) proli007 válasza csabee95 hozzászólására (») Feb 2, 2015 /
 
Hello! A hangfrekvencia váltófeszültség, és mint olyan semmi keresnivalója nincs ott diódának. Két ellenállással (pld. 1..10kohm) közösítheted, de feszültség veszteség lesz rajtuk.
(#) elektroncso válasza csabee95 hozzászólására (») Feb 2, 2015 /
 
Nem fog működni, a dióda egyenirányítani fogja a hangfrekvenciás váltófeszültséget. Ahogy Proli007 mondja, két ellenállás, vagy egy potenciométer és akkor még azt is kiválaszthatod, hogy a jobb vagy a bal oldal basszusai szóljanak erősebben (balansz).
A hozzászólás módosítva: Feb 2, 2015
(#) MrBrown válasza eSDi hozzászólására (») Feb 2, 2015 /
 
Köszi az ötleteket, de sajnos a DC-DC konverter már nem nagyon fér el ellenben a zenerrel. Szóval energia pazarlás ide vagy oda ha műszakilag amúgy korrekt maradnék ennél.
köszönöm.
(#) reloop válasza MrBrown hozzászólására (») Feb 2, 2015 /
 
A Zener használata esetében ugyan kevésbé melegszik a feszültségstabilizátor, de az előtétellenállás és a Zener hője ott marad a dobozban. Alacsonyabb betáp és/vagy kellő szellőzés lehet a megoldás.
Megjegyzem az Ebay-n kapható step-down konverterek némelyike fizikailag kisebb a 7805-nél.
(#) MrBrown válasza reloop hozzászólására (») Feb 2, 2015 /
 
Rákerestem, teljesen igazad van a méretet illetően.
A 340KHz-es kapcsolási frekvencia miatt egy pic-es óraszerkezet esetében ugye elég ha minden IC táp lábainál ott van a 100nF és nem szükséges egyéb tápszűrés?
(#) teszti hozzászólása Feb 2, 2015 /
 
Sziasztok!
Multiméterrel hogyan tudom azonosítani, hogy melyik a fázis és a nulla. Sajnos nincsen védőföld bekötve, így ez a megoldás kilőve.
(#) attika válasza teszti hozzászólására (») Feb 2, 2015 /
 
Fázisceruzával egy másodperc alatt megtudod.
Multival szerintem sehogy.
Következő: »»   2490 / 4060
Bejelentkezés

Belépés

Hirdetés
XDT.hu
Az oldalon sütiket használunk a helyes működéshez. Bővebb információt az adatvédelmi szabályzatban olvashatsz. Megértettem