Fórum témák
» Több friss téma |
Sziasztok!
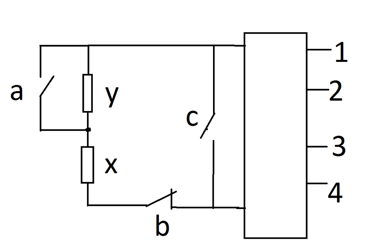
Azért nyitottam ezt a témát, mert megoldást keresek egy kérdésre. A rajz alapján, az x és y ellenállás egy olyan kétpólus, ami négy állapotot vehet fel: ha az x és az y 1 k Ohm, akkor a négy állapot: a: 1k Ohm b: 2k Ohm c: szakadás d: zárlat ezeket az állapotokat szeretném három relével továbbadni, úgy, hogy ha az "a" kapcsoló zárt, akkor az 1-2 kimenet rövidzárlatban van, a 2-3 kimenet rövidzárlatban van. ha az "a" kapcsoló nyitott, az 1-2 kimenet nyitva, a 2-3 kimenet zárva. A "b" kapcsoló nyit, a 2-3 kimenet nyit, (az 1-2 kimenet állapota ilyenkor lényegtelen) A "c" kapcsoló zár, az 1-4 kimenet záródjon. (esetlegesen, alternatívaként a 2-3 kimenet nyithat) a kacifánt az benne, hogy az ellenállások különböző értékekkel is működjenek. Az értékek egyformák, pl. 2x1k, vagy 2x 3,3k, vagy 2x5,6k a kimenet galvanikusan elválasztva a bemenettől, ezért gondoltam valamilyen kisméretű relé vezérlésre. A rendszer lényege tulajdonképp az, hogy a bemeneti kétpólust szeretném egy ugyanilyen de más ellenállásokkal kiépített kétpólusként használni, úgy hogy leválasztott legyen a bemenet és a kimenet.
Szia!
Kérdés: A vezérléshez mindenképpen kétpólus kell? Vagy azt csak a kimenet működésének megértése miatt rajzoltad úgy le? (Pl. két hosszú vezetéken van megoldva a vezérlés, ezért kell a vezérlő kapcsolóknál a kétpólus?) Utólag mod. bocsi, későre jár... A hozzászólás módosítva: Márc 3, 2015
Legegyszerűbb lehetne egy uC aminek az analóg bemenetén lóg 1 Ellenállás az felhúzza tápra.
Ezzel lehet a rövidzár/szakadást észlelni (persze a logika ekkor fordulhat mert földre húzáskor lesz a bemenet alacsony szintű). A többi ellenállás változást is érzékeli mert olyankor 1 feszültség osztó lesz a bemenetén. Vannak többféle mikrovezérlő családok, azokban vannak 8 lábú tokok is. Táp feszültség csatik miatt leesik 6 db portra a lehetőség. Ezekből 4 elmegy kimenetekre reléket tudnak csattogtatni ahogy akarod. Marad kettő port azok között ügyes "trükkökkel" letudod kezelni ezt a négy állapot változást. Analóg technikával is lehet próbálkozni. Ablak komparátorokkal és utánuk kötött kombinációs hálózatokkal amik a reléket csattogtatják.Ezzel többet kell kínlódni. Szoftverrel se könnyű de sokkal rugalmasabban lehet a kívánalmaidat követni mint analóg áramkörök esetén. Lehet válogatni milyen utat választasz !
Analógra gondoltam első megközelítésben, mert a mikrovezérlők programozása nálam egyenlőre kimerül a beírás-kiolvasás részig (egyelőre) Az AVR viszont jó ötletnek tűnik.
Vagy esetleg egy arduino?
Igen. két hosszú vezetéken lóg a két ellenállás, ami állapotát kell figyelni. a kimenet is lehet kétpólus, ami szintén felveheti a négy állapotot, csak a kimenet ellenállásai más értékűek. Tehát egyfajta ellenállás-ellenállás konverter lenne.
pl. Az 1k-2k szakadás-rövidzár állapotok lennének átalakítva pl. 5k-10k szakadás rövidzár kimenetre A hozzászólás módosítva: Márc 3, 2015
Egy MC34161 felhasználásával vajon megoldható?
mc34161 data
Ügyes kis feladat
persze egyszerúbben is leírhattad volna: ![]() Adva van két sorosan kötött izzó a távolban, amit leválasztott módon figyelni kell. 1. mindkét izzó ég 2. egyik rövidzárban van 3. mindkettő rővidzárban van 4. szakadás, nincs áram Ha konstans feszültséggel hajtod, akkor az áramot kell figyelni egy soros ellenálláson, ha konstans árammal hajtod, akkor a rajtuk (és esetleg a soros figyelőellenálláson) eső feszültséget kell figyelni ablak komparátorokkal, vagy Zenerekkel és optokapukkal. Utána a kapott jelekkel már azt csinálsz, amit akarsz, akár ellenállás konvertert is
Nem olyan nagy kaland ez analóg cuccokkal se, legalább is ha jól értelmeztem..
Nem izzók ellenállását kell figyelni, de az analógia kb. ugyanaz. Konkrét ellenállásokat kell figyelni. Pontosan arról van szó, hogy adott egy DEOL lezárással épült vagyonvédelmi rendszer, ami le lesz cserélve egy eltérő típusú rendszerre ami szintén DEOL lezárást használ, csak más ellenállással dolgozik. (DEOL: double end of line) Erre azért van szükség, mert van néhány olyan eszköz, amiben lehetetlen utólagosan kicserélni a lezáró ellenállásokat, utólag új kábelt sem lehet kihúzni, de az érzékelőkre mindenképp szükség van továbbra is, rádiós eszköz sem lehet. A jelenlegi érzékelők is fixen vannak beépítve ajtókba ablakokba. Így csak ez a megoldás az egyetlen járható út.
Hú nagyon jónak néz ki! köszi, valami hasonlóra gondoltam.
A hozzászólás módosítva: Márc 4, 2015
Nekem ez a dolog a szokásos double-balanced megoldású riasztó bemenetre hajaz. Ez elintézi a két szálon a szabotázs és a távoli készülék érzékelését.
Ha van proteusod le is tudod tesztelni. Mellesleg a visszajelző ledeket el lehet hagyni és a potikat is ki lehet cserélni fix ellenállás osztókra..
(Szerintem) egy ilyen bemenet simán fel van húzva a belső tápra és a 2db ellenállás a lehúzó.
Ebből feszültség szintek adódnak, amit a proci értékel. Mérd meg a bemeneten ezeket és írd fel. Ha az eredeti ellenállásoknál kisebb értékűek az újabbhoz szükségesek, akkor egyszerűen az osztó felső tagját kell megfelelő értékkel söntölni.
Belső tápon vannak, de nagyon alacsony a tűréshatár. Ez némileg kompenzálható, ha pl. 3,3k lezárást szeretnék 5,6k lezárásra rakni, itt még tolerálja a rendszer. De ahol 1k van, vagy 5,6k-t kell jóval alacsonyabb értékre átalakítani, ott már nem tudok játszani az ellenállásokkal.
Azért csak mérd meg a feszültség szinteket.
Szerintem simán egy műveleti erősítő kell, aminek a bemenetét olyan ellenállással húzod fel, hogy a távoli két ellenállás a megfelelő kimeneti feszültségeket adja a bemenetre - függetlenül a belső felhúzástól. |
Bejelentkezés
Hirdetés |





!
persze egyszerúbben is leírhattad volna: 
