Fórum témák
» Több friss téma |
- Ez a felület kizárólag, az elektronikában kezdők kérdéseinek van fenntartva és nem elfelejtve, hogy hobbielektronika a fórumunk!
- Ami tehát azt jelenti, hogy a nagymama bevásárlását nem itt beszéljük meg, ill. ez nem üzenőfal! - Kerülendő az olyan kérdés, amit egy másik meglévő (több mint 17000 van), témában kellene kitárgyalni! - És végül büntetés terhe mellett kerülendő az MSN és egyéb szleng, a magyar helyesírás mellőzése, beleértve a mondateleji nagybetűket is!
Hello! Ha tényleg 555 hajtja meg a kapcsolást, nincs értelme ennyit vacakolni a jellel. De ha ilyen áramkört építesz, miért nem látogatod meg a villanypásztor topikot. Az szinte csak ilyenről szól. (Az 555 időállandóit csak hasra ütés szerűen adtam meg..)
Sziasztok
A BC556 és a 182 bázisai közé kell ellenállás. Különben a 12 V táp három nyitóirányú pn átmenetet hajszol a halálba. Persze ezt leginkább úgy tudod megoldani - ahogy ferci eredetileg is javasolta - hogy mindkét bázis külön ellenálláson keresztül kapja az 555 kimenetét. A 10 k jónak tűnik.
Értem. Holnap még befejezem a rajzot. Köszönök mindent. Villanypásztor jeladója lesz majd.
proli007: Hello! Köszi a rajzot, körülnézek a topicban is. Láttam egy pár rajzot máshonnan is csak magam szeretnék tervezni egyet. Az időállandók megvannak. 34ms elég vajon a tekercs felmágneseződésének? Ennyi lenne a periódus negatív időtartama.
Jaa, értem. Jó hogy mondod mert azt simán összekötöttem, csak a bejövő jel-re raktam egy 10K ellenállást. Átrajzolom.
Ezzel a "negatív" dologgal mindig megkeversz. Első hozzászólásodban is arra gondoltam, valami induktív jeladó fogja meghajtani az áramkört. Az 555 négyszögjel, melynek csak magas és alacsony szintjei vannak. A magas szint közel tápfesz értékű, az alacsony pedig a 0V-al (GND-vel) azonos értékű. Jeleket pedig a vonatkoztatási szinthez képest értelmezzük, ami jelen esetben a GND..
De számoljunk. Ha ez egy kocsi gyújtás trafója, és az 6000-fordulattal pörög, akkor annak frekvenciája 6000/60=100Hz. Ennek periódus ideje 10ms. 55fok zárásszög esetén, (a 90-ből) 6,1ms jelent. Tehát 34ms alatt nevetve fel kell mágneseződnie a trafónak..
Igazad van, boccs, rosszul fogalmaztam. A periódus negatív időtartamánál a GND-re gondoltam
.Nekem is eszembe jutott a fordulatszámból való számítás, csak még nem jutottam el odáig. Ez a zárásszög viszont újdonság, még nem hallottam róla. Ez mit jelent pontosan és hogy kell ezzel számolni?
Nem ide tartozik a téma, hanem az autókhoz. Pld.
Sziasztok.
Van egy turnigy balaszeres töltöm és van benne egy olyan alkatrész,hogy TPC8028,meg 8014 Ez elméletileg egy Mosfet,de sajnos sehol nem találok ilyet. Esetleg valakinek valami ötlete,hogy mivel lehetne helyettesíteni?Bővebben: Link A hozzászólás módosítva: Júl 27, 2015
Sziasztok. Forrasztóállomás II (link) höz milyen páka való? Mert a link nem vezet sehova. Egy Hakko 907-es pákával működne?
szerk: Már műkodik a link. Nemtudom tegnap miért nem ment. Tudnátok Ébély linket adni, milyet érdemes venni? A hozzászólás módosítva: Júl 27, 2015
Idézet: „Hello! vettem 3 db használt 220-as ventilátort tyúk istálló szellőztetéshez nagyon szép állapotban vannak de ki nem lettek sajna próbálva. most itthon bedugtam és csak búgnak mi lehet a hiba? levettem fedelet ugyis neztem mintha megakarna indulni a forgorész kicsit mozdul aztan csak búg. Várom válaszod eőre is köszi.” pixiberni kolléga kérdezte.
Biztos lemaradt róluk a segédfázis kondi.
Ezeket az adatokat találtam a Tpc8028-ról.
Bővebben: Link de sajnos ez nekem kínai. El van repedve a teteje valami oknál fogva. Van benne egy 7805-ös stabilizátor,azt ki tudtam mérni és addig jutottam,hogy a bemenetére a 12voltot megkapja de testet nem kap valamiért. Ha egy külön vezetékkel adok neki testet akkor elindul a kijelző. Az lehetséges,hogy a testet azt a fetek kapcsolgatják a stabilizátorra? A nyákon az elégett vezetéket már én okoztam mert hozzáért sajnos egy vezeték. A hozzászólás módosítva: Júl 28, 2015
1 és 2 utas + többféle egyenirányítók összefoglalója technikai alapok .
Ebben a témakörben merült fel a probléma: topikhoz ugrás A hozzászólás módosítva: Júl 27, 2015
Sziasztok! Azt szeretném kérdezni, ha egy végfoknak nem ismert az áram felvétele. Megközelítőleg, megtudnám határozni a hálózatról fel vett max. teljesítményét. Pl így: oldalanként 8 ohmra leadott 450W rms teljesítményt meg szorzom 4-el, és akkor ez 1,8kw. Ez valós elmélet lehet. Az a baj a végek sincsenek nálam, mert úgy egyszerű lenne meg mérni, gazdája kérdezi, ugyanis bulit szervez és nem tudja hogy el bírja-e neki a hálózat.
1,8 kW az cca. 8A, tehát olyan helyről kell táplálni, ami pl. 10A áramfelvételt megenged.
Üdv!
Gondolom rossz kulcsszóval kerestem rá, de valamiért nem találok semmi irományt az érintés kapacitásvaltozással való érzékeléséről, pedig nyilván van róla sok info. Tulajdonképpen abban kérném a segítséget, hogy mivel keressek rá erre. Illetve másik kérdésem, hogy a kapacitásos módszeren kívül hogyan lehet még érzékelni, ha valaki megfog egy fémdarabot? Előre is köszönöm!
A második kérdésedre: csinálsz egy kis erősítőt nyitott bemenettel, ami leginkább az 50 Hz-et viszi át, utána egy komparátor és kapcsoltatsz a jelével.
A céltól függően lehet akár egy többszörös darlington is.
Helo
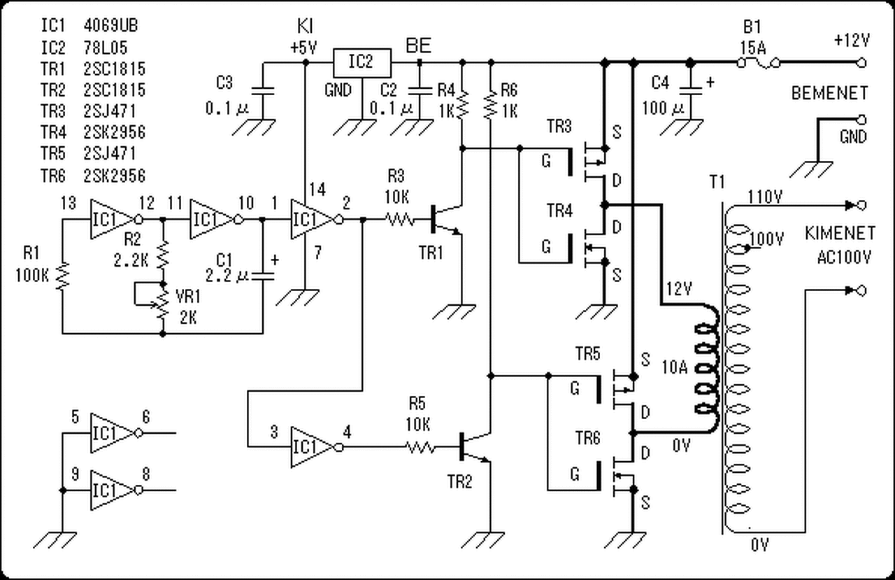
A segítségeteket szeretném kérni. Meg építeném ezt a Bővebben: Link kapcsolást, de én nem transzformátort használnék hanem feszültség növelőt. Vagyis a TR3,TR4,TR5,TR6 nem 12v-ot kapcsolgatna hanem 250v-ot, és 1A-ert. Arra vagyok kíváncsi hogy milyen teljesítmény mos fet kell a TR3,TR4,TR5,TR6- helyére, és honnan tudom azt meg rendelni.
Sziasztok!
Egy helyen egy PT1000-es ntc-vel szeretnék mérni, de az eredményét két eszközzel szeretném feldolgozni - azaz kvázni a PT1000-es mintha egyszerre két helyre kötném be. Nincs lehetőségem és kábelem egyszerűen még egy 2. PT1000-est használni (házon kívűlről jön a kábel, csak 2 érrel...stb.). Van valami lehetőség az elektronikában egy ellenállásjel "megkétszerezésére"? (Ha nincs, nem esek kétségbe, a 2. NTC helyett akkor valami célhőmérségketet szimulálok majd ellenállásokkal, stb.) Köszi A hozzászólás módosítva: Júl 29, 2015
Szia!
A Pt 1000 nem ntc, hanem ptc.. a többit talán tudod. Ha eszközökről beszélsz, talán meg tudod oldani azt is, hogy átkapcsolgatod bizonyos időnként, az előző eredményt pedig memorizálod.
Sziasztok
SMD zener 7.5B 39 van ráírva, de nem tudom egyértelműen meghatározni a tipusát. Segítene valaki? Üdv
Szia!
Ha van legalább 45 voltos tápod, köss a zenerrel sorba egy 4k7-es ellenállást és mérd a feszt a zeneren. Egyik irányban diódát mérsz, a másik irányban pedig a zener feszt ( ha 39 voltos lenne..)
Bocsi, azt elfelejtettem írni, hogy zárlatos.
Egyébként egy monitor 5 voltos és 12 voltos köre közé van kötve (érdekes) Üdv
Akkor elképzelhető, hogy 7,5 voltos...
Ha meglenne a kapcsrajzod és ez a rész, könnyebb lenne megállapítani, mi a funkciója, abból pedig az értéke.. így kapásból inkább 7,5...
Megmértem.
15 volt az egyik ág, a másik 5V, a zenernél (kivett állapotba) 10 volt van. Kapcsolási rajz nincs, de nem is kéne, ha lenne fönt valami használható smd code book, mert akármikor keresek valamit az pont nincs benne, a google meg mindenféle nem rá vonatkozó találatot dob ki
Talán lesz valaki, akinek van ilyen kapcsolása.. mindenesetre ha 10 volt van közte így, akkor a 7,5-re szavazok... feltéve, ha vmi korlátoz esetleg, ha az 5 volt lecsökken vagy a 12 megnő és ez fogja meg vhogy a különbséget., akár "öngyilkolás" árán is.
Persze az is lehet, hogy ha nagyon kicsi az 5 voltos rész fogyasztása ( pár mA), ez ejt le a 12-ből 7,5-öt? A hozzászólás módosítva: Júl 29, 2015
Kipróbáltam egy 8,5 voltossal és a 15 voltos ág lement 13,5-re, tehát szerintem neked lesz igazad, 7,5 voltos lesz.
Egyébként izmos dióda volt és a panel körülötte meg volt barnulva az áram miatt, kondi volt kiszáradva, vélhetően ez okozta a tönkremenetelét. Üdv és köszi
Ha izmos volt, akár 2 db-ból is összerakhatod... 3,6+3,9 , stb...
- ZY, ZPY... |
Bejelentkezés
Hirdetés |





.






